Автор предлагает несколько вариантов регуляторов яркости для компактных люминесцентных ламп, регулирующий элемент в которых - мощный полевой транзистор.
Компактная люминесцентная лампа (КЛЛ) - газоразрядный источник света, в котором электрический разряд в стеклянной трубке (колбе) в парах ртути или её соединений создаёт ультрафиолетовое излучение, преобразуемое в видимый свет с помощью нанесённого на внутренние стенки трубки люминофора. Компактной её называют потому, что, в отличие от линейных люминесцентных ламп, трубка сделана U-образной или свёрнута в спираль.
Схема одного из вариантов КЛЛ показана на рис. 1 (нумерация элементов приведена в соответствии с обозначениями на печатной плате). Она содержит газоразрядный источник света EL1 и электронный пуско-регулирующий аппарат (ЭПРА). В его состав входят выпрямитель на диодах D1-D4 со сглаживающим конденсатором С1, высокочастотный генератор на транзисторах Q1, Q2 и цепь запуска и ограничения тока: RC-генератор на дини-сторе DB3, дроссель L3, конденсатор С6, терморезистор РТС. Дроссель L3 служит токоограничивающим элементом. Генератор питается постоянным напряжением около 300 В, поскольку до него заряжается сглаживающий конденсатор С1. Формы (условно) напряжения на выходе выпрямителя КЛЛ и потребляемого ею от сети тока показаны на рис. 2.

Рис. 1. Схема одного из вариантов КЛЛ

Рис. 2. Формы напряжения на выходе выпрямителя КЛЛ и потребляемого ею от сети тока
Большинство регуляторов мощности (яркости) - фазоимпульсные. Ключевым элементом в них является тринистор (симистор), на управляющий вход которого в определённый момент поступает открывающий импульс. Длительность этого импульса из соображений экономичности, как правило, невелика. Чтобы тринистор оставался в открытом состоянии, через него должен протекать определённый ток, называемый током удержания. В случае с лампой накаливания, паяльником или другим нагревательным прибором ток через них протекает всё время, пока тринистор включён. Когда ток становится малым при приближении сетевого напряжения к нулю, тринистор закрывается. Для его открывания в следующий полупериод сетевого напряжения потребуется очередной импульс от узла управления. Изменяя время появления импульса относительно начала каждого полупериода сетевого напряжения, можно изменять среднее напряжение на нагрузке. В результате регулируется яркость лампы накаливания (или температура паяльника).
Если нагрузка такого регулятора - КЛЛ, ситуация изменяется. Дело в том, что КЛЛ потребляет ток, когда напряжение сети превышает напряжение на сглаживающем конденсаторе ЭПРА. Если в регуляторе открывающий импульс поступит на тринистор в момент, когда это условие не выполняется, он не откроется, поскольку нет условий для протекания тока. Именно поэтому фазоимпульсные регуляторы яркости работают с КЛЛ неустойчиво или не работают вообще.
Хотя КЛЛ существенно экономичнее лампы накаливания, но всё же иногда требуется уменьшить яркость её свечения. Как отмечено выше, широко распространённые тринисторные регуляторы яркости, как автономные, так и встроенные в светильники, не рекомендуется применять совместно с КЛЛ. Поэтому для последних потребуется специализированный регулятор, кроме того, существуют КЛЛ, работающие с подобным регулятором. Но возникают сомнения, а можно ли регулировать яркость обычной КЛЛ? На этот вопрос ответ утвердительный. Только регулировать яркость можно изменением тока через газоразрядную трубку или длительностью импульсов тока. После возникновения разряда КЛЛ начинает светить, её яркость зависит от тока, протекающего через лампу, при этом напряжение на ней изменяется в относительно небольших пределах. Поскольку часть напряжения падает на элементах ЭПРА, изменяя напряжение питания КЛЛ, можно изменять ток через газоразрядную трубку, т. е. яркость её свечения. Существует противоречивая информация о том, как влияет на срок службы КЛЛ уменьшение напряжения питания.
В статье В. В. Черепанова, А. В. Коротаева "Исследование характеристик компактных люминесцентных ламп" (Энергосовет, 2011, № 3 (16), с. 65-68, URL: http://www.energosovet.ru/bul_ stat.php?idd=181) приведено исследование зависимости освещённости рабочего места от напряжения питания для КЛЛ различной мощности и разных производителей.
Эти зависимости показаны на рис. 3. Из них следует, что интервал регулировки яркости у КЛЛ гораздо меньше, чем у лампы накаливания, поскольку снизу он ограничен напряжением, при котором КЛЛ уже не работает. Но всё же регулировка вполне возможна, хотя и в меньших пределах, чем у ламп накаливания. При этом интервал регулировки больше у более мощных КЛЛ.

Рис. 3. Графики зависимости освещённости рабочего места от напряжения питания для КЛЛ различной мощности и разных производителей
Поскольку для КЛЛ тиристорные регуляторы не совсем подходят, предлагается сделать регулятор с коммутирующим элементом на полевом транзисторе, который закрывается, когда сетевое напряжение превысит некоторое пороговое значение. Принцип работы такого регулятора поясняет рис. 4. В начале каждого полупериода сетевое напряжение поступает на нагрузку. Когда напряжение превысит Uпор, транзистор закроется и нагрузка окажется обесточена. Он откроется вновь, когда сетевое напряжение станет меньше Uпор. В данном случае при уменьшении напряжения на нагрузке максимум потребляемого тока не совпадает с максимумом напряжения. При изменении сетевого напряжения от U1 до U2 изменится только время выключения и включения полевого транзистора, а максимальное напряжение на нагрузке останется неизменным. Для нагрузки, в состав которой входит выпрямитель со сглаживающим фильтром (как КЛЛ), это означает, что питающее напряжение окажется стабилизированным, а это может быть важным фактором.

Рис. 4. Принцип работы регулятора
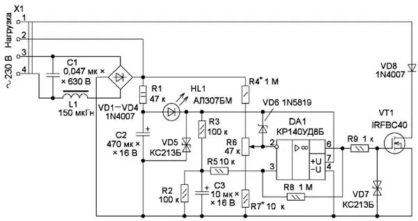
Схема одного из вариантов такого регулятора показана на рис. 5. Чтобы его упростить, сетевое напряжение предварительно выпрямляется. Для КЛЛ, ламп накаливания или нагревательных приборов это не имеет принципиального значения. Сетевое напряжение выпрямляет диодный мост VD1-VD4. На элементах R1, С2 и VD5 собран параметрический стабилизатор напряжения для питания ОУ DA1, на котором собран компаратор напряжения. Положительную обратную связь обеспечивает резистор R8, а гистерезис задаёт резистор R5. На неинвертирующий вход ОУ поступает постоянное напряжение с резистивного делителя R2R3. Конденсатор СЗ дополнительно сглаживает пульсации. На инвертирующий вход ОУ поступает пульсирующее напряжение с выхода резистивного делителя R4R6R7, подключённого к выпрямителю. Переменным резистором R6 устанавливают пороговое напряжение. Диод VD6 защищает этот вход от недопустимо большого напряжения, превышающего напряжение питания ОУ Электронный ключ собран на полевом транзисторе VT1. Стабилитрон VD7 защищает его затвор от бросков напряжения. На элементах C1 и L1 собран помехоподавляющий LC-фильтр. Диод VD8 устраняет влияние КЛЛ на регулятор, если в ней перед выпрямителем установлен помехоподавляющий LC-фильтр.

Рис. 5. Схема одного из вариантов регулятора
Когда напряжение сети меньше порогового, на инвертирующем входе ОУ DA1 напряжение меньше, чем на неинвертирующем, поэтому на выходе ОУ напряжение близко к его напряжению питания. Полевой транзистор открыт, напряжение поступает на нагрузку. Если к регулятору подключена КЛЛ, сглаживающий конденсатор на выходе её выпрямителя (С1 на рис. 1) заряжается до напряжения Uпор. Работу регулятора для этого случая поясняет рис. 6. Если пороговое напряжение (Uп1) будет больше амплитуды сетевого напряжения, полевой транзистор окажется всё время открытым и КЛЛ работает с максимальной яркостью. Формы напряжения на сглаживающем конденсаторе ЭПРА КЛЛ и потребляемого ею тока для этого случая показаны красным цветом. Если установить пороговое напряжение Uп2 меньше сетевого, регулятор начинает работать. Поэтому сглаживающий конденсатор в ЭПРА КЛЛ будет заряжаться только до этого напряжения, а значит, яркость её свечения уменьшится. Формы напряжения и тока для этого случая показаны синим цветом. Переменным резистором R6 можно изменять напряжение питания КЛЛ и её яркость свечения.

Рис. 6. Работа регулятора
Следует ещё раз отметить, что в этом случае, даже если напряжение сети изменится, на КЛЛ будет поступать пульсирующее напряжение с тем же максимальным значением, т. е. регулятор обеспечит стабилизацию напряжения на нагрузке и яркость свечения лампы.
Если сравнить формы напряжения и тока для разных пороговых напряжений, видно, что когда регулятор начнёт уменьшать напряжение на нагрузке, частота импульсов тока становится в два раза больше, а их длительность уменьшается, поскольку в течение одного полупериода ток через КЛЛ протекает дважды. Поэтому частота пульсаций на выходе выпрямителя ЭПРА КЛЛ увеличится, а их амплитуда уменьшится. Это приведёт к тому, что пульсации яркости КЛЛ уменьшатся и станут менее заметными.
Здесь следует немного пояснить, о чём идёт речь. Поскольку автогенератор в ЭПРА КЛЛ работает на частоте несколько десятков килогерц, многие потребители думают, а производители утверждают, что у КЛЛ пульсации яркости практически отсутствуют. Но ведь на выходе выпрямителя КЛЛ есть пульсации выпрямленного напряжения, амплитуда которых зависит от ёмкости сглаживающего конденсатора (С1 на рис. 1) и напрямую влияет на пульсацию яркости. Не совсем добросовестные производители "экономят" на ёмкости этих конденсаторов, именно поэтому пульсации яркости свечения КЛЛ могут быть сравнимы и даже превосходить пульсации яркости лампы накаливания.
Поскольку длительность импульсов тока уменьшается, увеличиваются создаваемые помехи. Именно для их подавления предназначен фильтр C1L1. Конечно, такой регулятор подойдёт и для регулировки яркости ламп наливания или нагревательных приборов.
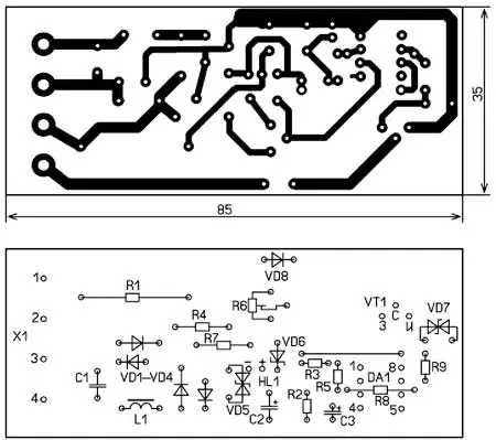
Большинство элементов собранного макета размещены на односторонней печатной плате из стеклотекстолита толщиной 1,5...2 мм, её чертёж показан на рис. 7. Применены постоянные резисторы С2-23, МЛТ, Р1-4 и импортные, переменный - СП4-1, оксидные конденсаторы - импортные, остальные - плёночные, дроссель - серии RLB0608 или аналогичный индуктивностью 47...220 мкГн, рассчитанный на ток, потребляемый нагрузкой. Светодиод - маломощный любого цвета свечения с диаметром корпуса 3...5 мм. Стабилитроны можно применить любые маломощные на напряжение стабилизации 12...14 В, замена транзистора IRFBC40 - IRF840. Разъём Х1 - клеммник винтовой с шагом выводов 7,5 мм, рассчитанный для установки в отверстия печатной платы.

Рис. 7. Чертёж печатной платы
Внешний вид смонтированной платы показан на рис. 8 (вместо светодиода установлена перемычка). Её помещают в пластмассовый корпус, ручка переменного резистора должна быть из изоляционного материала. Налаживание сводится к подборке резисторов R4 и R7 для получения требуемого интервала регулировки выходного напряжения.

Рис. 8. Внешний вид смонтированной платы
Схему регулятора можно упростить, если в качестве порогового элемента применить логический элемент на основе триггера Шмитта, например, микросхему К561ТЛ1. Такой элемент обеспечит быстрое включение-выключение ключевого элемента, но имеет гистерезис. Схема такого регулятора показана на рис. 9. Помехоподавляющий фильтр собран на элементах C1, C2 и L1, напряжение питания микросхемы стабилизирует параметрический стабилизатор напряжения на стабилитроне VD5 и гасящем резисторе R6. Светодиод HL1 индицирует наличие сетевого напряжения. Защитного диода на входе (вывод 2) элемента DD1.1 нет, поскольку цепи защиты встроены в микросхему, а входной ток ограничен резисторами R2 и R3. Резистор R1 ограничивает бросок тока при включении регулятора. Выходное напряжение регулируют переменным резистором R4.

Рис. 9. Схема регулятора
Работает этот регулятор аналогично, но имеет одну особенность. Дело в том, что из-за большого гистерезиса триггера Шмитта включение и выключение транзистора VT1 происходит при различных значениях сетевого напряжения. Это означает, что в первой половине каждого полупериода сетевого напряжения амплитуда поступающего на нагрузку напряжения будет больше, чем во второй. Это не имеет значения для нагревательных приборов, но не для КЛЛ. Если сглаживающий конденсатор в ЭПРА КЛЛ не успеет разрядиться, импульса тока во второй половине полуволны сетевого напряжения может и не быть. В этом случае амплитуда тока в первой половине возрастёт, поскольку сглаживающий конденсатор в КЛЛ успеет разрядиться сильнее. На работу КЛЛ это не повлияет, но уменьшит помехи, создаваемые регулятором.
Плата упрощённого варианта, чертёж которой показан на рис. 10, рассчитана для установки в корпус от трансформаторного блока питания (адаптера) размерами 50x55x80 мм (без выступающих элементов) с сетевой вилкой. Плата установлена на крышке корпуса, а ось переменного резистора выходит с другой стороны. Применены в основном аналогичные детали, для повышения безопасности применён переменный резистор серии PC-16S с пластмассовыми корпусом и осью. Транзистор IRF840 можно заменить транзистором IRF710, IRFBC40. Выключатель питания - движковый KBB70-2P2W, но можно применить переменный резистор, совмещённый с выключателем, рассчитанным для работы при напряжении сети. Налаживание сводится к установке интервала регулировки выходного напряжения подборкой резисторов R2, R3, R5.

Рис. 10. Чертёж платы упрощённого варианта устройства
На свободной стороне корпуса установлены гнёзда XS1. Выключатель смонтирован на корпусе регулятора, резистор R1 установлен между вилкой и платой. Внешний вид смонтированной платы показан на рис. 11.

Рис. 11. Внешний вид смонтированной платы
Ещё больше упростить регулятор можно, если исключить стабилизатор напряжения питания порогового элемента. Схема такого варианта регулятора показана на рис. 12. На элементах C1, L1, L2 и C2 собран помехоподавляющий фильтр, на диодах VD1-VD4 - мостовой выпрямитель. На диоде VD5, резисторах R2, R3 и конденсаторе С3 собран источник питания затворной цепи полевого транзистора VT1. Диод VD5 исключает разрядку конденсатора С3 через цепи регулятора и КЛЛ, стабилитрон VD6 ограничивает напряжение на затворе полевого транзистора.

Рис. 12. Схема регулятора
Диод VD7 устраняет влияние КЛЛ на работу регулятора, если у неё на входе (до выпрямителя) установлен помехоподавляющий LC-фильтр.
В качестве порогового устройства применена микросхема параллельного стабилизатора напряжения серии TL431 (DA1). Её особенность состоит в том, что при напряжении на управляющем входе (вывод 1) менее 2,5 В ток через неё не превышает 0,3...0,4 мА. Когда напряжение превысит указанное значение, ток через микросхему резко возрастёт.
В начале каждого полупериода сетевого напряжения на управляющем вхо-де микросхемы DA1 напряжение - менее 2,5 В, ток через микросхему DA1 мал, поэтому напряжение с конденсатора C3 поступает на затвор открытого транзистора VT1. В этом случае сетевое напряжение поступает на КЛЛ. Если напряжение на движке резистора не превысит 2,5 В (что соответствует, например, напряжению Uп1 на рис. 6), полевой транзистор будет всегда открыт (напряжение затвор-исток - 13 В) и на нагрузку поступает всё сетевое напряжение. Когда напряжение на движке резистора R7 превысит 2,5 В (например, если установлено Uп2), ток через микросхему возрастёт, а напряжение на затворе транзистора уменьшится до 2 В. В результате полевой транзистор закроется и на нагрузку поступит напряжение Uп2 в течение только части сетевого полупериода. Поскольку напряжение на затворе полевого транзистора ограничено стабилитроном VD6, а ток через резистор R4 ограничен резисторами R2 и R3, напряжение на конденсаторе С3 не превысит 25...30 В.
По сравнению с предыдущей конструкцией весь регулятор удалось разместить в корпусе меньшего размера (40x42x57 мм). Поэтому элементы размещены на двух платах. Чертёж основной показан на рис. 13, а дополнительной, на которой установлен фильтр, - на рис. 14. Платы приклеены внутри корпуса (рис. 15), на его стенках установлены выключатель SA1, переменный резистор R7 и гнездо XS1. Резистор R1 установлен на выводах выключателя и вилки XP1 и на рис. 15 не виден. Все соединения проведены проводом МГТФ.

Рис. 13. Чертёж основной платы

Рис. 14. Чертёж дополнительной платы

Рис. 15. Внешний вид смонтированных плат
В устройстве применены в основном такие же элементы, что и в предыдущей конструкции. Поскольку регулятор планировалось использовать совместно с КЛЛ, были применены менее мощные дроссели (от ЭПРА КЛЛ). Внешний вид регулятора показан на рис. 16.

Рис. 16. Внешний вид регулятора
Предлагаемый регулятор можно применить для регулировки напряжения ламп накаливания и нагревательных приборов, например паяльников. Их мощность ограничена параметрами применённых выпрямительных диодов, дросселей и допустимого тока транзистора. Для предложенных регуляторов мощность нагрузки не должна превышать 100...150 Вт. Для увеличения мощности потребуется применить более сильноточные диоды, более мощный дроссель, а транзистор необходимо установить натеплоотвод.
По сравнению с тринисторными регуляторами яркости, где частота импульсов тока через нагрузку - 100 Гц, в предлагаемых она может быть вдвое больше. Поэтому и пульсации яркости меньше. Кроме того, если с помощью регулятора напряжение на нагрузке уменьшено, максимум тока не совпадает с максимумом напряжения. В этом случае "верхушка синусиоды" не будет "срезана" и её форма в сети должна улучшиться.
Такой регулятор можно применить и с любой маломощной активной нагрузкой. Нижний предел регулируемой мощности на ней зависит от тока утечки закрытого полевого транзистора.
Автор: И. Нечаев, г. Москва
