При построении генераторов, таймеров и других подобных устройств обычно применяют времязадающие RC-цепи, работа которых основана на зарядке-разрядке конденсатора через резистор от источника постоянного тока. Эти RC-цепи подключают, как правило, к различным активным приборам - транзисторам, ОУ, компараторам.
При формировании импульсов относительно большой длительности приходится выбирать либо конденсатор большой емкости, либо высокоомный резистор. В первом случае выбор ограничивают ток утечки и увеличение габаритов конденсатора, во втором - уменьшение рабочего зарядного тока, что приводит к увеличению зависимости временной выдержки от внешних дестабилизирующих факторов и влияния тока утечки конденсатора на режим подключенных активных элементов

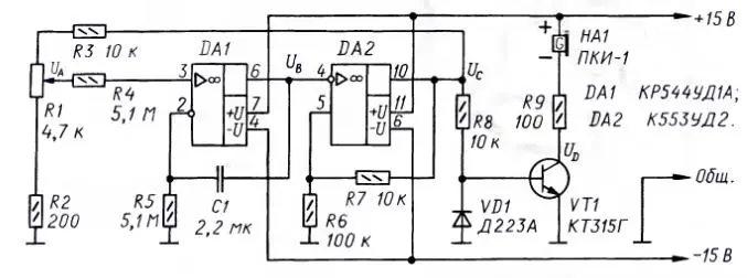
Рис. 1
Один из вариантов преодоления указанных противоречий - использование релаксационной системы, состоящей из интегратора и компаратора. Принципиальная схема формирователя длинных импульсов, построенного по этому принципу, изображена на рис. 1, а эпюры напряжения, поясняющие его работу, - на рис. 2.

Рис. 2
На ОУ DA1 собран интегратор. Скорость нарастания и убывания напряжения на его выходе зависит от напряжения на его неинвертирующем входе. В интеграторе следует использовать ОУ с полевыми транзисторами на входе, обеспечивающими высокое входное сопротивление.
ОУ DA2 - компаратор напряжения Порог его срабатывания зависит от соотношения значений сопротивления резисторов R6 и R7. Переменный резистор R1 позволяет регулировать в широких пределах длительность выходных импульсов формирователя.
В начальный момент напряжение Uc на выходе компаратора DA2 равно приблизительно +Uпит, а на выходе интегратора DA1 UB = 0. Так как положительное напряжение Uc через делитель R3R1R2 подано на неинвертирующий вход интегратора, его выходное напряжение увеличивается.
В момент t1 оно достигнет верхнего порога срабатывания компаратора:

и он переключится в другое состояние. Полярность напряжения на его выходе изменится на противоположную, и напряжение на выходе интегратора начнет уменьшаться.
В момент t2 оно достигнет нижнего порога срабатывания компаратора и цикл повторится. Частоту генерируемых колебаний можно определить по формуле

Выходное напряжение Uc (рис. 2) формирователя - последовательность двуполярных импульсов скважностью 2. При указанных на схеме номиналах элементов и использовании времязадаю-щего конденсатора К73-17 длительность выходных импульсов и пауз между ними можно изменять в пределах от одной до тридцати минут.
Если нагрузка формирователя требует однополярного питания, можно использовать выходную ступень на транзисторе, как показано на рис. 1. Здесь нагрузкой транзистора VT1 служит звуковой оповещатель ПКИ-1, применяемый в системах пожарно-охранной сигнализации. Его напряжение питания - 12±3 В; потребляемый ток -20...40 мА. Звуковое давление, обеспечиваемое оповещателем, достигает 105 дБ. Это устройство я использовал для отпугивания птиц в период созревания урожая.
Описанный формирователь длинных импульсов может найти применение и в других устройствах, где не требуются точные временные интервалы, например, для автоматизации обслуживания аквариумов, инкубаторов (при соответствующей конструкции исполнительных узлов).
Автор: С. Семихатский, г. Ейск Краснодарского края
