Большой парк популярных и по сей день старых советских радиоприёмников как бытового, так и военного назначения, таких, например, как ламповые УС-П, УС-9, Р-253, Р-311, Р-326, ТПС-54, ТПС-58, "Казахстан" или транзисторные серий "Ишим", ВРП-60, имеют непрерывный КВ-диапазон, ограниченный по разным причинам (в том числе и ГОСТом на бытовые приёмники) частотами 12...18 МГц (реже до 20...24 МГц).
Предлагаемый вашему вниманию простой КВ-конвертер участка 15...30 МГц предназначен для расширения вверх коротковолнового диапазона подобных приёмников, что добавит в их "ассортимент" до шести радиовещательных и пяти любительских диапазонов. Конвертер выполнен в виде малогабаритной приставки с автономным низковольтным (3 В) питанием, поэтому не требует какого-либо вмешательства в конструкцию приёмника.
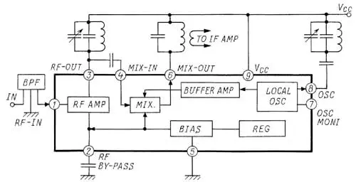
Конвертер экономичен, прост в изготовлении и настройке благодаря применению популярной микросхемы ТА7358, в составе которой (рис. 1) есть все необходимые узлы: малошумящий УВЧ на транзисторе, включённом по схеме с общей базой, двойной балансный активный транзисторный смеситель на основе "ячейки Гилберта" и гетеродин по схеме ёмкостной трёх-точки.

Рис. 1. Структурная схема конвертера
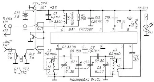
Схема конвертера приведена на рис. 2. Наружная антенна подключена ко входу конвертера (разъёму XW1), постоянно соединённому с аттенюатором, который выполнен на сдвоенном переменном резисторе R1. Выход конвертера подключён коаксиальным кабелем длиной 30...40 см к антенному гнезду приёмника. На конце этого кабеля припаяны однополюсные штекеры XP1, XP2 (или разъём, соответствующий антенному входу вашего приёмника). Применение сдвоенного переменного резистора, по сравнению с одиночным, обеспечивает большую глубину регулировки ослабления во всём КВ-диапазоне.

Рис. 2. Принципиальная схема конвертера
Как показала практика, при достаточно длинной антенне многие приёмники часто перегружаются большим уровнем входных сигналов. С другой стороны, уровень шумов и помех на КВ-диапазонах в современном эфире настолько велик (особенно в городских условиях), что "съедает" львиную долю и без того не очень большого динамического диапазона старого приёмника.
Постоянно подключённый в антенный тракт плавный аттенюатор в таких условиях очень полезен, поскольку позволяет оптимально согласовать динамический диапазон приёмника с уровнем эфирных сигналов и помех. В показанном на схеме положении переключателя SB1 выход аттенюатора напрямую соединён с входом приёмника, питание на конвертер не подаётся, и он используется как внешний плавный аттенюатор.
Чтобы включить конвертер, нажимают на кнопку SB1. Первая (верхняя по схеме) группа контактов подаёт питание на конвертер, вторая переключает вход приёмника на выход конвертера (OUT), третья заземляет линию межконтактной связи, что улучшает развязку между входом и выходом конвертера, а четвёртая группа контактов переключает выход аттенюатора на вход конвертера (IN). Теперь сигнал с антенны через плавный аттенюатор R1 подаётся на катушку связи L1 входного контура, образованного катушкой L2 и конденсаторами С3, С5 и С7.1, и уже отфильтрованный он поступает через разделительный конденсатор С2 на вход УВЧ (вывод 1 DA1). Поскольку УВЧ - это биполярный транзистор, включённый по схеме с общей базой, он имеет низкое входное сопротивление (примерно 60 Ом). Чтобы не шунтировать входной контур, он подключён к отводу катушки L2. Выход УВЧ (вывод 3 DA1) подключён к входу смесителя (вывод 4 DA1) и нагружен резонансным контуром L3C8C9C7.2 через катушку связи L4. Это потребовалось из-за относительно небольшого входного сопротивления смесителя (примерно 2,7 кОм), чтобы не шунтировать второй контур.
В результате два слабо нагруженных контура, синхронно перестраиваемых по частоте двухсекционным КПЕ С7, обеспечивают хорошую избирательность по зеркальному каналу.
При перестройке по частоте их полоса пропускания изменяется примерно от 270 кГц в нижнем участке диапазона до примерно 550 кГц на верхнем. Это позволяет после настройки конвертера на выбранный диапазон внутри него пользоваться только ручкой настройки приёмника.
На второй (внутренний) вход смесителя поступает сигнал частотой 14 МГц с встроенного гетеродина (выводы 7 и 8 DA1). Он выполнен по схеме ёмкостной трёхточки на конденсаторах С10, С11 и кварцевом резонаторе ZQ1. Это обусловило высокую стабильность частоты гетеродина конвертера, так что стабильность частоты настройки вверху КВ-диапазона по-прежнему будет определяться только самим приёмником. А выбор целого значения частоты в мегагерцах позволит при работе с конвертером легко пользоваться штатной шкалой приёмника, так как прибавить "в уме" к показаниям шкалы 14 МГц не составит большого труда.
Двойной балансный смеситель очень эффективно (не менее чем на 40 дБ) подавляет входной и гетеродинный сигналы, а также их гармоники, так что на широкополосной нагрузке смесителя (дроссель L5, шунтированный резистором R2) выделяются продукты преобразования (Fc-Fг,- и Fc+Fг), которые поступают на вход приёмника, и уже его входные цепи выделяют полезную составляющую (Fc-Fг).
Светодиод HL1 красного свечения - индикатор включения конвертера. Поскольку его минимальное напряжение зажигания (примерно 1,6 В) совпадает с минимально допустимым напряжением питания микросхемы (1,6 В), то получается простой индикатор степени разрядки батареи. Как только светодиод перестаёт светить, батарею пора менять.
Все детали конвертера, кроме батареи питания и антенного гнезда XW1, размещены на печатной плате размерами 75x35 мм из одностороннего фольгированного стеклотекстолита.
Авторский чертёж печатной платы в формате lay6 можно скачать с сайта журнала. Плата рассчитана на установку постоянных резисторов и конденсаторов для поверхностного монтажа типоразмера 0805, дросселя ЕС-24, переключателя П2К, малогабаритных сдвоенного переменного резистора RK1233G1 и сдвоенного КПЕ с твердотельным диэлектриком от транзисторного радиоприёмника. Ось КПЕ удлинена посредством винта длиной 16 мм и капроновой втулки длиной 15 мм, в которой (для лучшей фиксации на оси КПЕ) нужно пропилить небольшой паз шириной 4 мм и глубиной примерно 0,2...0,4 мм. Микросхему TA7358 можно заменить её полным аналогом других производителей - LA1185, KA22495, KIA6058S.
Частота 14 МГц кварцевого резонатора ZQ1 выбрана для большей универсальности конвертера, т. е. применима для большинства перечисленных приёмников, но при желании может быть легко изменена на другое целое значение, более оптимальное для вашего приёмника. Так, для бытовых приёмников (например, "Рекорд-52", "Рекорд-53", "Рекорд-б5" и других), имеющих по ГОСТу непрерывный КВ-диапазон 3,95...12,1 МГц, оптимальным, на мой взгляд, будет кварцевый резонатор 10 МГц. Это позволит охватить диапазон 14...22,1 МГц, включающий в себя три любительских (20, 17 и 14 метров) и четыре радиовещательных (19, 16, 15 и 13 метров) диапазона. Для этого достаточно заменить только кварцевый резонатор - других изменений делать не нужно.
Вместе с батареей питания плата размещена в пластмассовом корпусе размерами 86x45x43 мм. Он состоит из двух частей - кожуха и вдвигающегося в него коробчатого шасси, имеющего с передней стороны щелевые пазы, в которые и вставляется плата.
Два гальванических элемента типоразмера ААА устанавливают в пластиковый контейнер, который размещён позади платы и там надёжно зафиксирован упругим кусочком поролона.
Катушки индуктивности L2, L3 намотаны на секционированных каркасах (с подстроечником, ферритовой чашкой и экраном размерами 7,5x7,5x11мм) равномерно во всех секциях и содержат по десять витков провода ПЭВ-2 диаметром 0,1-0,17 мм. Отвод у катушки L2 сделан от первого витка, считая от вывода, соединённого с общим проводом (он должен располагаться вверху каркаса). Катушки связи L1 и L4 намотаны поверх L2 и L3 (со стороны вывода, соединённого с общим проводом) и содержат соответственно один и три витка такого же провода. Если предполагается применение конвертера с короткой антенной (менее 7 м), число витков катушки связи L1 можно увеличить до двух-трёх.
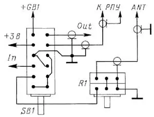
На рис. 3 приведён эскиз распайки выводов переключателя SB1, которую необходимо сделать до установки переключателя на плату. Светодиод запаивают со стороны печатных проводников на высоте примерно 5 мм над платой (устанавливается до упора в фигурные выступы на его выводах). С обратной стороны его анодный вывод полностью обрезают, а катодный укорачивается до 7...10 мм и служит опорной точкой для подпайки экрана входного кабеля.

Рис. 3. Эскиз распайки выводов переключателя SB1
Налаживание конвертера начинают с проверки режимов по постоянному току на выводах микросхемы DA1. При напряжении питания 3 В (на выводе 9) на остальных выводах значения напряжений должны быть близки к следующим значениям: вывод 1 - 0,8 В, вывод 2 - 1,5 В, вывод 3 - 3 В, вывод 4 - 1,5 В, вывод 5 - 0 В, вывод 6 - 3 В, вывод7 - 2,3 В, вывод 8 - 3 В.
При исправных деталях и отсутствии ошибок монтажа гетеродин запускается сразу. При желании и наличии достаточно чувствительного (не менее 100 мВ - эффективное значение) частотомера с высокоомным малоёмкостным входом можно проверить работу и частоту генерации гетеродина, подключившись к выводу 7 DA1. Для контроля генерации можно применить осциллограф с полосой пропускания не менее 20 МГц с высокоомным малоёмкостным пробником. Если такого пробниканет, подключать щуп осциллографа к выводу 7 DA1 можно через конденсатор малой ёмкости (не более 10...15 пФ).
Следующий этап - настройка входных контуров. Лучше всего это сделать с помощью генератора сигналов (ГС) и ВЧ-индикатора выхода, например, ВЧ-милливольтметра или осциллографа с полосой пропускания не менее 20 МГц с высокоомным пробником. Если пробника нет, достаточной чувствительности осциллограф можно подключать через конденсатор малой ёмкости (не более 10...15 пФ). Ещё проще и нагляднее получается настройка, если применить анализатор NWT с высокоомным пробником.
Перед началом работ подстроечники катушек устанавливают в среднее положение, а движок переменного резистора R1 - в верхнее по схеме положение. ГС подключают к антенному входу, а индикатор выхода - на выход УВЧ (вывод 3 DA1). Установив ротор КПЕ в положение максимальной ёмкости, подстроечниками катушек добиваются настройки контуров в резонанс на низкочастотном краю рабочего диапазона (15 МГц). Затем переводят ротор блока КПЕ в положение минимальной ёмкости и подстроечными конденсаторами С3, С8 добиваются резонанса на верхней границе рабочего диапазона (30 МГц). Поскольку эти регулировки взаимозависимы, то их повторяют два-три раза.
При отсутствии приборов и наличии достаточно большой антенны (точнее, достаточно большого уровня эфирных шумов и сигналов) настройку по указанной выше методике можно провести в штатном подключении к приёмнику, ориентируясь на показания низкочастотного милливольтметра - индикатора выхода (или штатного S-метра, если он есть) и даже на слух.

Рис. 4. Внешний вид конвертера
Внешний вид конвертера (без корпуса) показан на рис. 4. Ниже приведены результаты испытаний конвертера, подключённого к радиоприёмнику "Ишим":
- максимальный коэффициент усиления по напряжению - 8...10;
- чувствительность (при отношении сигнал/шум 10 дБ) в режиме АМ, мкВ, не менее, - 2 (15...20);
- чувствительность (при отношении сигнал/шум 10 дБ) в режиме CW/SSB, мкВ, не менее, - 0,5 (1...2);
- потребляемый ток, мА, не более, - 9.
В скобках указана чувствительность приёмника "Ишим" на соответствующем диапазоне.
Автор: Сергей Беленецкий (US5MSQ), г. Киев, Украина
