Высокочастотный генератор сигналов необходим при ремонте и настройке радиоприёмных устройств и потому довольно востребован. Имеющиеся на рынке лабораторные генераторы ещё советского производства имеют хорошие характеристики, как правило, избыточные для любительских целей, но стоят они довольно дорого и зачастую перед использованием требуют ремонта. Несложные генераторы иностранных производителей стоят ещё дороже и при этом не отличаются высокими параметрами. Это вынуждает радиолюбителей изготавливать такие устройства самостоятельно.
Генератор разработан как альтернатива простым промышленным приборам, аналогичным GRG-450B [1]. Он работает во всех радиовещательных диапазонах, его изготовление не требует намотки катушек индуктивности и трудоёмкого налаживания. В приборе реализованы растянутые КВ-диапазоны, что позволило отказаться от сложного механического верньера, встроенный милливольтметр выходного сигнала, частотная модуляция. Изготавливается устройство из дешёвых распространённых деталей, которые найдутся у любого радиолюбителя, занимающегося ремонтом радиоприёмников.
Анализ множества любительских конструкций подобных генераторов выявил ряд общих характерных для них недостатков: ограниченный диапазон частот (большинство перекрывают только диапазоны ДВ, СВ и КВ); значительное перекрытие частоты на высокочастотных диапазонах затрудняет её точную установку и приводит к необходимости изготовления верньера. Зачастую требуется намотка катушек индуктивности с отводами. К тому же описания этих конструкций слишком краткие, а нередко вообще отсутствуют.
Было принято решение самостоятельно сконструировать высокочастотный генератор сигналов, удовлетворяющий следующим требованиям: предельно простая схема и конструкция, катушки индуктивности без отводов, отсутствие самостоятельно изготавливаемых механических узлов, работа во всех вещательных диапазонах, включая УКВ, растянутые диапазоны и электрический верньер. Желателен 50-омный коаксиальный выход.
Таблица
Диапазон | Частота, МГц | Напряжение1), мВ |
ДВ1 | 0,058...0,214 | 40...70 |
ДВ2 | 0,185...0,726 | |
СВ | 0,56...2,33 | 53...120 |
КВ1 | 2,05...3,4 | 110...150 |
КВ2 | 2,9...4,8 | |
КВЗ | 4,8...8,3 | |
КВ4 | 7...12 | |
КВБ | 11.9 ...20.7 | |
КВ6 | 17,7...32 35,5...38,52) | |
УКВ1 | 37...57,5 65...722) | 150...210 |
УКВ2 | 70...82 94...1082) |
1) На коаксиальном выходе при сопротивлении нагрузки 50 Ом, аффективное значение.
2)При отключенном конденсаторе переменной емкости и напряжении на варикапе 0...5 В.
В результате проверки множества технических решений и неоднократных доработок появился описанный ниже прибор. Диапазоны генерируемых им частот указаны в таблице. Точность установки частоты генератора - не хуже ±2 кГц на частоте 10 МГц и ±10 кГц на частоте 100 МГц. Её уход за час работы (после часового прогрева) не превышает 0,2 кГц на частоте 10 МГц и 10 кГцначастоте 100 МГц. В той же таблице приведены максимальные эффективные значения выходного напряжения в каждом диапазоне. Нелинейность шкалы милливольтметра - не более 20 %. Напряжение питания - 7,5...15 В. Схема генератора сигналов представлена на рис. 1.

Рис. 1. Схема генератора сигналов
Как правило, генераторы с двухточечным подключением колебательного контура, способные работать на частоте более 100 МГц, в средневолновом диапазоне генерируют скорее искажённый меандр, чем синусоиду. Для уменьшения искажений требуется значительное изменение режимов работы активных элементов генератора в зависимости от частоты. Сигнал применённого в описываемом устройстве задающего генератора с включёнными последовательно по постоянному току полевым и биполярным транзисторами [2] имеет гораздо меньшие искажения. Их можно снижать, регулируя режим работы лишь биполярного транзистора.
На низкочастотных диапазонах режим работы транзистора VT2 задан включёнными последовательно резисторами R1 и R9. С переходом на высокочастотные диапазоны переключатель SA1.2 замыкает резистор R1. Для увеличения крутизны характеристики полевого транзистора VT1 на его затвор подано постоянное смещение, равное половине напряжения питания. Напряжение питания задающего генератора стабилизировано интегральным стабилизатором DA1. Резистор R10 служит минимальной нагрузкой стабилизатора, без которой его выходное напряжение засорено шумом.
В качестве катушек индуктивности L1-L10 задающего генератора использованы дроссели промышленного производства. Их коммутирует переключатель SA1.1. В диапазоне УКВ2 индуктивностью L11 служит отрезок провода длиной около 75 мм, соединяющий переключатель с печатной платой.
Отклонение фактической индуктивности дросселя от номинальной может быть довольно значительным, поэтому границы диапазонов выбраны с некоторым перекрытием, чтобы исключить их трудоёмкую укладку. Указанные в таблице границы диапазонов получены без какого-либо подбора дросселей. Предпочтительно применять дроссели большого размера, стабильность индуктивности которых (следовательно, и генерируемой частоты) выше, чем у малогабаритных.
Для перестройки частоты в приборе использован трёхсекционный конденсатор переменной ёмкости с редуктором, применявшийся в радиоприёмниках "Океан", радиолах "Мелодия" и многих других. Чтобы его корпус не имел электрического контакта с корпусом прибора, он закреплён внутри него через изолирующую прокладку. Это дало возможность включить одну секцию конденсатора последовательно с двумя другими соединёнными параллельно. Так реализованы растянутые КВ-диапазоны. В диапазонах ДВ, СВ1 и СВ2, где требуется большое перекрытие по частоте, переключатель SA1.2 соединяет корпус переменного конденсатора с общим проводом. В диапазонах КВ6, УКВ1 и УКВ2 предусмотрено отключение конденсатора переменной ёмкости выключателем SA2. Когда выключатель замкнут, частота устойчивой генерации не превышает 37 МГц.
Параллельно переменному конденсатору подключена цепь из варикапной матрицы VD1, конденсаторов C6, C9 и резистора R6, служащая частотным модулятором, электрическим верньером, а при отключённом переменном конденсаторе - основным элементом настройки. Поскольку амплитуда высокочастотного напряжения на колебательном контуре достигает нескольких вольт, соединённые встречно-последовательно варикапы матрицы вносят гораздо меньшие искажения, чем вносил бы одиночный варикап. Напряжение настройки на варикапы матрицы VD1 поступает с переменного резистора R5. Резистор R2 несколько линеаризует шкалу настройки.
Сигнал частотной модуляции генератора подают на разъём XS1 от любого внешнего источника. При настройке и проверке АМ-радиоприёмника преобразование частотной модуляции в амплитудную происходит в нём самом за счёт неравномерности частотной характеристики додетекторной части приёмного тракта. Наблюдать АМ-сигнал можно на последнем контуре ПЧ приёмника с помощью осциллографа. Такое решение не всегда приемлемо, но применяемые в любительских конструкциях измерительных генераторов простые амплитудные модуляторы создают сильную паразитную частотную модуляцию даже на низкочастотных КВ-диапазонах, из-за чего применять их по назначению практически невозможно. На разъём XS2 при использовании прибора в качестве генератора качающейся частоты подают пилообразное напряжение.
Задающий генератор связан с выходным повторителем на транзисторе VT4 через конденсатор C12, предельно малая ёмкость которого уменьшает влияние нагрузки на генерируемую частоту и снижение амплитуды выходного напряжения на частоте выше 30 МГц. Для частичного устранения снижения амплитуды на низкой частоте конденсатор C12 зашунтирован цепью R11C14. Простой эмиттерный повторитель с высоким выходным сопротивлением на биполярном транзисторе оказался наиболее подходящим решением для такого широкополосного прибора. Влияние нагрузки на частоту сравнимо с истоковым повторителем на полевом транзисторе, а зависимость амплитуды от частоты гораздо меньше. Применение дополнительных буферных ступеней только ухудшало развязку. Для обеспечения хорошей развязки в диапазонах ДВ-КВ транзистор VT4 должен иметь высокий коэффициент передачи тока, а в диапазонах УКВ - предельно малые межэлектродные ёмкости.
Выход повторителя соединён с зажимом XT1.4, предназначенным в основном для подключения частотомера, что приводит к некоторому снижению выходного напряжения. Внутреннее сопротивление этого выхода на КВ-диапазонах - около 120 Ом, выходное напряжение более 1 В. На диодахVD2, VD3, транзисторе VT3 и светодиоде HL1 реализован индикатор наличия ВЧ-напряжения на выходе повторителя.
С движка переменного резистора R18, служащего регулятором выходного напряжения, сигнал поступает на делитель R19R20, который, помимо дополнительной развязки генератора и нагрузки, обеспечивает выходное сопротивление коаксиального выхода (разъём XW1) на КВ-диапазонах, близкое к 50 Ом. На УКВ оно снижается до 20 Ом.
Уход частоты при изменении положения движка R18 из верхнего по схеме положения в нижнее достигает 70...100 кГц на частоте 100 МГц без нагрузки, а при подключённой нагрузке 50 Ом - не более 2 кГц (на той же частоте).
Для измерения выходного напряжения на разъёме XW1 предусмотрен детектор, выполненный на резисторах R15, R17, диоде VD4 и конденсаторе C17. Вместе с внешним цифровым вольтметром или мультиметром в режиме вольтметра, подключённым к контактам XT 1.3 (плюс) и XT1.1 (минус), он образует милливольтметр эффективного значения выходного напряжения генератора. Для получения более линейной шкалы на диод VD4 подано постоянное напряжение смещения 1 В, которое устанавливают многооборотным подстро-ечным резистором R17.
Внешний вольтметр должен иметь предел измерения 2 В. В этом случае в старшем разряде его индикатора будет постоянно выведена единица, а в младших разрядах - измеренное выходное напряжение в милливольтах. Минимальное измеряемое напряжение - около 20 мВ. Выше 100 мВ показания будут несколько завышены. При напряжении 200 мВ погрешность доходит до 20 %.
Питают генератор от стабилизированного источника постоянного напряжения 7...15 В либо от аккумуляторной батареи. При нестабилизированном блоке питания генерируемый высокочастотный сигнал неизбежно будет модулирован частотой 100 Гц.
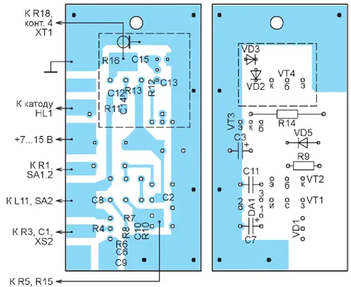
К монтажу генератора следует подойти очень тщательно, от этого зависит стабильность его параметров. Большинство деталей установлены на печатной плате из фольгированного с двух сторон изоляционного материала, изображённой на рис. 2.

Рис. 2. Печатная плата из фольгированного с двух сторон изоляционного материала

Рис. 3. Расположение деталей на плате
Расположение деталей на плате показано на рис. 3. Площадки фольги общего провода с двух сторон платы соединяют между собой проволочными перемычками, впаянными в отверстия, которые показаны залитыми. Элементы выходного повторителя после монтажа закрывают с двух сторон платы металлическими экранами, контуры которых показаны штриховыми линиями. Эти экраны должны быть надёжно, пайкой по периметру, соединены с фольгой общего провода. В экране, находящемся со стороны печатных проводников, над контактной площадкой, с которой соединён эмиттер транзистора VT4, сделано отверстие, сквозь которое проходит припаянный к этой площадке медный штырь. В дальнейшем к нему припаивают центральную жилу коаксиального кабеля, идущего к переменному резистору R18 и конденсатору C18. Оплётку кабеля соединяют с экраном повторителя.
В генераторе применены в основном постоянные резисторы и конденсаторы для поверхностного монтажа типоразмера 0805. Резисторы R19 и R20 - МЛТ-0,125. Конденсатор C3 - оксидный с низким ЭПС, C7 - оксидный танталовый К53-19 или аналогичный. Катушки индуктивности L1-L10 - стандартные дроссели, предпочтительно отечественные серий ДПМ, ДП2. По сравнению с импортными, они имеют значительно меньшее отклонение индуктивности от номинальной и большую добротность.
При отсутствии дросселя нужного номинала катушку L10 можно изготовить самостоятельно, намотав восемь витков провода диаметром 0,08 мм на резистор МЛТ-0,125 сопротивлением не менее 1 МОм. В качестве индуктивности L11 применён отрезок жёсткого центрального провода от коаксиального кабеля длиной около 75 мм.
Трёхсекционные конденсаторы переменной ёмкости с редуктором чрезвычайно распространены, но если такой отсутствует, можно применить и двухсекционный. В этом случае корпус конденсатора соединяют с корпусом прибора, а каждую секцию подключают через отдельный выключатель, причём одну из секций - через растягивающий конденсатор. Управлять прибором с таким переменным конденсатором заметно сложнее.
Переключатель SA1 - ПМ 11П2Н, также применимы аналогичные переключатели серии ПГ3 или П2Г3. Выключатель SA2 - МТ1. Переменный резистор R18 - СП3-9б, причём заменять его переменным резистором другого типа не рекомендуется. Если переменного резистора указанного на схеме номинала не нашлось, то можно заменить его имеющим меньший номинал, но при этом нужно увеличить сопротивление резистора R16 так, чтобы общее сопротивление параллельно соединённых резисторов R16 и R18 осталось неизменным. Переменный резистор R5 - любого типа, R17 - импортный многооборотный подстроечный 3296.
Диоды ГД407А можно заменить на Д311, Д18, а диод 1 N4007 - на любой выпрямительный. Вместо варикапной матрицы КВС111А допускается применить КВС111Б, вместо 3AR4UC10 - любой светодиод красного свечения.
Задающий генератор малочувствителен к типам применённых транзисторов. Полевой транзистор КП303И может быть заменён на КП303Г- КП303Ж, КП307А-КП307Ж, а с корректировкой печатной платы - на BF410B-BF410D, КП305Ж. Для транзисторов с начальным током более 7 мА резистор R7 не требуется. Биполярный транзистор КТ3126А можно заменить любым СВЧ-транзистором структуры p-n-p с минимальными межэлектродными ёмкостями. В качестве замены транзистора КТ368АМ можно рекомендовать SS9018I.
Разъём XW1 - типа F. В него легко заделывается любой кабель, а при необходимости можно просто вставить провод. Зажимная колодкаXT1 - WP4-7 для подключения акустических систем. Разъёмы XS1 и XS2 - стандартные монофонические гнёзда под штекер диаметром 3,5 мм.
Генератор собран в корпусе от компьютерного блока питания. Его монтаж показан на фотоснимке рис. 4. Решётку вентилятора удалите, а сторону корпуса, где она находилась, закройте пластиной из листовой стали с отверстиями для разъёмов и элементов управления. Для крепления пластины следует использовать все имеющиеся в корпусе отверстия под винты.

Рис. 4. Монтаж генератора
Плату закрепите на латунной стойке высотой 30 мм, рядом с переключателем SA1, вверх печатными проводниками. Место контакта стойки с корпусом залудите и подложите под неё контактный лепесток, который соедините с экраном выходного повторителя. По возможности избегайте образования больших замкнутых контуров протекания высокочастотного тока по общему проводу, приводящих к снижению выходного напряжения на УКВ-диапазонах.
Переменный резистор R18 поместите в дополнительный металлический экран, зажав его под фланец резистора. Монтаж резисторов R19 и R20 - навесной. Их общую точку соедините с разъёмом XW1 коаксиальным кабелем. Элементы детектора милливольтметра установите на небольшой монтажной плате, которую закрепите непосредственно на разъёме XW1.
Конденсатор переменной ёмкости C4 установите в корпусе через изолирующие прокладки. Желательно сделать диэлектрический удлинитель оси конденсатора, на который будет надета ручка настройки. Но это не обязательно, допустимо надеть её и на ось самого конденсатора. Соединение переменного конденсатора с выключателем SA2 и с платой выполните жёсткой центральной жилой от коаксиального кабеля. Конденсатор C5установи-те и соедините с корпусом рядом с конденсатором C4.
Перед установкой в прибор галетно-го переключателя SA1 смонтируйте на нём катушки индуктивности L1-L10 и резистор R1. Оси соседних катушек должны быть взаимно перпендикулярны, иначе не избежать их взаимного влияния. Особенно это касается низкочастотных диапазонов. Удобно чередовать катушки с аксиальными и радиальными выводами. Общий провод к галете SA1.1 подключите жгутом из десяти и более проводов МГТФ. Отдельным проводом соедините с общим проводом резистор R1 и подвижный контакт галеты SA1.2.
С помощью шприца с укороченной иглой нанесите на переднюю панель подкрашенным цапон-лаком все необходимые надписи. Разъём входа пилообразного напряжения XS2 установите на задней панели, чтобы исключить случайное подключение к нему. Туда же выведите шнур питания. Он дублирован контактами XT1.1 (минус) и XT1.2 (плюс), от которых можно питать другие измерительные приборы или настраиваемое устройство. Все лишние отверстия в корпусе закройте припаянными к нему стальными пластинами.
Собранный, согласно рекомендациям, прибор должен заработать сразу. Следует измерить постоянное напряжение на эмиттере транзистора VT4. При верхнем (по схеме) положении движка переменного резистора R18 оно не должно быть менее 2 В, иначе нужно уменьшить сопротивление резистора R13. Далее нужно проверить работу генератора на всех диапазонах. На УКВ при большой введённой ёмкости переменного конденсатора (если он включён) происходит срыв колебаний, что видно по снижению яркости свечения светодиода HL1.
Если переменный резистор R5 включён, как показано на схеме, то полоса перестройки на УКВ-диапазо-нах не превысит 15 МГц, и может потребоваться укладка этих диапазонов в пределы вещательных. Прежде всего сделайте это в диапазоне УКВ1 (65,9...74 МГц) с помощью подстроечного конденсатора C9 при разомкнутом выключателе SA2. Далее переведите переключатель SA1 в положение УКВ2 и, изменяя длину отрезка провода, служащего индуктивностью L11, добейтесь перекрытия вещательного диапазона 87,5...108 МГц. Если нужно сильно увеличить частоту, отрезок провода можно заменить полоской медной фольги или расплющенной оплёткой коаксиального кабеля. Пределы перестройки частоты варикапом можно значительно увеличить, если питать переменный резистор R5 напряжением со входа, а не с выхода интегрального стабилизатора DA1. Но это приведёт к заметному ухудшению стабильности частоты.
Регулировка детектора милливольтметра заключается в установке подстроечным резистором R17 напряжения 1010 мВ на подключённом к выходу детектора мультиметре при нулевом выходном напряжении генератора (движок переменного резистора R18 в нижнем по схеме положении). Далее, увеличив переменным резистором размах выходного напряжения до 280 мВ (контролируют осциллографом), подстраивают R17 так, чтобы мультиметр показал 1100 мВ. Это соответствует эффективному значению выходного напряжения 100 мВ. Следует учитывать, что ВЧ-напряжение менее 20 мВ этим милливольтметром измерять нельзя (мёртвая зона), а при напряжении более 100 мВ его показания будут сильно завышенными.
Рекомендуется включать генератор за час до начала измерений. После его прогрева долговременная стабильность частоты существенно повысится.
Файл печатной платы в формате Sprint Layout 6.0 можно скачать здесь.
Литература
1. Генератор сигналов высокочастотный GRG-450B. - URL: http://www.printsip.ru/ cgi/download/instr/GW_instek/generatori_ gw/grg-450b.pdf (26.09.15).
2. Коротковолновый ГИР (За рубежом). - Радио, 2006, № 11, с. 72, 73.
Автор: Г. Бондаренко, г. Донецк, Украина
