Многие радиолюбители конструируют мощные КВ-усилители на лампах прямого накала ГУ-13, ГК-71, ГУ-81 М, не требующих обдува, недорогих, неприхотливых в эксплуатации, с высокой линейностью, а главное - готовых к работе через несколько секунд после подачи напряжения питания. При грамотном построении усилитель мощности (УМ) получается компактным, экономичным и удобным в эксплуатации. По предлагаемому описанию сделано более десятка УМ, которые показали отличные технические характеристики, хорошую повторяемость, простоту в налаживании и эксплуатации. Применяемая в усилителе защита от перегрузок и КЗ, "мягкое" включение и "спящий" режим работы позволили создать экономичный УМ с достойными характеристиками при минимальных габаритах и затратах. Такой УМ под силу собрать радиолюбителю средней квалификации.
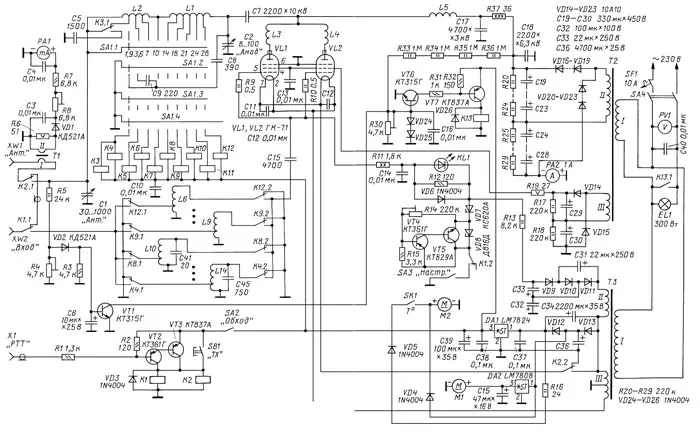
Рис. 1. Схема усилителя
Усилитель выполнен по схеме с общим катодом (рис. 1), которая хотя и несколько сложнее схемы с общей сеткой, поскольку требует подачи напряжения на экранные и управляющие сетки ламп, однако это усложнение с лихвой окупается меньшей мощностью входного сигнала (25...30 Вт), соответственно, облегчённым режимом работы трансивера и его полной независимостью от состояния выходной колебательной системы (ВКС) усилителя, в отличие от усилителя по схеме с общей сеткой. Выбранный оптимальный режим работы радиоламп позволил создать экономичный, малогабаритный, малошумящий УМ на двух лампах ГК-71 с высокой линейностью и отсутствием помех телевизионному приёму, с простой настройкой и стабильной работой. Анодное напряжение выбрано 2,7 кВ, при котором лампы работают надёжно и без прострелов, отдавая выходную мощность 1 кВт при напряжении на первой сетке 130 В и 700 В - на второй. Ввиду малого потребления по цепи питания экранных сеток обеих ламп (60...80 мА) применён выпрямитель с оксидными конденсаторами С29, С30 большой ёмкости. При этом изменения напряжения на второй сетке незначительны, что, учитывая весьма малую крутизну ламп ГК-71 по второй сетке, вполне приемлемо и не ухудшает линейность работы УМ в целом. Напряжение смещения на первой сетке ламп стабилизировано узлом на транзисторах VT4, VT5 и стабилитронах VD7, VD8. Стабилитрон VD8 ограничивает предел регулирования и максимальное напряжение на транзисторах. Ток покоя ламп УМ (100...120 мА) устанавливают подстроечным резистором R14.
В усилителе применена схема параллельного питания анодной цепи, как более надёжная, безопасная и привычная, при которой на элементах ВКС нет высокого напряжения, а уменьшение на 10...15% выходной мощности на диапазоне 28 МГц не столь существенно!
На входе усилителя применены диа¬пазонные входные колебательные контуры, переключаемые реле, которые обеспечивают согласование с КСВ не более 1,5 на всех диапазонах с любым трансивером, даже не имеющим встроенного тюнера.
Источник питания УМ собран на трансформаторах Т2 и Т3, выполненных на тороидальных магнитопроводах. Все выпрямители выполнены по схеме удвоения, а выпрямители напряжения смещения - утроения напряжения. Это упрощает конструкцию трансформаторов и повышает их надёжность. При включении УМ в сеть цифровой вольтметр РУ1 индицирует напряжение сети 230 В, подаваемое на первичные обмотки трансформаторов через галогенную лампу накаливания ЕL1, которая ограничивает ток на уровне 1 А, что обеспечивает "мягкое" включение УМ, продлевая жизнь лампам ГК-71 и другим элементам усилителя.
После зарядки конденсаторов высоковольтного выпрямителя С19-С28 часть напряжения через цепь резисторов R33-R36 поступает на узел автоматики и защиты, собранный на транзисторах VT6, VT7 и реле К13. Особенность этого узла - малый гистерезис срабатывания-отпускания реле К13. Если во вторичных цепях трансформаторов Т2, Т3 нет перегрузки и КЗ, а также высокое напряжение в норме, транзисторы VT6 и VT7 открываются, реле К13 срабатывает, контактами К13.1 замыкает лампу ЕL1, и на сетевые обмотки трансформаторов Т2, Т3 подаётся полное напряжение сети. В противном случае при КЗ и возникновении перегрузок в любых цепях УМ или обмотках трансформаторов Т2, Т3 напряжение на базе транзистора VT6 уменьшается, транзисторы закрываются, реле обесточивается и трансформаторы подключаются к сети через галогенную лампу, которая работает как бареттер, ограничивая ток на уровне 1 А и предотвращая выход из строя элементов и УМ в целом! Применение галогенной лампы обусловлено её малыми габаритами и надёжностью. Если вместо неё применить резистор сопротивлением 30-50 Ом, то при КЗ через него будет идти ток более 5 А, что может привести к его выходу из строя! Узел на транзисторе VT1 служит для защиты от пробоя, подгорания пластин ротора- статора конденсатора переменной ёмкости С1 "Ант.", например, при обрыве антенны. Если напряжение на конденсаторе С1 превысит 300 В, оно через делитель R4R5 и диод VD2 поступит на базу транзистора VT1, который откро¬ется, замыкая на общий провод базу транзистора VT6 и переводя питание сетевых трансформаторов Т2, Т3 через галогенную лампу EL1.
Питание вентилятора М1 с номинальным напряжением 12 В осуществляется пониженным напряжением 8 В с выхода стабилизатора DA2. От стабилизатора DA1 с выходным напряжением 24 В питаются реле и другие цепи УМ.
В режиме ожидания на нити накала ламп подаётся пониженное напряжение накала 11 В, переключаемое контактами реле К2.2. В режиме "Настр." переключатель SA3 размыкает цепь питания стабилизатора напряжения первой сетки. Лампы закрываются, выходная мощность уменьшается до 500 Вт, и можно сколько угодно долго настраивать УМ. Работать в эфире в этом режиме нельзя!
Управление работой УМ осуществляет узел на транзисторах VT2, VT3. При замыкании на общий провод контакта на разъёме Х1 "РТТ" (ток в цепи - 15 мА) транзисторы открываются, срабатывают реле К1 и К2, коммутирующие входные/выходные цепи УМ. Через контакты реле К1.2 замыкается на общий провод стабилизатор напряже¬ния первой сетки и УМ переходит в ак¬тивный режим. Амперметр РА2 показывает ток покоя 100...120 мА, который, как было отмечено выше, регулируют подстроечным резистором R14. Если выключатель SA2 "Обход" разомкнут, питание на узел на транзисторах VT2, VT3 и реле К1, К2 не поступает, что ис¬ключает переход УМ в активный режим "ТХ", и сигнал с трансивера, минуя УМ, проходит в антенну, даже если УМ отключён от сети. Миллиамперметр РА1 показывает мощность приходящего с трансивера сигнала, а в режиме "ТХ" - выходную мощность. Шкала миллиамперметра РА1 отградуирована в ваттах. Узел измерения мощности расположен с обратной стороны разъёма XW1 "Ант." около его контактов. Он собран на трансформаторе тока Т1, диоде VD1 и измеряет проходящий в антенну ток. Точность показаний на эквиваленте нагрузки 50 Ом - 5 %. Подстроечным резистором R8, ось которого выведена "под шлиц" на заднюю панель, по необходимости осуществляется калибровка измерителя мощности. Для облегчения теплового режима ламп в УМ установлены вентиляторы, работающие при пониженном напряжении питания на вытяжку почти бесшумно. Хотя если допустим нагрев корпуса УМ до 70...80 оС, их можно и не устанавливать. Вентилятор М2 включается автоматически термоконтактом БК1 на повышенные обороты только при достижении в ламповом отсеке корпу¬са температуры более 60 оС.
Резистор R37 предназначен для уменьшения нагрузки на лампы и высоковольтный выпрямитель при прострелах в лампах, которые иногда происходят, особенно если лампа долго не эксплуатировалась. Светодиод HL1 загорается при появлении тока первой сетки и сигнализирует о перегрузке по входу, что нежелательно и может привести к искажению сигнала. Автоматический выключатель SF1 с током срабатывания 10 А предохраняет УМ и срабатывает при КЗ в сетевых трансформаторах Т2 и Т3.

Рис. 2. Усилитель мощности
По приведённому описанию сделано более 15 усилителей. При грамотном исполнении и соблюдении монтажа проблем с налаживанием не возникало. Есть два варианта исполнения УМ. Первый вариант - "Классика" - собран в алюминиевом корпусе от аппарата физиотерапии УВЧ-66 размерами 500x300x300 мм (ширина x высота x глубина), прекрасно подходящем для такого УМ (рис. 2). На передней панели расположены вольтметр PV1, амперметр РА2, органы управления, индикации и контроля, выключатель SA4 "Сеть", переключатель диапазонов SA1, выключатели SA2 "Обход", SA3 "Настр.", кнопка "ТХ" и выведены ручки настройки "Анод" и "Ант.". На задней панели размещены ВЧ-разъёмы XW1 "Ант." и XW2 "Вход", клемма заземления, гнездо Х1 "РТТ", автоматический выключатель ВА47-29. Все разъёмы, конденсаторы переменной ёмкости, клемма заземления, блокировочный конденсатор С17 соединены между собой медной полосой толщиной 0,5 мм и шириной 15 мм. В подвале глубиной 80 мм расположены плата высоковольтных выпрямителей, плата входных контуров, плата управления.
Второй вариант усилителя собран в самодельном корпусе размерами 420x x360x220 мм (глубина x высота x ширина), который сварен из уголка 15x15 мм, что придаёт корпусу необходимые жёсткость и прочность. Внутренний объём разделён пополам вертикальной перегородкой, которая, в свою очередь, разделена на высоте 220 мм от дна горизонтальным суб-шасси. В образовавшихся четырёх отсеках располагаются радиолампы, сетевые трансформаторы, платы и др. Необходимо отметить хороший доступ к любому блоку и улучшенное, по сравнению с классическим вариантом, охлаждение элементов УМ. На лицевой панели также расположены органы управления, индикации и контроля. Ось подстроечного резистора R8 выведена "под шлиц" на задней панели около разъёма "Ант.". Чуть ниже выведена также "под шлиц" ось подстроечного резистора R14. На задней панели уста¬новлены ВЧ-разъёмы XW1 "Ант." и XW2 "Вход", клемма заземления, гнездо Х1 "РТТ", вентиляторы М1, М2. Все ВЧ-разъёмы, клемма заземления, блокировочный конденсатор С17, конденсаторы переменной ёмкости соединены между собой медной полосой таких же размеров, что и в классическом варианте, проходящей по осевой линии между передней и задней панелями. Фотографии усилителя показаны на рис. 3 - рис. 6.

Рис. 3. Усилитель мощности

Рис. 4. Усилитель мощности

Рис. 5. Усилитель мощности

Рис. 6. Усилитель мощности
Катушка L1 намотана медной трубкой диаметром 5 мм на оправке диаметром 50 мм и содержит девять витков с шагом 12...15 мм. Отводы сделаны от третьего, четвёртого, шестого и восьмого витков, считая от вывода, который соединён с конденсатором С7. Катушка L2 намотана на каркасе из фторопласта диаметром 70 мм, длиной 130 мм. Она содержит 24 витка провода ПЭВ-2 2,5 мм, намотанных с шагом 5 мм. Отводы сделаны от второго, восьмого и 16-го витков, считая от вывода, соединённого с катушкой L1.
Анодный дроссель L5, как в УМ "Америтрон", намотан на керамическом каркасе диаметром 24 мм, длиной 180 мм, проводом ПЭТВ-0,35 виток к витку, секционно и содержит 82+55+42 витков, расстояние между секциями - 20 мм. Антипаразитные дроссели L3, L4 намотаны нихромовой проволокой диаметром 1,3 мм на оправке диаметром 7 мм и содержат по пять витков.
Плата входных колебательных контуров размерами 130x120 мм изготовлена из фольгированного с одной стороны стеклотекстолита толщиной 2 мм. Катушки входных контуров - бескаркасные, намотаны на оправке диаметром 15 мм проводом ПЭВ-2 диаметром 11...1,5 мм для диапазонов 14-28 МГц и диаметром 0,8...0,9 мм на остальные диапазоны и распаяны на печатной плате со стороны контактов реле РЭС9. Катушки содержат: для диапазона 28 МГц - пять витков, отвод сделан от первого витка (отводы у всех контурных катушек указаны, считая от вывода, соединённого с общим проводом); для диапазона 24 МГц - семь витков, отвод сделан от второго витка; для диапазона 21 МГц - девять витков, отвод сделан от третьего витка; для диапазона 18 МГц - десять витков, отвод сделан от третьего витка; для диапазона 14 МГц - 12 витков, отвод сделан от четвёртого витка, ёмкость контурного конденсатора - 20 пФ; для диапазона 10 МГц - 13 витков, отвод сделан от четвёртого витка, ёмкость контурного конденсатора - 56 пФ; для диапазона 7 МГц - 17 витков, отвод сделан от седьмого витка, ёмкость контурного конденсатора - 120 пФ; для диапазона 3,6 МГц - 32 витка, отвод сделан от девятого витка, ёмкость контурного конденсатора - 300 пФ; для диапазона 1,9 МГц - 38 витков, отвод сделан от десятого витка, ёмкость кон¬турного конденсатора - 750 пФ. Заметьте, что у контурных катушек диапазонов 18-28 МГц нет конденсаторов. Под¬стройка контуров осуществляется сжатием-растяжением витков катушек, которые затем закрепляют клеем БФ-2 или компаундом.
Если УМ планируется эксплуатировать в домашних условиях, без участия в длительных контестах, можно на месте трансформатора Т2 использовать ЛАТР-1М/9А с "родной" сетевой обмоткой, габаритная мощность которого - 1,3...1,4 кВт. Ток холостого хода у него не должен превышать 0,25...0,3 А при напряжении сети 230 В. Обмотки трансформатора содержат: сетевая (I) - 240 витков провода ПЭТВ-2 диаметром 1,2...1,3 мм; высоковольтная обмотка (II) - 1150 витков провода - ПЭТВ-2 диаметром 0,7 мм (напряжение 1100 В); обмотка экранной сетки (III) - 285 вит¬ков провода ПЭВ-2 диаметром 0,45 мм (напряжение 270 В). Если УМ предпола¬гается использовать для контестов, необходимо у трансформатора Т2 увеличить габаритную мощность до 2 кВт.
Сетевой трансформатор Т3 габаритной мощностью 150...200 Вт намотан на тороидальном магнитопроводе от источника бесперебойного питания с внешним диаметром 100...105 мм, высотой 45...50 мм. Сетевая обмотка оставлена, обмотка II намотана проводом ПЭТВ-2 диаметром 0,25...0,35 мм, напряжение холостого хода (без нагрузки) - 50...55 В, обмотка III намотана проводом ПЭТВ-2 диаметром 1,3...1,4 мм, напряжение холостого хода - 2х12 В. ВЧ-трансформатор тока (Т1) выполнен на ферритовом кольце типоразмера К20х10х5 марки 400НН. Обмотка II содержит 20 витков провода ПЭВ-2 диаметром 0,5...0,6 мм. Обмоткой I служит провод, пропущенный через кольцо, который соединяет разъём XW1 "Ант." и контакты реле К2.1.
Реле К1 - РЭН33 исполнения РФ4.510.021-02, К2 - РЭН34 исполнения ХП4.500.000-01 (ХП4.500.000-02), К13 - серии Т90 фирмы TE Connectivity с обмоткой на номинальное напряжение 24 В, К3-К12 - РЭС9 исполнения РС4.529.029-00 (РС4.529.029-01, РС4.529.029-07, РС4.529.029-09). Вентилятор М1 - постоянного тока на номинальное напряжение 12 В диаметром 78 мм от компьютерного блока питания. Вентилятор М2 - размерами 125х125х37 мм на номинальное напряжение 24 В. Микроамперметр РА1 - с током полного отклонения 1 мА, у которого шкала проградуирована в киловаттах, а РА2 - с током полного отклоне¬ния 1 А. Конденсатор переменной ёмкости С1 - от радиоприёмника "Балтика" с зазором 0,5...0,6 мм с максимальной ёмкостью 1000-1200 пФ, можно применить другой с аналогичными параметрами. Анодный конденсатор переменной ёмкости С2 - от аппарата физиотерапии УВЧ-66, использована одна секция. Конденсаторы С7 и С17 - КВИ-3, С5, С8, С9 - К15У-1, К15У-2. Оксидные конденсаторы - импортные. В высоковольтном выпрямителе-удвоителе соединены последовательно десять конденсаторов (их ёмкость может быть 330-680 мкФ на номинальное напряжение 400-450 В), которые для выравнивания напряжения зашунтированы резисторами R20-R29 сопротивлением 220 кОм мощностью рассеяния 2 Вт. Конденсаторы С29, С30 могут быть ёмкостью 330-680 мкФ на номинальное напряжение 400 В. Конденсаторы обвязки ламп (С11-С15), входных контуров (С41-С45) - КСО, КТ, блокировочные - серии К78. Переключатель диапазонов SA1 применён от радиостанции Р-130, он подвергся модернизации: введён общий посеребрённый контакт токосъёма, после чего переключатель выдерживает выходную мощность 2...2,5 кВт. Сделана фиксация на десять положений и общие подвижные контакты второй и третьей галет соединены по оси с корпусом переключателя, что позволило коммутировать дополнительные конденсаторы диапазонов 1,9, 3,6 и 7 МГц (SA1.2 и SA1.3).
Резисторы R9, R10 - С5-5, С5-16в или нихромовая проволока диаметром 0,4...0,5 мм длиной 100...120 мм, резистор R11 - безындукционный ТВО5-20 или несколько МЛТ-2, соединённых последовательно, резистор R6 - безындукционный, резистор R37 - ПЭВ-20 или ПЭВ-25 сопротивлением 27-36 Ом. Подстроечные резисторы - СП4-1. Резистор R19 составлен из двух МЛТ-2. Остальные резисторы - МЛТ мощностью рассеяния 0,25-0,5 Вт.
В усилителе применены диоды: VD14-VD23 - 10А10, отлично себя зарекомендовавшие, надёжные, не требующие шунтирования, VD1, VD2 - серии КД521, остальные VD3-VD6, VD9-VD13 и VD24-VD26 - 1 N4004 или любые кремниевые выпрямительные с допустимым обратным напряжением 400 В и допустимым током 1 А. Стабилитрон VD7 - КС620А или 2С920А, VD8 - Д816Г, Д816Д.
Галогенная лампа - от прожектора, мощностью 300 Вт, диаметром 8 и длиной 115 мм. Лампа установлена в штатный керамический держатель с обратной стороны передней панели УМ так, чтобы в отверстие диаметром 5 мм на передней панели, в которое вставлен прозрачный светодиод, было видно её свечение.
Налаживают усилитель в такой последовательности. Сначала, отсоединив от сети первичную обмотку трансформатора Т2, проверяют наличие напряжения накала ламп ГК-71 (~22 В), работу выпрямителя на диодах VD12, VD13, выходное напряжение стабилизатора DA1 (+24 B) и DA2 (+8 В). Проверяют работу вентиляторов, работу узла управления, чтобы при замыкании контакта разъёма Х1 на общий провод чётко срабатывали реле К1, К2. Далее проверяют работу выпрямителя на диодах VD9-VD11 и работу узла стабилизатора напряжения первой сетки ламп, которое должно регулироваться в пределах 120-170 В подстроечным резистором R14. Ток через контакты К1.2 на общий провод должен быть 15 мА, его устанавливают подбором резистора R19. Затем проверяют работу узла защиты, для чего, не отпаивая резисторы R33-R36, подают на базу транзистора VT6 через резистор сопротивлением 27-36 кОм напряжение +24 В и добиваются чёткого срабатывания реле К13 при изменении сопротивления подстроечного резистора R30.
Проверяют работу прибора РА1, ко¬торый должен даже при отключённом от сети УМ показывать проходящий в антенну сигнал с трансивера мощностью 50...100 Вт. Усилитель при этом необходимо нагрузить на эквивалент нагрузки 50 Ом или на лампу накаливания 220 В.
Если всё работает и напряжение накала ламп ГК-71 переключается при подаче сигнала управления, подключают сетевую обмотку трансформатора Т2 (обмотка II должна быть полностью отключена!) и проверяют наличие напряжения экранной сетки в пределах 12...750 В. Далее подают напряжение с обмотки III на анодный высоковольтный выпрямитель-удвоитель, проверяя его работу, чтобы на выходе было напряжение 700...750 В и напряжения равномерно распределялись на конденсаторах С19-С28. В противном случае заменяют конденсаторы! И только после этого подключают высоковольтную обмотку (II), соблюдая меры предосторожности! Движок подстроечного резистора R30 должен находиться в крайнем нижнем по схеме положении.
Если всё исправно работает, в режиме "ТХ" должен появиться регулируемый подстроечным резистором R14 ток покоя 20...200 мА. Крайне важно проверить усилитель на отсутствие самовозбуждения, о чём свидетельствуют резкие скачки тока анода и срабатывание автоматики защиты (реле К13) в режиме "ТХ" при рабочем токе покоя (100...120 мА) на всех диапазонах и при различных положениях роторов конденсаторов С1 "Ант." и С2 "Анод". Только после устранения самовозбуждения, если таковое имеется (!), можно приступать к дальнейшей настройке УМ.
Настройку входных контуров нужно производить при выключенном из сети УМ, подавая с трансивера при отключённом тюнере сигнал мощностью 5...10 Вт, по минимуму КСВ трансивера, начиная с диапазона 28 МГц, сжатием-раздвижением витков катушек соответ¬ствующего диапазона, после чего, увеличив выходную мощность трансивера до 25...30 Вт, окончательно подстраивают контуры. Подключив к выходу УМ эквивалент нагрузки сопротивлением 50 Ом и мощностью 1,5...2 кВт, а к корпусу УМ - защитное заземление, приступают к настройке ВКС подбором отводов катушки L1, подавая на вход усилителя сигнал мощностью 5...10 Вт, начиная с диапазона 28 МГц, на котором отвод катушки L1 должен быть от второго-третьего витка; на диапазоне 24 МГц - оттретьего-четвёртого витка; на диапазоне 21 МГц - от четвёртого-пятого витка; на диапазоне 18 МГц - от пятого-шестого витка и на диапазоне 14 МГц - от восьмого-девятого витка. Нормально замкнутые контакты реле К3 постоянно замыкают катушку диапазона 1,9 МГц, кроме работы на этом диапазоне. При тщательной настройке после подачи сигнала от трансивера мощностью 30 Вт, выходной мощности УМ - 1 кВт, токе анода - 750...800 мА подавление гармоник сигнала, измеренное импортным анализатором спектра 8890А, на ВЧ-диапазонах составило не менее 40 дБ и 50 дБ - на НЧ-диапазонах.
Автор: Вячеслав Федорченко (RZ3TI), г. Дзержинск Нижегородской обл.

