Применение микросхем в миниатюрных корпусах SOIC позволяет уменьшить размеры и стоимость печатных плат и, следовательно, разрабатываемых устройств. Радиолюбителям иногда приходится использовать такие микросхемы по причине отсутствия в запасах аналогичных микросхем в корпусах DIP. Немаловажно и то, что микросхемы в корпусах SOIC нередко дешевле, чем в корпусах DIP.
С установкой микросхем в корпусах DIP на разработанную под них печатную плату нет никаких сложностей, однако при попытках установить на ту же плату функционально аналогичную микросхему в корпусе SOIC они возникают всегда. Можно, конечно, припаять к выводам микросхемы тонкие провода и впаять их в отверстия платы (на первых порах именно так я и делал) или припаять её выводы к контактам DIP-панели, как это предложено, например, в [1]. Но оба способа весьма неудобны.
Например, согласно [1], микросхему устанавливают в панель в перевёрнутом положении, в результате чего нумерация выводов микросхемы не совпадает с нумерацией контактных площадок для неё на плате. Припаивать же провода к миниатюрным выводам микросхемы довольно трудно. К тому же при частых перепайках существенно возрастает вероятность перегрева микросхемы или пробоя её статическим электричеством. Увеличивается и риск отломать вывод. Если отломанный вывод микросхемы в корпусе DIP ещё можно попытаться восстановить, то с микросхемой в корпусе SOIC это, скорее всего, не удастся.
Конечно же, для микросхем в миниатюрных корпусах тоже выпускают панели и переходники, но их цена слишком велика, да и при заказе срок доставки не мал. Важно и то, что габариты готовых панелей для корпусов SOIC во многих случаях слишком велики.
При изготовлении самодельного переходника для такой микросхемы следует учитывать, что площадь контактной поверхности её вывода очень мала, и его прочность оставляет желать луч-шего. Поэтому предпочтительна конструкция, позволяющая вставлять и вынимать микросхему, не прилагая усилий к её выводам. Этому требованию отвечают панели ZIF (zero insertion force - нулевое усилие вставления), используемые, например, в программаторах. Но они сложны по конструкции, сделаны из малодоступных любителю материалов и дороги. Желательно изготовить что-нибудь попроще.
Целесообразно иметь переходник, размеры которого не превышают габаритов микросхемы DIP, а выводы расположены аналогично выводам последней. Это даст возможность устанавливать такие переходники на платы, разработанные для микросхем в корпусах DIP.
В статье рассмотрено изготовление переходника для микросхемы в корпусе SOIC-8, однако аналогичным способом можно изготавливать такие же для микросхем в корпусах SOIC, имеющих больше выводов (SOIC-14, SOIC-16 и т. д.), а также для отечественных микросхем в корпусах с планарными выводами, например серии 564.
Устройство переходника показано на рис. 1. Нажав на площадку 4, её опускают до положения, показанного на рис. 1,б, и укладывают на неё микросхему 5 так, чтобы её выводы попали в пазы площадки. Затем площадку отпускают. Под действием двух пружин 3 она возвращается в положение, показанное на рис. 1,а, и прижимает выводы микросхемы 5 к контактам 6. Контакты запрессованы в предназначенные для них отверстия основания 2. В это же основание вплавлены контакты 1, с которыми контакты 6 соединены отрезками тонкого провода.

Рис. 1. Устройство переходника
В дальнейшем контакты 1 вставляют в гнёзда панели DIP-8, установленной на плате устройства, в котором должна работать микросхема 5. Можно обойтись и без этой панели, вставив контакты 1 переходника непосредственно в монтажные отверстия на печатной плате и припаяв их к соответствующим контактным площадкам.
Для изготовления переходника потребуются листовой полистирол толщиной 3 мм и работающая на сжатие пружина диаметром 2,5 мм такой длины, чтобы от неё можно было отрезать два фрагмента длиной по 4 мм в свободном состоянии. Для панелей SOIC-14 и SOIC-16 лучше взять пружину диаметром 3...4 мм. К сожалению, измерить усилие сжатия пружин не было возможности, но они должны давить на площадку 4 с такой силой, чтобы контакты 6 слегка отогнулись.
Пружины можно заменить прокладкой из жёсткого изоляционного материала, плотно вставляемой в зазор между площадкой 4 и основанием 2. Но её толщину придётся тщательно подобрать. Можно попробовать и прокладку из силикона или пористой резины.
Заготовки для площадки 4 и контактов 6 можно найти на ненужной материнской плате компьютера. С любого имеющегося на ней слота PCI нужно снять пластмассовый корпус и вырезать из него площадку 4. Чертёж площадки показан на рис. 2, а внешний вид - на рис. 3.

Рис. 2. Чертёж площадки

Рис. 3. Внешний вид площадки
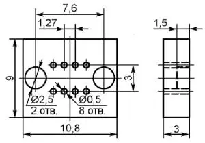
Основание 2 делают из листового полистирола толщиной 3 мм по изображённому на рис. 4 чертежу. Два ряда отверстий диаметром 0,5 мм предназначены для запрессовки в них контактов 6. Углубления диаметром 2,5 мм служат для фиксации пружин 3.

Рис. 4. Чертёж основания
Заготовки для контактов 6 - восемь упругих контактов от того же слота PCI, с которого снят корпус. Их следует извлечь из материнской платы, выпрямить и обрезать слева, как показано на рис. 5. Обрезать заготовку справа пока не нужно. На этом же рисунке показан участок контакта, который должен быть запрессован в основание 2.

Рис. 5. Обрезка заготовки
Контакты должны вставляться в отверстия со значительным усилием. Нагревать их при запрессовке нельзя, и сверлить отверстия диаметром более 0,5 мм тоже не следует. Установив все восемь контактов, их нужно изогнуть, как показано на рис. 1 и рис. 6, и обрезать. На последнем рисунке видны и вплавленные в основание 2 контакты 1.

Рис. 6. Установка контактов устройства
Все контакты 6 одного ряда удобно изгибать одновременно, используя для этого кондуктор, изготовленный по чертежу рис. 7, или обычную линейку. И обрезать все контакты ряда тоже следует одновременно.

Рис. 7. Чертёж кондуктора
Пружины 3 вставляют в предназначенные для них углубления уже после того, как установлены, отформованы и обрезаны все контакты. В каждое углубление капните немного дихлорэтана, и после размягчения полистирола вдавите в них пружины. После испарения дихлорэтана они окажутся закреплёнными достаточно прочно.
Можно обойтись и без пружин, если вдвигать между площадкой 4 и основанием 2 прокладку из жёсткого диэлектрического материала, тщательно подобрав её толщину. В этом случае длину площадки для микросхемы в корпусе SOIC-8 можно уменьшить до 5,7 мм, оставив с каждой её стороны по четыре паза для выводов микросхем. На мой взгляд, для постоянной установки микросхемы такой вариант подходит лучше, поскольку обеспечивает более сильное прижатие контактов переходника к выводам микросхемы.
Этот фактор может иметь значение при работе со сборками полевых транзисторов в корпусе SOIC-8. Допустимый ток стока у таких транзисторов достигает 3...4 А. Макетируя устройства с ними, я нагружал контакты током до 2 А, при этом перегрев контактов заметен не был. Но для длительной работы лучше ориентироваться на максимальный ток 0,2 А, чего в большинстве случаев более чем достаточно.
Контакты 1 под панель DIP вплавляют в основание 2 обычным паяльником. В качестве заготовок для них лучше всего применить контакты, извлечённые из имеющихся на материнской плате компьютера разъёмов для модулей памяти DDR. Хотя вполне подойдут и контакты от слотов PCI. Просто выводы разъёма DDR выполнены из металла, более близкого по толщине к стандартным выводам корпусов DIP.
Контакты 1 и контакты 6 соединяют попарно перемычками из тонкого провода. На рис. 8 показаны такие перемычки в переходнике для микросхемы в корпусе SOIC-16. Рекомендую сначала намотать на предварительно зачищенный вывод 1-2 витка провода, пропаять его и лишь затем вплавить вывод в основание 2 паяльником, нагретым до температуры ниже температуры плавления припоя. Учтите, что полистирол - легкоплавкий материал, и вывод может повести.

Рис. 8. Перемычки в переходнике для микросхемы в корпусе SOIC-16
Флюс лучше использовать спиртоканифольный. Его излишки нежелательны, поскольку портят внешний вид изделия. К тому же к остаткам флюса может прилипнуть пыль или, что ещё хуже, металлические опилки и стружки. Это может привести к замыканиям между контактами. Соединительные провода тоже можно вплавить в основание переходника паяльником.
После вплавления контактов основание переходника может иметь неряшливый вид из-за выдавленных из-под вплавляемых выводов излишков расплавленного полистирола. Придать поверхности переходника более аккуратный вид можно, приложив к ней широкую металлическую пластину и аккуратно прогрев её паяльником. Разогретая пластина оплавит выдавленный полистирол и сгладит все неровности. При этом контакты будут более надёжно зафиксированы, а поверхность станет ровной и гладкой.
По завершении паяльных работ необходимо проверить все выводы переходника на отсутствие замыканий и надёжность контакта между ними и выводами микросхемы. Также следует проверить совпадение выводов 1 с гнёздами панели DIP или беспаечной макетной платы. Проверено опытом, что у макетной платы допуск на шаг гнёзд меньше, чем у панели.
Для защиты от влаги все паяные соединения можно покрыть двумя-тремя слоями лака. Покрывая места пайки, он не должен попасть на контакты переходника. Лак следует проверить на электропроводность. Я применял лак ХВ-784, электропроводный в жидком состоянии. Использовать покрытый им переходник можно только после полного отвердевания лака.
Изготовив переходник, следует, сжав пружины, вставить площадку 4 между рядами контактов 6. После отпускания площадка под действием пружин 3 должна подняться, а контакты точно войти в её пазы и немного упруго разогнуться, Если остриё контакта не упирается в дно паза, его следует немного подогнуть.
Для переходника без пружин следует подобрать прокладку такой толщины, чтобы вставленная микросхема была надёжно зафиксирована, а контакты 6 немного упруго разогнулись. После извлечения прокладки они должны возвратиться в исходное состояние.
Вставив в панель любую микросхему, омметром проверьте наличие контакта между каждым выводом микросхемы и соответствующим выводом под DIP-панель. В итоге проделанной работы должно получиться примерно так, как на рис. 9, где изображён переходник без пружин, а рядом с ним микросхема NE555P. Их габариты не сильно различаются. Причём проекция переходника на плату совпадает с проекцией стандартной панели DIP-8. Это особенно важно при замене микросхемы в готовом устройстве, где рядом с ней могут располагаться другие элементы (резисторы, конденсаторы).

Рис. 9. Переходник без пружин
Изготовление переходника для восьмивыводной микросхемы у меня занимает меньше часа. Её выводы можно не только вставлять в гнёзда панели для микросхемы в корпусе DIP, но и впаивать их в плату на её посадочное место. При этом паять выводы нужно быстро, иначе сделанное из легкоплавкого полистирола основание может повести.
К моменту завершения статьи я изготовил и переходник для микросхемы в корпусе SOIC-16, показанный на рис. 10. Его размеры в проекции на плату также не превышают размеров стандартной панели под микросхему в корпусе DIP-16. В планах - изготовление переходника для 28-выводного микроконтроллера PIC16FT2-I/SO.

Рис. 10. Переходник для микросхемы в корпусе SOIC-16
Некоторое неудобство представленных переходников состоит в том, что микросхему приходится укладывать в них и вынимать пинцетом. Впрочем, в заводские тоже. Очень не рекомендуется так называемая "горячая", при включённом питании, замена установленной в переходник микросхемы. Ведь её выводы во время этой операции соединяются с контактами переходника неодновременно, что может привести к её повреждению.
Установить микросхему в предлагаемый переходник можно двумя способами.
Первый способ.Надавив на площадку 4 так, чтобы верхние изогнутые концы контактов 6 оказались выше уровня её гребней, вставьте микросхему в получившийся зазор. Её выводы должны лечь на гребни площадки, расположенные рядом с пазами, предназначенными для этих выводов. Затем сдвиньте микросхему так, чтобы выводы упали в предназначенные для них пазы. Отпустите площадку, она поднимется под действием пружин 3, и микросхема будет надёжно зафиксирована.
Второй способ, по моему мнению, более удобный. Нажмите на площадку 4 так, чтобы верхушки её гребней опустились ниже верхних изогнутых концов контактов 6. Сдвиньте площадку так, чтобы гребни оказались под концами контактов, и отпустите её. Концы контактов упрутся в гребни. В таком положении уложите микросхему на площадку так, чтобы её выводы вошли в нужные пазы. Затем площадку, немного прижав, сдвиньте обратно. Под действием пружин она возвратится в исходное положение, фиксируя микросхему. Этот способ позволяет устанавливать микросхему без пинцета, просто сдвигая площадку и укладывая микросхему рукой.
Установка микросхемы в переходник без пружин несколько сложнее. Вынув площадку 4 из переходника, уложите в неё микросхему. Затем площадку с микросхемой вставьте обратно между рядами контактов. Далее, приподняв и удерживая площадку так, чтобы контакты 6 вошли в предназначенные для них пазы, вдвиньте под неё заранее подобранную по толщине прокладку.
Применение вместо пружин упругих силиконовых прокладок тоже возможно. Однако такой вариант не проверен, он может оказаться непригодным для установки микросхемы на длительное время. Дело в том, что некоторые сорта силикона (как правило, имеющие запах уксуса) способны вызвать коррозию материала контактов. А при длительном постоянном сжатии силиконовая прокладка может деформироваться, что приведёт к ослаблению прижатия выводов микросхемы к контактам переходника и, как следствие, к ухудшению электрического контакта между ними. Однако для программатора или недолговечного макета устройства такой вариант вполне подойдёт. То же самое можно сказать о прокладках из резины.
Вместо полистирола для изготовления основания переходника можно попробовать применить другой листовой диэлектрик, например стеклотекстолит. Но такие варианты тоже проверены не были.
Один из изготовленных в исполнении с жёсткой прокладкой переходников уже почти год работает в цифровом частотомере и пока нареканий не вызывал. В него установлен микроконтроллер PIC12F629-I/SN. Теперь я без всяких сомнений использую микросхемы в корпусах SOIC. Два таких переходника (на 8 и на 16 выводов) использованы, например, при макетировании счётчика витков [2] и загрузке программы в его микроконтроллер.
Литература
1. Козубов В. "Корпус" DIP для микросхемы SMD. - Радио, 2016, № 8, с. 28.
2. Герасимов E. Электронный счётчик витков для намоточного станка. - Радио, 2019, №4, с. 25-27.
Автор: E. Герасимов, станица Выселки Краснодарского края
