Наиболее простая и часто повторяющаяся техническая задача - обеспечить выполнение тем или иным механизмом одного цикла движения, после чего он должен остановиться в первоначальном положении. При очередной команде - нажатии на кнопку "Пуск" - цикл должен повториться. Задача может быть решена с помощью известной простой схемы, показанной на рис. 1.

При замыкании контактов кнопки SB2 "Пуск" срабатывает реле К1, его контакты К1.2 включают привод механизма. Через некоторое время замыкаются контакты конечного выключателя SF1, после чего реле К1 своими контактами К1.1 самоблокируется. В конце цикла одно из звеньев механизма размыкает контакты конечного выключателя SF1 и обесточивает обмотку реле, оно отпускает якорь, который размыкает контакты К1.1 и К1.2 - механизм останавливается. Кнопка SB1 "Стоп" - аварийная, принудительно останавливающая выполнение цикла.
Это простое устройство, однако, имеет недостаток, который не сразу заметен. Он состоит в том, что после остановки механизма контакты конечного выключателя остаются разомкнутыми и при последующем запуске цикла кнопку "Пуск" необходимо удерживать нажатой до тех пор, пока они не замкнутся. В ряде случаев этот недостаток себя никак не проявляет, но при малой скорости движения звеньев механизма создает заметные неудобства. Если же непредвиденное прерывание цикла недопустимо, описанное устройство применять нельзя.
Указанный недостаток нередко устраняют введением в устройство реле времени, блокирующее конечный выключатель на период запуска механизма. Время задержки реле должно быть больше времени разомкнутого состояния контактов SF1, но меньше длительности цикла. Если же длительность цикла требуется изменять в широких пределах, приходится переустанавливать выдержку реле времени, что делает устройство малопригодным для практики.

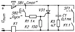
Устройство, собранное по схеме на рис. 2, свободно от указанного недостатка. Контакты конечного выключателя SF1 здесь не замкнуты, а разомкнуты. Нажатие на кнопку "Пуск" открывает тринистор VS1, в результате чего срабатывает реле К1 и включает привод механизма. При подходе к концу цикла замыкаются контакты конечного выключателя, что приводит к закрыванию тринистора. Реле же остается включенным до тех пор, пока не разомкнутся контакты SF1. Это соответствует исходному положению механизма.

Схема на рис. 3 отличается не принципиально. Здесь изменен только порядок последовательного включения тринистора и реле. Но она иногда оказывается более удобной в монтаже. Тип реле и тринистора выбирают исходя из конкретных условий эксплуатации устройства.
Автор: Ю. Калашников, г. Воронеж
