Первоначальный вариант УМЗЧ автор опубликовал в 1988 г. в статье "Симметричный усилитель низкой частоты с токовым управлением" (Сб.: "В помощь радиолюбителю", вып. 101, с. 32-40). Впоследствии автор поставил для себя задачу улучшить параметры УМЗЧ доработкой схемотехнического решения. Его доработанная версия предлагается читателям.
Название "симметричный выходной каскад" обычно присваивается каскаду, собранному на комплементарных парах транзисторов. На самом деле такая симметрия условна, так как противостоящие транзисторы каскада имеют разные структуры. Истинная симметрия - это когда оба плеча выходного каскада одинаковы.

Рис. 1. Схема одного канала УМЗЧ
На рис. 1 представлена схема одного канала УМЗЧ с такой симметрией. Для работы усилителя необходимы три источника питания, изолированных друг от друга. Один из них стабилизированный, работающий в цепи управления выходным каскадом. Выходной каскад "раскачивается" дифференциальным каскадом на транзисторах УТ2, VT4, ток которого регулируется стабилизатором тока с помощью подстроечного резистора R1. На входы дифференциального каскада следует подавать противофазные сигналы от фазоинвертора, о чём будет сказано ниже. Изменяя подстроечным резистором R13 напряжение на базах транзисторов VT1, VT5, устанавливают "нулевое" напряжение на нагрузке усилителя Rн. Чувствительность усилителя на входах дифференциального каскада устанавливают резистором R11. В данном случае она равна двум вольтам.
Особенностью такого построения являются очень небольшой коэффициент усиления и, как следствие, небольшая глубина общей ООС. С одной стороны, это недостаток, поскольку растёт коэффициент гармоник, с другой - спектр искажений короткий, быстро спадающий. Как известно, глубокая ООС снижает коэффициент гармоник, но синтезирует гармоники высокого порядка, заметность которых существенно выше.
Снизить уровень чётных гармоник можно, если не полениться подобрать симметрично расположенные на схеме транзисторы с одинаковыми коэффициентами передачи тока. При этом удержание "нулевого" напряжения на нагрузке будет более жёстким независимо от температуры теплоотвода выходного каскада.
Усилитель не склонен к самовозбуждению. Для ещё большей устойчивости установлены корректирующие конденсаторы С2 и С4. Усилитель имеет хорошую ремонтопригодность. Выходной и дифференциальный каскады можно подключать к питанию независимо друг от друга, проверяя их работоспособность раздельно. При подаче питания на усилитель выходной каскад отключён на несколько секунд, пока не закончится переходной процесс. Отключение производится выходным сигналом "Канал I" ("Канал II") с узла задержки, схема которого показана на рис. 2, путём замыкания базы транзистора VT3 (см. рис. 1) на общий провод. Транзистор закрывается, отключая ток управления выходным каскадом. Это исключает нежелательные броски тока на выходе усилителя, что повышает его надёжность.

Рис. 2. Схема узла задержки

Рис. 3. Схема фазоинвертора
На рис. 3 представлена схема фазоинвертора. Его коэффициент усиления равен двум. Напряжение питания фазоинвертора -24 В формируется из напряжения стабилизированного источника -36 В с помощью параметрического стабилизатора. Частотная характеристика усилителя без фазоинвертора и индуктивности L1 на выходе (см. рис. 1) с нагрузкой Rm равной 4 Ом, линейна до 200 кГц.
Основные технические характеристики
Сопротивление нагрузки, Ом .......4
Номинальная выходная мощность, Вт..................60
Номинальное входное напряжение, В....................1
Отношение сигнал/шум, дБ, не хуже.......................90
Из-за отсутствия измерительных приборов измерить коэффициент гармоник не удалось. По субъективной оценке качество звучания выше исходного варианта.
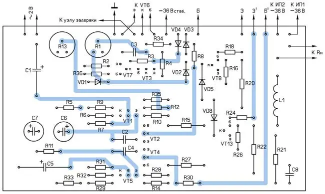
Транзистор VT6 (см. рис. 1) является термостабилизирующим элементом и размещён на теплоотводе для транзисторов W10 или VT11. Катушка индуктивности L1 содержит 15 витков провода ПЭВ-1 диаметром 0,8 мм на оправке диаметром 6 мм. Большая часть элементов УМЗЧ размещена на плате из двухстороннего фольгированного стеклотекстолита размерами 152x93 мм, чертёж которой и расположение элементов приведены на рис. 4. На другой плате из одностороннего текстолита размерами 104x83 мм закреплены теплоотводы для транзисторов УТ9 и VH2 в виде пластин из алюминия толщиной 3 мм. Теплоотводы приподняты над платой на 10 мм.


Рис. 4. Чертёж платы устройства и размещение элементов на ней
Резисторы R15, R21, R27 - МЛТ-1, остальные - МЛТ-0,25. Подстроечные резисторы R1, R^ - СП4-1. Оксидные конденсаторы можно применить любые на номинальное напряжение 25 В, подходящие по размерам. Конденсаторы С1, С5 - К53-14. При использовании других типов рисунок платы придётся изменить. Конденсаторы С2, СЗ, С4 - керамические. На транзисторах VT2- УТ4 закреплены Г-образные теплоотводы площадью 4 см2. Все типы транзисторов можно заменить аналогами, частотные и предельно допустимые параметры которых близки к указанным на схеме.
Чтобы не лишать творческого компонента пожелавших повторить конструкцию, печатные платы фазоинвертора и схемы задержки не приводятся. Их необходимо разработать самостоятельно. Для источников питания ИП1, ИП2 (36 В) переменное напряжение с обмоток силового трансформатора должно быть примерно 30 В. После диодного моста на конденсаторах фильтра постоянное напряжение без нагрузки будет около 42 В. Для стабилизатора -36 В надо использовать обмотку с переменным напряжением 36 В. В качестве силового трансформатора можно применить унифицированный сетевой ТА163, но в этом случае каждый канал усилителя должен иметь персональный трансформатор указанного типа. Набор обмоток указанного трансформатора позволяет комбинировать нужные напряжения.
Налаживание УМЗЧ производят в следующей последовательности. После монтажа сначала необходимо проверить работу дифференциального каскада. До включения питания движок резистора R13 устанавливают в среднее положение, а движок резистора R1 - в положение минимального тока (по схеме переместить вправо). Резисторы R8 и R30 предназначены для контроля тока.
Подают питание на дифференциальный каскад и устанавливают резистором R1 напряжение 1 В на резисторах R8 и R30, выравнивая их резистором R13. После этого движок резистора R1 устанавливают в положение минимального тока. Далее в цепь коллектора транзистора VT10 включают миллиамперметр, к выходному каскаду подключают провода источников питания ИП1, ИП2, а к выводам нагрузки - вольтметр.
Подают питание и по показаниям миллиамперметра, на холодных транзисторах VT10, VT11 устанавливают ток покоя равным 100 мА, поддерживая резистором R13 "нулевое" напряжение на нагрузке. По мере разогрева теплоотводов транзисторов VT10, VT11 ток покоя будет увеличиваться. Когда ток превысит 200 мА, надо уменьшить его до 150 мА. Это следует повторять до тех пор, пока не произойдёт стабилизация тока на этом значении. Установка тока займёт по времени 20...25 мин. Следует отметить, что в процессе работы усилителя теплоотводы разогреваются сильнее и ток может уменьшиться вплоть до 80 мА. Но в зависимости от мощности на выходе он будет оставаться стабильным в пределах 80...120 мА.
Обратите внимание, что выход усилителя по отношению к общему проводу, с которым соединены выходы +36 В источников питания ИП1, ИП2 (на схеме соединения не показаны), имеет потенциал -36 В. Если случайно закоротить любой выход на общий провод, то сгорят резисторы R15 и R27. Во избежание этого желательно стабилизированный источник -36 В подключить к усилителю через предохранитель 0,1 А.
Внешний вид на монтаж УМЗЧ представлен на фото рис. 5.

Рис. 5. Внешний вид на монтаж УМЗЧ
Примечание:Описание первого авторского варианта УМЗЧ в формате djvu, а также чертежи печатных плат в форматах Sprint LayOut 5.0 и TIFF имеются здесь.
Продолжение следует
Автор: Ю. Нечаев, г. Пермь
