Популярные у радиолюбителей буквенно-цифровые модули ЖКИ в большинстве своём собраны на основе контроллера HD44780 фирмы Hitachi, который можно считать промышленным стандартом. Аналоги этого контроллера и модули на их основе производят многие фирмы. Предлагается прибор для оперативной проверки работоспособности таких модулей и содержимого их знакогенераторов.
На рис. 1 представлен самый распространённый в нашей стране, но не единственный, вариант таблицы кодов знакогенератора модуля ЖКИ, содержащей не только латинские, но и русские буквы. Получив каждый из этих кодов (двузначное шестнадцатеричное число), модуль выводит на свой экран соответствующий символ. Например, код 0х4Е (десятичное значение 78) - латинская буква N, а код ОхВО (десятичное значение 176) - русская буква Ю.

Рис. 1. Таблицы кодов знакогенератора модуля ЖКИ
Символы разделены на две группы. Первая (коды с 0x20 по 0x7F) содержит цифры, буквы латинского алфавита и спецсимволы. Эта группа всегда одинакова, и коды находящихся в ней символов соответствуют известной кодовой таблице ASCII. Во второй группе (коды с 0хА0 по 0xFF) в рассматриваемом случае находятся буквы русского алфавита и различные значки. Однако в модификациях даже однотипных модулей ЖКИ, выпускаемых для разных стран, здесь вместо русских букв могут находиться буквы других национальных алфавитов и вообще любые символы. Коды с 0x00 по 0x07 отданы программистам для создания собственных символов, изображения которых можно загружать в память модуля специальными командами.
Если в руки радиолюбителю попал модуль ЖКИ без "опознавательных знаков" или такой, на который невозможно найти справочные данные (например, бывший в употреблении или даже купленный в интернет-магазине), неплохо иметь прибор для быстрой проверки его работоспособности и определения содержимого знакогенератора.
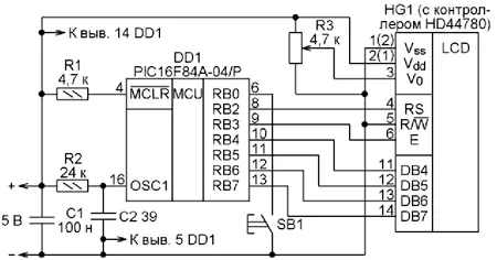
Такой прибор, схема которого представлена на рис. 2, построен на микроконтроллере DD1 (PIC16F84A-04/P, описание которого можно найти по адресу http://datasheet.su/ datasheet/Microchip/ PIC16F84A-04/P). Он позволяет проверять модули символьных ЖКИ со встроенным контроллером HD44780 и следующими комбинациями числа знакомест в строке (первый сомножитель) и числа строк (второй множитель) на экране: 8x1, 8x2, 16x1, 16x2, 16x4, 20x1, 20x2, 20x4, 32x2, 40x2.

Рис. 2. Схема прибора
Резистор R1 поддерживает высокий логический уровень на входе MCLR микроконтроллера. Это предотвращает влияние на этот высокоомный вход наводок, способных вызвать нежелательные перезапуски микроконтроллера. Резистор R2 и конденсатор C2 - частотозадающие элементы встроенного в микроконтроллер тактового RC-генератора. Сопротивление резистора R2 может лежать в пределах 5...100 кОм, аёмкость конденсатора C2 должна быть не менее 20 пФ. При их номиналах, указанных на схеме, получена тактовая частота около 4 МГц. Её стабильность, конечно, хуже, чем у кварцевого генератора, но в рассматриваемом случае она и не требуется. От этой частоты зависит только скорость автоматического повторения "нажатий" на кнопку SB1 при её удержании нажатой. Резистором R3 регулируют контрастность символов на экране проверяемого модуля ЖКИ HG1. Резисторы R1 и R3 могут иметь сопротивление 1...10 кОм.
Ввиду простоты схемы печатная плата для прибора не разрабатывалась, он собран на макетной. Кнопка SB1 - КМ 1-1В или любая другая. Резисторы R1 и R2 - МЛТ-0,125, R3 - СП3-4, конденсаторы - любые керамические.
Микроконтроллер PIC16F84A-04/P можно заменить на PIC16F84A-20/P или на PIC16F84 с такими же индексами после дефиса. Можно применить аналогичные микроконтроллеры с индексом /SO (в корпусе для поверхностного монтажа), но тогда и другие детали прибора желательно заменить на предназначенные для поверхностного монтажа.
Источник питания прибора должен давать стабилизированное напряжение 5 В при токе нагрузки не менее 100 мА.
При подаче на прибор с подключённым проверяемым модулем ЖКИ напряжения питания должны стать видимыми все элементы изображения во всех знакоместах экрана, как показано на рис. 3. Этим проверяют их целостность и общую работоспособность модуля.

Рис. 3. При подаче на прибор с подключённым проверяемым модулем ЖКИ напряжения питания должны стать видимыми все элементы изображения во всех знакоместах экрана
Учтите, что у большинства модулей ЖКИ плюс напряжения питания (Vdd) следует подавать на вывод 1, а минус (Vss) - на вывод 2. Однако бывает и наоборот. Например, у модуля WH1602D-TML-CT Если подать питание в неправильной полярности, модуль работать не станет, а через некоторое время будет безвозвратно испорчен. У автора был такой печальный опыт. Но кратковременную (несколько секунд) переполюсовку модуль всё-таки выдерживает. Поэтому, если на подачу питающего напряжения модуль не реагирует, прибор необходимо незамедлительно отключить от источника питания и искать причину неработоспособности модуля.
Первое после включения питания нажатие на кнопку SB1 погасит прямоугольники на экране, а в его верхней строке будет выведена надпись "z 122". Это значит, что в знакогенераторе контроллера модуля имеется символ "z" с кодом 122 (здесь и далее значения кодов десятичные). При дальнейших нажатиях или при удержании кнопки нажатой на экран поочерёдно выводятся символы с кодами 123-255, затем цикл бесконечно повторяется, начиная с кода 122. Это даёт возможность просмотреть все символы, содержащиеся во второй части кодовой таблицы, и узнать их коды для использования в разрабатываемых программах.
На рис. 4 на экран модуля ЖКИ 20x4 фирмы OPTREX, знакогенератор которого не содержит русских букв, выведена надпись "в 226". А на рис. 5 на экран русифицированного модуля ЖКИ 16x2 неизвестного типа выведена надпись "Щ 226". Это подтверждает, что у модулей разных модификаций одному и тому же коду из второй части таблицы могут соответствовать разные символы.

Рис. 4. На экран модуля ЖКИ 20x4 фирмы OPTREX, знакогенератор которого не содержит русских букв, выведена надпись "в 226"

Рис. 5. Экран русифицированного модуля ЖКИ 16x2 неизвестного типа выведена надпись "Щ 226"
Программу микроконтроллера можно скачать здесь.
Автор: Г. Нюхтилин, г. Ковров Владимирской обл.
