Многие из тех, кто любит совмещать работу на компьютере с прослушиванием музыки, нередко сталкиваются с проблемой выбора акустики. Хотя сегодня в продаже имеется множество моделей компьютерных активных колонок, но их качество в большинстве случаев оставляет желать лучшего.
В то же время у многих наверняка сохранились малогабаритные пассивные громкоговорители мощностью 10...30 Вт (например, венгерские MiniMax, RTF производства ГДР или отечественные 10МАС-1М). Они звучат гораздо лучше современных "мыльниц", но требуют отдельного УМЗЧ, который на компьютерном столе иногда просто некуда поставить. Учитывая, что для комфортного прослушивания музыки во время работы не требуется значительная мощность, был разработан встраиваемый в системный блок вариант УМЗЧ на микросхеме TDA8560Q (TDA8560Q 2x40 W/2 Q stereo BTL car radio power amplifier with diagnostic facility. - URL: http://www.nxp.com/ documents/data_sheet/TDA8560Q. pdf (13.01.17)).
Эта микросхема предназначена для автомобильных аудиосистем. Она состоит из двух мостовых усилителей мощности, которые при питании от однополярного источника напряжения 14,4 В и сопротивлении нагрузки 2 Ом развивают выходную мощность до 40 Вт на канал. При увеличении сопротивления нагрузки до 4...8 Ом выходная мощность снижается до 10...20 Вт на канал. При питании микросхемы напряжением 12 В выходная мощность меньше приблизительно на 30 %.
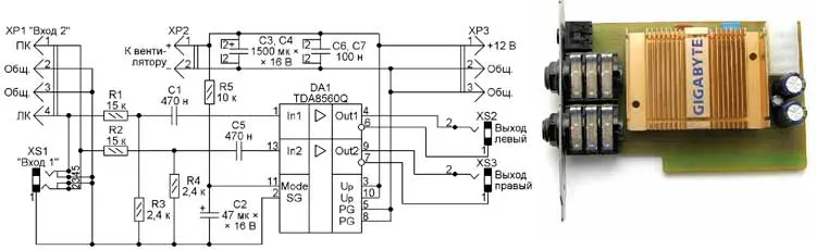
Принципиальная схема УМЗЧ изображена на рис. 1. Его плата имеет габариты и форму стандартного компьютерного модуля (карты), вставляемого в свободный слот PCI материнской платы. При этом питание на модуль УМЗЧ подают непосредствен-но от блока питания компьютера через отдельный разъём для питания звуковой карты компьютера двумя способами: на разъём XS1 внешним экранированным кабелем со стереофоническим аудиоштекером диаметром 3,5 мм или на разъём XP1 с внутреннего десятиштырькового разъёма на материнской плате, предназначенного для подключения дополнительных аудиоразъёмов на передней панели системного блока. Цоколёвку этого разъёма смотрите в инструкции на материнскую плату. Второй вариант позволяет подавать на УМЗЧ сигнал без внешнего соединительного кабеля. При использовании разъёма XP1 не следует впаивать в плату разъём XS1, поскольку когда к нему не подключён штекер, его контакты замыкают сигнальные цепи на общий провод.

Рис. 1. Принципиальная схема УМЗЧ
Рассматриваемая схема отличается от рекомендуемой производителем наличием входных аттенюаторов на входах каждого канала. При указанных на схеме номиналах резисторов R1 - R4 и при максимальном уровне сигнала стандартной звуковой карты выходная мощность каждого канала - около 10 Вт на нагрузке 8 Ом. При желании её можно изменить, подбирая резисторы R1 и R2.
Чертёж печатной платы УМЗЧ размерами 105x66 мм и схема размещения деталей на ней показаны на рис. 2. На плате имеются две перемычки из одножильного медного провода диаметром 0,7 мм. Полигон общего провода разделён на "сигнальный" и "силовой" участки. Во избежание самовозбуждения усилителя не следует объединять их.

Рис. 2. Чертёж печатной платы УМЗЧ и схема размещения деталей на ней
Плата рассчитана на установку резисторов мощностью 0,125 Вт, плёночных конденсаторов с межвывод-ным расстоянием 5 мм и оксидных конденсаторов диаметром 5 и 10 мм, а высотой не более 21 мм. Разъём питания XP3 - вилка угловая четырёхконтактная THP-4MR (Molex). Такие обычно установлены в компьютерных дисковых накопителях. Стереогнездо XS1 - DTJ-0366D под стандартный штекер диаметром 3,5 мм. Выходные гнёзда XS2 и XS3 под штекеры диаметром 6,3 мм - ST-020 с накидными пластмассовыми гайками.
Микросхему DA1 укладывают на плату пластмассовой поверхностью, а теплоотводящей пластиной - вверх. Для этого придётся переформовать её выводы. Делать это следует очень осторожно, поскольку металл выводов довольно хрупок и не выдерживает многократных изгибов. Сверху на микросхему кладут теплоотвод. Двумя винтами этот "сэндвич" прижат к плате.
Автор использовал подходящий по размерам теплоотвод со старой материнской платы компьютера. Перед установкой теплоотвода следует просверлить в нём два крепёжных отверстия и нарезать в них резьбу М3, а на место контакта теплоотвода с теплоотводящей пластиной микросхемы нанести небольшое количество теплопроводящей пасты.
Так как все плёночные конденсаторы размещены на плате под теплоотводом микросхемы, их следует, изогнув выводы, уложить на плату.
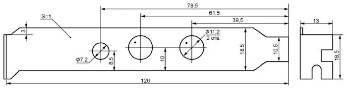
После монтажа всех деталей на резьбовые втулки гнёзд XS2 и XS3 надевают стандартную компьютерную пластину-заглушку. Желательно найти заглушку от старого системного блока - их изготавливали из листовой стали толщиной 0,8...1 мм и никелировали. По чертежу, приведённому на рис. 3, в ней нужно просверлить три отверстия под гнёзда XS1 - XS3. По этому же чертежу можно изготовить и самодельную заглушку. Если использовать более тонкую современную заглушку, с ней нужно будет обращаться очень аккуратно, чтобы не деформировать, подключая и отключая штекеры. Для облегчения установки модуля УМЗЧ в разъём материнской платы рекомендую снять фаски с краёв нижнего выступа платы, как показано на рис. 2 (вид А). Это предохранит контакты разъёма от повреждения.

Рис. 3. Чертёж устройства
Собранный усилитель не нуждается в налаживании. Однако следует помнить, что он может потреблять от блока питания компьютера ток до 3...4 А (зависит от сопротивления нагрузки и уровня входного сигнала). Не следует пытаться "выжать" из усилителя максимально возможную мощность (2x40 Вт на нагрузке 2 Ом). При нагрузке сопротивлением 8 Ом, а большинство малогабаритных динамических головок имеют именно такой импеданс, и мощности 8...10 Вт на канал потребляемый устройством ток не превысит даже в пиковом режиме 2...3 А. Для современных компьютерных блоков питания мощностью 400...500 Вт это совершенно безопасно. К тому же и микросхема DA1 не будет сильно нагреваться даже с небольшим теплоотводом.
Если же требуется повышенная мощность (до 25 Вт на канал), следует установить в компьютер блок питания мощностью не менее 600 Вт - такие блоки рассчитаны на выходной ток по цепи +12 В до 10 А. Также потребуется установить на теплоотвод вентилятор типоразмера 50x50 мм от видеокарты. Для подключения вентилятора на плате предусмотрен разъём XP2. Учтите, что усилитель с вентилятором, установленный на материнскую плату компьютера, займёт не только "свой" слот, но и перекроет доступ к соседнему.
Усилитель не имеет органов регулировки громкости и тембра - их роль выполняют программные регуляторы звуковой платы компьютера.
Файл печатной платы в формате Sprint Layout 6.0 можно скачать здесь.
Автор: И. Карпунин, г. Нижний Тагил Свердловской обл.
