Схема была содрана с изделия неизвестного производителя в момент реставрации.
Сирена мокла в воде около суток (вместе с автомобилем), и кроме схемы управления ничего не выгорело.
Т.к. элементная база вражья, то я аккуратно срисовал все значки с корпусов. Слеж «/» - разделитель между строками.
И так Схема управления, или (СУ). Черный и красный - понятно это питание. Синий и белый - управление генератором. Пока на белом высокий уровень напряжения - генератор работает. Т.е. белый - управление сиреной высоким уровнем напряжения. Если на синем низкий уровень напряжения, то открывается Т7 и генератор опять работает. Т.е. синий - управление сиреной низким уровнем напряжения.
Т7..........А733
Д1,Д3,Д4 ...... 4002
Д2 .......... 15393
С1......... 100 mF
С2.......... 1000 pF
R2,R5,R6 ....... 1 kHom
R3,R4 ....... 2.2 kHom
R1 .......... 410 Hom

Генератор.
Ну здесь сказать неченго - специализированная микросхема с цепью стабилизации напряжения питания. Можно сделать любой другой, НО при отсутствии запускающих сигналов на выходах генератора (на обоих) должны быть низкие уровни напряжения иначе УНЧ будет очень плохо.
DD1.......... JL-01/591L5144/9909
Д5 .......... стабилитрон 3V
C3.......... 1000 pF
C4.......... 10000 pF
R9.......... 100 kHom
R12.......... 4.1 kHom

Думаю, что здесь затруднений быть не должно.
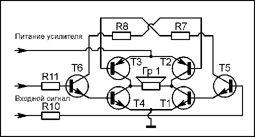
Сопротивление обмотки громкоговорителя - 6 Hom
T1,T4.......... H/882/9CT
T2,T3.......... H/772/8LT
T5,T6.......... C945
R7,R8.......... 100 Hom 0,5Wt
R10,R11.......... 1 kHom

