Предлагаемая приставка служит дополнением к прибору приёмно-контрольному охранно-пожарному (ППКОП) "Кварц", позволяя автоматически передавать по сотовому телефону сигнал тревоги. Она проста для повторения и содержит лишь минимально необходимое число деталей.
Приставка не только звонит в случае тревоги по заранее занесённому в память телефона номеру, но и принимает входящие звонки, позволяя в любое время дистанционно "прослушать" охраняемый объект. Она автоматически распознаёт, находится ли ППКОП в режиме охраны, контролируя шлейф (или цепь датчиков) на размыкание и замыкание, а также следит за исправностью и состоянием сотового телефона. Этого не могут обеспечить простые сигнализаторы, описания которых были опубликованы ранее.
При необходимости приставку можно использовать как автономное охранное устройство, не подключая к ППКОП. С ней сможет работать практически любой сотовый телефон. Автор применил аппарат модели Motorola С115.
Номер абонента телефонной сети, который будет извещаться о переключении системы в режим охраны и о тревоге, заранее заносят последним в список исходящих вызовов телефона. При приёме входящего звонка автоматический отбой не предусмотрен, его должен дать сам звонящий.

Рис. 1
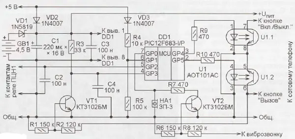
Схема приставки показана на рис. 1. Её основа - восьмивыводной микроконтроллер PIC12F683 (DD1) с программой, анализирующей состояние реле ПЦН1 ППКОП и управляющей сотовым телефоном. После включения питания программа первым делом проверяет, находится ли ППКОП в режиме "Охрана". Признак этого режима - замкнутыми контактами реле ПЦН1 на входе GP2 микроконтроллера установлен низкий логический уровень.
Сигнал состояния телефона снимается с его кнопки "Вызов" и через инвертор на транзисторе VT1 поступает на вход GP3 микроконтроллера. По логическому уровню сигнала, поступающего на этот вход, программа проверяет, включён (уровень низкий) или выключен (уровень высокий) сотовый телефон. Если он выключен, программа на 3 с устанавливает высокий уровень на выходе GP4. В результате через излучающий диод оптрона U1.1 течёт ток и его фототранзистор открывается, имитируя нажатие указанной длительности на кнопку "Вкл./Выкл." телефона. Затем программа проверяет, включился ли телефон. Если нет, делается новая попытка его включить, всего до пяти попыток. Убедившись, что телефон включён, программа формирует на выходе GP4 один за другим два импульса высокого уровня, имитируя двукратное короткое нажатие на кнопку "Вкл./Выкл.". Этим отменяется приём всех поступивших входящих вызовов и сообщений SMS. Затем выполняется набор номера, заранее заложенного в память телефона. Для этого программа формирует два импульса высокого уровня на выходе GP5. С помощью оптрона U1.2 они имитируют два нажатия на кнопку "Вызов" телефона. Первое открывает в нём список исходящих вызовов, второе - инициирует вызов по номеру, набранному последним. Спустя 50 с, чего достаточно для выхода из охраняемого помещения человека, включившего сигнализацию, приставка переходит в режим "Охрана".
В этом режиме периодически проверяется, поступает ли на приставку напряжение 5 В от внешнего сетевого источника питания. Если нет, программа выключает телефон, продлевая этим срок службы батареи GB1. Он будет включён только при необходимости подать сигнал тревоги. Приём входящих звонков в этом состоянии невозможен.
Когда есть сетевое питание, телефон остаётся включённым. Программа включает его и при возобновлении подачи напряжения. Если нужно, чтобы телефон не выключался в отсутствие сетевого питания, следует удалить диод VD3 и соединить с цепью +ипит верхний по схеме вывод резистора R4.
Далее программа проверяет, не поступает ли в данный момент на телефон входящий вызов. Для этого сигнал, предназначенный для виброзвонка телефона, подан (после формирования транзистором VT2) на работающую в режиме входа линию порта GP0. Во время звонка импульсы здесь повторяются несколько раз в течение десяти и более секунд. А в случае приёма сообщения SMS через 10 с их уже не будет. Это позволяет программе отличать звонки, на которые нужно реагировать "поднятием трубки", от сообщений, на которые реакции быть не должно. Ложные срабатывания возможны, если несколько сообщений станут поступать с небольшими интервалами одно за другим в течение более 10 с, что маловероятно.
Пока ППКОП остаётся в режиме "Охрана", не подавая сигнала тревоги, проверки наличия напряжения питания и входящего вызова повторяются циклически.
Обнаружив переход ППКОП в режим "Тревога" (размыкание контактов его реле ПЦН1), программа проверяет, включён ли телефон, и если нет, включает его. Выдерживается пауза длительностью 50 с. Она необходима для выполнения телефоном процедур включения и регистрации в сети. После этого (а если в момент перехода в режим "Тревога" телефон был включён, то после паузы в 10 с) начинается выполнение исходящих вызовов. Каждый длится 30...40 с в зависимости от расхода времени на соединение. Затем программа даёт отбой и, выдержав паузу 15...20 с, повторяет вызов. Как показывает практика, предусмотренного программой пятикратного повторения вызовов вполне достаточно для надёжного оповещения о тревоге.
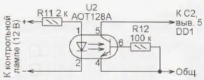
Приставку можно подключить не только к контактам реле ПЦН1, но и к контрольной лампе ППКОП, которая в режиме "Охрана" включена постоянно, а при тревоге мигает с частотой 1 Гц. Если лампа работает от постоянного напряжения 12 В, приставку подключают по схеме, показанной на рис. 2. Для контрольной лампы, питающейся от сети 220 В, схему придётся усложнить, добавив в неё выпрямляющий переменное напряжение диодный мост. Сопротивление резистора R11 в этом случае нужно увеличить до 24...36 кОм, а его мощность - до 2 Вт и установить параллельно излучающему диоду оптрона конденсатор ёмкостью несколько микрофарад.
Если ППКОП в системе охраны отсутствует, проводной шлейф или замкнутые в отсутствие тревоги контакты охранного датчика подключают непосредственно к приставке вместо контактов реле ПЦН1. Телефон позвонит по заданному номеру при обрыве шлейфа или размыкании контактов датчика.
Если после выполнения пяти звонков целостность шлейфа будет восстановлена, приставка автоматически возвратится в дежурный режим.
Подготавливая телефон к работе с приставкой, в нём отключают звуковое сопровождение нажатий на клавиши, приёма сообщений SMS и входящих вызовов. Включённым должен остаться только виброзвонок. Удалив электродвигатель виброзвонка, шедшие к нему провода подключают к приставке, причём минусовый провод служит общим. Фототранзисторы сдвоенного оптрона U1 соединяют с плюсовыми контактами указанных на схеме кнопок телефона, предварительно определив мультиметром полярность напряжения между их контактами.
Напряжение питания +4,3 В (цепь +ипит на рис. 1) подают на контакт телефона, с которым соединялся плюсовой вывод его аккумуляторной батареи. Саму батарею удаляют.
Если по команде приставки телефон не выключается и не включается, программа переводит вывод GP0 микроконтроллера в режим выхода и начинает формировать на нём импульсы частотой 2,5 кГц. Пьезоизлучатель НА1 подаёт звуковой сигнал. В отсутствие напряжения +5 В звуковой сигнал будет прерывистым.

Рис. 2
Сигнал означает, что батарея GB1, вероятно, разрядилась и её нужно заменить. Перед заменой обязательно выключите напряжение +5 В (если оно было включено) и только после этого меняйте батарею, иначе звуковой сигнал останется включённым. Хочу обратить внимание, что фактически состояние батареи GB1 не контролируется и её разрядка - лишь наиболее вероятная причина отсутствия реакции телефона на подаваемые приставкой команды.
В устройстве применены резисторы С2-23, МЯТ, оксидный конденсатор - импортный, остальные конденсаторы - керамические К10-17. Транзисторы КТ3102БМ можно заменить на любые из серий КТ315, КТ3102. Диоды VD2, VD3 - любые кремниевые на ток не менее 1 А. Диод VD1 -с малым прямым падением напряжения (германиевый или диод Шотки) и допустимым прямым током не менее 1 А. Пьезоизлучатель ЗП-З допускается заменить на ЗП-5 или другой без встроенного генератора.
Питать приставку можно от любого сетевого стабилизированного источника постоянного напряжения 5 В. Батарея GB1 составлена из трёх щелочных гальванических элементов типоразмера AA(LR6).
Программа микроконтроллера приставки, а также блок-схема этой программы можно скачать здесь
Автор: А.Ковтун, г. Тулун Иркутской обл.
