Предлагаемый сигнализатор предназначен для контроля довзрывоопасных концентраций газов и паров в воздухе производственных помещений, рабочих зон, в местах хранения и использования горючих веществ, на предприятиях коммунально-бытового обслуживания. Автором на сигнализатор получен патент на изобретение РФ № 2558006.
Схемное решение предлагаемого устройства существенно отличается от серийно выпускаемых отечественных приборов СТМ-30, ДАТ-М, ЩИТ-3 и др., а также зарубежных фирм MODCON, OLDHAM и др., также использующих термокаталитический способ измерения, когда горючие вещества окисляются (сгорают) на платиновой спирали с нанесённым (в виде капли, бусинки) катализатором. В нём нет моста Винстона, смежными плечами которого являются рабочий и сравнительный чувствительные элементы, строго подобранные по сопротивлению. Сравнительный чувствительный элемент имеет одинаковый температурный коэффициент с рабочим чувствительным элементом, служит для температурной компенсации и поддерживает измерительный мост в сбалансированном состоянии, при отсутствии горючих веществ.
Почему выбран термокаталитический метод измерения? Это, в первую очередь, связано с небольшой стоимостью и простотой изготовления самих чувствительных элементов. Во-вторых, с универсальностью - перечень горючих веществ, которые определяет термокаталитический элемент, составляет около 300 видов. В-третьих, термокаталитический элемент обладает быстрым откликом, малым временем восстановления, широким рабочим температурным интервалом (от -60 до + 180 оС), что очень важно при эксплуатации приборов с термокаталитическими датчиками на предельных режимах и в суровых климатических условиях.
Оптические (инфракрасные) датчики для определения довзрывоопасных концентраций газов и паров дороги и порою по цене приближаются к стоимости прибора, в который они устанавливаются. Они теряют чувствительность при загрязнении и конденсации влаги на элементах оптического тракта. Такие датчики не анализируют горючую пыль, газы и пары в виде аэрозолей и туманов. Кроме того, перечень определяемых компонентов ограничен. Отсутствуют оптические сенсоры для взрывоопасных концентраций водорода (Н2), наиболее опасного компонента с точки зрения промышленной безопасности и охраны труда, используемого в технологических процессах нефтеперерабатывающих и химических производств.
Наличие двух чувствительных элементов требует значительного объёмного пространства для их установки, следовательно, необходимо большое количество воздуха и дорогостоящей поверочной газовой смеси (ПГС) для продувки и заполнения рабочего реакционного объёма, что, в свою очередь, не позволяет использовать малогабаритные картриджи с воздухом и ПГС, находящиеся под давлением для дистанционной настройки и проверки стационарных сигнализаторов довзрывоопасных концентраций по месту монтажа, а переносных, индивидуальных в труднодоступных и удалённых местах в процессе выполнения работ.
Описываемый сигнализатор довзрывоопасных концентраций не содержит микропроцессоров, микроконтроллеров, не требует их программирования, имеет простой и понятный алгоритм работы, прост в применении и ремонте, что немаловажно при промышленной эксплуатации. Он содержит один термокаталитический элемент и отличается от выпускаемых отечественных и зарубежных аналогов тем, что на нём формируется как начальное, так и пороговое падение напряжения с плавающим изменяющимся значением.
Техническая задача изобретения - снижение стоимости, уменьшение габаритов и числа электронных компонентов, исключение сравнительного чувствительного элемента, упрощение процедуры настройки, устранение влияния на результат измерения совокупности изменяющихся внешних факторов, таких как температура, давление, влажность. Отмечу, что это влияние одинаково для начального и порогового падения напряжения. Для аналогов порог задаётся с помощью прецизионного источника образцового напряжения (ИОН) при настройке и не меняется, хотя при интенсивной эксплуатации и старении чувствительных элементов происходят разбаланс моста и дрейф показаний как в сторону увеличения, так и в сторону уменьшения, что, в свою очередь, приводит к ложным срабатываниям - прибор уходит в состояние "ПОРОГ" или в "ОТКАЗ".
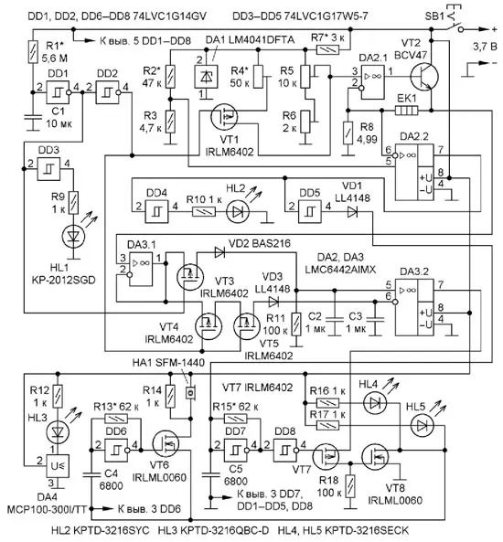
Сигнализатор довзрывоопасных концентраций выполнен на современной элементной базе с использованием компонентов для поверхностного монтажа. Для выполнения логических операций применены микросхемы серии LVC (одиночные триггеры Шмитта - корпус SOT-23, напряжение питания - 1,65...5,5 В, выходной ток - 24 мА), что позволило повысить помехоустойчивость устройства, уменьшить габариты и упростить разводку печатной платы. Линейка микросхем LVC очень приличная, как по типоразмерам, так и по функциональным возможностям, в одном корпусе размещены один, два и три логических элемента. В устройстве применены ОУ LMC6442 (корпус SO-8, напряжение питания однополярное 2,2...10 В, ток потребления - 0,95 мкА, типовое значение входного тока - 5 фА (5х10-15 А). Входное сопротивление у этой микросхемы фактически равно сопротивлению лучших диэлектриков, таких как стекло, полистирол, слюда, фторопласт и др. На ней реализована функция запоминания порогового значения.
В статье приведена схема устройства. В описании патента РФ № 2558006 представлены три исполнения сигнализатора довзрывоопасных концентраций, но показаны только блок-схемы.
Предлагаемый сигнализатор - это переносной вариант, который может размещаться в отдельном корпусе или в шумоподавляющем наушнике защитной каски. Печатная плата с деталями была смонтирована в датчик прибора СТМ-30, запитана напряжением 5 В и прошла успешные испытания в течение двенадцати месяцев в тяжёлых сибирских условиях (ветер, дождь, туман, сильные перепады давления, температура от +35 до -45 оС). Не было зафиксировано ни одного ложного срабатывания.

Рис. 1. Схема переносного однопорогового сигнализатора довзрывоопасных концентраций
Рассмотрим работу переносного однопорогового сигнализатора довзрывоопасных концентраций, схема которого приведена на рис. 1. После подачи напряжения питания кнопкой SB1 начинает заряжаться конденсатор С1 через резистор R1 примерно в течение 40...50 с. Пока заряжается этот конденсатор, на выходе микросхемы DD1 (выв. 4) присутствует высокий уровень, который поступает на вход микросхемы DD3, загорается светодиод HL1 ("прогрев"), этот же уровень закрывает полевой транзистор VT3. На выходе микросхемы DD2 (выв. 4) присутствует низкий уровень, он открывает полевой транзистор VT1 и полевые транзисторы VT4, VT5, включённые последовательно для увеличения общего сопротивления сток-исток, выполняющие функцию высокоомного ключа.
При открывании транзистора VT1 параллельно верхнему плечу подстроечного резистора R5 через переход сток-исток подключается резистор R4 ("порог"), тем самым увеличивается напряжение на неинвертирующем входе ОУ DA2.1 и соответственно увеличивается ток через чувствительный элемент EK1.
Начальное напряжение, когда закрыт транзистор VT1, задаётся делителем из подстроечных резисторов R5, R6 ("грубо", "точно"), которые входят в состав генератора стабильного тока, собранного на ОУ DA2.1, составном транзисторе VT2, образцовом резисторе R8, чувствительном элементе EK1, включённых последовательно в эмиттерную цепь транзистора VT2. В качестве источника образцового напряжения (ИОН - 1,225 В) выступает микросхема DA1, рабочий ток иОн задаёт резистор R7.
Ток, протекающий и разогревающий чувствительный элемент до температуры 400...450 оС, для осуществления термокаталитической реакции при появлении горючих газов и паров равен 100...110 мА (например, для рабочего чувствительного элемента датчика прибора СТМ-30 с сопротивлением 8 Ом) и поддерживается с высокой точностью за счёт того, что падение напряжения, поступающее на инвертирующий вход ОУ DA2.1, снимается с образцового резистора R8, сопротивление которого стабильно. В отличие от образцового резистора, сопротивление чувствительного элемента значительно изменяется при сгорании на нём определяемых горючих веществ.
Падение напряжения, снимаемое с чувствительного элемента, поступает на повторитель, собранный на ОУ DA3.1, и далее на исток транзисторов VT3, VT4. Во время прогрева через открытые транзисторы VT4, VT5 и диод VD3 пороговое напряжение поступает на конденсатор С3 и заряжает его, оно фиксируется и всегда выше начального.
После зарядки конденсатора С1 и окончания прогрева транзисторы VT1, VT4, VT5 закрываются высоким уровнем, поступающим с выхода микросхемы DD2, а транзистор VT3 открывается низким уровнем, поступающим с выхода микросхемы DD1, сигнализатор переходит в режим измерения.
Теперь изменяющееся падение напряжения на чувствительном элементе через диод VD2 поступает на неинвертирующий вход компаратора, выполненного на ОУ DA3.2, и сравнивается с зафиксированным пороговым напряжением на конденсаторе С3. Если напряжение на конденсаторе С2 становится больше, чем на конденсаторе С3, компаратор переключается, и на его выходе (выв. 7) появляется высокий уровень. Он поступает на исток транзистора VT7, который периодически открывается низким уровнем с частотой примерно 0,5 Гц, поступающим с тактового генератора, собранного на микросхемах DD7, DD8. С этой же частотой открывается транзистор VT8 и соединяет с общим проводом светодиоды HL4, HL5 и минусовой вывод питания микросхемы DD6, на которой собран звуковой генератор. Светодиоды начинают мигать, а пьезоизлучатель НА1, включённый в стоковую цепь транзистора VT6, излучает прерывистый звуковой сигнал. Когда сигнализатор размещён в шумоподавляющем наушнике защитной каски и нет загазованности или горючих веществ, о его работе судят по негромким щелчкам излучателя, напоминающим тикание часов.
При уменьшении падения напряжения на чувствительном элементе конденсатор С2 разряжается обратным током диода VD2 через открытый канал сток-исток транзистора VT3 и выходные цепи повторителя DA3.1.
Узел регистрации обрыва чувствительного элемента выполнен на компараторе DA2.2. Напряжение, поступающее с делителя на резисторах R2, R3, сравнивается с падением напряжения на образцовом резисторе R8 при протекании через него тока, которое на инвертирующем входе выше, чем на неинвертирующем. Если происходит обрыв чувствительного элемента, инвертирующий вход компаратора через образцовый резистор R8 соединяется с общим проводом и компаратор переключается. На его выходе (выв. 7) появляется высокий уровень, который поступает на вход микросхем DD4, DD5. Микросхема DD4 включает светодиод HL2 ("обрыв"), а высокий уровень с выхода микросхемы DD5 через диод VD1 блокирует работу тактового генератора на микросхемах DD7, DD8.
Монитор напряжения питания собран на микросхеме DA4, если напряжение становится меньше 3 В, включается светодиод HL3 ("батарея").
Налаживание сигнализатора сводится к установке рабочего тока (начального падения напряжения на чувствительном элементе) и установке порогового тока (порогового падения напряжения на чувствительном элементе).
После прогрева сигнализатора и погасания светодиода HL1 (прогрев) на чистом воздухе (движки резисторов R5, R6 предварительно находятся в среднем положении), не обращая внимания на световую и звуковую сигнализацию, производят измерение и установку рабочего тока. При токе 100 мА падение напряжения на образцовом резисторе R8 равно 499 мВ. Начальное падение напряжения на EK1 будет зависеть от сопротивления используемого чувствительного элемента.
Далее на чувствительный элемент подаётся поверочная газовая смесь (ПГС), смесь метана (СН4) с воздухом 20 % НКПРП (нижний концентрационный предел распространения пламени для метана равен 5 %), поэтому подаём однопроцентную объёмную смесь метана с воздухом и измеряем относительно общего провода напряжение на эмиттере транзистора VT2 (это пороговое падение напряжения на чувствительном элементе).
Выключаем, выдерживая небольшую паузу, и включаем сигнализатор, пока горит светодиод HL1 ("прогрев"), выставляем резистором R4, движок которого предварительно установлен в среднее положение, на инвертирующем входе ОУ DA3.2 напряжение, равное измеренному пороговому напряжению на чувствительном элементе при продувке ПГС. Щупы измерительного прибора нужно убрать до окончания прогрева, иначе конденсатор С3 разрядится через внутреннее сопротивление измерительного прибора.
Когда погаснет светодиод HL1 ("прогрев"), пороговое падение напряжения сохранится на конденсаторе С3. При последующем выключении, включении сигнализатора на чистом воздухе и переходе в режим измерения изменяющееся падение напряжения на чувст-
вительном элементе будет срав-ниваться с запомненным, зафиксированным пороговым напряжением на конденсаторе С3, и, если в рабочей зоне, где присутствуют горючие вещества, оно его превысит, сработает световая и звуковая сигнализация.
Сигнализатор собран на печатной плате из фольгированного с одной стороны стеклотекстолита толщиной 1 мм, изготовленной струйно-диффузионным способом, который описан в моей статье "Струйно-диффузионный способ изготовления печатных плат" ("Радио", 2011, № 2, с. 33-35). Чертёж платы показан на рис. 2, а расположение элементов в масштабе 1,5:1 - на рис. 3.

Рис.2. Чертёж печатной платы сигнализатора

Рис. 3. Расположение элементов на плате сигнализатора
Пайку деталей следует производить с использованием канифоли и до установки подстроечных резисторов, пьезоизлучателя и чувствительного элемента тщательно, с помощью кисточки, промыть в ацетоне или растворителе для нитрокрасок. Нельзя использовать кислотные и другие электропроводящие флюсы.
Для обеспечения взрывозащиты сам чувствительный элемент помещён в медный пористый стакан (максимальная пора - не более 100 мкм), который с помощью компаунда герметично приклеивается к плате.
Верхний по схеме вывод запоминающего конденсатора С3 припаян к контактной площадке, окружённой замкнутым проводящим квадратом для исключения токов утечки, и он же припаян непосредственно к выводу 6 микросхемы DA3. Таким же замкнутым проводящим многоугольником окружён канал сток-исток транзистора VT5 и сток транзистора VT4. Такое решение позволило сохранять заряд на конденсаторе С3 не менее 12 месяцев (срок испытания). Плату желательно поместить в экран и не использовать изолирующие лаки с сопротивлением покрытия менее 10х1015 Ом.
В сигнализаторе применены детали для поверхностного монтажа типоразмеров 0805 и 1206. Образцовый резистор R8 - прецизионный С2-29В. Керамические конденсаторы можно применить на номинальное напряжение 10...25 В. Запоминающий конденсатор С3 - отечественный К73-17 на номинальное напряжение 63 В, он отлично держит заряд. Поскольку сигнализатор не критичен к сопротивлению чувствительного элемента, подойдёт любой российского или зарубежного производителя. Составной транзистор BCV47 можно заменить на BCV27. Полевые транзисторы и диоды - любые, близкие по параметрам указанным на схеме. Пьезоизлучатель SFM-1440 можно заменить на аналогичный, подходящий по габаритам, без встроенного генератора. Подстроечные резисторы - PVZ3A (аналог 3303W-3). Микросхему DA1 (ИОН) необходимо прозвонить, обнару-жилось несоответствие нумерации выводов, это, скорее всего, зависит от производителя.
При питании сигнализатора напряжением 5 В (стационарное исполнение) лучше установить прецизионные операционные усилители LMC6062 с расположением выводов, как у LMC6442 (корпус - SO-8, напряжение питания - однополярное 4,5...15 В, ток потребления - 16 мкА, типовое значение входного тока - 10 фА (10х10-15 А), напряжение смещения - 100 мкВ, коэффициент усиления - 140 дБ).
Светодиод HL1 - зелёного свечения, светодиод HL2 - жёлтого, светодиод HL3 - синего, светодиоды HL4, HL5 - суперъяркие оранжевого свечения.
Ёмкость литий-полимерного аккумулятора - около 2000 мА·ч (двухкратный запас для восьмичасового рабочего дня). Собранный сигнализатор со снятой крышкой показан на рис. 4.

Рис. 4. Собранный сигнализатор со снятой крышкой
Два, три порога для переносного сигнализатора делать не имеет никакого смысла, поскольку исполнитель должен покинуть рабочую зону при первых признаках загазованности. Значение порога 10 %, 20 % или 40 % НКПРП сигнализации устанавливается технологическим регламентом.
В стационарный сигнализатор, имеющий три порога, добавляют дополнительные запоминающие каскады и два каскада, таких же, как на DD1, DD2. Во время прогрева происходит поочерёдная фиксация (со сдвигом по времени) порогового напряжения, предварительно настроенного по ПГС. После этого прибор переходит в режим измерения. Исключаются каскад контроля разряда батареи на DA4, звуковой генератор на DD6, тактовый генератор на DD7, DD8, каскад блокировки тактового генератора на DD5. Удаляют транзистор VT7.
Транзистор VT8 и добавленные VT8.1, VT8.2 открываются непосредственно сигналом с компаратора DA3.2 и добавленных DA3.2.1, DA3.2.2. Транзисторы VT8, VT8.1, VT8.2 нагружены не на светодиоды, а на реле, с них снимается сигнал, который уходит в систему сигнализации и блокировки (отображается "ПОРОП", "ПО-РОГ2", "ПОРОГ3"). Вместо светодиода HL2 и резистора R10 также устанавливается транзистор плюс реле, которое выдаёт сигнал об обрыве чувствительного элемента (неисправности прибора).
Основное преимущество описываемого сигнализатора - то, что пороговое падение напряжения на чувствительном элементе следует за начальным падением напряжения при воздействии внешних факторов (температура, М) давление, влажность и т. д.).
В случае сильного ветра, газовоздушных потоков (шахты, тоннели, открытые терминалы, морские платформы, парки) чувствительный элемент в режиме измерения охлаждается, поэтому начальное падение напряжения будет всегда ниже порогового, что не приведёт к ложному срабатыванию.
При включении сигнализатора (присутствуют переходные процессы) он не сработает и не выдаст управляющий сигнал в систему сигнализации и блокировки, поскольку сначала запоминается пороговое значение, которое всегда выше начального.
Если по каким-то причинам напряжение на конденсаторе С3 уменьшится (во время испытания заряд конденсатора не изменялся), уменьшится и пороговое значение, что соответственно увеличит чувствительность сигнализатора, и что очень немаловажно, он сработает и выдаст сигнал при более низкой концентрации горючих веществ.
Автор: А. Вовк, г. Ангарск Иркутской обл.
