Предлагаемое вниманию читателей устройство реагирует на обрыв линий электрической связи (шлейфов) и извещает об этом световым и звуковым сигналами. Управляет "сторожем" микроконтроллер PIC12F675, а включает сигнализацию симис-тор BTA140, связанный с ним оптроном MOC3062.
Описываемый в статье электронный "сторож" предназначен для охраны садового домика. Цели установки такого устройства - напугать злоумышленника при попытке проникновения в домик и привлечь к происшествию внимание соседей с помощью звуковой и световой сигнализации.
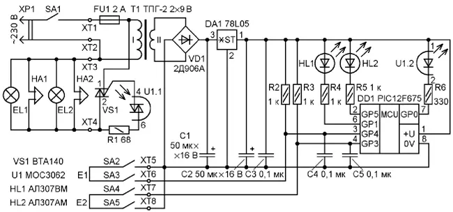
Схема устройства приведена на рис. 1. Его основа - микроконтроллер DD1 PIC12F675, тактовая частота которого-4 МГц задана встроенным в него генератором. К линиям GP4 и GP3 (соответственно выводы 3 и 4) через контактную колодку XT5-XT8 подключены охранные шлейфы Е1 и Е2. В каждом из них могут быть один или несколько соединённых последовательно датчиков (герконов или механических кнопок, которые показаны как выключатели SA2-SA5), установленных на дверях и окнах. В дежурном режиме контакты всех датчиков должны быть замкнуты. Конденсаторы C4 и C5 защищают входы микроконтроллера от импульсных помех, которые возможны на охранных шлейфах.

Рис. 1. Схема устройства
Управляемая микроконтроллером исполнительная часть устройства выполнена на оптосимисторе U1 и симисторе VS1 и рассчитана на подключение сигнальных ламп накаливания EL1, EL2 и сирен HA1, HA2.
Необходимая для эксплуатации и отладки устройства индикация осуществляется светодиодами HL1 и HL2 разного цвета свечения, подключёнными к линиям GP1, GP5 (соответственно выводы микроконтроллера 6 и 2) через токоограничивающие резисторы R4 и R5. Зелёный светодиод HL1 включается при попытке вскрытия домика. По его свечению хозяин узнает о том, что кто-то в его отсутствие пытался проникнуть в домик. Красный светодиод HL2 индицирует включение сигнализации (выводы 6 и 2 микроконтроллера изменяют состояние одновременно). Это позволяет проверить работу прибора, не подключая сигнальные сирены и лампы.
Питается устройство от сети переменного тока 230 В 50 Гц. Необходимое для работы микроконтроллера напряжение 5 В создаётся понижающим трансформатором T1, выпрямительным мостом VD1, интегральным стабилизатором напряжения DA1 и фильтрующими конденсаторами C1-C3. От аварийных коротких замыканий защищает плавкая вставка FU1.
Устройство работает следующим образом. После включения питания 230 В и поступления на микроконтроллер напряжения +5 В запускается программа микроконтроллера, которая настраивает его линии GP4 и GP3 на ввод, а линии GP0, GP1 и GP5 - на вывод информации. Программа реализует следующий алгоритм взаимодействия с хозяином:
1. После подачи питания у хозяина есть примерно 60 с, чтобы выйти из домика и закрыть дверь.
2. Через 1 мин после включения для проверки исправности устройств на 1 с включается сигнал тревоги (загорается лампа, звучит сирена). Устройство становится на дежурство.
3. Состояние датчиков проверяется с периодичностью 1 с. При обнаружении разомкнутого датчика через 10 с включается прерывистый сигнал тревоги (1 с включён - 1 с выключен) и зажигается светодиод HL1 (как отмечалось, по его состоянию хозяин может определить, не включался ли в его отсутствие сигнал тревоги). Задержка включения светового и звукового сигналов на 10 с необходима для того, чтобы вернувшийся хозяин после открывания двери успел выключить сетевое питание, не вызвав включения сигнала тревоги.
4. Через 3,5 мин после включения сигнал тревоги выключается, и микроконтроллер проверяет состояние датчиков. Если они замкнуты, прибор переходит в режим охраны, при этом светодиод HL1 продолжает гореть. Если же обнаруживается разомкнутый датчик, устройство переходит в режим ожидания хозяина. Вернувшийся хозяин переводит прибор в первоначальное состояние, выключив питание прибора.
Исходный текст программы микроконтроллера и HEX-файл приведены в файлах Oxrana675.asm и Oxrana675.hex соответственно. Этими же файлами задано необходимое слово конфигурации микроконтроллера (3F0CH).
Детали устройства смонтированы на двух фрагментах макетных плат из фольгированного стеклотекстолита. На одной из них (рис. 2) установлены микроконтроллер, оптрон, резисторы R2, R3, R6 и конденсатор C3, на второй - все остальные детали.

Рис. 2. Макетная плата из фольгированного стеклотекстолита с деталями устройства
Возможная замена микроконтроллера PIC12F675 - PIC12F629 (без каких-либо доработок программы), оптрона MOC3062 - оптрон с меньшим током срабатывания, например, MOC3043 или MOC3063, но в этом случае резистор R1 должен иметь сопротивление 680 Ом. Диодный мост 2Д906Азаменим другим подходящим по параметрам (например, КЦ407А или DB107), а вместо маломощного интегрального стабилизатора напряжения 78L05 можно применить любой другой с выходным напряжением 5 В (7805, КР142еН5а и т. п.). Резисторы и конденсаторы - малогабаритные любых типов.
Применённый автором понижающий трансформатор имеет две вторичные обмотки, из которых используется лишь одна. Потребляемый от неё ток незначителен, поэтому можно использовать практически любой другой маломощный трансформатор с вторичной обмоткой на 8...12 В. В качестве сетевого выключателя SA1 применён обычный бытовой, установленный на стене.
Конструктивное исполнение устройства в целом может быть разным в зависимости от возможностей радиолюбителя. Автор разместил платы в корпусе старого бытового счётчика электроэнергии (в последние годы эти счётчики в массовом порядке заменяют более точными современными, поэтому найти такой корпус не составит большого труда). Два из имеющихся в нём четырёх мощных винтовых зажимов использованы для подключения проводов, соединяющих прибор с сетью 230 В, а два других - проводов, идущих от сигнальных сирен и ламп (на схеме эти контакты обозначены как XT1-XT4). Провода шлейфов пропускают в просверленные в корпусе отверстия и подключают к плате через винтовую клеммную колодку XT5-XT8. Светодиоды HL1 и HL2 устанавливают на монтажной плате внутри корпуса (их свечение наблюдают через имеющееся в нём стеклянное окошечко). Вид на монтаж устройства показан на рис. 3 (крышка корпуса снята). Диодный мост VD1 смонтирован на обратной стороне большой платы и по этой причине не виден.

Рис. 3. Вид на монтаж устройства
Для шлейфов может быть применён телефонный провод, например, "лапша". Число последовательно включённых датчиков определяется в зависимости от количества контролируемых окон и дверей. Работа устройства проверялась со шлейфами длиной до 10 м. Если для охраны используется один шлейф, вместо второго устанавливают проволочную перемычку.
Чтобы напугать злоумышленника и привлечь внимание соседей по даче, одну из ламп и одну из сирен размещают внутри помещения, а остальные устанавливают вне его, например, на крыше.
вторский вариант устройства эксплуатируется с двумя лампами накаливания мощностью по 40 Вт и двумя электромеханическими сиренами СС-1 (потребляемая каждой из них мощность - 30 Вт). Симистор VS1 снабжён небольшим теплоотводом. Впрочем, если потребляемая сигнальными приборами мощность не превышает 150...200 Вт, он может работать без теп-
лоотвода. Кроме того, включение охранной сигнализации случается редко и на короткое время, а сама сигнализация прерывистая. Оптосимистор U1 при работе просто не успевает нагреться.
При необходимости число ламп и сирен можно увеличить, но при этом симистор VS1 придётся установить на теплоотвод, выбранный с учётом увеличения потребляемой мощности.
Для работы с устройством, кроме указанных выше электромеханических сирен, могут быть применены и более современные электронные сигнальные приборы с питающим напряжением 230 В переменного тока.
Недостаток предлагаемого устройства - его энергозависимость: при пропадании напряжения в сети оно перестаёт выполнять свои функции. Чтобы этого не случилось, его можно подключить к сети через источник бесперебойного питания (ИБП). Подойдёт любой ИБП небольшой мощности, предназначенный для использования с компьютером. Работа устройства проверена с ИБП UPS IPpON Model Back Verso 600.
Возможно, кто-то решит повторить предлагаемое устройство охраны с низковольтными сигнальными приборами и встроенной резервной аккумуляторной батареей. Для такой конструкции может пригодиться основа описанного устройства - микроконтроллер с записанной в его память программой.
Программу микроконтроллера можно скачать здесь.
Автор: Э. Щенов, г. Ульяновск
