Опасность последствий аварии заставляет предъявлять повышенные требования к надежности измерительного канала и, прежде всего, датчика, поскольку он эксплуатируется в самых тяжелых условиях, существующих на данном объекте. Возникает необходимость контроля его свойств как средства измерения чаще, чем это делается при периодических (обычно один раз в год) поверках. Поскольку нередко датчик установлен в труднодоступном месте (например, под кожухом агрегата), контроль должен проводиться дистанционно.
Способ контроля [1], реализованный в описываемом устройстве и дающий такую возможность, основан на том, что пьезоэлектрический преобразователь датчика обратим, он генерирует электрический сигнал при механическом воздействии на него и испытывает механическую деформацию при подаче электрического напряжения. В обоих случаях уровень реакции на воздействие определяется одним и тем же коэффициентом, называемым пьезо-модулем.
Инерционность датчика как механической системы определяется частотой его свободных колебаний, зависящей, прежде всего, от свойств самого датчика, но кроме этого, и от механических свойств контактирующей с датчиком части объекта. Ее называют частотой установочного резонанса (УР). Электрическая же инерционность не связана с механической и определяется в первом приближении произведением емкости датчика с кабелем и активным сопротивлением его нагрузки. Частотный спектр вибрации, измеряемой датчиком, всегда лежит ниже частоты УР (иначе результат измерения будет недостоверным), занимая, как правило, область от нуля до 0,2...0,3 ее значения.
Для подключения к описываемому устройству контроля датчик отсоединяют от аппаратуры, с которой он работает. На него подают постоянное напряжение, заряжающее его емкость и деформирующее пьезоэлемент. Длительность этой операции должна быть такой, чтобы все переходные механические и электрические процессы успели закончиться. После этого отключают источник напряжения от датчика и присоединяют к выводам последнего небольшое активное сопротивление на время (обычно несколько десятков микросекунд), достаочное для практически полной разрядки емкости датчика. Механическая деформация пьезо-элемента не может изменяться с той же скоростью, его возвращение в начальное состояние происходит в виде затухающих колебаний с частотой УР. Пьезоэлемент преобразует эти колебания в электрический сигнал, который регистрируют, например, запоминающим осциллографом. Признаком нормального состояния датчика служит неизменность формы и уровня сигнала при неоднократном контроле.
Основные узлы устройства контроля - два одновибратора, задающие длительность интервалов замыкания и регистрации, и два коммутатора. Возбуждение колебаний спадом импульса при стабильной продолжительности замыкания позволяет добиться хорошей повторяемости уровня и формы электрического сигнала, что необходимо для метрологических операций.
Описываемый вариант прибора несколько сложнее. Так как запоминающий осциллограф дорогой и сравнительно редкий прибор, процесс контроля сделан циклическим, что дало возможность пользоваться обычным осциллографом. Для большей достоверности определения частоты УР введен фильтр, подавляющий высокочастотные помехи. Имеется автономный низковольтный источник питания и измеритель частоты УР со светодиодным индикатором.

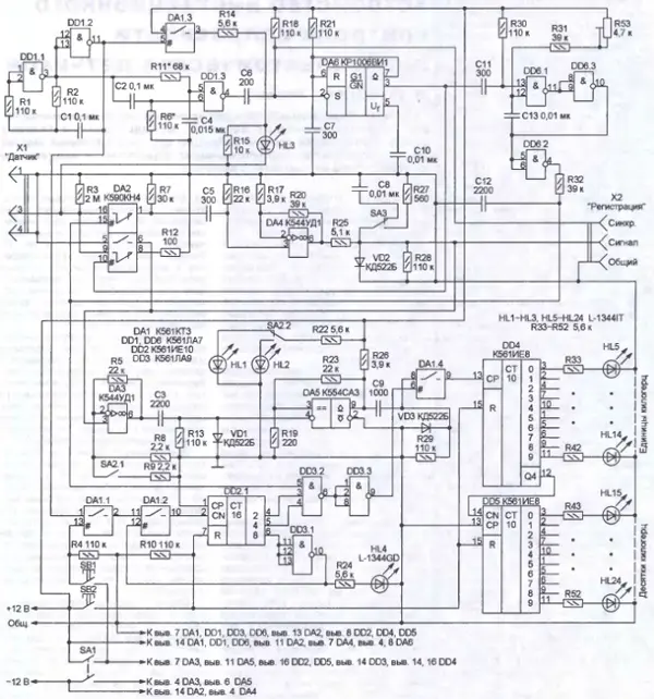
Рис. 1
Схема устройства представлена на рис. 1. Мультивибратор на элементах DD1.1 и DD1.2 вырабатывает импульсы прямоугольной формы. С выхода элемента DD1.2 импульс длительностью t, поступает на управляющий вход коммутатора DA1.3. Во время его действия через замкнутый коммутатор на вход подключенного к разъему Х1 датчика по цепи R14R15HL3 поступает напряжение зарядки +12 В (кривая U3 на рис. 2).

Рис. 2
Емкость датчика заряжается до этого напряжения. Светодиод HL3 предназначен для сигнализации о замыкании в цепи датчика.
Импульс, инверсный относительно рассмотренного, поступает с выхода элемента DD1.1 через дифференцирующую (C2R6) и интегрирующую (C4R11) цепи на входы элемента DD1.3. На его выходе формируется импульс низкого логического уровня, расположенный в паузе между импульсами зарядки, но имеющий меньшую, чем пауза, длительность t2. Через дифференцирующую цепь C6R18 спадающий перепад этого импульса запускает одновибратор на таймере DA6, импульс которого длительностью, определяемой параметрами цепи R21C7 (интервал t3 на рис. 2), поступает на управляющий вход нижнего (по схеме) коммутатора микросхемы DA2. При этом выход датчика (контакт 3 разъема Х1) через коммутатор и резистор R12 соединяется с общим проводом, разряжая емкость датчика. Напряжение на датчике (кривая U на рис. 2) уменьшается до нуля.
Спадающий перепад импульса таймера запускает одновибратор на элементах DD6.1 и DD6.3, генерирующий импульс длительностью t4 (определяет ся параметрами цепи C13R31R53) Через инвертор DD6.2 импульс поступает на вход управления верхним (по схеме) коммутатором микросхемы DA2 Напряжение с датчика, имеющее теперь колебательный характер, через дифференцирующую цепь C5R16 подается на вход усилителя на ОУ DA4, к выходу которого через резистор R25 переключателем SA3 подключен либо конденсатор С8 (режим "Индикация"), либо резистор R27 (режим "Диагностика"). В первом случае образуется сглаживающий фильтр, во втором - частотонезависимыи делитель напряжения. Далее сигнал поступает на разъем Х2, к которому подключают осциллограф или другой регистратор. На этот же разъем выведен импульс синхронизации, совпадающий по времени с началом интервала t3.
Остальные узлы устройства образуют измеритель частоты УР. Сигнал датчика с помощью усилителя DA3 и компаратора напряжения DA5 преобразуется в серию импульсов стандартной амплитуды. Коэффициент усиления (10 или 20) выбирают переключателем SA2, состояние которого указывают свето-диоды HL1 и HL2.
Подсчет импульсов с выхода компаратора в течение 1 мс дал бы значение частоты УР в килогерцах. Однако такой способ оказался неприемлемым, поскольку собственные колебания современных пьезодатчиков затухают значительно быстрее. Поэтому пришлось считать импульсы за несколько более коротких интервалов суммарной длительностью 1 мс. Эксперимент показал, что двух интервалов по 500 мкс вполне достаточно.
Счет происходит следующим образом. После нажатия на кнопку SB2 "Уст. 0" счетчик DD2.1 устанавливается в состояние готовности к счету, индицируемое светодиодом HL4 "Готовность", а счетчики DD4 и DD5 - в нулевое состояние. Длительное нажатие на кнопку SB1 "Пуск" открывает коммутатор DA1.1, и тактовые импульсы с выхода элемента DD1.2 проходят через открытый коммутатор DA1.2 на счетчик DD2.1. На два входа элемента DD3.2 сигналы поступают с выходов 2 и 4 счетчика, а на его третий вход - с выхода элемента DD6.2. В результате высокий уровень на выходе элемента DD3.3 существует только во время рабочих тактов, следующих после шестого и седьмого импульсов зарядки (считая с момента нажатия на кнопку SB1). Восьмой импульс устанавливает высокий уровень на выходе 8 счетчика DD2.1, что через инвертор DD3.1 закрывает коммутатор DA1.2. Поступление импульсов на вход счетчика DD2.1 прекращается, а светодиод HL4 гаснет. Теперь кнопку SB1 можно отпустить.
Выход элемента DD3.3 соединен с управляющим входом коммутатора DA1.4, включенного между выходом компаратора DA5 и входом счетчика DD4. Индикация состояния счетчиков DD4 и DD5 осуществляется не совсем обычно - с помощью двух декадных линеек из светодиодов HL5-HL24. Сделано это для уменьшения потребляемого тока: суммарное потребление всех названных светодиодов в любом случае не превышает 8 мА. К сожалению, еще более экономичные ЖКИ не подходят из-за недостаточного интервала рабочей температуры. Диоды VD1-VD3 введены для уменьшения переходных помех.
Все конденсаторы в устройстве - керамические, причем С7 и С13 должны иметь малый ТКЕ, они могут быть и иными, например слюдяными. Термостабильными (например, С2-31) должны быть и резисторы R21 и R31. Переключатели - движковые малогабаритные В1561. Однако вместо SA3 лучше использовать кнопку с контактами на переключение, например PS580N. Положение контактов при отпущенной кнопке должно совпадать с показанным на схеме рис. 1.
Тип разъема Х1 зависит от того, какие датчики предполагается проверять наиболее часто. Автором использована блочная вилка РС-4ТВ, поскольку основную массу отечественных промышленных вибродатчиков образуют пьезоэлектрические акселерометры ABC и АНС с кабельными розетками РС-4ТВ, назначение контактов которых соответствует показанному на схеме рис. 1. Так как от разъемного соединения в данном случае вибростойкость не требуется, целесообразно аккуратно удалить наружную резьбу на корпусе вилки, что облегчит и ускорит процесс подключения и отключения датчиков. Датчики других типов можно соединять с прибором через соответствующие переходники. Разъем Х2 может быть любым, например ОНЦ-ВГ-2-3/16-р. Сигнальный провод в присоединяемом к нему кабеле должен быть экранирован, провод синхросигнала экранировки не требует.

Рис. 3
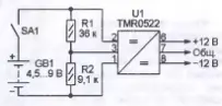
Питается прибор от батареи из пяти-шести гальванических элементов типоразмера АА, напряжение которой преобразуется в двуполярное стабилизированное +/-12 В с помощью преобразователя TMR0522 [2], включенного по схеме, изображенной на рис. 3. При напряжении батареи GB1 7,5 В потребляемый от нее ток равен соответственно 130 и 145 мА в режимах "Диагностика" и "Индикация".
Устройство собрано на двух платах, расположенных одна над другой и соединенных ленточными кабелями. На верхней плате смонтированы органы управления и светодиоды, а на нижней - остальные элементы, кроме разъемов, которые расположены на отдельной угловой панели. Корпус подобран готовый.
Так как большинство активных элементов - логические элементы и ОУ без внешней коррекции, налаживание правильно смонтированного устройства не требует больших усилий. Убедившись, что мультивибратор на элементах DD1.1, DD1.2 генерирует симметричные прямоугольные импульсы с частотой повторения 30±5 Гц, нужно проверить положение и форму импульсов на выходе элемента DD1.3.

Рис. 4
При отсутствии двухлучевого осциллографа для этого можно использовать простейший сумматор, схема которого показана на рис. 4.

Осциллограмма сигнала на его выходе должна иметь вид, изображенный на рис. 5, где t1 и t2 - те же интервалы, что на рис. 2. Подбирая резисторы R6 и R11, добейтесь, чтобы интервал t2 начинался через 0,3... 1 мс по окончании импульса зарядки. Его продолжительность должна быть 5... 10 мс, точное значение несущественно. Импульс, генерируемый таймером DA6, должен иметь длительность в интервале 20...30 мкс. А вот длительность импульса на выходе элемента DD6.2 необходимо установить подстроечным резистором R53 равной 500 мкс с возможно большей точностью. От этого прямо зависит погрешность измерения частоты УР.

Рис. 6

Рис. 7

Рис. 8
Для дальнейшего налаживания необходим пьезоэлектрический датчик (акселерометр) желательно с коэффициентом преобразования порядка единиц милливольт на метр в секунду за секунду и частотой свободных колебаний (она выше частоты УР) более 10 кГц. Подключив датчик к разъему Х1, добиваются органами управления осциллографа, подсоединенного к разъему Х2, устойчивого изображения на экране, подобного показанному на рис. 6-8. На них представлены осциллограммы, иллюстрирующие зависимость сигнала от состояния датчика: незакрепленного (рис. 6); установленного в строгом соответствии с руководством по эксплуатации (рис. 7); установленного, но с ослабленным креплением к контролируемой конструкции (рис. 8). Масштаб осциллограмм по вертикальной и горизонтальной осям соответственно 50 мВ/дел. и 50 мкс/дел.
Повторяемость возбуждаемых колебаний характеризуют результаты измерения положения характерных точек осциллограмм при десятикратном повторении возбуждения. Разброс не превысил 1,5 % и практически совпал с погрешностью использованного запоминающего осциллографа С9-8.
Желательно убедиться в отсутствии искажений сигнала на выходе ОУ DA3. На практике они маловероятны, размах затухающих колебаний датчиков разных типов варьирует слабо и не превышает нескольких сотен милливольт. При проверке работы триггера Шмитта на компараторе DA5 следует сравнить число периодов сигнала на его входе и импульсов на выходе. Пороги срабатывания триггера устанавливают подборкой резисторов R19 и R23.
Первый контроль датчика, особенно предназначенного для работы на длительно и безостановочно работающем объекте, желательно провести сразу после его установки. При этом сразу выяснится, соблюдены ли все требования (допустимые неплоскостность и шероховатость посадочной поверхности, момент затяжки резьбы, отсутствие загрязнений и др.). Их нарушение может настолько снизить частоту УР, что сигнал датчика не будет правильно отражать характер вибрации. В результате возможно формирование ложной команды на аварийную остановку объекта.
Полученный результат (отсчет частоты УР и положение переключателя SA2) записывают, он будет служить основой для оценки состояния датчика при последующих циклах контроля. Замеченное отклонение послужит основанием для более детального исследования состояния датчика и принятия решения о необходимости его ремонта или замены.
Сказанное подразумевает, что контроль производится на остановленном агрегате. Его температура не обязательно постоянна, а используемый эффект чувствителен к ее изменению. Как сказано выше, на обеих стадиях процесса возбуждения колебаний реакции на воздействие определяются значением пьезомодуля - характеристики материала преобразователя, зависящей от степени упорядоченности его микроструктуры, уменьшающейся с ростом температуры. В данном случае амплитуда электрического сигнала пропорциональна квадрату пьезомодуля и ее температурная зависимость соответственно сильнее. По данным проведенного эксперимента сигнал датчика с максимальной рабочей температурой 250 °С во время контроля при температуре до 120 °С имел нестабильность в пределах ±6 %. Поэтому желательно, чтобы во всех циклах контроля разброс температуры не превышал 20 °С. В этой связи эксплуатировать устройство лучше совместно с прибором, позволяющим измерять температуру датчика.
Возможность проведения контроля на работающем агрегате зависит от ряда обстоятельств. Сразу можно сказать, что в случае, если уровень вибрации, регистрируемый датчиком при нормальном работе объекта, близок к предельному для датчика, верхняя граница спектра вибрации приближается к частоте УР, или, наконец, температура датчика близка к предельно допустимой, контроль невозможен. Придется проводить его во время плановых остановок агрегата, но и в этом случае применение устройства позволит сэкономить время и избавиться от проведения механических работ. Если же перечисленные выше обстоятельства не столь очевидны, следует провести контроль до пуска и во время работы объекта. Сравнив полученные результаты, можно принять обоснованное решение. Нужно иметь в виду, что контроль с использованием только встроенных индикаторов описанного устройства реализует только часть возможностей. Анализ спектра или других характеристик собственных колебаний датчика позволит не только более точно оценить его состояние, но и получить дополнительную информацию об исправности узла объекта, на котором установлен датчик.
Дело в том, что верхняя граница спектра сигнала датчика, получаемого при его обычной эксплуатации, чаще всего не превышает 1000 Гц, а иногда и ниже. Небольшие неисправности на объекте мало влияют на характер спектра вибрации. А так как при контроле спектр несравненно шире, то, анализируя его, удается заметить даже мелкие изменения обстановки на объекте, разумеется, если они происходят вблизи от датчика. Анализатор спектра подключают к разъему Х2 вместо осциллографа (или вместе с ним) и устанавливают переключатель SA3 в положение "Диагностика".
Прибор дает возможность не только обнаружить факт изменения коэффициента преобразования датчика, вызванного изменением пьезомодуля, но и вычислить его новое значение. Наиболее простая методика заключается в сравнении сигналов при двукратном контроле: сначала сразу после установки датчика, когда действительны данные его недавней поверки, а затем по истечении времени, за которое можно ожидать изменения параметров датчика. На обеих записях нужно выбрать одинаковым образом N периодов колебаний, в каждом из них определить размах сигнала (разность максимального и минимального значений) и просуммировать полученные значения. Если при первичном контроле получена сумма V1, а при повторном - V2, коэффициент преобразования в момент проведения повторного контроля равен
![]()
где S1 - значение коэффициента преобразования, полученное при поверке [3]. Его можно использовать при анализе результатов измерений вплоть до проведения очередной стандартной поверки.
Еще одно применение устройство может найти при изготовлении пьезоэлектрических датчиков на стадиях сборки и регулирования параметров. На экране осциллографа можно наблюдать реакцию датчика на проводимые операции столь же наглядно, что и при настройке фильтров с генератором качающейся частоты. При этом можно получать информацию не только о частоте резонанса, но в некоторой степени и о значении коэффициента преобразования. Добавим, что кроме датчиков вибрации возможно в ряде случаев контролировать и пьезодатчи-ки пульсаций давления, правда, контроль будет только качественным: по принципу "исправен-неисправен".
Литература
1. Субботин М. Способ электрического возбуждения резонансных колебаний пьезоэлектрического акселерометра и устройство для его осуществления. Патент РФ № 2150708. - Бюллетень изобретений, 2000, № 16.
2. DC/DC converters TMR series. - http://dsb.trBCopower.com/upload/DSBUserFile/CPN_TracoPower/0_tmr.pdf.
3. Субботин М. Способ дистанционного периодического контроля коэффициента преобразования пьезоэлектрического акселерометра. Патент РФ № 2176396. - Бюллетень изобретений, 2001, № 33.
Автор: М. Субботин, г. Москва
