Чтобы в какой-то степени оградить своё жильё и имущество от посягательств, необязательно приобретать дорогостоящую аппаратуру, заниматься установкой сложной охранной системы сигнализации или обращаться к вневедомственной охране, особенно если у вас нет на это средств или времени, а вы хотите отвадить воришек таскать из поленницы дрова или с грядок картошку.
Думаю, не стоит прибегать к экспериментам, описанным в рассказе Михаила Зощенко, где хозяин поленницы закладывал в поленья патроны, или ограждать свою дачу проводами с подведённым напряжением. Последствия вам известны.
Цель примитивных охранных устройств - просто отпугнуть непрошенных гостей.
Один из самых простых и недорогих оберегов - муляж видеокамеры с мигающим светодиодом (рис. 1). Непрошенный гость не будет вдаваться в подробности, ведётся видеозапись или нет, и поэтому, скорее всего, просто развернётся и покинет вашу территорию.

Рис. 1. Муляж видеокамеры с мигающим светодиодом
Корпус "видеокамеры", установленной снаружи дома или дачи, можно использовать покупной или изготовить самому, дополнив установкой мигающего светодиода, аккумулятором от сотового телефона и старым зарядным устройством от того же сотового телефона.
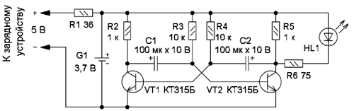
В таком охранном устройстве можно, конечно, применить мигающий светодиод, но нетрудно собрать генератор импульсов для питания обычного светодиода. Схема такого генератора показана на рис. 2. Он представляет собой симметричный мультивибратор на транзисторах VT1 и VT2 с частотозадающими RC-цепями. В коллекторную цепь транзистора включён индикаторный светодиод HL1, резистор R6 - токоограничивающий.

Рис. 2. Схема генератора
Для питания применено зарядное устройство телефона, от которого заряжается аккумулятор G1 также от сотового телефона. При отсутствии сетевого напряжения источником питания служит аккумулятор.
В устройстве можно применить резисторы МЛТ, С2-23, конденсаторы - К50-35 или импортные, транзисторы - любые из серий КТ315, КТ312, КТ3102. Светодиод можно применить любой маломощный любого свечения. Большинство деталей размещены на односторонней печатной плате из фольгированного стеклотекстолита толщиной 1...1,5 мм, чертёж которой показан на рис. 3.

Рис. 3. Печатная плата
Налаживания не требуется, но при желании частоту мигания светодиода можно изменить подборкой конденсаторов С1 и С2. При уменьшении их ёмкости частота вспышек увеличивается. Рядом с установленным муляжом видеокамеры на стекле окна или стене можно поместить наклейку с надписью "Внимание! Ведётся видеонаблюдение".
Автор: А. Екимов, с. Омутинское Тюменской обл.
