Вниманию читателей предлагается автономное охранное устройство. Во времена недостатка свободных телефонных пар подобными "автоном-ками" промышленного изготовления, не оснащёнными средствами передачи информации о тревожной ситуации на центральный пульт охраны, оборудовали многие объекты, где имелись материальные ценности, - склады, магазины, сберкассы, особенно в сельской местности. Предлагаемое устройство построено по такому же принципу и предназначено ещё и для квартир, домов, дач или гаражей, оборудованных несколькими охранными датчиками. Громкий сигнал тревоги прозвучит при срабатывании любого из них.

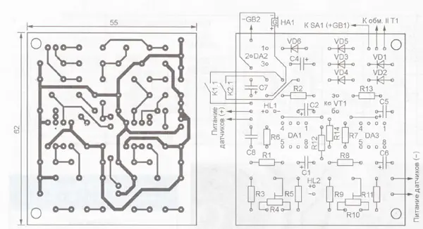
Рис. 1
Схема устройства показана на рис. 1. В авторском варианте к нему были подключены два промышленных охранных датчика: извещатель охранный поверхностный звуковой И0329Б "Астра-С" (реагирует на разрушение оконных стёкол) и инфракрасный датчик движения "Reflex" фирмы Техесот. Контакты исполнительных реле этих датчиков обозначены на схеме соответственно К1.1 и К2.1 и соединены последовательно. Пока на датчики не подано питание (напряжение 12 В), эти контакты разомкнуты.
После включения устройства выключателем SA1 на стабилизатор напряжения DA2 поступает через диод VD6 напряжение от источника сетевого питания на трансформаторе T1 и выпрямителе на диодном мосте VD1-VD4 или через диод VD5 от батарей резервного питания GB1 и GB2. Напряжение 12 В появляется на выходе стабилизатора в любом случае. Через 2 с после этого приходят в рабочее замкнутое состояние контакты датчика "Астра-С", а через 40 с замыкаются контакты датчика "Reflex". Ток, потребляемый в режиме покоя первым датчиком, не превышает 12 мА, вторым - 10 мА.
Сигнал тревоги не должен звучать, пока оба датчика не пришли в рабочее состояние, а человек, включивший сигнализацию выключателем SA1, не покинул охраняемое помещение или зону.
Чтобы запретить его подачу на это время (не менее 40 с), таймер DA3 формирует на своём выходе 3 импульс высокого уровня необходимой длительности. Её устанавливают подстроечным резистором R10.
В течение этого импульса включён светодиод HL2 (сигнализируя о том, что охранное устройство находится в режиме сдачи объекта под охрану), а транзистор VT1 открыт. Поступающим с коллектора этого транзистора на вход Е (вывод 4) таймера DA1 низким уровнем напряжения поддерживается такой же уровень на его выходе (выводе 3). Поэтому звуковой извещатель НА1 молчит, а светодиод HL1 включён. В этом состоянии таймер нечувствителен к зависящему от состояния датчиков уровню напряжения на входе S (выводе 2).
По окончании сформированного таймером DA3 импульса транзистор VT1 закрывается. Уровень на входе Е таймера DA1 становится высоким, разблоки-ровывая его. Светодиод HL2 гаснет, сигнализируя, что объект поставлен под охрану. Таймер DA3 на работу устройства более не влияет.
Сигналом срабатывания датчика "Астра-С" служит размыкание на 7 с контактов К1.1. Уровень напряжения на входе S таймера DA1 при этом становится низким, а на его выходе (выводе 3) - высоким. В таймере закрывается внутренний транзистор, коллектор которого подключён к выводу 7, начинается зарядка конденсатора С1 через резистор R1. Светодиод HL1 гаснет, а на звуковой извещатель НА1 поступает напряжение питания. Он подаёт звуковой сигнал громкостью 105 дБ. Потребляемый извещателем ток - 20...40 мА. Сигнал будет звучать, пока напряжение на конденсаторе С1 не достигнет верхнего порога срабатывания таймера DA1. Продолжительность сигнала (30...90 с) устанавливают подстроечным резистором R4.
В случае, когда в чувствительной зоне датчика "Reflex" перемещается человек, контакты К2.1 периодически размыкаются приблизительно на 5 с. Каждое их размыкание инициирует описанный выше процесс подачи звукового сигнала тревоги. Если период повторения размыканий меньше времени выдержки таймера DA1, сигнал будет звучать непрерывно и закончится лишь через установленное подстроечным резистором R4 время после выхода нарушителя из чувствительной зоны датчика и прекращения размыканий. Если он движется медленно или с остановками, звуковой сигнал может звучать с перерывами.
В некоторых случаях возможны ложные срабатывания устройства, вызванные короткими импульсами помех от установленного поблизости электрооборудования, наводимыми на соединяющие его с датчиками провода. Чтобы избавиться от них, можно ввести задержку включения сигнала тревоги на несколько секунд. Для этого достаточно установить параллельно резистору R2 показанный на схеме штриховой линией конденсатор С2. Для получения нужной задержки подбирают ёмкость конденсатора и номинал резистора.
Не рекомендуется вводить задержку, превышающую минимальную длительность разомкнутого состояния контактов датчиков при их срабатывании (около 5 с). Иначе у нарушителя появится возможность "обмануть" систему охраны, передвигаясь особым образом.

Рис. 2
Печатная плата устройства, изготавливаемая из фольгированного стеклотекстолита толщиной 1,5 мм, изображена на рис. 2. Она рассчитана на установку постоянных резисторов МЛТ, конденсаторов КМ-6 и К50-35 (или аналогичных импортных, подходящих по размерам). Конденсатор СЗ - К73-17 или К78-2 на напряжение не менее 630 В.
Аналог таймера КР1006ВИ1 - любая импортная микросхема серии 555, например NE555. Транзистор КТ315А можно заменить другим прибором этой серии или серии КТ3102. Подойдёт и импортный маломощный транзистор структуры п-р-п. Светодиоды указанных на схеме типов можно заменить любыми, которые при токе 0,5 мА обеспечат достаточную яркость свечения.
Трансформатор Т1 - ТВК-110ЛМ, доработанный по методике, описанной в статье И. Балонова "Об использовании ТВК в блоке питания" ("Радио", 1984, № 7, с. 38), либо другой малогабаритный, обеспечивающий ток вторичной обмотки 200...500 мА и напряжение после выпрямления (на конденсаторе С4) 20...35 В.
В качестве резервных источников питания применены гальванические батареи "Крона-ВЦ" (6F22). Потребляемый от них ток в дежурном режиме не превышает 30 мА, а при подаче сигнала тревоги - 50 мА. Работоспособность устройства сохраняется при снижении суммарного напряжения батарей GB1 и GB2 до 11 В, а напряжения на выходе стабилизатора DA2 до 9 В.
При налаживании охранного устройства движок подстроенного резистора R10 устанавливают в такое положение, при котором после включения питания выключателем SA1 первым гаснет светодиод, встроенный в датчик с наибольшим временем вхождения в рабочий режим (в данном случае это датчик "Reflex"), и лишь через 3...5 с после этого - светодиод HL2. Желаемую продолжительность звучания сигнала тревоги устанавливают подстроечным резистором R4.
К описанному устройству можно подключить любое число охранных датчиков, соединяя их исполнительные контакты последовательно. Оно ограничено лишь мощностью сетевого блока питания и ёмкостью резервных батарей.
Автор: С. Семихатский, г. Ейск Краснодарского края
