В предлагаемой статье описано миниатюрное сторожевое устройство, способное обнаружить пропажу на самом раннем этапе.
Предлагаемое устройство напомнит звуковым сигналом о забытых, потерянных или украденных вещах (чемодане, сумке, кошельке и т. д.), если удалённость этой вещи от вас превысит 3...5 м. Устройство состоит из двух частей - приёмника и передатчика.
Основные технические характеристики
Приёмник
- Напряжение питания, В . . . . . . . . .3
- Потребляемый ток, мА . . . . . . . . .2
- Рабочая частота, МГц . . . . . . . . .433,9
- Чувствительность, мкВ . . . . . . . . .1
Передатчик
- Напряжение питания, В . . . . . . . . .3
- Средний потребляемый ток, мА . . . . . . . . .1
- Рабочая частота, МГц . . . . . . . . .433,9
- Импульсная мощность, мВт . . . . . . . . .5
Принцип работы сторожевого устройства состоит в следующем. В передатчик устанавливают элемент питания и помещают его в чемодан или сумку. Включают приёмник и кладут его себе в карман. Если вы забудете где-нибудь, потеряете или у вас украдут чемодан или сумку и расстояние до неё превысит 3...5 м, в радиоприёмнике раздастся прерывистый звуковой сигнал частотой 1 кГц. Применённые элементы питания рассчитаны на 100 ч непрерывной работы.
Для стабильной работы устройства не рекомендуется располагать приёмник и передатчик рядом (ближе, чем 3...5 см) с металлическими предметами.

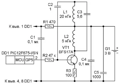
Рис. 1. Схема передатчика
Схема передатчика показана на рис. 1. Микроконтроллер DD1 работает от внутреннего RC-генератора и тактируется импульсами с периодом 1 мкс. Описание семейства микроконтроллеров PIC12F675 и про граммных средств их программирования приведены в [1].
Конденсаторы C1, С4, C5 - блокировочные по цепи питания. Конденсаторы C2, C3 - зв Т- контурные. Резисторы R1,R2 - токоограничительные. Резистор R3 образует отрицательную обратную связь автогенератора, собранного на транзисторе VT1, конденсаторах C2 и C3 и катушках индуктивности L1 и L2. Колебательный контур L1 и L2, C2 и C3 настроен на разрешённую частоту 433,9МГц.
Генератор несущей работает в режиме автогенератора с индуктивной обратной связью. Собственная частота автогенератора определяется параметрами LC-контура (L1, L2 и C3) в цепи коллектора транзистора VT1. Катушки индуктивности L1, L2 выполнены в виде печатных полосковых элементов. Положительную обратную связь образуют катушки L1 и C2.
После подключения элемента питания к передатчику микроконтроллер на своём выходе GP5 (вывод 2) формирует импульсную посылку. Посылка состоит из четырёх восьмибитовых одинаковых последовательностей длительностью по 30 мс каждая и чередующаяся через каждую секунду. Для экономии энергии элемента питания в паузах между посылками микроконтроллер переходит в спящий режим (SLEEP). Питание передатчика осуществляется от трёхвольтного элемента питания CR2032. Функцию антенны передатчика выполняет полосковая катушка на плате. Осциллограмма импульсной посылки передатчика показана на рис. 2.

Рис. 2. Осциллограмма импульсной посылки передатчика

Рис. 3. Схема приёмника
Схема приёмника показана на рис. 3. Микроконтроллер DD1, так же как и в передатчике, работает от внутреннего RC-генератора и тактируется импульсами с периодом 1 мкс.
Основное усиление даёт сверхрегенератор, собранный на транзисторе VT1. Его усиление может достигать 1000000. Сверхрегенеративный способ усиления высокочастотного напряжения принципиально отличается от того способа усиления, который применяется в ступенях усиления высокой и промежуточной частоты обычных радиоприёмников. Чтобы уяснить его сущность, рассмотрим процессы, происходящие в контуре самовозбуждающегося генератора при его включении и выключении.
В связи с тем, что действие положительной обратной связи эквивалентно уменьшению активного сопротивления контура генератора, условно принято считать, что она вносит в контур отрица-тельное сопротивление. Если это вносимое отрицательное сопротивление равно сопротивлению потерь контура, то его полное активное сопротивление равно нулю и в нём могут существовать незатухающие высокочастотные колебания.
В том случае, когда вносимое отрицательное сопротивление превышает сопротивление потерь контура, его полное активное сопротивление становится отрицательным и амплитуда колебаний в контуре нарастает. Это нарастание будет продолжаться до тех пор, пока вследствие увеличения высокочастотного напряжения и напряжения смещения на базе транзистора величина обратной связи не уменьшится настолько, что вносимое отрицательное сопротивление окажется равным сопротивлению потерь контура, т. е. его полное активное сопротивление станет равным нулю.
Таким образом, при включении генератора амплитуда колебаний устанавливается в его контуре стационарной не сразу, а нарастает постепенно по вполне определённому закону: за любые равные промежутки времени она увеличивается в одинаковое число раз. Такой закон называется экспоненциальным. Скорость нарастания амплитуды в контуре зависит от величины обратной связи.
При выключении генератора колебания прекращаются также не сразу и затухают по такому же экспоненциальному закону. Однако скорость спадания амплитуды обычно не равна скорости их нарастания, поскольку определяется исключительно добротностью колебательного контура генератора.
Срывать колебания в контуре генератора и создавать условия для их возникновения можно, изменяя смещение на базе транзистора. При этом, чтобы сорвать колебания, нет необходимости закрывать транзистор, а достаточно лишь подать на базу такое смещение, при котором нарушается условие самовозбуждения. В последнем случае скорость затухания амплитуды колебаний в большой степени зависит от значения этого "выключающего" напряжения и от величины обратной связи. Увеличив обратную связь и повысив таким образом добротность контура генератора, можно заметно снизить скорость затухания колебаний.
Если полное активное сопротивление контура отрицательное, то можно считать, что скорость нарастания колебаний при включении генератора зависит только от отрицательного сопротивления контура.
Конденсаторы C7, C10, C11 - блокировочные по цепи питания. Конденсатор C2 - контурный. Катушка L1 и конденсатор C2 образуют колебательный контур сверхрегенератора, настроенный на частоту 433,9 МГц. Конденсатор C3 образует положительную обратную связь для сверхрегенератора, собранного на транзисторе VT1. Резисторы R1, R2 - токоограничительные. Дроссель L2 не пропускает высокочастотную составляющую на вход операционного усилителя. Резисторы R3, R5 и диод VD1 образуют цепь стабилизации режима транзистора VT1. Это необходимо для того, чтобы при разрядке элемента питания частота приёмника не уходила. Резистор R4 и конденсатор C6 образуют низкочастотный фильтр с частотой среза около 10 кГц. Это нужно для того, чтобы убрать лишние сигналы, поступающие на вход усилителя DA1.1, поскольку полоса пропускания сверхрегенеративного приёмника довольно широка и равна 2...3 МГц. Резистор R6 и конденсатор C7 образуют фильтр по питанию сверхрегенеративного приёмника.
В приёмнике для усиления импульсных сигналов применён сдвоенный ОУ AD8542 фирмы Analog Devices [2]. Он обладает очень хорошими характеристиками: однополярное питание - от +2,7 В до +5,5 В, малый ток потребления - 45 мкА, широкая полоса пропускания - 1 МГц, малые входные токи - 4 пА. Малый потребляемый ток идеально подходит для работы от батареи. ОУ оптимизирован для поддержания высокого коэффициента усиления при низких напряжениях питания, что делает его полезным для активных фильтров и каскадов усиления. Коэффициент усиления ОУ без обратных связей при напряжении питания 2,7 В и 3 В обычно равен 500000.
Полезный сигнал с уровнем 1...2 мВ поступает на неинвертирующий вход ОУ DA1.1 с коэффициентом усиления К = 100. Сигнал с выхода ОУ поступает на компаратор на ОУ DA1.2.
С компаратора сигнал поступает на вход GP3 (вывод 4) микроконтроллера DD1. Микроконтроллер проверяет наличие принятого "своего" кода на входе и, если в течение 6 с сигнала нет, формирует прерывистый сигнал длительностью 0,5 с и частотой 1000 Гц на пьезокерамическом излучателе НА1.
В качестве антенны приёмника можно использовать отрезок провода МГТФ 0,5 длиной 10...15 см.
Катушка приёмника L1 изготовлена из медного провода диаметром 0,6 мм и содержит два витка. Диаметр катушки - 5 мм, шаг - 3 мм. Дроссель L2 - EC24.
Осциллограмма тонального сигнала приёмника показана на рис. 4.

Рис. 4. Осциллограмма тонального сигнала приёмника
Микроконтроллеры запрограммированы программатором ChipProg-40.
Налаживание передатчика начинают с установки частоты автогенератора 433,9МГц. Для этого потребуется частотомер, например Ч3-63. Передатчик необходимо расположить на неметаллической поверхности, чтобы не было внешних влияний на частоту генератора. Подключают элемент питания. Временно подключают резистор R2 к плюсовой линии источника питания, а высокочастотный кабель - к СВЧ-гнезду частотомера. Другой конец кабеля располагают рядом с передатчиком на расстоянии примерно 5...10 см. Приближая или удаляя концы кабеля, добиваются стабильных показаний частотомера. Измеряют частоту передатчика. Если частота передатчика меньше 433,9 МГц, необходимо уменьшить ёмкость конденсатора С3. Если же частота передатчика больше 433,9 МГц, необходимо произвести подстройку изменением индуктивности полосковых катушек L1, L2. Для этого необходимо острым инструментом (например, скальпелем) по одному срезать линии квадратиков "сетки", расположенной на катушке, измеряя при этом частоту передатчика. Это делают до тех пор, пока частота генератора не станет равной 433,9 МГц.
Далее проверяют наличие кодовой посылки. Для этого подключают осциллограф к выводу GP5 (вывод 2) микроконтроллера и проверяют наличие кодовой посылки. Она должна соответствовать рис. 2. На этом настройка передатчика закончена. Восстанавливают подключение резистора R2 согласно схеме.
Налаживание приёмника также начинают с установки частоты генератора 433,9МГц. Приёмник необходимо расположить на неметаллической поверхности, чтобы не было внешних влияний на частоту контура. Для налаживания приёмника потребуются генератор Г4-151 и осциллограф. Подключают элемент питания к приёмнику. На осциллограф подают сигнал с выхода (вывод 1) ОУ DA1.1. На экране осциллографа должен наблюдаться эфирный шум. Подключают высокочастотный кабель к выходу генератора. Другой конец кабеля располагают рядом с приёмником на расстоянии примерно 20...50 см. Включают генератор. Устанавливают частоту генератора 433,9 МГц, вид модуляции - импульсная внутренняя частотой 1 кГц, ослабление аттенюатора - 60 дБ. Раздвигая или сдвигая витки катушки приёмника предметом из немагнитного материала, например зубочисткой, добиваются максимальной амплитуды импульсов на экране осциллографа.
Далее проверяют работу компаратора. Для этого подключают осциллограф к выходу (вывод 7) ОУ DA1.2. На экране осциллографа должен наблюдаться импульсный сигнал (меандр) с частотой 1 кГц. На этом настройка приёмника закончена.
Приёмник и передатчик собраны на платах из фольгированного с двух сторон стеклотекстолита толщиной 1 мм, которые разведены в программе Sprint-Layout.

Рис. 5. Чертёж печатной платы приёмника

Рис. 6. Чертёж печатной платы передатчика
Чертёж печатной платы приёмника размерами 40x24 мм показан на рис. 5. Чертёж печатной платы передатчика (38x24 мм) показан на рис. 6. Расположение элементов на платах приёмника и передатчика в масштабе 2:1 приведено на рис. 7 и рис. 8.

Рис. 7. Расположение элементов на платах приёмника

Рис. 8. Расположение элементов на платах передатчика
В устройстве применены резисторы и керамические неполярные конденсаторы для поверхностного монтажа типоразмера 0805. Полярный конденсатор С10 в приёмнике - танталовый для поверхностного монтажа типоразмера А.
Для приёмника сторожевого устройства можно использовать корпус от сканирующего приёмника китайского производства. С целью уменьшения размеров передатчик выполняют без корпуса. Для крепления элемента питания на плате изготавливают скобу из жести толщиной 0,5 мм. Ширина скобы - 15 мм, длина - 22 мм. По краям коротких сторон скобу загибают под прямым углом на длину 3 мм. После чего скобу залуживают с внутренней стороны, атак-же её края. Кроме того, залуживают также плату со стороны установки элемента питания. После этого скобу припаивают со стороны катушек L1 и L2 к прямоугольным площадкам по краям платы. Между скобой и платой вставляют элемент питания минусовым выводом к плате. Для устранения механических повреждений передатчик после настройки обтягивают термоусаживаемой трубкой диаметром 30 мм и длиной 40 мм.
Файлы программирования микроконтроллеров и чертежи печатных плат в формате Sprint-Layout находятся здесь.
Литература
1.PIC12F629/675 Data Sheet 8-Pin FLASHBased 8-Bit CMOS Microcontrollers. - URL: https://ww1.microchip.com/downloads/en/ devicedoc/41190c.pdf (01.04.23).
2.General Purpose CMOS Rail-to-Rail Amplifiers AD8541/AD8542/AD8544. - URL: https://docs.rs-online.com/f3c3/0900 766b8002cdfe.pdf (01.04.23).
Автор: В. Турчанинов, г. Севастополь
