Электронный корректор импульсов был разработан взамен релейного корректора импульсов, входящего в состав ПКП, применяющегося на декадно-шаговых и на координатных АТС.
80% повреждений на АТС связано именно с повреждением корректора, собранного на реле К1-КЗ (нарушается регулировка). У нас на узле 6 штативов ПКП по 40 комплектов на каждом. Поэтому повреждений довольно много, а вручную регулировать очень неудобно.
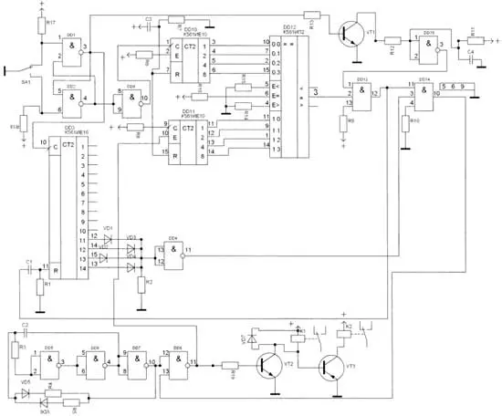
Электрическая принципиальная схема электронного корректора показана на рисунке. Основой схемы является цифровой компаратор, выполненный на микросхеме DD12, который сравнивает числовой код, поступающий с выходов DD10, DD11. На ячейках DD1, DD2 собран формирователь импульсов, представляющий собой триггер.
Серийное устройство собрано на ячейке DD15 и RC-це-почке R11C4. Генератор импульсов DD5-DD8 выдает импульсы длительностью 40 и паузой 50 мс. В исходном состоянии на всех выходах счетчика DD10, DD11 присутствует лог.»0», на выходе 3 DD12 — лог.»1». Лог.»1» присутствует и на выходе ячейки DD13, через конденсатор С1 поступает на вход сброса R счетчика DD13. Счетчик обнуляется. На выходах - лог.»0», на выходе элемента DD4 - лог.»1». Лог.»1» присутствует также на выходе DD14, она запрещает прохождение импульсов генератора.
Абонент начинает набор номера. Контактами реле «И» (SA1) переключается триггер. Импульсы с выхода 3 поступают на серийное устройство и переключают его. Положительный потенциал с выхода DD15 поступает на вход 1 DD13. Благодаря RC-цепочке R11C4 лог.»1» присутствует все время, пока абонент набирает цифру. С выхода 4 триггера DD1, DD2 через DD9 импульсы поступают на счетный вход счетчика DD10 и переключают его. Если, к примеру, абонент набирает цифру «5», на выходе счетчика DD10 -код 1010. На выходе DD12 - лог.»0». После окончания набора цифры через несколько миллисекунд серийное устройство переключается в исходное состояние - лог.»0». На выходе DD13 - лог.»0», на выходе DD14 - лог.»0». Импульсы с генератора поступают в регистр, одновременно переключают счетчик DD1 1. Как только счетчик примет цифру «5», установиться код 1010. На выходе DD12 - лог.»1», сбрасывает счетчик DD13. На выходе DD14 - лог.»1». Генератор закрыт. Импульсы с электронного корректора передаются в регистр во время межсерийного интервала, который составляет 700...800 мс.

Если абонент набирает цифры «7», «8», «9», «0», межсерийного интервала для передачи этих цифр может не хватить. Для этого собран узел на микросхеме DD3. Как только в счетчик записалась цифра «7», «8», «9», «0» на выходах 12, 14, 15, 13 устанавливается лог.»1». На выходе DD4 - лог.»0», DD14 - лог.»0». Импульсы с генератора поступают в регистр. Как только в счетчик DD11 запишется одна из этих цифр, компаратор выдаст лог.»1» и сбросит счетчик в нулевое состояние, что приведет к закрытию генератора.
Плату ПКП необходимо доработать (изменения соответствуют принципиальной схеме ПКП). Контакты импульсного реле «И» 11-12-13 включаются вместо переключателя SA1. Контакты реле К1 включаются в разрыв абонентского шлейфа (АВ провода регистра). Контакты реле К2 включаются в разрыв провода К2, находящиеся на ПКП.
Налаживание сводится к установке длительности импульсов генератора (импульс - 40 мс, пауза - 50 мс). Вместо постоянных резисторов впаивают переменные (автор установил резистор 100 кОм от СВП телевизора). Когда длительность установлена, переменные резисторы заменяют постоянными такого же номинала (предварительно измерив сопротивление). Также выставляют время удержания серийного устройства.
Детали. Резисторы Rl, R2, R10, R14, R15 - 1,1 МОм; R6, R8, R9, R12, Rl 6-R19 - 10 кОм; R7 - 200 кОм, R11 - 100 Юм; R4, R5 - подбирают в процессе налаживания. Конденсаторы С1 - 0,3...0,5 мкФ; С2, СЗ - 0,3 мкФ; С4 - 0,1 ...0,5 мкФ, подбирают экспериментально. Диоды - КД102. Транзисторы VT1, VT2 - КТЗ15; VT3 - КТ361. Микросхемы DD5-DD8 -К561ЛА7, 1 корпус; DD1, DD2, DD4, DD9 - К561ЛА7 (или 176), 1 Kopnyc;DD3-561ИE16;DD10, DD11 -К561ИЕ10, 1 корпус; DD12-K561ИП2;DD13,DD14-K561ЛП13, 1 корпус; DD15 - К561ТЛ1. В качестве реле применены герконы РС55Б. Реле можно заменить транзистором КТ829 и включить его в разрыв абонентского шлейфа.
На стенде схема работала прекрасно. Если ее улучшат, автор будет очень рад.
Автор: Ю. Садиков, г. Москва
