Предлагаемый сигнализатор (рис.1) плавно зажигает лампу накаливания EL1 при поступлении вызывного сигнала и плавно гасит по его окончании. Сигнализатор не реагирует на набор номера и другие импульсные помехи, которые могут быть в телефонной линии. Чтобы не усложнять схему, использована специализированная микросхема КР1182ПМ1, предназначенная для работы в фазовых регуляторах мощности. Эта микросхема позволяет управлять лампами накаливания мощностью до 150 Вт и выдерживает без повреждения эффективное значение напряжения до 280 В. Микросхеме требуется минимум навесных элементов, а для увеличения допустимой мощности нагрузки можно использовать параллельное включение нескольких микросхем.

Рис. 1. Принципиальная схема светового сигнализатора телефонных звонков
Импульсное напряжение вызывного сигнала частотой 13...50 Гц и амплитудой 80...200 В через защитные резисторы R1, R2 и разделительные конденсаторы С1, С2 поступает на выпрямительный мост VD1. Импульсы выпрямленного напряжения сглаживаются конденсатором СЗ, при этом светится светодиод HL1. Включение токоограничительных резисторов R1, R2 в оба провода телефонной линии позволяет предотвратить повреждение абонентских телефонных устройств и оборудования АТС при пробое изоляции оптрона VU1, вероятность которого нельзя полностью исключать.
При достаточно большой амплитуде входного сигнала открывается фототранзистор оптрона VU1. При этом шунтируется цепь затвор-исток n-канального полевого транзистора VT2, и он закрывается. Конденсатор С8 плавно заряжается до напряжения 2...4 В от внутреннего источника тока микросхемы DA1. В это время плавно зажигается лампа нагрузки EL1. Мощность, подаваемая в нагрузку, зависит от разности напряжений на выводах 3 и 6 DA1. По окончании вызова или во время пауз между звонками, конденсатор С3 разряжается, ток через светодиод оптрона прекращается, фототранзистор закрывается, транзистор VT2 открывается и разряжает через резистор R8 конденсатор С8, лампа EL1 плавно гаснет.
Транзистор VT1 работает как микромощный стабилитрон с напряжением стабилизации 6...10 В. Варистор R10 предотвращает повреждение микросхемы при мощных импульсных помехах в осветительной сети или при значительном аварийном увеличении напряжения питания. Двукристальный светодиод HL2 сигнализирует о наличии напряжения питания 220 В. Элементы R3, С4, L1, С7, L2 снижают уровень помех, которые могут проникать в осветительную сеть при работе сигнализатора.

Рис. 2. Цоколевка транзисторов и токовых ключей
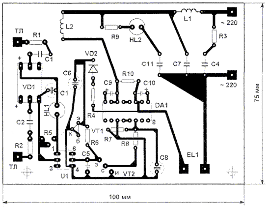
В устройстве можно применить постоянные резисторы С1-4, С2-23, МЛТ соответствующей мощности. Подстроечный резистор - типа СПЗ-386, РП1-63 или импортный малогабаритный. Варистор - типа FNR-20K431, FNR-10K431, FNR-20K39 или полупроводниковый ограничитель напряжения КС904АС. Оксидные конденсаторы - типа К50-35, К50-24, К53-19, К53-4 или импортные, например, фирм "Rubycon", "DON". Конденсаторы С1, С2, С4, С11 - пленочные, типа К73-17, К73-24в, К73-39, на рабочее напряжение не ниже 400 В; С7 - керамический К15-5; С9, СЮ могут быть любого типа, в том числе и оксидные. Чтобы обеспечить более раннее открывание тиристорных ключей микросхемы, емкость этих конденсаторов уменьшена вдвое. Диодный мост VD1 можно заменить на КЦ422В...Г, DB102...DB107, RW152...RW157. Диод VD2 - любой из серий КД209, КД102, КД105 А...Г, КД243Г...Ж, а также 1 N4004... 1 N4007. Светодиод L1543SRC/E повышенной яркости красного цвета свечения можно заменить на любой аналогичный, например, серий L1503S, L1513S, L383S, КИПД21, КИПД40, КИПД66. Двукристальный HL2 заменим на любой из серий L117, L57, L937, КИПД23, КИПД41. Оптрон АОТ128А, имеющий напряжение гальванической развязки 1500 В, можно заменить на 4N35, 4N26, TIL111. Транзистор VT1 можно установить любой из серий КТ315, КТ312, КТ342, или применить на его месте микромощный стабилитрон 2С182Ц, 2С191Ц, 2С210Ц. Полевой n-канальный транзистор обогащенного типа VT2 можно заменить на КП501Б, КП501В, VN2120, ZVN2120 или токовыми ключами К1014КТ1, КР1014КТ1, КР1064КТ1. Их цоколевка показана на рис.2. Дроссели L1, L2 можно изготовить на кольцевых ферритовых магнитопроводах М2000НМ-А с внешним диаметром кольца не менее 24 мм. Обмотки содержат по 90 витков провода ПЭВ-2 00,37 мм. Ферритовые кольца перед намоткой предварительно обматываются лакотканью или фторопластовой пленкой. Готовые дроссели пропитываются лаком или компаундом. Устройство смонтировано на печатной плате размерами 100x75 мм из одностороннего фольгированного стеклотекстолита (рис.3). Настройка сводится к установке такого сопротивления подстроечного резистора R5, чтобы лампа зажигалась только при поступлении вызывного сигнала.

Рис. 3. Печатная плата светового сигнализатора телефонных звонков
Так как устройство гальванически связано с напряжением осветительной сети, при его настройке и эксплуатации необходимо соблюдать принятые в таких случаях меры безопасности.
Источники
- С.Дубовой, А.Соколов. Световой сигнализатор телефонных звонков. - Радио, 2001, N6, С.59.
- С.Дубовой. Лампа вместо звонка. - Радиоаматор, 2002, N1, С.55.
- Ю.Прокопцев. Световой повторитель телефонного звонка. - Радио, 1993, N12, С.22.
- А.Бутов. Световой индикатор телефонных звонков. - Радио, 2003, N9, С.40.
- А.Бутов. Индикатор поступления телефонных звонков на ультраярких светодиодах. - Радиоаматор, 2003, N6, С.57.
- А.Немич. Микросхема КР1182ПМ1 - фазовый регулятор мощности. - Радио, 1999, N7, С.44.
- И.Кольцов. Микросхема фазового регулятора мощности КР1182ПМ1. - Схемотехника, 2001, N10, С.51.
- А.Бутов. Терморегулятор на микросхеме КР1182ПМ1.- Схемотехника, 2002, N10, С.ЗЗ.
- А.Бутов. Простое реле времени. - Радиомир, 2003, N5, С.18.
Автор: А. Бутов,
с. Курба, Ярославской обл.
E-mail: butoff@yandex.ru
