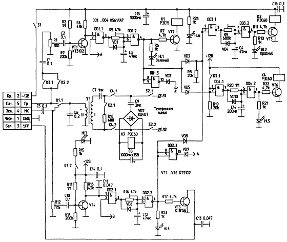
Предлагаемая схема (рис.1) позволяет использовать симплексные радиостанции (без переделок) для связи телефонного абонента с радиоабонентом. Приоритет имеет телефонный абонент. Дальность связи между базовой радиостанцией и мобильной определяется выходной мощностью базовой и составляет 30...50 км.
Интерфейс собран на цифровых и аналоговых элементах. Пусть телефонный абонент набирает номер. Вызывной сигнал с линии Л1-Л2 подается через мост VD7 на вызывное реле КЗ, которое срабатывает на 3 с (длительность паузы между посылками вызова) и замыкает контакты К3.1.
Одновременно вызывной сигнал через разделительный трансформатор Т1 подается на микрофонный вход базовой радиостанции и на вход электронного реле времени телефонного абонента. Открывается ключ на VT5, и радиостанция переходит в режим передачи. Вызывной сигнал излучается базовой радиостанцией.
После принятия вызывного сигнала радиоабонент (в паузе) нажимает тангенту "Передача" и отвечает на вызов. В момент прихода ответа от радиоабонента сигнал с динамика базовой радиостанции через замкнутый контакт К3.1 поступает на электронное реле радиоабонента. Срабатывает реле К1 и контактом К1.1 переключает выход радиостанции (Гр) на обмотку II трансформатора Т1.

Рис.1. Принципиальная схема
Одновременно логическая "1" с выхода элемента DD1.2, через диод VD3, вызывает срабатывание электронного реле на DD3.1, DD3.2 и коммутирует К2. Контакты К2.1 замыкают телефонную линию через резистор R18, что эквивалентно режиму "Снятие трубки". Контакты К2.2 включаются параллельно К3.1.
Одновременно срабатывает электронное реле на DD4.1, DD4.2 и включает К4, которое своими контактами К4.1, К4.2 соединяет первичную обмотку трансформатора Т1 с телефонной линией. Телефонный абонент слышит ответ радиоабонента. Когда радиоабонент заканчивает говорить, реле К1 отпускает. Его контакты К1.1 подключают обмотку II Т1 к микрофонному входу базовой радиостанции. Начинает говорить телефонный абонент. Через электронное реле на DD2.1, DD2.2 открывается VT5, и радиостанция переходит на передачу. В дальнейшем разговор между абонентами ведется поочередно. Каждый абонент логической "1." с выхода своего электронного реле поддерживает включенным (через DD1.2, DD2.2) реле К2 ("Трубка поднята").
Через 10 с после окончания разговора отключается реле К2, что эквивалентно режиму "Трубка положена". В радиостанции слышны гудки "Отбой". Через 20 с срабатывает линейное реле К4, и линия отключается. Интерфейс переходит в дежурный режим.
Режимы работы интерфейса индицируются соответствующими светодиодами.
Детали и конструкция. Интерфейс разработан на общедоступной элементной базе. Микросхемы DD1...DD4 - К561ЛА7, транзисторы VT1...VT6 - КТ3102. VT1 и VT3 желательно подобрать с большим коэффициентом усиления (буквы Г, Е). Все диоды - КД503, КД521, КД522, светодиоды - АЛ307. Резисторы - ОМЛТ-0,125, 0,25. Реле - малогабаритные: К1 - РЭС15 (003, 004), К2...К4 - РЭС60 (0001) или по два реле РЭС15 в параллель.
Т1 - согласующий трансформатор от малогабаритных радиоприемников. Сопротивление обмоток-30...200 Ом. Соотношение витков обмоток 1:2.
Схема собрана на плате из фольгированного стеклотекстолита толщиной 1,5...2 мм. Размеры платы определяются размерами комплектующих. Автор изготовил плату путем нарезки квадратов 5x5 мм (резаком, изготовленным из ножовочного полотна). Общий размер платы - 150x150 мм.
Налаживание сводится к установке временных интервалов выдержки электронных реле. Для абонентских реле (DD1.1, DD1.2 и DD2.1, DD2.2) - 1 ...2 с, реле "Снятие трубки" (DD3.1, DD3.2) - 5...20 с, реле линии (DD4.1, DD4.2) - 10...30 с. При исправных деталях схема начинает работать сразу. На радиостанции (базовой) ручку уровня громкости нужно поставить в среднее положение, ручку "ШП" (шумоподавителя) выводят до полного пропадания шумов (с небольшим за пасом). В принципе, открывание шумоподавителя в дежурном режиме от сильных импульсных и радиопомех не приведет к захвату радиоканала, т.к. перед этим не срабатывали реле К2 и КЗ. Таким образом, интерфейс оказывается защищен от несанкционированного доступа со стороны радиолинии.
Соединение интерфейса с базовой радиостанцией осуществляется пятиконтактным разъемом от бытовой аппаратуры, включенным параллельно тангенте (или вместо нее). Линия (Л1-Л2) подключается параллельно домашнему телефонному аппарату.
Уезжая, например, на дачу, включаем тумблер питания S1 и линию S2. При этом включаются индикаторы "Снятие трубки" (HL2), "Линия включена" (HL5), "Вызов телефонного абонента" (HL4). Через 10...20 с все индикаторы гаснут - наступает дежурный режим.
Удачной сборки и до связи! 73!
Автор: В.ПАНОВ, г.Калуга
