В статье автор делится опытом ремонта тюнера для приёма программ эфирного цифрового телевидения. Описанная им методика поиска и устранения неисправности применима и к другим электронным изделиям, где питание одного или нескольких функциональных узлов осуществляется от стабилизатора напряжения с неизвестными выходными параметрами.
Тюнер "Globo GL50" предназначен для приёма программ эфирного цифрового телевидения DVB-T/T2, а также для воспроизведения мультимедийных файлов с внешних носителей, подключаемых к USB-порту этой приставки. Проработав около года, этот тюнер сломался. Неисправность выглядела как полная неработоспособность устройства, при этом светодиод на передней панели светился жёлтым цветом. Ремонт таких аппаратов обычно нецелесообразен, но поскольку в современных цифровых устройствах мало интересных деталей для использования в дальнейшем, было решено не разбирать приёмник на детали, а попробовать его отремонтировать.
Поиск неисправности был начат с проверки работоспособности внешнего блока питания с выходным стабилизированным напряжением около 5,2 В при токе нагрузки до 1,5 А, который оказался исправным. Далее на плате блока (её маркировка - M3103-0C) были проверены интегральные стабилизаторы на-пряжения. На выходе одного из них (KV3VC - по схеме микросхема U4) присутствовало напряжение 0,537 В, при этом корпус микросхемы нагревался до температуры выше 100 оС за пять минут. От этого стабилизатора непосредственно питается центральный процессор тюнера, который оставался холодным. Первоначальная версия о том, что пробит один из керамических блокировочных конденсаторов С23, С24, С35 не подтвердилась.
Отключение нагрузки стабилизатора не изменило ситуацию: корпус микросхемы так же сильно нагревался. Поскольку никакой полезной информации ни о вышедшей из строя микросхеме, ни о самой плате найти не удалось, предстояло выяснить, какое требуется напряжение для работы центрального процессора экспериментально. Для этого микросхема U4 была выпаяна из платы, а к печатному проводнику, предназначенному для припайки её выходного вывода (ближайший контакт рядом с надписью "U4"), был подключён выход мощного лабораторного регулируемого блока питания. При напряжении 1,1 В и менее процессор тюнера работал с ошибками или зависал. При напряжении 1,2 В процессор работал без ошибок во всех режимах работы приставки, потребляя ток около 0,6 А.
Поскольку даже если бы удалось найти и приобрести такую же микросхему взамен вышедшей из строя, её установка, по мнению автора, лишена практического смысла (то, что сгорело однажды, сгорит и во второй, и в третий раз); недостаточно просто устранить неисправность, нужно устранить причины её возникновения. Вероятно, интегральный стабилизатор KV3VC сгорел от перегрева - типичная неисправность современных цифровых устройств, стоит на первом месте по числу отказов устройств бытового и промышленного назначения (на втором месте - печатный монтаж, а вместе они "забирают" более 90 % от всех неисправностей, возникших не по причине неправильной эксплуатации).
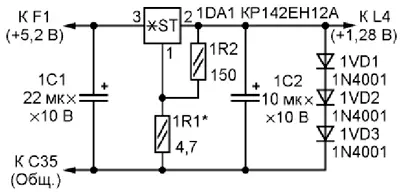
Неисправную микросхему импульсного стабилизатора было решено заменить линейным стабилизатором с выходным напряжением 1,3 В на микросхеме КР142ЕН12А, схема которого показана на рис. 1 (позиционные обозначения его деталей начинаются с префикса 1). Выходное напряжение задаётся резисторами 1R1, 1R2. Чем меньше сопротивление первого из них (при неизменном втором), тем меньше выходное напряжение. Конденсаторы 1C1, 1C2 - блокировочные. Диоды 1VD1 - 1VD3 защищают нагрузку от повреждения при неисправностях 1DA1. С учётом падения напряжения на соединительном проводе выходное напряжение стабилизатора получилось равным примерно 1,28 В.

Рис. 1. Схема стабилизатора
Детали нового стабилизатора напряжения размещены на монтажной плате размерами 22x22 мм. Микросхема КР142ЕН12А установлена на ребристый дюралюминиевый теплоотвод, который плотно прижат к нижней и боковой стенкам металлического корпуса приставки. Поскольку теплоотводящий фланец микросхемы электрически соединён с выводом 2, она закреплена на теплоотводе через изолирующую прокладку, на крепёжный винт для изоляции надеты ПВХ-трубка и гетинак-совая шайба. Все сопрягаемые плоскости смазаны теплопроводной пастой. Вместо КР142ЕН12А можно установить КР142ЕН12Б или одну из импортных серии ***317 в корпусе TO-220 (например, LM317, KA317). Назначение выводов всех названных микросхем одинаковое. Вид на монтаж стабилизатора и "начинку" приставки показан на рис. 2.

Рис. 2. Вид на монтаж стабилизатора и "начинку" приставки
Вход стабилизатора подключён к плавкой вставке F1 (рис. 3, красный провод), выход - к дросселю L4 (рис. 4, зелёный провод), а общий провод - к минусовой обкладке конденсатора C35 (рис. 4). Вместо диодов 1N4001 можно применить любые из КД208, КД243, КД247, 1 N4002-1 N4007.

Рис. 3. Монтажная плата

Рис. 4. Монтажная плата
Монтажная плата M3103-0C может применяться в других моделях DVB-T2 ресиверов. Поскольку автору ещё ни разу не попадались "холодные" DVB-T2 приставки (все они при работе сильно нагреваются), после окончания гарантийного срока желательно измерить и записать входные и выходные значения напряжения установленных на плате стабилизаторов, а также сфотографировать с обеих сторон монтажную плату так, чтобы были видны все надписи, это может пригодиться при ремонте вышедшего из строя устройства. Учитывайте, что на выходе импульсного интегрального стабилизатора могут одновременно формироваться несколько рабочих напряжений. Для улучшения охлаждения внутрь приставки можно установить небольшой "ноутбучный" вентилятор.
После ремонта потребляемый тюнером ток от источника питания составил около 0,75 А, это означает, что внешний комплектный импульсный блок питания с выходными параметрами, указанными в начале статьи, способен обеспечить питанием не только DVB-T2-приставку, но и подключённый к ней внешний жёсткий диск форм-фактора 2,5 дюйма. Если приставка оснащена встроенным в её корпус блоком питания, для уменьшения нагрузки на него и соответственно для уменьшения температуры внутри корпуса жёсткие диски 2,5'' желательно питать от внешнего блока.
Автор: А. Бутов, с. Курба Ярославской обл.
