Одним из перспективных направлений деятельности фирмы ATMEL являлось производство интегральных драйверов светодиодов (далее - LED-драйверов) и светодиодных линеек (несколько последовательно соединенных светодиодов, далее - LED-линеек) для задней подсветки (Television Backlight) жидкокристаллических (ЖК) панелей, которые применялись для производства плоскопанельных телевизоров и мониторов. LED-драйверы фирмы ATMEL поддерживают конфигурации подсветки ЖК панелей - краевую (Edge-LED), матричную (Full-LED) и RGB-подсветку (RGB-LED). Более подробно о LED-подсветке ЖК панелей можно ознакомиться в статье [1]. Кроме того, запатентованная ATMEL адаптивная технология контроля DC/DC-конвертора питания LED-линеек (Adaptive SourcePower™ technology) позволяет существенно сэкономить потребляемую устройством электроэнергию. Все производимые LED-драйверы включают в себя ШИМ (PWM) с возможностью синхронизации с ТВ видеосигналом, что устраняет размытость движущегося изображения, и имеют широкий диапазон (до 12 битов) регулировки яркости (диммирования), контроль за целостностью LED-линеек и балансом токов в них.
Ключевые особенности LED-драйверов ATMEL
- 12-битное ШИМ диммирование LED-линеек;
- быстрый интерфейс SPI или интерфейс I2C для одновременной поддержки до 16 устройств (каскадное включение ИМС);
- адаптивный контроль источника питания LED-линеек;
- поддержка одной ИМС до 16 параллельных LED-линеек из 10 белых светодиодов;
- интерфейс для адаптивного диммирования зоны подсветки в реальном времени;
- программируемая фаза LED-линейки, которая уменьшает размытость движущегося изображения;
- единственный резистор, которым устанавливается пиковый ток для всех контролируемых LED-линеек;
- входы для сигналов кадровой (VSYNC) и строчной (HSYNC) синхронизации;
- энергонезависимая память EEPROM, которая позволяет настроить по умолчанию источник питания при включении устройства.
В состав рассматриваемого семейства LED-драйверов фирмы Atmel входят следующие ИМС:
- MSL2041/42 - драйвер 4-х LED-линеек с внешними MOSFET-транзисторами и адаптивным контролем DC/DC-конвертора питания светодиодов.
- MSL3162 - драйвер 16-ти LED-линеек из белых или RGB-светодиодов с адаптивным контролем DC/DC-конвертора и интерфейсами 1 МГц I2C/MBus.
- MSL3163/64 - драйверы 16-ти LED-линеек из белых или RGB-светодиодов с адаптивным контролем DC/DC-конвертора, памятью EEPROM и интерфейсами SPI/I2C/SMBus.
- MSL4163/4 - драйверы 16-ти LED-линеек из белых или RGB-светодиодов с адаптивным контролем DC/DC-конвертора, памятью EEPROM и интерфейсами SPI/I2C/SMBus.
Рассмотрим особенности и ключевые характеристики этих ИМС более подробно.
LED-драйверы MSL2041/42
Это 4-канальные драйверы мощных LED-линеек с использованием внешних N-MOSFET-транзисторов для управления током в каждой линейке до 1 А с точностью установки тока 0,5% и максимальным напряжением на каждой линейке до 40 В. Диапазон напряжения питания ИМС равен 10,8...13,2 В, при этом потребляемый ИМС ток в рабочем режиме составляет 19,2.31,5 мА, в дежурном (Sleep) - 2,9...4,2 мА, и в выключенном состоянии (Shutdown, EN - Low) - до 2 мкА. Микросхемы имеют схемы контроля обрыва и короткого замыкания в каждой LED-линейке. В случае обнаружения дефекта ИМС отключает неисправную линейку, а на выходе индикации ошибки FLTB (открытый сток) формируется низкий уровень сигнала.

Рис. 1. Расположение выводов ИМС MSL2041/42 в корпусе SOP32

Рис. 2. Блок-схема ИМС MSL2041/42
Микросхемы выпускаются в корпусе SOP32 (см. расположение выводов на рис. 1). Блок-схема ИМС MSL2041/42 приведена на рис. 2, а назначение выводов - в таблице 1. В состав ИМС входят ШИМ, LDO-регуляторы напряжений 2,5 и 5 В, блок адаптации внешних DC/DC-конверторов (к ИМС можно подключить до двух конверторов)питания LED-линеек, детектор ошибок (неисправностей в LED-линейках), системный контроллер с интерфейсом I2C (опция), схемы контроля фазы LED-линейки, максимального тока в каждой линейке и выходные драйверы управления NMOSFET-транзисторами.
Таблица 1. Назначение выводов ИМС MSL2041/2
Номер вывода | Обозначение | Описание | |
MSL2041 | MSL2042 | ||
1 | 1 | FB01 | Выход 1 сигнала обратной связи для контроля первого источника питания LED -линеек. Если не используется, его подключают к "земле" (GND) |
2 | 2 | EN | Вход разрешения ИМС (активный - высокий уровень). Для автостарта ИМС подключают этот вывод через резистор 100 кОм к VIN |
3-6 | - | PWM3- PWM0 | Входы 3-0 для сигнала ШИМ димминга LED -линеек 3-0. Если вход не используется, его подключают к GND |
7 | 7 | FLTB | Выход сигнала ошибки (открытый сток, активный - низкий уровень). Если на входе EN низкий уровень или происходит чтение регистров ошибок, то ошибка на выходе сбрасывается |
8 | 8 | SCL | Вход сигнала SCL интерфейса I2C |
9 | 9 | SDA | Вход/выход сигнала SDA интерфейса I2C |
10 | 10 | D0 | Вход для подключения стока внешнего MOSFET -транзистора 0 через резистор. Если вход не используется, его подключают к GND |
11 | 11 | G0 | Выход сигнала на затвор внешнего MOSFET -транзистора 0. Если выход не используется, его подключают к GND |
12 | 12 | S0 | Вход для подключения истока внешнего MOSFET -транзистора 0 и токового датчика LED -линейки 0. Если вход не используется, его подключают к шине питания ИМС VDD |
13 | 13 | D1 | Вход для подключения стока внешнего MOSFET -транзистора 1 через резистор. Если вход не используется, его подключают к GND |
14 | 14 | G1 | Выход сигнала на затвор внешнего MOSFET -транзистора 1. Если выход не используется, его подключают к GND |
15 | 15 | S1 | Вход для подключения истока внешнего MOSFET -транзистора 1 и токового датчика LED -линейки 1. Если вход не используется, его подключают к VDD |
16, 17, 24 | 16, 17, 24 | NC | Не используются |
18 | 18 | D2 | Вход для подключения стока внешнего MOSFET -транзистора 2 через резистор. Если вход не используется, его подключают к GND |
19 | 19 | G2 | Выход сигнала на затвор внешнего MOSFET -транзистора 2. Если выход не используется, его подключают к GND |
20 | 20 | S2 | Вход для подключения истока внешнего MOSFET -транзистора 2 и токового датчика LED -линейки 2. Если вход не используется, его подключают к VDD |
21 | 21 | S3 | Вход для подключения стока внешнего MOSFET -транзистора 3 через резистор. Если вход не используется, его подключают к GND |
22 | 22 | G3 | Выход сигнала на затвор внешнего MOSFET -транзистора 3. Если выход не используется, его подключают к GND |
23 | 23 | D3 | Вход для подключения истока внешнего MOSFET -транзистора 3 и токового датчика LED -линейки 3. Если вход не используется, его подключают к шине VDD |
25 | 25 | VDD | Выход напряжения 2,5 В от внутреннего LDO -стабилизатора |
26 | 26 | CVDD | Этот вывод подключают к шине VDD |
27 | 27 | VCC | Выход внутреннего LDO -регулятора напряжения 5 В |
28 | 28 | VIN | Напряжение питания ИМС 12 В ±10% |
29 | 29 | GND | Силовая "земля" |
30 | 30 | FBI2 | Вход 2 сигнала обратной связи для контроля источника питания LED -линеек. Если используется конфигурация с одним источником, вывод FBI 2 соединяют с FB 02. Если не используется, его подключают к GND |
31 | 31 | FB02 | Выход 1 сигнала обратной связи для контроля второго источника питания LED -линеек, подключается к источнику через диод. В каскадной конфигурации (несколько ИМС) FB 02 подключается к FBI 2 следующей ИМС. Если не используется, его не подключают |
32 | 32 | FBI1 | Вход 2 сигнала обратной связи для контроля источника питания LED -линеек. Вывод FBI 1 подключают к FB 01 предыдущей ИМС в каскадной конфигурации. Если не используется - подключают к GND |
3, 4, 5 | CGND | Подключают эти выводы к GND | |
В ИМС MSL2041 имеются четыре ШИМ входа (см. рис. 1) для независимого контроля частоты, яркости и фазы в каждой LED-линейке, а в ИМС MSL2042 эти параметры регулируются для всех LED-линеек синхронно по одному входу ШИМ.
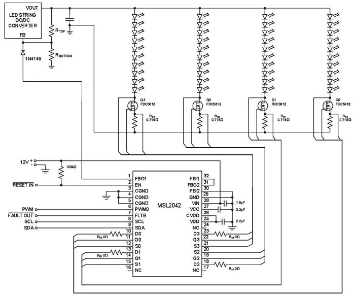
Схема включения ИМС MSL2042 для управления 4-мя LED-линейками с пиковым током в каждой до 350 мА и с питанием от одного DC/DC-конвертора приведена на рис. 3.

Рис. 3. Схема включения ИМС MSL2042 для управления 4-мя LED-линейками и питанием от одного DC/DC-конвертора
Максимальный ток в каждой линейке ILED задается резистором RS (рис. 3) в цепи истока MOSFET-транзистора, его можно вычислить по формуле:

где ILED в мА, а RS в кОм.
Так, например, для тока ILED = 350 мА номинал резистора RS = 0,715 Ом.
ИМС MSL2041/2 разработаны для управления такими DC/DC-конверторами питания LED-линеек, у которых выходное напряжение устанавливается внешним резистивным делителем (RTOР/RBОTTОМ на рис. 3) и напряжение обратной связи не должно превышать 3,5 В-VF (VF - прямое напряжение на светодиодах в составе линеек). Для динамического управления выходным напряжением конвертора микросхемой в резистивный дели-тель вводится ток в диапазоне 0...280 мкА, удерживая минимально допустимое напряжение питания LED-линеек, тем самым оптимизируется энергопотребление системы.
Конфигурация системы с двумя DC/DC-конверторами питания LED-линеек приведена на рис. 4.

Рис. 4. Конфигурация системы с двумя DC/DC-конверторами питания LED-линеек
LED-драйвер MSL3162
Микросхема MSL3162 (см. блок-схему на рис. 5) представляет собой мощный драйвер 16-ти LED-линеек из белых или RGB-светодиодов. ИМС имеет встроенные силовые MOSFET-транзисторы, позволяющие контролировать ток в каждой линейке до 100 мА с точностью 3% и максимальным напряжением на каждой линейке до 40 В. Рабочий диапазон напряжения питания ИМС равен 4,5...5,5 В, потребляемый ток в рабочем режиме составляет 7...20 мА, а в выключенном состоянии - до 20 мкА.

Рис. 5. Блок-схема ИМС MSL3162
К одной ИМС можно подключить до 160 белых светодиодов с VF(MAX) =3,6 В - по 10 в каждой линейке (см. таблицу 2). Микросхема выпускается в 40-выводном корпусе TQFN. Назначение выводов ИМС приведено в таблице 3.
Таблица 2. Возможности ИМС MSL3162 по количеству подключаемых светодиодов
Типы LED | VF(MAX) | Кол-во LED в линейке | Кол-во LED с одной MSL 3162 | Кол-во LED с 16-ю MSL 3162 S | Потребляемая мощность узла с одной MSL 3162 (ток одной LED -линейки 60 мА) | Потребляемая мощность узла с 16-ю MSL 3162 (ток одной LED -линейки 60 мА) |
White, Green, Blue | 3,6 В | 10 | 160 | 2560 | 34 Вт | 544 Вт |
Red | 2,4 В | 15 | 240 | 3840 | ||
RGB | - | 10 | 50 | 800 | 26 Вт | 415 Вт |
Таблица 3. Назначение выводов ИМС MSL3162
Номер вывода | Обозначение | Описание |
37, 39, 1 | FBI1-FBI3 | Входы напряжения 1-3 обратной связи для управления внешними источниками питания LED-линеек. При каскадном включении нескольких ИМС выводы FBIs и FBOs соединяются между собой, вывод FBI первой ИМС подключается к GND , а вывод FBO последней - ко входу FB внешнего контролируемого источника |
38, 40, 2 | FB01-FB03 | Выходы 1-3 напряжений обратной связи для управления внешними источниками питания LED -линеек |
3, 16 | CGND | Сигнальная "земля" |
15,31 | GND | Силовая "земля" |
4 | PHI | Вход внешнего сигнала фазовой синхронизации в диапазоне 40 Гц...10 кГц для синхронизации ШИМ димминга. Вход для кадровых синхроимпульсов VSYNC. Если вход не используется, его подключают к GND |
5 | GSC | Вход внешних тактовых импульсов GSC установки разрешения ШИМ димминга. На вход подают видеосигнал частотой до 5 МГц (типовой сигнал - HSYNC ). Если вход не используется, вход подключают к GND |
6 | PWM | Вход сигнала ШИМ димминга LED-линеек. На вход подают ШИМ сигнал частотой от 20 Гц до 50 кГц и скважностью от 0 до 100% |
7-14, 17-24 | STRO to STR15 | Токовые выходы для подключения 16-ти линеек из последовательно включенных LED (катодом к выходу). Неиспользуемые выходы подключают к GND и запрещают их через управляющие регистры |
25 | FLTB | Выход индикации ошибки (открытый сток, низкий уровень - активный) |
26, 29 | AD1, AD0 | Входы установки адреса интерфейса I2C Slave . Для этого подключают выводы либо к GND, либо к VDD |
27 | SCL | Вход синхронизации интерфейса I2C |
28 | SDA | Вход/выход данных интерфейса I2C |
30, 32 | N/C | Не используются |
33 | ILED | Вход установки максимального тока через каждую LED -линейку. Для установки максимального тока 60 мА подключают между выводами ILED и GND резистор номиналом 34,8 кОм |
34 | EN | Вход разрешения ИМС (активный уровень - высокий). Для автоматического включения ИМС подключают этот вывод к VDD |
35 | VIN | Вход напряжения питания ИМС 5 В ±10% |
36 | VDD | Выход внутреннего LDO-регулятора 2,5 В |
Подложка | EP | Силовая "земля" |
Эта ИМС, в отличие от предыдущих, имеет улучшенный ШИМ, позволяющий с помощью встроенного DLL-мультиплексора и синхроселектора синхронизироваться от внешнего видеосигнала. Еще одним важным преимуществом этой ИМС является встроенная энергонезависимая память EEPR0M, в которой сохраняются пользовательские настройки - содержимое регистров (статус LED-линеек, уровень яркости, фаза, выходные напряжения контролируемых DC/DC-конверторов и т.д.). При подаче питания на устройство эти настройки восстанавливаются.
В отличие от предыдущей ИМС, в этой максимальный ток IILED в каждой из 16-ти линеек задается одним резистором RILED, подключенным к выв. 33 ИМС, и определяется по формуле:
IILED = 2050 / RILED,
где IILED в мА, а RILED в кОм.
MSL3162 имеет 1 МГц I2C/MBus-совместимый интерфейс, который позволяет объединить до 16 ИМС и осуществлять покадровый контроль яркости подсветки ЖК панели.
К драйверу можно подключить до трех DC/DC-конверторов питания LED-линеек. Типовая схема такого варианта включения ИМС приведена на рис. 5. К драйверу подключены по 60 красных, зеленых и синих светодиодов, причем, светодиоды каждого цвета питаются от своего DC/DC-конвертора.
ИМС поддерживает как аналоговый (6 бит), так и цифровой (10 бит) ШИМ димминг. Имеется встроенный узел контроля за обрывом в LED-линейках, коротком замыкании и температурой. Ошибки можно контролировать как на выходе FLTB, так и считать через интерфейсы I2C/MBus.
Варианты поддерживаемых ИМС конфигураций задней подсветки с их преимуществами и недостатками сведены в таблицу 4.
Таблица 4. Поддерживаемые ИМС MSL3162 конфигурации задней подсветки
Тип подсветки | Функция контроля DC / DC -конверторов питания LED-линеек | Удаление размытости движущихся объектов | Поддержка подсветки участков изображения (зонная подсветка) |
White LED - Bottom, edge-lit ( краевая нижняя подсветка белыми LED) | Да (подключение до трех источников) | Нет | Нет |
White LED - Top/bottom, edge-lit (краевая верхняя и нижняя подсветка белыми LED ) | |||
White LED - Four sides, edge-lit (краевая подсветка четырехсторонняя белыми LED ) | |||
White LED - Direct , back - lit (задняя матричная (ковровая) подсветка белыми LED ) | Да (подстройка фазы димминга LED -линеек) | Да (повышенный диапазон контрастности) | |
RGB LED - Direct , back - lit (задняя матричная (зонная) подсветка RGB LED ) | Да (питание LED -линеек каждого цвета от отдельного DC / DC -конвертора) | Да (повышенный диапазон контрастности и подстройка цветовой гаммы) |
Такой узел из 16 ИМС позволит управлять кластером из 2560 белых светодиодов.
Функциональная схема включения ИМС MSL3162 приведена на рис. 6.

Рис. 6. Функциональная схема включения ИМС MSL3162
Внутренний ШИМ димминга ИМС синхронизируется с таймингами полей изображения на ЖК панели сигналами по входам PHI (типовой сигнал на входе VSYNC - кадровые синхроимпульсы) и GSC (HSYNC - строчные синхроимпульсы).
ИМС MSL3162 управляются через 82 регистра, доступных через последовательный интерфейс I2C по адресам 0x00-0x5F. Внутренняя энергонезависимая память ИМС EEPR0M доступна для записи и чтения по адресам 0x90 и 0x91.
LED-драйверы MSL3163/64 и MSL4163/64
Как и предыдущая ИМС, эти драйверы предназначены для управления 16-ю LED-линейками с максимальным током в каждой до 100 мА и напряжением на линейке до 40 В. Их основное отличие от ИМС MSL6162 заключается в наличии быстрого (20 МГц) последовательного интерфейса SPI для подключения к управляющему контроллеру. В ИМС MSL4163/64, в отличие от MSL3163/64, введена защита выходных драйверов LED-линеек от статического электричества (4 кВ). Приведем ключевые особенности этих ИМС:
- 12-битный ШИМ для димминга LED-линеек с частотой до 240 Г ц;
- быстрый последовательный интерфейс SPI (20 МГц) у MSL3164 и I2C (1 МГц) у MSL3163 с подключением к нему до 16 ИМС;
- 8-битный контроль внешних DC/DC-конверторов питания LED-линеек;
- драйвер 16-ти параллельных LED-линеек (до 10 последовательно включенных LED в каждой) с общим числом светодиодов до 2560, управляемых в реальном времени через последовательный интерфейс;
- программируемая фаза димминга каждой LED-линейки для подавления размытости движущихся объектов изображения;
- программируемый средний ток в каждой LED-линейке до 60 мА (пиковый ток - 100 мА);
- один резистор для установки пикового тока во всех LED-линейках.
ИМС MSL3163/4 выпускаются в 40-выводном корпусе TQFN с рабочим температурным диапазоном -40...85°C;
- точность установки тока и баланс тока в LED-линейках 3%;
- входы видеосинхронизации полей (VSYNC) и строк (HSYNC);
- каскадное включение ИМС и оптимальное использование при этом нескольких источников питания LED-линеек;
- встроенная в ИМС EEPR0M для восстановления пользовательских настроек при включении устройства;
- схемы защиты от обрыва и (или) короткого замыкания в LED-линейках и термозащита;
- раздельное включение детектора ошибок по каждой LED-линейке.
Назначение выводов ИМС MSL3163/64 приведено в таблице 5, а их функциональная схема включения - на рис. 8.
Таблица 5. Назначение выводов ИМС MSL3163/64
Номер вывода | ИМС | Описание | |
MSL3163 | MSL3164 | ||
39, 1, 3 | FBI1-FBI3 | Входы 1-3 напряжения обратной связи для контроля источника питания LED -линеек. В каскадной конфигурации входы подключается соответственно к выходам FB 01- FB 03 следующей ИМС. Если вход не используется, его подключают к GND | |
38, 40, 2 | FB01-FB03 | Выходы 1-3 напряжения обратной связи для контроля источника питания LED -линеек. Выход 1 (2,3) подключается ко входу FB первого (второго, третьего) источника или, в каскадной конфигурации, ко входу FBI 1 ( FBI 2, FBI 3) предыдущей ИМС. Если выводы не используются, их подключают к GND | |
4 | PHI | Вход фазовой синхронизации ШИМ димминга LED -линеек, на вход подают сигнал частотой 40 Гц...10 кГц. В типовом включении используется сигнал кадровой синхронизации VSYNC | |
5 | GSC | Вход внешних тактовых импульсов установки разрешения ШИМ димминга. На вход подают видеосигнал частотой до 5 МГц (типовой сигнал - HSYNC ) | |
6 | PWM | Вход сигнала ШИМ димминга LED-линеек. На вход подают ШИМ сигнал частотой до 50 кГц и скважностью от 0 до 100%. Если вход не используется (не подключен), он находится в состоянии высокого импеданса | |
7-14, 17-24 | STR0-STR15 | Токовые выходы для подключения 16-ти линеек из последовательно включенных LED (катодом к выходу). Неиспользуемые выходы подключают к GND | |
15 | CGND | Подключают этот вывод к GND | |
16,32 | GND | Сигнальная "земля" | |
25 | FLTB | Выход сигнала ошибки (открытый сток, активный - низкий уровень). Если на входе EN низкий уровень или происходит чтение регистров ошибок, то ошибка на выходе сбрасывается | |
26, 30 | AD0, AD1 | Входы выбора адреса для последовательного интерфейса Slave. Подключают выводы к GND через резистор | |
27 | SCL | SCK | MSL 3163: вход тактового сигнала интерфейса I2C ; MSL 3164: вход тактового сигнала интерфейса SPI |
28 | TEST | miso | MSL 3163: вход запуска заводского теста ввода/вывода; MSL 3164: выход данных интерфейса SPI |
29 | SDA | mosi | MSL 3163: вход/выход данных интерфейса I2C ; MSL 3164: вход данных интерфейса SPI |
31 | GND | CSB | MSL 3163: "земля"; MSL 3164: выбор кристалла (активный уровень - низкий) |
33 | ILED | Вход установки максимального тока через LED -линейки. Включают резистор между этим выводом и GND . Его номинал вычисляют по формуле ISTRING = 762/RLED ([мА, кОм]). Например, для тока 60 мА номинал резистора равен 12,7 кОм | |
34 | EN | Вход разрешения ИМС (активный уровень - высокий) Для автоматического включения ИМС подключают этот вывод к VDD | |
35 | VIN | Вход напряжения питания ИМС 5 В ±10% | |
36 | VDD | Выход внутреннего LDO -регулятора 2,5 В | |
37 | NC | Не используется | |
EP | EP | Подложка, подключают к "земле" | |
Рис. 7. Схема включения ИМС MSL3162 с RGB-линейками и тремя DC/DC-конверторами

Рис. 8. Функциональная схема включения ИМС MSL3163/64
Частота встроенного в ИМС ШИМ может синхронизироваться как от внешнего сигнала PHI, так и от внутреннего генератора, в автономном режиме подсветки. Как правило, сигнал кадровой частоты VSYNC от видеосистемы подается на вход PHI . Время подсветки каждой LED-линейки индивидуально программируется через управляющие регистры ИМС, обеспечивая максимальную разрешающую способность 12 бит. Фактическая разрешающая способность ШИМ определяется соотношением частоты на входе GSC (типичный входной сигнал строчной частоты HSYNC видеосистемы) и частоты на входе PHI. Синхроимпульсы на входе GSC также используются, чтобы точно установить время задержки фазы каждой LED-линейки так, чтобы она была синхронизирована относительно полей изображения.
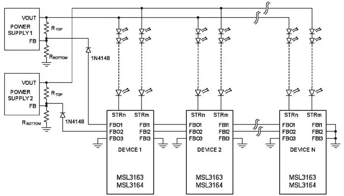
На рис. 9 приведена функциональная схема каскадного подклю-чения ИМС с двумя источниками питания LED-линеек. ИМС MSL3163/64 управляются через 96 регистров, доступных через последовательный интер-фейс по адресам 0x00-0x5F. Внутренняя энергонезависимая память ИМС EEPR0M доступна для записи и чтения по адресам 0x90-0x93.

Рис. 9. Функциональная схема каскадного подключения ИМС с двумя источниками питания LED-линеек
Более подробно с электрическими и частотными характеристиками рассмотренных ИМС, а также со схемами применения и расчетом элементов для этих схем можно ознакомиться в источниках [2-5].
Выводы
Таким образом, фирма ATMEL предлагает производителям для реализации задней подсветки ЖК панелей различные решения, начиная с простых, на основе 4-канальных драйверов MSL2041/42, и заканчивая 16-канальными драйверами MSL3163/64, MSL4163/64 с быстрым последовательным интерфейсом и энергонезависимой памятью EEPR0M, позволяющими реализовать все используемые в настоящее время конфигурации LED-подсветки, синхронизировать ШИМ димминг от видеосигнала в реальном масштабе времени и получить высокие характеристики изображения.
Литература и интернет-источники
1. Николай Елагин. LED-подсветка в современных ЖК и SD-телевизорах. Ремонт & Сервис №8, 2011.
2. Atmel LED Drivers-MSL2041/MSL2042. Low-cost, Simple 4-string LED Drivers with External Current Sink MOSFETs, 5000:1 Dimming Range and Per String PWM Input. Datasheet Brief, 2011.
3. Atmel LED Driver-MSL3162 16-string, RGB and White LED Drivers with Adaptive Power Control and 1MHz I2C/SMBus Serial Interface. Datasheet Brief, 2011.
4. Atmel LED Drivers MSL3163 and MSL3164 16-string White & RGB LED Drivers with Adaptive Power Control, E2PR0M, and SPI/I2C/SMBus Serial Interface. Datasheet Brief, 2011.
5. Atmel LED Drivers. MSL4163/MSL4164 16-string, White and RGB LED Drivers with Adaptive Power Control, EEPROM, and SPI/I2C/SMBus Serial Interface. Datasheet Brief, 2011.
6. www.atmel.com
Автор: Николай Елагин (г. Зеленоград)
Источник: Ремонт и сервис

