Типовые неисправности DVD-проигрывателей и методы их устранения
Проигрыватель не включается, индикатор на передней панели не светится
Вначале проверяют исправность блока питания и, в первую очередь, наличие на его выходе напряжения 5 В (если это напряжение отсутствует, проверяют исправность диода D510 и конденсаторов ТС505, ТС506, ТС510).
Если же блок питания полностью неработоспособен, проверяют его входные цепи и ШИМ преобразователь. Вначале контролируют наличие постоянного напряжения 310 В на конденсаторе ТС501, и, при его отсутствии проверяют исправность предохранителя F501 и диодов D501-D504. Если же напряжение есть, но оно занижено - заменяют конденсатор ТС501. Если неисправен предохранитель F501, перед его заменой проверяют на короткое замыкание диодный мост D501-D504, конденсатор ТС501 (на утечку) и контроллер U501. В случае, если напряжение на выв. 5-8 микросхемы U501 равно 310 В, но импульсов запуска нет (контролируется осциллографом на выводах D), проверяют элементы D506, ТС502, R505, U502. Если все вышеперечисленные элементы исправны, заменяют микросхему U501.
Проигрыватель не переключается в рабочий режим и не реагирует на кнопки управления
Проверяют напряжение 3,3 В и, если его нет - элементы D509, D513, ТС510 (рис). Если напряжения 3,3 и 9 В занижены, проверяют элементы цепи обратной связи U503, С5156 R508, R509 и U502. При отсутствии напряжения на выв. 3, 4 U501, заменяют контроллер, если же оно присутствует - заменяют оптрон U502. Следует учесть, что при неисправности стабилизатора U503, напряжение на выв. 1 и 2 оптрона будет одинаковым. Если напряжение на выв. 1 стабилизатора U503 равно 2,5 В, и девиация этого напряжения превышает 0,15 В, его заменяют. Осциллографом проверяют сигнал на выв. 5-8 U301. Если частота импульсов на этом выводе отличается от 100 кГц, микросхему заменяют.
Если блок питания исправен, проверяют напряжение питания 3,3 В на выв. 55 микросхемы U201 (рис), а также напряжение RESET (3,3 В) на выв. 188 этой же микросхемы. Если напряжение RESET равно нулю, проверяют схему его формирования и исправность формирователя U205, транзистора Q204 и диода VD201 (рис). Затем проверяют наличие тактового сигнала частотой 27 МГц на выв. 187 и 186 U201. При его отсутствии проверяют генератор на элементах U205 А/В, Х201 и контроллер DVD U201 (заменой). Перед заменой кварца пропаивают все элементы схемы кварцевого генератора, особенное внимание уделяют исправности конденсаторов С222 и С223 (их можно на время отпаять, и если при этом аппарат "запускается", то их заменяют).
Проверяют рабочий режим микросхемы памяти EEPROM U202, при этом напряжение на выв. 8, 5 и 6 должно быть 3,3 В, а на выв. 1, 2, 3, 4 и 7 - равно нулю. Если на выв. 7, подключенном к выв. 75 U201, есть напряжение 3,3 В, то можно временно отключить этот вывод от шины и подключить его к корпусу. Если при этом аппарат "запускается" - неисправен контроллер DVD. Если питание микросхемы ЭСППЗУ в норме, в момент включения проигрывателя обмен между ней и U201 (выв. 65 и 67) не происходит, то заменяют микросхему памяти. При замене нет необходимости иметь прошивку на эту микросхему. На место неисправной памяти устанавливают чистую, и при первом включении проигрывателя в сеть, микропроцессор в составе контроллера DVD сам ее "прошивает". Для полной уверенности на программаторе во все ячейки новой памяти записывают шестнадцатеричный код FF. Если все вышеприведенные меры не дают результата, заменяют контроллер U201.
Не открывается лоток
Проверяют напряжение 5 В на контакте 4 разъема XS203 платы ДСУ. Если оно занижено, то проверяют конденсаторы ТС505, ТС506 и диод D510 в БП (D510 - это диод Шотки (потому менять его нужно на аналогичный). При заниженных напряжениях 5 и 9 В проверяют (и при необходимости, заменяют) стабилизатор U503 (LM431, аналог - TL431), а также оптрон U502 (2501, можно заменить на LM817).

Рис. 2
Если все напряжения в норме, приступают к проверке привода DVD. Проверяют исправность планки переключения режима загрузки-выгрузки, чистоту и состояние зубьев шестерни. Также проверяют функционирование концевого переключателя (рис. 2), для чего выдвигают в ручную лоток, вращая шестерню выдвижения лотка, снимают его, отогнув фиксирующие защелки. В рабочем положении рычаг переключения должен находится между направляющими планки переключения. Проверяют наличие замыкания контактов 3 и 5 с 4 на разъеме XS302 (рис) в крайних положениях рычага переключателя.
Проверяют исправность двигателя загрузки. Для чего, при отключенном от схемы двигателе, подают на его выводы напряжение 5 В и контролируют вращение оси. Если ось не вращается (или вращается с трудом), можно попытаться восстановить исправность двигателя, путем очистки его от загрязнений. Для этого помещают корпус двигателя в спирт и подают напряжение на его клеммы - таким образом пытаются промыть его. После промывки двигатель сушат сжатым воздухом. Если таким образом восстановить двигатель не удалось, его заменяют. При этом можно заменить двигатель на аналогичный с любого неисправного привода CD или DVD. Желательно подобрать двигатель с тем же сопротивлением обмотки (около 30 Ом).
Если двигатель исправен, проверяют цепи его управления. Контролируют изменение напряжения по команде OPEN - при этом на выв. 14 U201 (рис) должен появиться высокий уровень (3 В), а при закрытии лотка - высокий уровень на выв. 53 U301 (рис). Если эти сигналы отсутствуют, заменяют соответствующую микросхему. Затем проверяют транзисторы V306, V307, V308, V309.
Диск загружается, но не читается
Контролируют работу привода и ОП при снятой крышке корпуса и пластмассовой планке держателя диска. Без установки диска в лоток нажимают кнопку OPEN/CLOUSE, при этом лоток должен встать в рабочее положение, ОП переместится в начало, засветится лазер, включится механизм фокусировки и трекинга и сделает несколько оборотов шпиндельный двигатель.
При этом могут быть следующие случаи:
Диск загружается и вращается, но лазер не светится
Определить исправность лазера DVD можно визуально, по яркому красному свечению (650 нм). Исправность лазера CD определить сложнее, так как его излучение (780 нм) в невидимой части спектра. Его свечение можно проверить, используя цифровую видео- или фотокамеру. В режиме съемки на LCD-дисплее будет видно свечение лазера CD. Если свечения лазера нет или оно слабое, проверяют чистоту и прозрачность линзы. Допускается легкий налет пыли на линзе. Для очистки линзы объектива не рекомендуется применять чистящий диск, так как его эффективность низка (пыль с линзы полностью не удаляется). Для очистки линзы рекомендуется применять средства для очистки стекол (например "Мистер Мускул") или мыльный раствор. Батистовой тряпочкой, смоченной в этом растворе, легко касаясь, протирают линзу круговыми движениями от центра к краю.
Если объектив чистый, но свечения лазера нет, проверяют напряжение 3,3 В БП. Если напряжение отличается от указанного, то необходим ремонт блока питания (см. пункт "Проигрыватель не переключается в рабочий режим"). Проверяют напряжение питания лазеров (3,3 В) на контактах 19 и 23 разъема XS301, а также узел его формирования на элементах V301, V302. Напряжение на коллекторах транзисторов должно быть равно 2,2 В (при включении лазера DVD), и 2 В (при включении лазера CD). Если на базах транзисторов V301, V302 отсутствуют напряжения включения LD01, LD02, проверяют их цепи от выв. 125 и 126 микросхемы U301. Если эти напряжения отсутствуют при загрузке диска, то проверяют и заменяют U301. При слабом свечении лазеров можно отрегулировать их ток переменными резисторами, установленными на плате ОП. Регулировку следует производить при выключенном проигрывателе тонкой отверткой Проверяют также качество распайки защитных перемычек (на новом ОП они запаяны и снимаются непосредственно при установке его в аппарат). Если перечисленные выше действия не привели к устранению дефекта, проверяют исправность самих лазерных диодов. Это можно сделать двумя способами, предварительно сняв с направляющих лазерную головку.
1-й способ.От внешнего регулируемого источника постоянного напряжения подают напряжение 2 В через гасящий резистор 100 Ом на выводы соответствующего лазерного диода. Если при напряжении 3 В диод не светится, скорее всего, он неисправен. Напряжение подают на правый контакт лазерного блока относительно центральной точки (слева находится вывод монитор-диода), при этом к центральному контакту подключают "+" источника, а к правому - "-".
2-й способ.От генератора прямоугольных импульсов подают на лазер сигнал "меандр" размахом не более 1,5 В и частотой 1 кГц. Категорически запрещается проверять исправность лазерных диодов аналоговыми тестерами, так как их измерительный ток на малых сопротивлениях может вывести диоды из строя. Неисправные лазерные диоды заменяют в сборе со схемами управления. Можно пробовать заменить сами диоды от неисправных компьютерных дисководов. При этом замена диода CD трудностей не вызывает. Заменить же диод DVD так просто не удастся - он установлен в плате управления.
Диск не читается и вращается с остановками
Проверяют напряжение 5 В на выходе БП. Если оно занижено, см. пункт "Лоток не открывается". При нормальном напряжении питания микросхемы силового привода (драйвера мотора), проверяют исправность самого шпиндельного двигателя так же, как и двигатель загрузки. При прерывистом вращении диска возможно наличие загрязнения на коллекторе (вплоть до появления ржавчины). Его можно очистить. Если на холостом ходу прослушивается посторонний шум из двигателя, его заменяют. Проверяют напряжение питания на контактах 5 и 6 разъема XS303, которое при максимальной скорости вращения двигателя должно достигать 2 В. Отсутствие вращения диска или его прерывистое вращение может быть связано с неисправностью лазерных диодов. В этом случае их проверяют (см. выше). Также проверяют гибкий плоский шлейф подключения оптического преобразователя к главной плате на наличие механических повреждений, а также перекосов при установке в разъем. Неисправность шпиндельного двигателя (отсутствие полного контакта щеток с коллектором) также можно определить по сильному нагреву драйвера U302.
Отсутствует движение объектива вверх-вниз
Скорее всего, не работает система фокусировки. Тестирование фокусирующей катушки происходит по команде FOSO (выв. 1 микросхемы U302), которая поступает от контроллера DVD (выв. 12 микросхемы U201). Если во время тестирования напряжение между выв. 14 и 13 U302 достигает 4 В, то U201 исправна. Если этого не происходит, проверяют наличие переменного сигнала FEO на выв. 18 микросхемы U301. При его отсутствии, во время свечения лазерного диода, проверяют сигнал RF на выв. 6 и 7 этой же микросхемы. Если сигнал RF появляется, а FEO нет, то заменяют микросхему U302.
Проверяют исправность фокусирующей катушки ее сопротивление должно быть около 20 Ом. Прикладывают к выводам фокусирующей катушки (два крайних правых контакта на плате ОП) напряжение 2,5...3 В, при этом объектив должен перемещаться. Если этого не происходит, пропаивают контакты подключения фокусирующей катушки. При неисправной фокусирующей катушке заменяют ОП. Если при исправной катушке и усилителе RF объектив по вертикали не перемещается, проверяют осциллографом напряжение на выв. 13 и 14 U302. Оно должно быть 4 В и изменится в пределах ±0,2 В при перемещении объектива. Если этого не происходит, заменяют U302.
Диск находится в аппарате и не выгружается

Рис. 3
Прежде всего, необходимо изъять диск из лотка. Для этого снимают верхнюю крышку проигрывателя, снимают верхнюю пластмассовую фиксирующую планку (отвинтив два винта) и снимают диск. Не устанавливая планку на место, проверяют действие механизма загрузки нажатием кнопки OPEN/CLOUSE. Если при этом лоток начинает движение, но останавливается, проверяют состояние ведущей шестерни и планки подъема/опускания ОП (см. рис. 3), для чего снимают лоток (отгибают пластмассовые застежек) и проверяют состояние зубцов. Заменив неисправные детали, устанавливают лоток на место, для этого проворачивают рукой шестерню механизма загрузки до тех пор, пока ОП не займет нижнее положение. Затем вставляют лоток в пазы привода и продвигают его рукой, слегка сгибая до соединения первого зубца шестереночной линейки лотка с ведущей шестеренкой загрузки. Рычаг концевого переключателя должен находится между крайними выступами планки подъема ОП.
Если при повторной загрузке диска он не выгружается, проверяют исправность концевого переключателя (см. рис. 2), поступление сигнала OPEN с выв. 14 U201 и, при его отсутствии, проверяют исправность кнопки управления лотком на передней панели. Если все перечисленные действия не дали результата, заменяют контроллер DVDU201.
При загрузке диска объектив совершает хаотические движения и может даже повредить диск
Если при тестировании фокусирующая система работает нормально, а при загрузке диска и его вращении повреждается диск, проверяют сигнал FOSO на выв. 1 U302 (при установившемся фокусе это пилообразный сигнал с переменной амплитудой не более 0,5 В). Если на сигнале наблюдаются хаотические всплески напряжения, проверяют цепь поступления сигнала от выв. 12 U201 (чаще всего бывает достаточно пропаять или заменить резистор R203). Если при нормальном напряжении FOSO периодический сбой фокуса имеет место, а на выв. 13 и 14 U302 наблюдаются паразитное НЧ напряжение, проверяют элементы R321, С331 и U302.
Диск загружается, но не читается, на экране телевизора появляется сообщение "Нет диска"
Если нет проблем с приводом DVD (о чем говорилось выше), проверяют наличие суммарного сигнала RFO на контакте 8 разъема XS301 или на каждой линии А, В, С, D (контакты 5, 6 и 9, 10 разъема XS301). Если лазерный диод светится, но сигнала нет или он слишком мал (размах сигнала должен достигать 1,5 В), регулируют уровень тока лазерного диода регулировочными резисторами, установленными на ОП. Если увеличить суммарный сигнал не удается, то неисправен фотоприемник. В этом случае заменяют ОП в сборе.
Если сигнал RFO в норме, а на выв. 6 и 7 U301 сигналов RFON и RFOP нет, то проблема связана с неисправностью высокочастотного усилителя. Прежде всего, проверяют наличие напряжения 3,3 В и сигнал URST на выв. 60. Если при отключенном разъеме XS203 питание 3,3 В появляется, проверяют стабилизатор 3,3 В и потребители, последовательно отключая нагрузку: шину AV33 (питание U201), шину DV33 (питание U301 ВЧ усилителя), неисправные элементы заменяют. Проверяют схему формирования сигнала URST - операционный усилитель U205 и конденсатор С214. Также проверяют напряжение на выв. 59 и 56 U301. Если оно значительно ниже 3,3 В, проверяют шину I2C до выв. 197 и 195 U201. Заниженный уровень напряжения указывает на неисправность одной из микросхем. Определяют, какая из них неисправна, разрывая шину I2C. Если при этом напряжение на выв. 197 и 195 U201 повысится до 3,3 В, - то неисправна U301. В противном случае-U201.
Не включается режим PLAY, при загрузке диска ОП перемещается не в начало диска, а в конец или вообще не перемещается
Проверяют исправность драйвера U302 (ВА5954) и уровень напряжения на его выв. 8, 9 и 21 (должно быть 5 В). Если напряжения занижены и микросхема сильно греется, ее меняют. Аналоги этой микросхемы - D5954, AD5954 или АМ5954.

Рис. 4
Проверяют исправность шестерен и направляющих штифтов, по которым движется ОП (рис. 4). Проверяют плавность перемещения ОП по направляющим. Если перемещение ОП идет рывками, протирают направляющие оси и смазывают их специальной силиконовой смазкой. Проверяют исправность двигателя следящей системы, измеряют тестером сопротивление его обмоток (должно быть около 20 Ом). Подключают двигатель к источнику постоянного напряжения 5 В, меняя полярность. При этом двигатель должен равномерно вращаться в обоих направлениях. В противном случае, его заменяют. Если двигатель неисправен, проверяют его схему управления (драйвер). При перемещении двигателя размах напряжения на выв. 17 и 18 U302 должен быть не менее 100 мВ (при напряжении питания 2,5 В). Если это напряжение занижено, микросхему заменяют. Если напряжение равно нулю, проверяют поступление сигнала FMSO на выв. 23 U302 от контроллера DVD (выв. 19). Отсутствие этого сигнала от контроллера может указывать как на неисправность самого контроллера (например, на его перегрев), так и на проблемы с фокусировкой.
При включении аппарата и загрузке диска, индикатор начинает мигать или отключается совсем, на экране телевизора появляются сообщения, не соответствующие выполняемым действиям
Если подобный дефект проявляется при отсутствии диска в лотке, проверяют исправность платы индикатора соединительного шлейфа с основной платой, качество пайки самого индикатора. Обнаружить неисправность такого рода можно простукиванием платы (из-за постоянного механического воздействия на плату часто имеют место нарушений пайки.
Непонятное поведение индикатора или отсутствие информации на экране телевизора может быть связано с неисправностью Flash-памяти U214. В первую очередь, проверяют ее питание 3,3 В (на выв. 13-15). Если оно отсутствует или низкое, а на резисторах R215, R222, R223 есть 3,3 В, то неисправна микросхема и ее меняют. После замены flash-памяти ее необходимо прошить (см. п. "Прошивка микросхемы Flash-памяти").
Не читаются DVD
В первую очередь проверяют исправность лазерного диода DVD (см. неисправность выше). Подавать сигнал от генератора надо не непосредственно на лазерный диод, а на конденсатор, установленный на входе платы управления током диода DVD. Если лазерный диод светится, но DVD не читаются, можно попробовать отрегулировать ток диода регулировочным резистором с индексом "D" (на самом деле этим резистором регулируется чувствительность монитор-диода). Регулировку безопаснее проводить при отключенном питании. Окончательный контроль за током лазерного диода осуществляется по размаху ВЧ сигнала, контролируемого на выв. 6 и 7 U301 (в режиме проигрывания DVD-дисков).
Если лазерный диод DVD при тестировании светится, но диски не читаются, проверяют наличие сигнала LD01 на базе транзистора V302, а также исправность самого транзистора. Если напряжения включения лазера нет (2,2 В), то заменяют микросхему U301.
Если уровень размаха напряжения на выв. 6 и 7 значительно ниже 2 В, и сигналы на выв. 97-100 также занижены, заменяют ОП.
Не читаются CD
Для тестирования этой неисправности, записывают диск в формате VCD. Проверяют работоспособность лазерного диода CD (см. выше). Работоспособность лазерного диода CD можно проверить с помощью цифрового тестера (в этом случае нельзя использовать аналоговый прибор). Резистор регулировки чувствительности монитор-диода CD установлен на плате и обозначен буквой "С". Если после попытки чтения CD-диска не появляется напряжение на базе транзистора V301, проверяют транзистор и микросхему U301.
Проигрыватель не реагирует на кнопки панели управления
Проверяют кнопки и наличие напряжения 3,3 В на выв. 61, 62, 63, 64 U201. Для проигрывателя без дисплея на передней панели этой проверки достаточно. Если напряжения занижены, проверяют и заменяют контроллер DVD (U201). Если в аппарате дисплей есть, отключают разъем XS07. При появлении напряжения 3,3 В, проверяют контроллер дисплея - микросхему РТС 16311. Если светодиод индикации питания светится, проверяют матрицу управления кнопками на выв. 10-13. На этих выводах должны присутствовать стробирующие импульсы. При их отсутствии и низком уровне напряжения заменяют контроллер РТ16311.
Отсутствует служебная информация на дисплее или экране телевизора, хотя проигрыватель реагирует на кнопки управления
Для проигрывателей без дисплея проверяют исправность контроллера DVD. Проверяют микросхему памяти EEPROM U202. Если напряжение на выв. 5 и 6 (при напряжении 3,3 В на выв. 8) занижены, то следует заменить микросхему или перезаписать ее.
Нет изображения и звука
Проверяют исправность контроллера DVD. Контролируют наличие сигналов на выв. 168 (ПЦТС, чересстрочная развертка), выв. 170 (сигнал яркости Y, прогрессивная развертка) и выв. 181 (SPDATA, цифровой звук). Если их нет, проверяют микросхемы динамической памяти U203, U204, а также наличие питания 3,3 В на выв. 1, 7, 13, 25, 38 и 44. Оценить исправность этих микросхем можно, измеряя напряжение на выв. 2-12 и 39-49 (шины обмена данными с контроллером DVD). При нормальном состоянии шин, на них устанавливается высокий уровень Так как одновременный выход из строя двух микросхем SDRAM маловероятен, то при подозрении на какую либо из них, ее просто исключают от схемы (по шине питания). Если работоспособность проигрывателя восстанавливается, отключенную микросхему заменяют.
Отсутствие изображения и звука может быть связано с неисправностью flash-памяти. О ее замене, установке и прошивке см. п. "Прошивка flash-памяти".
Нет сигнала изображения на разъеме VIDEO OUT (размещен на задней панели проигрывателя), звук есть
Вероятно, при последнем воспроизведении была включена прогрессивная развертка (сигнал с обозначением YPbPr в меню). Это можно проверить, проконтролировав наличие сигнала яркости на разъеме задней панели "Y" с помощью осциллографа. Если сигнал яркости есть, значит прогрессивная развертка включена. Для того, чтобы выйти из режима прогрессивной развертки, поступают следующим образом. Подключают к видеовходу телевизора AV VIDEO IN выход сигнала Y. Если появится искаженное изображение заставки, входят в меню и в установках выбора видеовыхода выбирают "композитный" сигнал (логотип CVC или ПЦТС). Не все телевизоры (за исключением ЖК телевизоров и мониторов) позволяют воспроизвести компонентный сигнал YPbPr, так как в современных телевизорах при сбое фазы строчных импульсов выходы сигналов RGB закрываются. Поэтому по второму способу подключают к разъему S-VIDEO кабель с коаксиальным выходом Y и С, контакт Y подключают к видеовходу телевизора и в появившимся изображении входят в меню. Если предыдущие попытки не завершаются успешно, перепрошивают EEPROM U202.
Проигрыватель включается, но индикация на экране телевизора появляется не сразу
Проверяют наличие напряжения 3,3 В на выв. 8, 5 и 6 U202. Если оно ниже этой величины, отключают разъем питания от платы ДСУ и, если напряжение восстановилось до нормального уровня, проверяют шину питания 3,3 В на этой плате (чаще всего "просадка" напряжения бывает вызвана неисправностью). Если напряжение остается низким, проверяют и ремонтируют блок питания.
Причиной подобного дефекта может стать также неисправность привода DVD или его управления. Определить дефектный элемент можно, коснувшись рукой драйвера U302. Если микросхема сильно греется, проверяют ее, а также двигатели привода (особенно шпиндельный). Подключают к выв. 11 и 12 U302 исправный двигатель (можно использовать двигатель загрузки) или лампу накаливания мощностью 6 Вт. Если при этом усилитель не греется, и двигатель нормально раскручивается, заменяют шпиндельный двигатель. В противном случае заменяют U302.
Нет звука, изображение в норме
Проверяют наличие звуковых сигналов на выходных разъемах RCA (L или R). При их отсутствии, проверяют транзисторы Q205, Q206 и усилитель U219. Проверку можно выполнить следующим образом: при подключенном телевизоре коснуться выв. 2, 6 U219. Если фон переменного тока в динамических головках будет отсутствовать, проверяют ключи на транзисторах Q205, Q206 (в первую очередь контролируют напряжение -0,5 В на их базах). Если же оно выше нуля, проверяют схему формирования напряжения MUTE1 на элементах Q218, Q219, VD205, а также контакты подключения внешнего микрофона (должны быть замкнуты).
Проверяют питание стереопроцессора U207 (5 В на выв. 14), а также наличие напряжения 3 В на выв. 1 U207. Последнее напряжение поступает от операционного усилителя U205 после включения проигрывателя. Если напряжение равно нулю, проверяют контроллер DVD (выв. 158). Низкое напряжение на выв. 158 U201 может быть связано, как с неисправностью самого контроллера, так и с дефектом прошивки Flash-памяти. Проверяют поступление аудио данных (импульсно-модулированный сигнал) от контроллера DVD по шине SDATA. Если их нет, то неисправность связана (как и в предыдущем случае) с контроллером и flash-памятью. Тот же вывод делают при отсутствии сигналов синхронизации SCLK, MCLK. Если входные сигналы в норме, заменяют U207.
Искажение звука
Вначале необходимо выяснить, что неисправность не связана с каналом звука телевизора. Затем проверяют на утечку транзисторы Q205, Q206, напряжение MUTE1, а также конденсаторы С2111 и С2114. Контролируют напряжения ±9 В и, при отсутствии одного из них, проверяют блок питания.
Не работает микрофон
Проверяют сам микрофон, подключая его к заведомо исправному устройству. Проверяют напряжение на выв. 4 и 8 U601 (должно быть -9 и +9 В соответственно). Если напряжение -9 В сильно выше нормы, заменяют стабилитрон ZD502. Если при установке нового стабилитрона напряжение значительно уменьшится, но не достигнет-9 В, заменяют микросхему U601.
Если сигнал от микрофона поступают на выв. 16 U603, а на выходе (выв. 15) его нет, проверяют напряжение на выв. 2, которое должно быть 2,5 В. Если оно сильно занижено или равно нулю заменяют эту микросхему. Также проверяют конденсаторы С614, С622 и С623.
Прошивка микросхемы Flash-памяти
Существует несколько способов первоначальной записи (прошивки) или перезаписи микросхемы Flash-памяти. На сайте технической поддержки фирмы ВВК для каждой модели проигрывателя выложен файл прошивки Flash-памяти. Для того чтобы записать новую микросхему, необходимо вначале записать файл прошивки на чистый CD с помощью программы NERO в режиме создания диска данных. Затем вставляют диск с прошивкой в проигрыватель и загружают его. Нажимают кнопку PLAY и загружают программу обновления, на экране должно появится на сообщение "Файл копируется". После этого лоток выдвигается автоматически, при этом диск с обновлением уже больше не нужен. Далее автоматически выполняется обновление ПО. В процессе прошивки нельзя нажимать какие либо кнопки на панели или на ПДУ до момента, когда лоток на проигрывателе не закроется. После этого можно считать, что Flash-память прошита корректно.

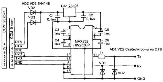
Рис. 5
Для второго способа нужен программатор. При этом можно воспользоваться программатором фирмы MEDIATEK на основе микросхемы МАХ232 (рис. 5). На главной плате проигрывателя установлен 4-х контактный сервисный разъем XS202 (сигналы DV33, TXD, RXD, GND), к нему и подключается программатор. Плату можно изготовить и самостоятельно (ее схема мало отличается от DATA-кабелей сотовых телефонов). Программу для работы с этим программатором mtktoolv3152_415.exe можно скачать на сайте производителя. Использование такого способа возможно только при наличии файла прошивки с расширением .bin или .her. Для стабильной работы данной схемы необходимо использовать внешний источник питания. Напряжение питания можно повысить с 3,3 до 5 В, при этом скорость прошивки заметно возрастет.
Если есть необходимость изменения зонирования DVD, поступают следующим способом. При включенном проигрывателе, входят в меню "SETUP", на пульте управления последовательно нажимают цифровые кнопки "1-3-5-7" (это вход в сервисный режим проигрывателя), затем входят в меню программирования EEPROM 24С02. В дополнительном окне меню выбирают пункт "Version" и в 5-й строке находят номер, используемой зоны данным проигрывателем. Проигрыватель этого типа является мультизонным, если в этом пункте стоит зона "О".
Установка новой микросхемы памяти EEPROM
Новая микросхема должна быть "чистой" или в ячейках памяти должен быть записан 16-рич-ный код FF. После установки микросхемы памяти контроллер DVD сам "прописывает" ее содержимое при первом включении. Если прошить микросхему EEPROM таким образом не удается, необходимо воспользоваться прошивкой, считав данные программатором с исправного аппарата. Так как в данных аппаратах используется микросхема в корпусе SMD, то прошивать ее удобнее, не выпаивая из платы. При этом шины SDA и SCL и общий провод программатора подключаются к соответствующим выводам микросхемы (выв. 5, 6 и 7), а опорное напряжение питания процессора (которое подключается к выв. 8) подключают к выв. 10 контроллера DVD MT1379. Включают программатор после появления логотипа DVD.
Источник: Журнал Ремонт и сервис
