Бесконтактные двигатели постоянного тока (БДПТ) широко применяются в самых различных устройствах, а в видеомагнитофонах и видеокамерах их наличие обязательно. Однако техническая информация, касающаяся особенностей конструкций, характеристик и ремонта БДПТ, довольно труднодоступна.
Кроме того, большинство производителей видеотехники встраивают в конструкции БДПТ электронные блоки, надежность которых зачастую ниже, чем у самих двигателей, а в сервисных руководствах, как правило, отсутствуют электрические схемы электронных частей двигателей.
Электрорадиоэлементы для схем управления двигателей обычно выполнены в корпусах для поверхностного монтажа и не имеют маркировки, в результате чего действительно трудно составить инструкцию по ремонту. Поэтому неисправности электропривода сервисные руководства рекомендуют устранять заменой целиком блоков двигателей.
В наших условиях позволить такую роскошь, как замена двигателей, могут специалисты авторизованных сервисных центров в пределах ограниченной номенклатуры типов. Причем проблем обычно не возникает с гарантийной аппаратурой, оплатить же ремонт послегарантийной техники в состоянии не все клиенты. Действительно, стоимость двигателей для некоторых моделей видеомагнитофонов и видеоплееров могут составлять 30...50% стоимости самих аппаратов. И это относится только к относительно доступным типам двигателей, однако в широкой номенклатуре БДПТ имеется множество позиций, приобрести которые проблематично.
Поэтому все же целесообразней заменять при ремонте только вышедшие из строя элементы. Однако здесь возникают две основные проблемы: обеспечение правильной диагностики неисправностей и поиск деталей для замены отказавших. Поскольку в большинстве случаев мастера не располагают схемами и картами режимов двигателей, следует по возможности самостоятельно измерить рабочие режимы и снять осциллограммы на исправном экземпляре нужной модели.
Учитывая, что в распоряжении ремонтника может не оказаться точно такого же видеомагнитофона или видеокамеры, представляется полезным иметь таблицы аналогов по применяемости микросхем управления БДРТ. В таблице приведены такие данные по микросхемам для двигателей БВГ из рабочих записей автора по моделям аппаратуры 1985-2003 г.г. выпуска.
Таблица 1
| Тип микросхемы (изготовитель) | Применяемость — видеомагнитофоны, [видеоплееры], [видеокамеры] |
| AN3811NK (MATSUSHITA) | Panasonic NV-HD640/SD570/HD670 [Panasonic NV-SR80/90/FJ8] |
| AN3814K (MATSUSHITA) | Panasonic NV-J30/35/45/L2O/27/SD10/11/20/25/300/350/ 400/450/600/650/HS800/1000/FS88/200 [Panasonic NV-SR30/50/55/60/70] |
| AN3890FBS (MATSUSHITA) | {Panasonic NV-M54/MS5} |
| AN3893NFHP (MATSUSHITA) | (Panasonic NV-M3000/3500/9000/9500} |
| AN6387 (MATSUSHITA) | Panasonic NV-G7/G12 |
| AN6671K (MATSUSHITA) | Toshiba V-67G |
| BA6415FS(RHOM) | Akai VS^205, 405/411/415/417/418/511; Daewoo DVR-4286; Sony SLV-510/810/821/870; [Fujeta DVR-1181; Daewoo DVR-1181] |
| BA6445 (RHOM) | [Hitachi VM-C1E] |
| BA6450 (RHOM) | {Orion VMC-103} |
| BA6459P (FS) (RHOM) аналог XRA6459FS | Hitachi VT-M161/727/747/F88/90 [Hitachi VT-P75] |
| BA6825FS(RHOM) | [Sony SLV-XA130] |
| BA6827FS (RHOM) | [Gold Star-P23W/P-R510, Sura SV95R] |
| BA6975FS (RHOM) | [LG BH759/762] |
| CXA8006M (SONY) | Fisher FVC-P730 |
| HA13403 (HITACHI) | (Hitachi VT-P60), Sharp VC-36S, Hitachi VT-100 |
| JCM5O39 | JVCHR-D427/627/727/S388/S6900/S7000/DD868/S9600; Orion N688, Philips VR-750/755; [JVC HR-P39] |
| KA3084D (SAMSUNG) | [Samsung SVR-131/537/547], Samsung SVR-630/631 |
| KA8304 (SAMSUNG) | Condor VCR-8120 |
| KA8310 (SAMSUNG) | Samsung SV-300W/VQ-306, Funai VIP-5000LR [Samsung VK-30R] |
| KA8328D (SAMSUNG) | [Samsung SVR-11G] |
| M51712FP (MITSUBISHI) | Akai VS22/23/26 |
| M51721SL (ATL) (MITSUBISHI) | Gold Star GHV-1295, Philips VR-6349; Sharp VC-311N/A103; [Sharp VC-6V3] |
| M5458L (MITSUBISHI) | Akai VS-240EO |
| M56732AL (MITSUBISHI) | Mitsubishi HS-M-55/58; Akai VS-X400, Sharp VC-MA48; Sony SLV-311/711 [Orion N500 800; Mitsubishi M521, M30] |
| M56741L (MITSUBISHI) | [Sharp VC-M11] |
| M56747FP (MITSUBISHI) | Sharp VC-MA441 |
| M63101FP (MITSUBISHI) | [LG BH759/762] |
| MCD001AM | Daewoo DVR-7577/4561 |
| TA7736 (TOSHIBA) | Casio VX-4000, Aiwa HV-6900 |
| TA8423 (TOSHIBA) | Toshiba V-109/110 |
| TA8424 (TOSHIBA) | Sony SLV-X55 |
| TA8402 (TOSHIBA) | {National NV-M7} |
| TB6518F (TOSHIBA) | {Panasonic NV-VX10/11/21/22} |
| TM2602D | Sansui S-V97, Aiwa DK910 |
| TPIC1327DF(TI) | {Samsung VP-U12/15) |
| UN224 (MITSUBISHI) | {Panasonic NV-VX-10/11/21/22/M3000/3300/3500/9000/ 9500/AG455/DP200} |
| VC5032 (JVC) | JVC HR-520/521/1520/S6800 |
Рассмотрение особенностей конструкций, работы и ремонта ДБПТ начнем с привода БВГ. Сразу необходимо отметить, что двигатель БВГ с датчиками положения ротора (ДПР) в виде катушек на статоре в современных видеомагнитофонах практически не применяют. В то же время БВГ такого типа довольно широко используются в видеокамерах, что позволяет минимизировать их геометрические размеры. Для изучения устройства и функционирования таких двигателей можно воспользоваться информацией в [1], где хорошо описана работа двигателей БВГ в видеомагнитофоне Panasonic AG6200, а также электропривода на микросхеме AN6677 (КР1005ХАЗ).
В большинстве выпускаемых в настоящее время БДПТ применяют датчики положения ротора в виде индикаторных преобразователей Холла (ИПХ). Ведущее положение по их выпуску занимают японские фирмы ASAHI KASEI KOGYO К.К., JVC, DENKY ONKYO K.K., NIPPON BIKUTA и другие.
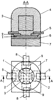
Устройство индикаторного преобразователя Холла фирмы ASAHI KASEI KOGYO К.К. показано на рис. 1. При пропускании через токовые электроды постоянного тока и приложении внешнего магнитного поля, направленного перпендикулярно плоскости пластины, на выходных (холловских) электродах возникает разность потенциалов, используемая в системах электропривода БДПТ для индикации положения ротора.

Рис. 1
Устройство индикаторного преобразователя Холла фирмы ASAHI KASEI KOGYO К.К.
Рассмотрим теперь функционирование коммутирующих устройств (КУ) бесконтактных двигателей постоянного тока. КУ формируют импульсы тока, поступающие в соответствующие секции обмоток статора для создания вращающего момента, что и приводит в движение магнит ротора и связанные с ним узлы. Среди множества конструкций БДПТ в видеомагнитофонах и видеокамерах получили распространение три: с осевым рабочим зазором, с радиальным рабочим зазором и гибридные конструкции. Для привода БВГ видеомагнитофонов используются двигатели с радиальным и осевым зазором, в видеокамерах преимущественно с осевым зазором. БЛПТ обеих типов используются и для привода ведущего вала, а также под-катушников в ряде профессиональных видеомагнитофонов.
В конструкциях с радиальным зазором магнит ротора представляет собой кольцо с радиальной намагниченностью. Сам магнит обычно установлен на ярме чашкообразной формы, закрепленном на торце ротора двигателя. Следует иметь в виду, что после операций сборки/разборки двигателей БВГ необходима регулировка точки переключения видеоголовок в фазовом канале системы авторегулирования.
КУ для управления БДПТ видеомагнитофонов обычно выполнены на специализированных микросхемах. Оконечные каскады, непосредственно связанные с обмотками статоров, иногда выполняют на дискретных транзисторах или транзисторных сборках. Из довольно распространенных, это, например, микросборка UN224 фирмы MATSUSHITA, применяемая для КУ двигателей привода БВГ ряда моделей видеокамер PANASONIC.
Конструктивно КУ БДПТ размещается непосредственно на самом двигателе или отдельно, на платах систем управления и авторегулирования. Следует отметить, что с точки зрения удобства диагностики и ремонта второй вариант более предпочтителен, так как в этом случае все элементы имеют маркировку, легко доступны и могут быть без проблем демонтированы. Недостатком совмещенных конструкций с «сервисной» точки зрения является труднодоступность и высокая цена многих типов двигателей. К примеру, по одному из прайс-листов (2003 г.), цена двигателей ведущего вала на микросхеме КМ3509 F составляет около 50 долл. при цене самой микросхемы 7 долл.
Приверженцем разнесенных конструкций долгое время была фирма MATSUSHITA, однако в аппаратах конца 90-х годов и современных с Z-ме-ханизмом она от них отказалась. Разнесенные конструкции использовались и используются во многих моделях видеокамер, так как позволяют реализовать минимальные геометрические размеры двигателей.
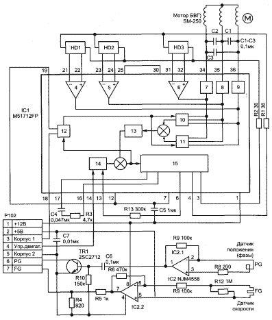
Рассмотрим устройство и работу системы управления двигателями привода БВГ на некоторых примерах. На рис. 2 показана принципиальная схема узла привода двигателей SM-250 фирмы AKAI, коммутационное устройство в нем выполнено на микросхеме M51712FP фирмы MITSUBISHI.
Усилители сигналов датчиков скорости и положения ротора двигателя выполнены на сдвоенном операционном усилителе NJM4558 фирмы JRC. В КУ датчики положения ротора HD1-HD3 по токовым электродам включены параллельно, ток через них задан узлом дифференциального управления (15) и зависит от управляющего напряжения DM CONT (Drum Control), подаваемого с системы авторегулирования БВГ через выв. 14 микросхемы IC1 на узел преобразования управляющего сигнала (14). Напряжение Холла от ИПХ, подключенных к дифференциальным усилителям (4-6), ток импульсов (и, следовательно, скорость вращения) от усилителей мощности (7-9), питающих обмотки двигателя, зависят от управляющего напряжения. Для обеспечения равномерного вращения ротора двигателя служат сумматоры положительных и отрицательных импульсов (10,11), блок установки образцового напряжения (12) и сумматоры (13). Для проверки работоспособности коммутационного устройства на его управляющий вход (конт. 4 разъема Р102) необходимо подать внешнее постоянное напряжение. При его изменении от +2 до +5 В скорость вращения БВГ должна меняться от 200 до 2000 об/мин, что соответствует частоте сигнала PG 25 Гц.
Во всех видеомагнитофонах и видеокамерах БДПТ входят в состав систем автоматического регулирования. Задачами этих систем являются поддержание с высокой точностью постаянства скорости вращения двигателей и формирование сигналов переключения видеоголовок в строго определенных (относительно неподвижного основания) положениях ротора (а, следовательно, и верхнего цилиндра БВГ). Для выполнения этих задач системам авторегулирования требуются сигналы обратных связей по частоте (FG-Frequency Generator) и положению (PG-Pulse Generator). Частота сигналов FG жестко связана со скоростью вращения БВГ и частотой кадров и лежит обычно в пределах нескольких сотен герц. Датчики сигналов FG могут быть выполнены в виде печатных катушек индуктивности на плате двигателя в виде пары из специального кольцевого многополюсного магнита и считывающей головки. И, наконец, сигналы FG могут быть сформированы обмотками статора (при вращении магнита ротора в обмотках возникает ЭДС самоиндукции). Датчики положения PG могут быть также выполнены в виде одного-двух витков печатной катушки индуктивности на плате, в виде пары из постоянного магнита и считывающей головки или получены от одного из датчиков Холла коммутационного устройства двигателя.
Уровни сигналов датчиков FG, PG не превышают единиц или десятков милливольт, поэтому для обеспечения работы САР применяются усилители и формирователи импульсов. Конструктивно они могут размещаться на платах систем управления и авторегулирования, на платах самих двигателей в виде отдельных микросхем (IC2 на рис. 2) или в составе микросхем КУ электропривода двигателей. В последнее время в состав коммутационных устройств некоторые фирмы стали включать и некоторые другие узлы, например, в микросхеме привода ведущего вала AN3844SB фирмы MATSUSHITA реализовано устройство управления коллекторным двигателем заправки кассеты и ленты. Эта микросхема применяется во многих моделях видеомагнитофонов и видеоплееров Panasonic с Z-механизмом.

Рис. 2
Усилители и формирователи импульсов
На рис. 3 показана схема коммутационного устройства двигателя привода БВГ SDV-0302A фирмы SONY на базе микросхемы ВА6415 FS (AFS) фирмы RHOM со встроенными усилителями-формирователями сигналов датчиков скорости и положения ротора FG, PG. Отличительной особенностью двигателя является использование только двух секций статора и двух индикаторных преобразователей Холла. Скорость вращения двигателя задается напряжением на выв. 18 микросхемы в цепи DM CONT, при номинальной скорости вращения 1500 об/мин оно составляет около 2,4 В. Сигнал DM CONT является продуктом интегрирования выходного сигнала цифровой САР БВГ, в видеомагнитофонах Akai - VS405, 411, 415, 417, 418, 511 - она входит в состав центрального микропроцессора IC401 (рис. 3). Выходной сигнал CAP DM PWM на выв. 128 IC401 представляет собой ШИМ сигнал размахом 5 В, его постоянная составляющая выделяется внешним RC-фильтром нижних частот (R402 R404 С402 С404), с его выхода через неинвертирующий ОУ с единичным коэффициентом передачи (1/2 IC402) подается в цепь DM CONT (выв. 18 ВА6415). Напряжение питания +12 В на выв. 20 микросхемы в рабочем режиме поступает от источника питания +15 В через диоды D412, D413, D416, D417. В режимах ускоренного просмотра и перемоток питающее напряжение увеличивается до 14,5 В путем замыкания диодов D412, D413, D416 ключом на транзисторе TR 413 (в этих режимах увеличивается нагрузка на двигатель со стороны магнитной ленты). Усилители сигналов датчиков скорости FG и положения ротора PG представляют собой дифференциальные ОУ в составе микросхемы КУ ВА6415, их выходы выведены на выв. 10,15. Окончательно сформированные сигналы FG и DM PG с выв. 8,16 поступают на выв. 97, 98 IC401. Размах сигналов DM FG и импульсов PG составляет около 2 В.

Рис. 3
Схема коммутационного устройства двигателя привода БВГ SDV-0302A фирмы SONY
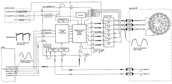
Электропривод двигателей БВГ в ряде моделей видеокамер выполнен в виде двух частей: маломощной, на базе микросхем средней степени интеграции и выходных каскадов, нагруженных на обмотки статора, выполненных на микросборках. На рис. 4 показан фрагмент электрической схемы модуля сервопривода полноразмерных видеокамер «Panasonic NV-М3500». Микросборка UN224 (IC2102) применяется для привода двигателей БВГ большого числа моделей видеокамер PANASONIC и фирм, использующих начинку от MATSUSHITA. В некоторых моделях видеокамер она применяется и для электропривода двигателей ведущего вала («Panasonic NX-VX10/11/21/22» и других), аналог микросборки — MDC05. Статор двигателей электропривода видеокамер «Panasonic NV-M3000/3500/9000» выполнен в виде двенадцати печатных катушек индуктивности на плате диаметром 38 мм. Каждая секция М1, М2, МЗ (рис. 4) состоит из четырех печатных катушек по 15 витков. Катушки в секциях соединены последовательно, а секции «звездой». На плате статора расположены датчик скорости и положения ротора, также выполненные в виде печатных проводников. Толщина многополюсного кольцевого магнита ротора - 2 мм, двигателя в сборе -всего 3 мм. Зазор между статором и ротором составляет десятые доли мм, поэтому даже песчинка, попавшая в зазор, может вызвать заклинивание двигателя. Такой случай, например, произошел с видеокамерой «Panasonic AG-455»: двигатель не запускался, а вручную проворачивался с заеданиями. Причиной дефекта стала частичка феррита, отколовшаяся от статора вращающегося трансформатора БВГ и попавшая в зазор между статором и ротором двигателя. В таких ситуациях необходимо сразу разобрать БВГ, не проворачивая его вручную, так как при этом можно повредить очень тонкие проводники (порядка 0,1 мм) печатных катушек, а стоимость таких БВГ в авторизованном сервисе составляет около 250...300 долл.

Рис. 4
Фрагмент электрической схемы модуля сервопривода полноразмерных видеокамер Panasonic NV-М3500
Необходимо отметить, что на практике самопроизвольные отказы микросхем КУ электропривода БВГ встречаются довольно редко, что можно объяснить облегченным режимом работы элементов, так как для вращения БВГ требуется небольшая мощность. Поэтому микросхемы КУ, как правило, не требуют теплоотводов. Неисправности в системах электропривода обычно носят нетипичный характер, могут возникать вследствии нештатных и аварийных ситуаций. Например, при подаче внешнего питания обратной полярности на видеокамеру (такие ситуации в практике ремонта встречаются) и при попадании жидкости внутрь аппаратов, падениях и т.п.
Один из необычных случаев из практики автора связан с влиянием работы коммутационного устройства двигателя БВГ на другие узлы видеомагнитофона «Daewoo DVR-4561D». Дефект проявлялся следующим образом: на изображении наблюдались четко выраженные шумовые полосы. Обычно это свидетельствует о неправильной юстировке направляющих стоек, видеоголовок и некоторых других элементов лентопротяжного механизма, т.е. об отклонении траектории движения видеоголовок от сиг-налограммы.
Попытки отъюстировать ЛПМ и замена верхнего цилиндра БВГ положительного эффекта не дали. При проведении более тщательного анализа выяснилось, что шумовые всплески на огибающей ЧМ сигнала яркости синхронизированы с сигналом переключения видеоголовок и в каждом поле наблюдались три таких всплеска с одинаковыми временными интервалами между ними. Их источником был двигатель БВГ. Шумо-подобные помехи появлялись синхронно с фронтами импульсов на обмотках статора. В видеомагнитофоне применен двигатель SDV-0201А и микросхема электропривода MCD001AM фирмы SONY. Оказалось, что конструкция БВГ не обеспечивает надежного электрического контакта верхнего цилиндра с корпусом. Эффективность заземляющего токосъемника оказалась недостаточной. Дефект был полностью устранен после заземления корпусного контакта разъема КУ непосредственно под винт крепления БВГ и установкой фильтрующего конденсатора 47 мк х 16 В в цепи питания на этом же разъеме.
Источник
- Журнал "Ремонт & Сервис"
Автор: Петропавловский Юрий
