Бытовые плечевые камкордеры Panasonic NV-MD9000EN и Panasonic NV-MD10000GC/GK (рис. 2) выполнены в профессиональном стиле. Внешний вид аппаратов показан на рис. 1 и 2 соответственно. Обе модели получили широкое распространение, особенно среди профессиональных операторов на региональных и местных телекомпаниях благодаря тому, что цены на них значительно ниже, чем на профессиональные камкордеры соответствующего класса (разница в цене - 2-3 раза и более). Значительное число таких камкордеров, приобретенных пользователями в 2002-2006 гг, до сих пор находится в эксплуатации, многие из них нуждаются в ремонте и техническом обслуживании. Коротко рассмотрим основные функциональные возможности и параметры рассматриваемых видеокамер.

Рис. 1. Внешний вид камкордера Panasonic NV-MD9000EN

Рис. 2. Внешний вид камкордера Panasonic NV-MD10000GC/GK
Функциональные возможности Panasonic NV-MD9000EN:
- формат miniDV, время записи на кассету DVM80 - 80 мин. (SP) и 120 мин. (LP);
- лентопротяжный механизм (ЛПМ) типа N-Mechanism;
- одноматричный ПЗС-датчик изображения, диагональ 1/4 дюйма, общее число пикселов - 800000;
- светосильный объектив с переменной скоростью трансфокации 15:1 (F1,8), фокусные расстояния 3,1...46,5 мм, диаметр резьбы для оптических фильтров 43 мм;
- режим фотосъемки с прогрессивным сканированием;
- цифровой стабилизатор изображения;
- высококачественная ИКМ запись стереозвука (до 48 кГц/16 разрядов);
- ручные режимы: уровень записи звука с микрофона; фокусировка; диафрагма (F2.0-F16); скорость электронного затвора (1/50-1/8000 с); баланс белого;
- звуковой трансфокатор, он работает синхронно с видеотрансфокатором;
- интерфейсы: IEEE1394 (DV) вход/выход, RCA видео/звук (вход/выход), S-Video вход/выход (наличие входов позволяет записывать внешние аналоговые сигналы на кассеты miniDV);
- цветной ЖК монитор с диагональю 2,5 дюйма;
- цветной видоискатель (0,44 дюйма);
- литий-ионные аккумуляторы CGR-D08S, CGP-D14S, CGR-D16S, CGP-D28S, CGR-D53S напряжением 7,2 В;
- сетевой адаптер VW-AD9E/B (VSK0581A) - напряжение 7,9 В;
- потребляемая мощность 3,8 Вт с включенным ЖК монитором, 3 Вт - с выключенным.
Функциональные возможности "Panasonic NV-MD10000GC/GK" (только отличия):
- ЛПМ - A-Mechanism;
- трехматричный ПЗС-датчик изображения, диагональ 1/6 дюйма, общее число пикселов - 540000 у каждого датчика;
- светосильный объектив с автоматической диафрагмой 10:1 (F1,8), фокусные расстояния 2,4...24,5 мм;
- минимальная освещенность 1 лк (ночная съемка), стандартная освещенность 1400 лк;
- интерфейсы: RCA видео/звук (только выход), S-Video выход, DV вход/выход;
- сетевой адаптер VSK0644;
- потребляемая мощность 3,3 Вт с ЖК дисплеем, 3 Вт - с видоискателем.
Укрупненная структурная схема видеокамеры Panasonic NV-MD9000EN приведена на рис. 3 (см. архив), в состав схемы аппарата включены следующие платы и узлы (некоторые их них на схеме не показаны):
- главная плата (MAIN C.B.A., Part No VEP03F85F), на рис. 4 показан внешний вид главной платы сверху (а) и снизу (б). На нижней стороне платы среди прочих установлены микросхема 6-канального DC/DC-конвертора BA9734AKV фирмы ROHM и драйвер двигателей LB11956 фирмы SANYO;

Рис. 4. Внешний вид платы MAIN C.B.A., а - вид сверху, б - вид снизу
- материнская плата (MOTHER C.B.A., Part No VEP06F10A), ее внешний вид показан на рис. 5, на плате выполнена схема управления видеокамерой, базирующаяся на БИС фирмы SAMSUNG в корпусе BGA;

Рис. 5. Внешний вид платы MOTHER C.B.A
- плата датчика изображения (CCD C.B.A., Part No VEP22335A), на плате установлена микросхема ПЗС-датчика, при необходимости ее замены следует заказывать узел датчика изображения в сборе с платой (Part No VEK9865 CCD U);
- плата интерфейсов (AV JACK C.B.A. Part No VEP04824A);
- плата микрофонного интерфейса (MIC JACK C.B.A., Part No VEP04823A);
- правая боковая плата (SIDE (R) C.B.A., Part No VEP06F11A);
- плата монитора (MONITOR C.B.A., Part No VEP26254D);
- платы видоискателя (EVF C.B.A./EVF INT C.B.A., Part No VEP28284A/VEP28298A);
- плата DV-интерфейса (DV TERMINAL C.B.A., Part No VEP03G26A);
- N-механизм (Part No VXY1629 MECHA U. Внешний вид механизма, установленного на материнскую плату, показан на рис. 6, главная плата находится под механизмом. Особенности разборки/сборки и регулировки механизма требуют отдельного рассмотрения;

Рис. 6. Внешний вид N-механизма, установленного на материнскую плату
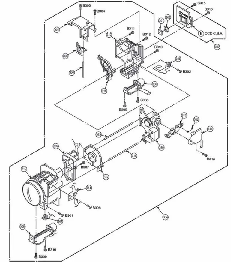
- блок объектива (Part No VXW0570 LENS U), сборочный чертеж блока объектива приведен на рис. 7 (позиция 304), на позиции 302 установлен узел датчика изображения;

Рис. 7. Сборочный чертеж блока объектива
- блок микрофонов (MIC UNIT); ЖК монитор (MONITOR LCD PANEL), узел ЖК видоискателя (EVF LCD PANEL).
Основные функциональные блоки видеокамеры размещены на главной плате, к ним относятся (см. рис. 3): блок камерного канала (CAMERA), блок управления двигателями объектива (LENS DRIVE), блоки обработки видеосигналов (VIDEO 1, VIDEO 2), предварительный усилитель записи/воспроизведения (HEAD/REC AMP), блок управления (CONTROL), блок управления двигателями механизма (DRIVE), импульсный преобразователь напряжения (POWER).
В состав блока камерного канала и блока управления двигателями объектива входят следующие узлы:
- формирователь импульсов дискретизации сигналов ПЗС-датчика изображения (CDS);
- усилитель сигналов ПЗС-датчика изображения с АРУ (AGC);
- АЦП сигналов ПЗС-датчика изображения (AD);
- генератор управляющих импульсов (CG), тактовый генератор (OSC) и формирователь кадровых импульсов для ПЗС-датчика изображения (V DRIVE);
- драйвер клапана диафрагмы (IRIS DRIVE);
- драйверы двигателей фокусировки и трансфокатора (AF/ZOOM DRIVE).
В состав блоков обработки видеосигналов, управления и управления двигателями входят:
- преобразователь видеосигналов Y/C камерного канала в сигналы формата DV и формирователь RGB-сигналов для ЖК монитора и видоискателя (TOPS);
- блоки обработки сигналов и интерфейсы DV (PLANET, RIO);
- предварительный усилитель записи/воспроизведения (H/R AMP);
- система управления и авторегулирования видеомагнитофона (CONROL uCON);
- ЭСППЗУ с устройством управления (EEPROM, EVR DAC);
- узлы управления преобразователем напряжения (POWER CONTROL uCON, TIMER, REG, V.DET);
- драйверы двигателей БВГ, ведущего вала (ВВ) и загрузки видеомагнитофона (CYL/CAP/ LOADING DRIVE).
Сервисной особенностью рассматриваемой видеокамеры является отсутствие в сервисном руководстве принципиальных схем и чертежей главной и материнской плат, а также перечней элементов этих плат, поскольку фирма PANASONIC считает невозможным их ремонт на уровне компонентов. Поэтому при проведении диагностики неисправностей можно ориентироваться на схему соединений, приведенную в архиве (см. ниже).
Основное напряжение питания на главную плату видеокамеры от аккумулятора поступает через батарейный терминал(BATERYINT C.B.A.) по цепи +В (контакт 2 разъема P6751 терминала), напряжение от разъема сетевого адаптера подается по цепи DC IN SW (контакт 3 разъема Р6751), принципиальная схема терминала приведена на рис. 8. Основные напряжения питания для всех плат и узлов видеокамеры формирует 6-канальный DC/DC-конвертор типа BA9734AKY (поз. 1 на рис. 4б). Справочные данные на эту микросхему в открытом доступе отсутствуют, однако у нее имеется функциональный аналог - BA9736KV фирмы ROHM, выполненный в таком же корпусе (VQFP64). В состав микросхемы входят: 6-канальный контроллер для реализации DC/DC-преобразования, генератор треугольного напряжения, источник образцового напряжения, усилитель сигналов ошибок, ШИМ компаратор драйвер с псевдо-тотемными выходом, различные схемы защиты. Документация (Data Sheet) на микросхему доступна на сайте [1]. Контролировать выходные напряжения DC/DC-преобразователя можно на контактах 14 (+5 В), 15 (+12 В), 16 (-15 В), 22 (+5 В) разъема FP6503 материнской платы (см. архив).

Рис. 8. Принципиальная электрическая схема батарейного терминала
Управление двигателями ЛПМ видеокамеры обеспечивает многофункциональная схема управления, выполненная на базе микросхемы LB11956 (поз. 2 на рис. 4б). Справочные данные на эту микросхему в открытом доступе также отсутствуют, ее функциональным аналогом является микросхема LB11993W, выполненная в таком же корпусе (SQFP64, Data Sheet на сайте [1]). В состав микросхемы входят схемы управления двигателями БВГ, ВВ и загрузки, а также усилители датчиков вращения подкатушечников, скорости ВВ и положения ротора двигателя БВГ.
Приведем назначение некоторых функциональных контактов разъемов главной платы, подключенных к механизму (см. архив), контроль сигналов на которых может потребоваться при проведении диагностики неисправностей видеомагнитофона:
- FP2202, контакт 1 (PG+) - сигнал датчика положения ротора БВГ;
- FP2202, контакты 3-8 (М1А, М2А, М3А) - выходы драйверов двигателя БВГ;
- FP2202, контакт 10 (FG+) - сигнал датчика скорости вращения БВГ;
- FP5001, контакты 4-7 (CH1F, CH1S, CH2S, CH2F) - сигналы записи/воспроизведения (подключены к вращающемуся трансформатору БВГ);
- FP2201, контакты 1, 2, 8, 9, 13, 14 (M1, M2, M3) - выходы драйверов двигателя ведущего вала;
- FP2201, контакты 3, 5, 6, 10, 7, 12 (H3-, H3+, H1-, H1+, H2-, H2+)
- выходы датчиков положения ротора двигателя ВВ (датчики Холла);
- FP220, контакты 14, 11 (VH+, VH-) - напряжение питания датчиков Холла двигателя ВВ;
- FP2201, контакт 16 (VMR) - сигнал включения обратного хода двигателя ВВ;
- FP2203, контакты 1, 2, 3, 4 (POS3, POS2, POS1, COM) - контакты программного переключателя механизма;
- FP2203, контакты 5-8 (M UNLOAD, M LOAD) - выходы драйвера двигателя загрузки;
- FP2203, контакты 9, 20 (S PHOTO, T PHOTO) - выходы подающего (левого) и приемного (правого) фототранзисторов схемы идентификации конца и начала ленты;
- FP2203, контакт 14 (SENS LED)
- выход драйвера центрального светодиода механизма;
- FP2203, контакты 11, 12, 16, 17 (S REEL-, S REEL+, T REEL+, T REEL-) - сигналы датчиков вращения подающего и приемного подкатушечников;
- FP2203, контакты 10, 19 (DRIVE 3V) - напряжение питания +3 В;
- FP2203, контакт 21 (C DOWN)
- вход сигнала идентификации нижнего положения кассетоприем-ника;
- FP2203, контакт 23 (S TAB) - цепь блокиратора записи.
Принципиальная электрическая схема платы CCD C.B.A. и соединительного шлейфа CCD INT FLEX C.B.A. приведена на рис. 9. Наименование микросхемы IC291 в технической документации видеокамеры не приводится, поэтому при проведении диагностики неисправностей можно воспользоваться материалами статьи по применяемости ПЗС-сенсоров [2]. Сигналы, подаваемые на ПЗС-сенсор, удобно контролировать на контактах разъема РР201 главной платы (рис. 8), предварительно отсоединив от него шлейф CCD INT FLEX (поз. 1. на рис. 10). Проверке подлежат напряжения +15 В (контакт 8 разъема РР201), -7 В (контакт 14), тактовые импульсы горизонтального переноса ПЗС-сенсора Н1, Н2 (контакты 2, 1), тактовые импульсы вертикального переноса V1-V4 (контакты 912), тактовые импульсы смещения подложки SUB (контакт 13) и сигналы сброса R (контакт 3). Параметры проверяемых импульсов примерно соответствуют параметрам импульсов, подаваемым на ПЗС-сенсор ICX281AKA-13 [2].

Рис. 10. Расположение шлейфа в вырезе материнской платы (поз. 1)
Диагностику неисправностей ЖК монитора проводят, ориентируясь на принципиальную электрическую схему платы MONITOR & HALL SENSOR FLEX CARD, приведенную на вкладке. Контроллер ЖК дисплея (Part No EDTCA29Q0 LCD PANEL U) выполнен на микросхеме AN2540FHQ-V собственного производства. Напряжение питания узла светодиодной подсветки ЖК дисплея обеспечивает импульсный преобразователь напряжения на микросхеме IC908 C0JBAB000247 и транзисторах Q901 B1DFCG000004, QR901 UNR9210J0L. При диагностике неисправностей блока ЖК монитора проверяют наличие питающих напряжений +3 В (цепь LCD 3 V), +5 В (цепи M5V, MBL5V), +12 В (M12V), -15 В (M-15V), + 7,8 B (NO REG) на соответствующих контактах разъема FP903.
Принципиальная электрическая схема сетевого адаптера VSK0581 приведена на рис. 11 (см. архив). Первичная часть адаптера выполнена по простой схеме импульсного автогенератора на транзисторах Q01-Q03 с обратной связью от обмотки импульсного трансформатора Т1 (выводы 8, 9). Стабилизация выходного напряжения 7,9 В обеспечивается за счет обратной связи через оптрон РНС01.
Вторичная часть адаптера базируется на микросхеме стабилизатора тока и напряжения AN8173S собственного производства - контроллере зарядного устройства для аккумуляторов. Ток заряда регулируется подстроечным резистором VR21, напряжение на выходе адаптера в режиме заряда аккумулятора составляет 8,4 В. Рассмотрим особенности транзисторов, входящих в состав адаптера:
- FS2KM18A - n-канальный полевой транзистор с изолированным затвором, встроенным антипараллельным диодом и защитным стабилитроном в цепи затвора фирмы MITSUBISHI, прибор выполнен в корпусе TO220FN, основные параметры: UСИ МАКС=900 В; IМАКС=2 А; падение напряжения на открытом транзисторе (RDS ON) = 5,62 Ом; РРАСС. МАКС = 30 Вт; СВХ=460 пФ; время задержки включения/выключения - 11 нс/55 нс.
- 2SD2227S - n-p-n транзистор общего применения с высоким коэффициентом усиления фирмы ROHM, прибор выполнен в малогабаритном корпусе SC-72, основные параметры: UКЭ МАКС=50 В; IК МАКС=0,15 А; РРАСС=0,3 Вт; h21э=5000; UКЭ НАС=0,3 В (при IК=50 мА); fТ=250 МГц.
- 2SD1819A - планарно-эпитаксиальный транзистор с малым напряжением насыщения, основные параметры прибора: UКЭ МАКС=50 В; IК МАКС=0,2 А; UКЭ НАС= 0,1 В h21э=160A460; FТ=150 МГц.
Для проведения диагностики неисправностей видеокамеры необходима специальная оснастка и драйвер (сервисное программное обеспечение), схема стенда для проведения ремонтно-диагностических работ приведена на рис. 12. В состав стенда входят: измерительная плата VFK1308E, кабель интерфейса RC232 VFK1395 и соединительный шлейф VFK1317. Оснастка подключается шлейфом VFK1317 к контрольному разъему EVR Connector (РР6852 на плате EVR INT C.B.A., см. архив). Для доступа к контрольному разъему без разборки аппарата достаточно снять заглушку в нижней части видеокамеры, заглушка закреплена двумя винтами.

Рис. 12. Схема стенда для проведения ремонтно-диагностических работ
Система самодиагностики неисправностей видеокамеры обеспечивает индикацию кодов ошибок некоторых неисправностей на ЖК дисплее и видоискателе. Системой отображаются следующие коды ошибок:
- F01: заблокирован (не вращается) приемный подкатушечник видеомагнитофона или неисправен датчик вращения подкатушечника (импульсы датчика контролируют на контактах 16, 17 разъема FP2203 главной платы, см. архив);
- F02 заблокирован подающий подкатушечник (импульсы датчика на контактах 11, 12 этого разъема);
- F02: заблокирована выгрузка механизма (механические дефекты или неисправность двигателя загрузки);
- F04:заблокирована загрузка механизма;
- F05: не вращается БВГ (загрязнения, износ или неисправности схемы электропривода двигателя БВГ);
- F31: сбой обмена данными между блоками видеокамеры;
- F51 - заблокирован двигатель трансфокатора (загустение смазки или неисправности схемы электропривода двигателя трасфокатора);
- F52: заблокирован двигатель фокусировки;
- U10: неисправность датчика влажности;
- U11: загрязнение или износ видеоголовок (сигнал может появиться также при отклонении динамической траектории видеоголовок от стандарта вследствие износа направляющих стоек механизма).
Коды F01-F05 появляются на дисплеях через 1 минуту после включения видеокамеры, а коды F31, F51-F52, U10, U11 индицируются постоянно. Следует отметить, что появление кодов ошибок совсем не обязательно вызывается вышеперечисленными причинами, а может быть следствием, например, нарушения контактов в разъемных соединениях или неисправностями в различных электронных узлах видеокамеры.
Различного рода сбои в работе видеокамеры могут быть вызваны разрядом литиевой батареи ML920S Panasonic (Part No ML920S/F9D LITHIUM BATTERY), установленной на материнской плате (поз. 2 на рис. 10). На разряд указывает снижение напряжения
на ней до 2,9...3 В и менее (нормальное напряжение 3...3,2 В).
При разборке видеокамеры могут возникнуть определенные затруднения, приведем упрощенную методику разборки, проводимую в семь этапов.
Этап 1 - демонтаж правой части корпуса (Side Case (R) Unit) производят в следующем порядке (сокращенное изложение): снимают фальш-панель правой части корпуса и нижнюю плечевую накладку, для чего удаляют 8 винтов крепления длиной 8 мм; удалив винты B, C, D, E, и отсоединив шлейфы от разъемов FP651, P6701, снимают правую часть корпуса (см. рис. 13).

Рис. 13. Разборка видеокамеры, этап 1
Этап 2 - демонтаж узла видоискателя производится после удаления винтов F и отсоединения шлейфов от разъемов FP6520, P6514, P6517, PP6508 (см. рис. 14).

Рис. 14. Разборка видеокамеры, этап 2
Этап 3 - демонтаж блока объектива производят в следующем порядке: снимают узел бленды (Lens Hood unit), удалив передний винт крепления K и повернув переходной узел (ND Filter Case Unit) против часовой стрелки, снимают его (см. рис. 15); снимают резиновое кольцо ручной фокусировки; удалив шесть винтов крепления, снимают крышку узла объектива; удалив 3 винта крепления и отсоединив шлейфы узла объектива от разъемов главной платы, снимают его.

Рис. 15. Разборка видеокамеры, этап 3
Этап 4 - демонтаж материнской платы производят после удаления пяти крепежных винтов и отсоединения шлейфов от разъемов платы.
Этап 5 - демонтаж механизма в сборе с главной платой производят после удаления крышки кассе-топриемника (2 винта), семи винтов крепления и отсоединения шлейфов от главной платы.
Этап 6 - демонтаж левой боковины корпуса с операторским ремнем производится после удаления четырех винтов крепления.
Этап 7 - демонтаж блока ЖК дисплея производится после удаления четырех винтов крепления.
Все недостающие схемы и рисунки можно скачать здесь.
Литература и интернет-источники
1. www.alldatasheet.com.
2. Юрий Петропавловский, Применяемость и схемы включения ПЗС-сенсоров SONY и PANASONIC для видеокамер. - Ремонт & Сервис, 2010, № 8.
Автор: Юрий Петропавловский (г. Таганрог)
Источник: Ремонт и сервис
