на главную
Карта сайта
English version
Вы читаете:

Минисистемы PHILIPS серии FW с мощными усилителями звуковых частот

Аудио и видеотехника
10 лет назад

Минисистемы PHILIPS серии FW с мощными усилителями звуковых частот. Устройство и ремонт модулей POWER 2002, POWER 2003

2

В начале в начале двухтысячных годов фирма PHILIPS начала производство минисистем с усилителями звуковой частоты (УЗЧ) классов АВ, D, G, H и выходной мощностью 70...200 Вт. В число таких минисистем входят следующие модели:

- "FW-C390/C505/V537" (2001 г, модуль УЗЧ POWER 2001);

- "FW-C788/C798/M567/V795" (2002/2003 гг, модуль УЗЧ POWER 2002);

- "FW-C577/C777/M777" (2003/2004 гг., модуль УЗЧ POWER 2003);

- "FW-M589/M779/M799" (2004 г., модуль УЗЧ PWR303 UCD (200-250 Вт));

- "FWM70/75" (2005 г.), "FWM372" (2006 г.), "FWM377" (2007 г.), "FWM143" (2008 г.), "FWM608/12" (2009 г.).

В минисистемах наиболее частым отказам подвержены приводы дисков, механизмы CD-чейнджеров, источники питания и усилители мощности. В перечисленных моделях минисистем применены приводы дисков нескольких типов: 3-дисковые CD-чейнджеры 3CDC-LLC-MCD1 (FW-C390), 3CDC-DA11 (FW-C505, C788, C798), 3CDC-LC-VCD1 (FW-V537), 5-дисковые CD-чейнджеры 5DTC, 5DTC MP3 Version и другие. Предметом рассмотрения предлагаемой статьи являются минисистемы "FW-M567/22", "FW-C788/21/21M/37", "FW-V795/21M", "FW-C798/21/37" (в аппаратах применен модуль УЗЧ POWER 2002), "FW-C577/C777/M777" (модуль POWER 2003). В качестве проигрывателей дисков в перечисленных минисистемах применяются 5-дис-ковые "чейнджеры" 5DTC (MP3 Version.) или 3-дисковые 3CDC-LLC-DA11, 3CDC-LC-VCD.

Минисистемы "FW-M567/22" (рис. 1) имеют следующие параметры:

- выходная мощность: 2 х 140 Вт (RMS при КНИ = 10% на нагрузке 6 Ом и частоте 1 кГц);

- отношение "сигнал/шум": 75 дБА;

- полоса воспроизводимых частот: 50...18000 Гц (по уровню - 3 дБ);

- CD-проигрыватель: 5DTC Module MP3 Version, воспроизведение CD-A, CD-R, CD-RW, MP3-CD, отношение "сигнал/шум" 76 дБА (IEC), частоты дискретизации 32, 44,1, 48 кГц, скорость потока данных MPEG 1 Layer 3 (MP3-CD) 32-256 кбит/с;

- вход USB: отношение "сигнал/шум" - не менее 75 дБА, разделение каналов не менее 40 дБ, КНИ не более 0,3%, программа Musicmatch Jukebox для воспроизведения CD с компьютера через USB-интерфейс;

- тюнер: диапазон УКВ2 87,5...108 МГц/RDS, шаг настройки 50 кГц, чувствительность не хуже 7 мкВ при отношении "сигнал/шум" 26 дБ, КНИ не более 3%; диапазон СВ 531...1602 кГц, шаг настройки 9 кГц, чувствительность не хуже 4 мВ/м;

- питание: переменное напряжение 220...230 В/50 Гц, потребляемая мощность 175 Вт, в режиме ожидания - не более 25 Вт, в дежурном режиме - не более 1 Вт;

- габариты усилительного блока: 265 х 322 х 390 мм, вес 8,6 кг.

Внешний вид минисистемы FW-M567/22

Рис. 1. Внешний вид минисистемы FW-M567/22

 

Модели "FW-C788/22/33/34/37" (через дробь указаны исполнения) отличаются от "FW-M567/22" наличием цифрового входа стандарта IEC958 (44,1 кГц), 2-кассетной деки, CD-проигрывателя типа 3CDC-LLC-DA11 и отсутствием USB-входа. Тюнер в исполнении 34 (для России и СНГ) имеет диапазоны УКВ 1 (65,81...74 МГц) и ДВ (153...279 кГц).

Модели "FW-V795/21M" отличаются от "FW-M567/22" усилителем мощности (2 х 120 Вт, RMS при КНИ = 10% на нагрузке 6 Ом, 50 Гц...20 кГц (-3дБ)), отсутствием входа USB, наличием 2-кассетной деки и CD-проигрывателя типа 3CDC-LC-VCD с воспроизведением дисков Video CD.

Модели "FW-C798/21/37" (рис. 2) отличаются от "FW-M567/22" наличием цифрового звукового процессора (виртуальный объемный звук и т.п.), цифрового входа стандарта IEC958 (44,1 кГц), 2-кассетной деки (параметры см. выше), CD-проигрывателя типа 3CDC-LLC-DA11 и отсутствием USB-входа.

Внешний вид минисистем FW-C798/21/37

Рис. 2. Внешний вид минисистем FW-C798/21/37

 

Модели "FW-C577/21/30/37" и "FW-C777/21/37" отличаются от "FW-M567/22" усилителем мощности (модуль POWER 2003: 2 х 165 Вт, RMS, КНИ = 10% на нагрузке 6 Ом и частоте 1 кГц, диапазон частот 60 Гц...12,5 кГц, исполнение 37 - 2 х 135 Вт, 60 Г ц-12,5 кГц) и проигрывателем типа 5DTC (базовая версия, воспроизведение дисков CD-A, CD-R/RW).

Основные отличия модели "FW-M777/22" (рис. 3) от "FW-M567/22": усилитель мощности (модуль POWER 2003) 2 х 165 Вт (RMS при КНИ = 10% на нагрузке 6 Ом и частоте 1 кГц), диапазон частот 50 Гц...16 кГц.

Внешний вид минисистемы FW-M777/22

Рис. 3. Внешний вид минисистемы FW-M777/22

 

Диапазон УКВ 1 в исполнениях 34 необходимо активировать - обычным порядком диапазоны не переключаются (не исключена возможность включения диапазона УКВ1 в минисистемах других исполнений программным путем). Для активации этого диапазона следует отключить минисистему от электрической сети, одновременно нажать на кнопки TUNER и "перемотка вперед" (SEARCH") на передней панели и, не отпуская их, подсоединить сетевой шнур к розетке. На дисплее может появиться сообщение "FM1 ON". Для обратного перехода на диапазон УКВ 2 производят те же действия, возможно появление сообщения "FM1 OFF".

Структурная схема минисистем "FW-M567/M777/C577/C777" (модели с 5-дисковым чейнджером без магнитофона) приведена на рис. 4, схема межблочных соединений - на рис. 5, а сборочный чертеж - на рис. 6. В состав минисистем входят следующие платы и блоки: AF11 BOARD - кросс плата 1102-А (обозначение на рис. 6); MAIN BOARD - главная плата 1106-1001; L/R+Supply Ap - плата источника питания и усилителя мощности 1106-1002; Front Display/up - плата передней панели 1101-А; 5DTC - проигрыватель дисков 1105; TUNER ECO6 - модуль тюнера 1103; USB PC LINK - USB интерфейс 1104; Front Control - плата управления 1107-А; 5DTC Key- плата управления проигрывателя дисков 1101-В; Game Port - игровой интерфейс 1107-G и еще 11 небольших плат и узлов (см. рис. 5). Пользуясь приведенными схемами, можно проверить поступление питающих напряжений, прохождение звуковых и управляющих сигналов между блоками минисистем. Следует иметь в виду, что структурная схема и схема соединений, показанные на рис. 4, 5, а также многие принципиальные схемы блоков минисистем,приведенные в сервисных руководствах рассматриваемых моделей минисистем, используются и в сервисных руководствах ряда других моделей минисистем. Поэтому некоторые разъемы на платах имеют не одно, а несколько обозначений, например, 1522,1523, 1525 (плата 1101-А). Цепи на схеме соединений обозначены аббревиатурами, что может вызвать затруднения при проведении диагностики неисправностей. Приведем расшифровки некоторых из использованных аббревиатур.

  • Разъемы 1913, 1912, 1914 (плата Mains Board 1106-1001): F1, F2 - переменное напряжение 5,9 В для питания флуоресцентного индикатора на передней панели; А1 (+54 В), В1 (+30 В), А2 (-54 В), В2 (-30 В) - цепи питания усилителей мощности (плата L/R + Supply Amp 1106-1102); +D (+27,5 В) - напряжение поступает на стабилизатор напряжения + 11,8 В на плате 1106-1002; +D2 (+13 В) - нестабилизированное напряжение, поступает на линейный стабилизатор напряжения +5,6 В на плате 11061102; NTC - вывод терморезистора, вмонтированного в основной сетевой трансформатор (в нормальном состоянии в цепи напряжение +4,4 В); PWR_ON - цепь включения источника питания (сигнал поступает от микропроцессора управления); L_PWR_CTRL, L_PWR_S - цепи включения режима ожидания и экономичного дежурного режима (сигналы поступают от микропроцессора системы управления).
  • Разъемы 1259-1263 платы 11061002: AMP_LEFT, AMP_RIGHT - входы левого и правого каналов усилителей мощности; CLIPPING - выход пикового детектора перегрузки; -VKK (-33 В) - напряжение питания флуоресцентного индикатора на передней панели; AMP_ON - сигнал включения усилителя мощности; VCD_ON - сигнал включения режима Video CD.
  • Разъемы 1522, 1523, 1525 платы 1102-А: CD_LEFT, CD_RIGHT - звуковые выходы левого и правого каналов проигрывателя дисков.

Узлы схемы управления (СУ) и индикации минисистемы расположены на платах передней панели (1101-А/В, 1107-A/B/C/D/E/H,1104 на рис. 6). В их состав входят: микропроцессор системы управления и индикации 7400 типа TMP88CU74YF фирмы Toshiba (Part No 3139 110 53341), микросхема ЭСППЗУ 7405 типа M24C02-WMN6, декодер сигналов RDS 7401 типа SAA6581T, регистр управления индикаторными светодиодами 7403 типа 74HC4094D, флуоресцентный индикатор 1420 типа BJ902GNK (Part No 3139 110 53411), усилитель звуковых сигналов платы игрового интерфейса 7620 типа TDA8579/N1, логические микросхемы игрового интерфейса 7601, 7606 типа 74HC4094D, приемник сигналов ДУ 7800 типа TSOP4836ZC1 (Part No 9322 185 97667). СУ обеспечивает управление всеми основными блоками и узлами минисистем по последовательным интерфейсам I2C и по отдельным логическим шинам.

Сигнальная часть усилительных блоков минисистем базируется на многофункциональной микросхеме 7501 типа TDA7468D, установленной на плате AF11 (1102-А). Микросхема обеспечивает подключение четырех источников стереосигналов (от CD-проигрывателя, тюнера, плат USB и игрового интерфейсов, внешних входов), согласование их уровней, электронную регулировку громкости и тембра. Структура, особенности функционирования и основные параметры микросхемы приведены в статье автора [1]. Управление режимами микросхемы осуществляет микропроцессор 7400 по шине I2C. На структурной схеме (рис. 4) в рамках указаны напряжения звуковых сигналов в различных точках звуковых трактов. При проведении испытаний проще всего подать измерительные сигналы на входы AUX. При проверке параметров трактов в режиме воспроизведения тестовых CD необходимо установить трек с уровнем -6 дБ (рекомендуемый тест-диск - SBC42 Audio Signal Disk, Part No 4822 395 10216). В режиме эфирного приема на входы тюнера в диапазоне УКВ следует подавать ЧМ сигнал с девиацией 67,5 кГц, а в диапазоне СВ - АМ сигнал с глубиной модуляции 80%.

В состав блоков УЗЧ POWER 2002/2003 входят: источник питания (плата Main Board 1106-1001), усилители мощности левого и правого каналов, стабилизаторы напряжения и схемы управления и защиты УЗЧ (плата L/R + Supply Amp/ 1106-1002). Принципиальная электрическая схема источника питания минисистем "FW-M567/M777/С577/С777" приведена на рис. 7. Его основой является силовой трансформатор 5001 (см. рис. 6), Part No 3139 118 32570 ("FW-M567/22"), 3139 118 32711 ("FW-M777/21", "FW-C777/21") 3139 118 32721 ("FW-C777/22"). Трансформатор дежурного режима 5903, Part No 3103 308 30610 (исполнения 22, 30) постоянно подключен к сетевому источнику, к его вторичной обмотке подключен выпрямительный мост на диодах 6901-6904. Выходное напряжение выпрямителя подается на реле 5905 и схемы дежурного режима (цепь LPS). Основной силовой трансформатор включается через реле 5905 (Relay 1P9V 10/80A SDT-SS, Part No 4822 280 10382), сигнал включения, открывающий транзистор 7912, поступает по цепи LSTBY от микропроцессора системы управления. В случае несрабатывания реле 5905 следует проверить исправность резистора 3914 и транзистора 7912. Для питания усилителя мощности используются два мостовых выпрямителя 6921 (±54 В) и 6922 (±30 В). Диодные мосты не имеют соединения с общим корпусом, с корпусом соединен средний вывод 5919 основного силового трансформатора 5001. При отсутствии напряжений на выходах мостов следует проверить целостность предохранителей 1921-1924 (5 А). Мостовой выпрямитель на диодах 6925-6928 формирует напряжение +27,5 В (цепь +D), а выпрямитель на диодах 6923, 6924, 6956 - напряжение + 13 В (цепь +D2). Накал флуоресцентного индикатора за-питан от обмотки F1-F2 основного трансформатора 5001, напряжение смещения индикатора -33 В (цепь -VKK) обеспечивает стабилизатор напряжения на транзисторах 7951, 7952. Схема источника питания, приведенная на рис. 7, используется в ряде других моделей и исполнений минисистем с различной выходной мощностью (см. таблицы на этом рисунке). Приведем основные параметры полупроводниковых приборов, примененных в источнике питания.

  • ВС327: UКЭ МАКС. = - 50 В, IК МАКС. = 0,8 А, мощность рассеяния 0,63 Вт (при Т = 25°С), UКЭ НАС. = - 0,7 В(при IК = - 0,5 А IБ = - 50 мА), h21Э = 100...630 (при IK = - 100 мА, UКЭ = -1 В), fT = 100 МГц (типовое значение), классификационные параметры h21Э исполнений BC327-25 - 160...400, BC327-40 - 250...630.
  • BC547B: UКЭ МАКС. = 65 В, IК МАКС. = 100 мА, мощность рассеяния 0,5 Вт, UКЭ НАС. = 0,2 В (при I = 100 мА), h21Э не менее 150, fT не менее 100 МГц.
  • GBU6D: максимальный выпрямленный ток IO = 6 А, UОБР. МАКС. = 200 В UПP. НАС = 1 В (на каждом диоде при Т = 25°).
  • 1N4003: максимальный выпрямленный ток IO = 1 А (при длине выводов 9,5 мм, температуре 75 ºС) UОБР. МАКС. = 200 В UПР. МАКС =1,1 В (при прямом токе 1 А).
  • 1N5392: IО = 1,5 А, UОБР. МАКС. = 100 В, UПP НАС. = 1,4 В (при прямом токе 1,5 В).
  • 1N4148: IO = 0,3 А, UОБР. МАКС. = 100 В UПР НАС. = 0,62 В, время восстановления обратного сопротивления tRR не более 8 нс.
  • BYV10-40: диод с барьером Шоттки IО = 1 А, UОБР. МАКС = 40 В, UПР НАС не более 0,55 В (при IПР. = 1 А)
  • BZX79-C8V2, BZX79-C33: стабилитроны с напряжением стабилизации 8,2 В±5%, 33 В±5%, максимальная мощность рассеяния 0,5 Вт (при длине выводов 8 мм).

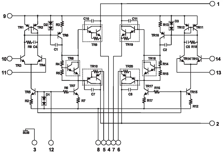
Усилители мощности модулей POWER 2002/2003 выпускаются в двух модификациях - на базе микросхемы 7326 типа STK412-030/0301(корпус SIP18) или микросхемы 7330 типа STK442-110 (корпус SIP14), обе фирмы SANYO. Принципиальная электрическая схема усилителя мощности модулей POWER 2002/2003 на микросхеме STK442-110 приведена на рис. 8. Микросхема является 2-канальным усилителем мощности ЗЧ класса АВ (см. структуру на рис. 9), приведем ее основные параметры и особенности:

- напряжение питания VCC: ±54 В;

- выходная мощность РО: 70 Вт + 70 Вт (на нагрузке 6 Ом при КНИ = 0,4 % в полосе частот 20 Гц...20 кГц), 110 Вт + 110 Вт (КНИ = 10% на частоте 1 кГц) в минисистемах "FW-V795" РО = 120 Вт + 120 Вт (на нагрузке 6 Ом при КНИ = 10% на частоте 1 кГц);

- диапазон частот: 20 Гц...50 кГц (по уровню +0дБ, -3дБ);

- входное сопротивление: 55 кОм;

- напряжение шумов: не более 1 мВ (RMS при сопротивлении источников сигналов 2,2 кОм);

- ток потребления: не более 30 мА (по цепи VH), не более 100 мА (по цепи VL);

- напряжение смещения выходного постоянного напряжения (Midpoint Voltage): ±70 мВ (типовое значение - 0 В).

Структурная схема микросхемы STK442-110

Рис. 9. Структурная схема микросхемы STK442-110

 

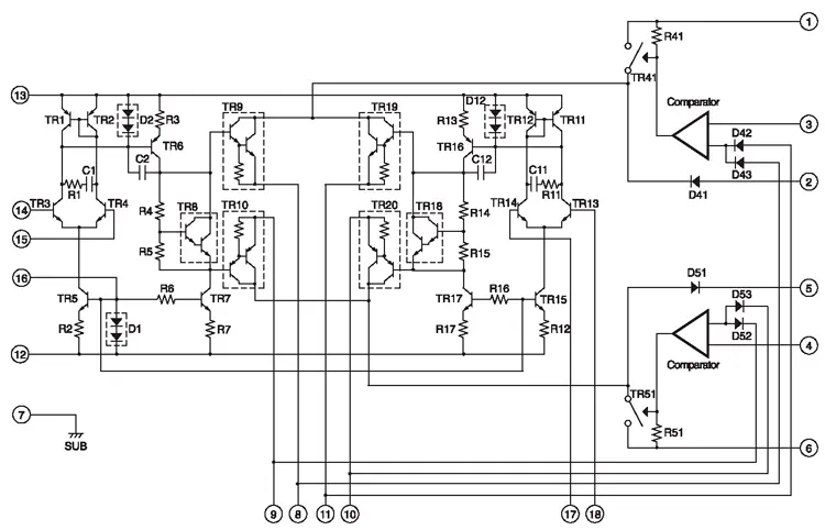
Микросхемы STK412-030/0301 выполнены в 18-выводных корпусах и являются 2-канальными усилителями мощности звуковых частот класса Н, структура микросхем приведена на рис.10. В отличии от STK442-110 в эти микросхемы введены ключевые транзисторы TR41, TR51, диоды D41-D43, D51-D53, компараторы левого и правого каналов. Питание микросхем осуществляется от двух источников питания VH (выводы 1, 6) и VL (выводы 2, 5). При малой выходной мощности усилителей ключи TR41, TR51 закрыты, а на выходные каскады, выполненные на транзисторах TR9, TR10, TR19, TR20 подается напряжение ±VL через диоды D41, D51. При больших уровнях выходной мощности усилителей срабатывают компараторы левого и правого каналов, ключи на транзисторах TR41, TR51 открываются и на оконечные каскады поступает напряжение ±VH. Такое схемное решение позволяет уменьшить мощность рассеяния на выходных транзисторах при малых уровнях выходной мощности и тем самым повысить КПД усилителей. Приведем отличающиеся параметры микросхем STK412-030/0301 (в сравнении с STK442-110):

- рекомендуемые напряжения питания: VH = ±51 В, VL = ±34 В

- выходная мощность РО: 100 + 100 Вт (при КНИ = 0,8% в полосе частот 20 Гц...20 кГц на нагрузке 8 Ом), в минисистемах "FW-M567" - 140 + 140 Вт (при КНИ = 10% на частоте 1 кГц и нагрузке 6 Ом).

Структурная схема микросхем STK412-030/0301

Рис. 10. Структурная схема микросхем STK412-030/0301

 

Усилители мощности обоих каналов охвачены глубокими частотно-зависимыми обратными связями с выходов (выводы 4, 5, 6, 7) через сложные RC-цепи на входы обратной связи микросхемы (выводы CH1INF, CH2INF), что позволяет получить плоскую АЧХ в широком диапазоне частот и обеспечить практически нулевое постоянное напряжение на выходах усилителей относительно корпуса (рис. 8). На транзисторах 7320-7324 выполнена схема включения усилителей мощности, на транзисторах 7325, 7327, 7328 - схема защиты от перегрузки (коротких замыканий выходных цепей). На диодах 6331, 6330 и транзисторе 7329 реализован пиковый детектор перегрузки выходных каскадов.

Приведем параметры транзисторов и диодов, примененных в усилителе мощности:

• BC546B: UКЭ МАКС. = 45 В, IК МАКС. = 100 мА, мощность рассеяния 0,62 Вт, UКЭ НАС. = 0,2 В (при IK = 100 мА), h21Э - 250...450 (при IK= 100 мА, UКЭ = 5 В), fT не менее 150 МГц.

• BC556B: UКЭ МАКС.= - 45 В, IK МАКС. = -100 мА, остальные параметры как у ВС546В.

• BAV21: UОБР МАКС. = 250 В, IПP. МАКС. = 0,25 А, UПР = 1 В (при токе 100 мА), время восстановления обратного сопротивления tRR ≈ 50 нс, емкость диода СД ≈ 5 пФ.

В состав модулей POWER 2002/2003 также входят стабилизаторы напряжения, используемые для питания различных блоков минисистем, принципиальнаяэлек-трическая схема стабилизаторов напряжения модулей приведена на рис. 11. На транзисторах 7250-7253 выполнен стабилизатор напряжения +12 В (цепи +11V_A, +11V_M), обеспечивающий питание проигрывателя дисков, тюнера, систем управления и индикации (платы 1101-А, 1107-А). На вход стабилизатора поступает напряжение +27,5 В с выпрямителя 6925-6928 (рис. 7), при его отсутствии следует проверить целостность предохранителя 1925 (2,5 А). Стабилизатор включается ключом на транзисторах 7262, 7263 по сигналу управления LPC высокого уровня (+5 В, вывод 5 разъемов 1259-1261, рис. 11), при низком уровне сигнала управления стабилизатор отключается открытым транзистором 7251 (соответствует дежурному режиму работы минисистем). На транзисторах 7254-7256 или микросхеме 7257 выполнены стабилизаторы напряжения +5,6 В (цепь +5V6). На вход стабилизаторов поступает напряжение +11 В (цепь +D2) с выпрямителя 6956, 2946, 2947, 2948 (рис. 7), при отсутствии этого напряжения следует проверить целостность предохранителей 1926 (1,6 А) и 1280 (рис. 11).

Все недостающие схемы можно найти здесь.

Литература

1. Петропавловский Ю. Усилители класса D в микросистемах "Philips MZ-1000/1100/1200". Устройство, функционирование и ремонт источника питания и усилительного блока. Ремонт & Сервис, 2008, № 7, с. 21-31.

Автор: Юрий Петропавловский (г. Таганрог)

Источник: Ремонт и сервис

Мнения читателей
  • Джамал/22.09.2021 - 01:13

    Вопрос:как отремонтировать блок cd Philip's fw m777/22

  • Николай/12.12.2017 - 20:55

    Можете сказать. Есть ли внем предохранитель? Ответ пришлите емаил nikola.zhuk@mail.ru