Основные характеристики и функциональные возможности
Модели рекордеров, вынесенные в заголовок статьи, продавались в 2006-2008 гг, однако по многим техническим параметрам они вполне сопоставимы с современными моделями рекордеров различных фирм такого же класса. Коротко рассмотрим основные характеристики и функциональные возможности рекордеров.

Рис. 1. Внешний вид моделей DVR-433H-S/H-K, DVR-530H-S/H-AV, 630H-S
DVR-433H-S/H-K, DVR-530H-S/H-AV, 630H-S (модели 2005 года, их внешний вид показан на рис. 1):
- используемые диски: HDD, DVD-Video, DVD-R/RW. Video-CD, Super VCD, CD, CD-R/RW (WMA, MP3, JPEG, CD-A), записываются только DVD-R/RW;
- жесткий диск: объем 160/250 Гб (модели DVR-530H-S/630H-S); время записи (часов) 23/36 (режим XP+), 34/53 (ХР), 68/106 (SP), 136/212 (LP), 204/319 (ЕР), 272/425 (SLP), 340/532 (SEP), в ручном режиме (MN) - от 23/36 до 455/711; основное отличие моделей DVR-433H-S/H-K - наличие жесткого диска объемом 80 Гб;
- ТВ тюнер: прием в стандартах PAL/SECAM D/K, PAL/SECAM B/G, PAL I, SECAM L на каналах R1-R12, S1-S41, E21-E69; звук стерео А2, NICAM;
- основные входы-выходы и разъемы: аудиовходы-выходы; видеовходы-выходы; S-Video вход/выход; компонентный выход YPBPR; входы-выходы RGB; DV-вход; G-LINK: разъемы RCA, AV-connector (SCART21), 4 pin mini DIN, 4 pin DV;
- параметры питающей сети: 220...240 В, 50/60 Гц, мощность потребления 48 Вт (DVR-530)/49 Вт (DVR-630), в дежурном режиме - 0,93 Вт.
DVR-531H-S/533H-S, DVR-633H-S (отличия):
- жесткий диск: 80/160 Гб (DVR-531, 532, 533/DVR-633);
- ТВ тюнер: стандарт NTSC M; каналы 2-69, С1-С125;
- параметры питающей сети: 120 В, 60 Гц, мощность потребления 43/46 Вт, в дежурном режиме 0,42 Вт.
DVR-440HX-S, 540HX-S (модели 2006 года, внешний вид на рис. 2, отличия):
- используемые диски: добавлены DVD+R/RW, DVD-RAM;
- жесткий диск: 80/160 Гб (DVR-440/DVR-540); время записи (часов) 17/34 (ХР), 34/68 (SP), 68/136 (LP), 102/204 (ЕР), 136/272 (SLP), 170/340 (SEP), 17.227/34.455 (MN).
- ТВ тюнер: добавлен цифровой стандарт DVB-T (2K/8K CODFM) в полосах 170.230 МГц, 440.862 МГц, добавлен звуковой стандарт Stereo MPEG Layer I/II;
- параметры питающей сети: 220...240 В, 50/60 Гц, мощность потребления 48 Вт, в дежурном режиме - 0,63 Вт.

Рис. 2. Внешний вид моделей DVR-440HX-S, 540HX-S
Структурная и принципиальная электрическая схемы
Структурная схема и схема соединений рекордеров DVR-530/630 приведена в архиве. Одними из основных блоков рекордеров являются жесткий диск (HDD) и записывающий дисковод (DRIVE Assy R9R). В модели DVR-530H-S применен жесткий диск емкостью 160 Гб WD1600BBGUCS (Part No VXF1068 или VXF1047) фирмы Western Digital, в модели DVR-630H-S применен жесткий диск емкостью 250 Гб ST3250823 S (Part No VXF1082 или VXF1049) фирмы Seagate. В моделях DVR-433H-S/H-K используется жесткий диск емкостью 80 Гб WDBBJKC S (Part No VXF1066) фирмы Western Digital. В качестве записывающего дисковода использован привод DVD-R09-XP (Part No. VXX2987 или VXX3142), который внешне не отличается от компьютерных DVD-R/RW-дисководов, однако он оснащен специализированным ПО, обеспечивающим совместную работу с жестким диском в различных режимах.
Узлы и платы рекордеров на схемах отмечены буквами латинского алфавита (см. рисунки в архиве):
А - плата тюнера TUNB ASSY (Part No VXX3025);
В - плата видеоблока JACB ASSY (Part No VWV2115);
C - плата соединителей и флуоресцентного индикатора FLJB ASSY (Part No VWG2536);
D - плата DV терминала DVJB ASSY (Part No VWG2523);
E - переходная плата ATAB ASSY (Part No VWV2123);
F - плата выключателя питания PSWB ASSY (Part No VWG2526);
G - плата переключателя DVD/HDD RSWB ASSY (Part No VWG2530);
H - главная плата MAIN ASSY (Part No VXX2997);
I - плата интерфейсов AV1, AV2 SCART (Part No VXX3021);
J - источник питания POWER SUPPLY UNIT (Part No VMR1392).

Рис. 3. Расположение плат B, I, H, J, D в корпусе рекордеров
На рис. 3 показано расположение плат B, I, H, J, D в корпусе рекордеров, а также порядок демонтажа главной платы (цифрами и стрелками). В состав главной платы входят следующие основные микросхемы:
- IC1001 (R8A34011BG-K), микропроцессор систем управления/кодек фирмы Renesas Electronics, выполненный в корпусе BGA (516 контактов). БИС обеспечивает управление HDD/DVD-приводами, общее управление режимами рекордеров, декодирование сигналов MPEG, АЦП и ЦАП звуковых и видеосигналов и ряд других функций. Совместно с микропроцессором используются ОЗУ IC1201, IC1221 EDD1216AATA-6B-E типа DDR SDRAM объемом 128 Мбит, IC1301 K4H511638B-UCB3 типа DDR SDRAM объемом 512 Мбит, Flash ЗУ IC1102 типа S29GL064M90TCIR20-R объемом 64 Мбит (Part No VYW2308 - запрограммированное ЗУ);
- IC4201 (CM0045AF-K), декодер видеосигналов собственного производства, микросхема обеспечивает преобразование сигналов яркости и цветности в цифровой вид для подачи на микропроцессор IC1001;
-IC3101 (PCM1802DB1), 16-разрядный стерео ΔΣ АЦП фирмы Texas Instruments (разработка Burr-Brown), типовые параметры микросхемы: КНИ+шум - 88 дБ, отношение "сигнал/шум" и динамический диапазон - 93 дБ; форматы звуковых данных I2S, Left Justified; частоты дискретизации 4...48 кГц. Микросхема обеспечивает преобразование аналоговых звуковых сигналов от внешних входов LIN1-LIN4 в цифровые (через коммутатор IC103 BD3823FV фирмы ROHM, см. архив);
- IC3201 (PCM1742E), 24-разрядный AL ЦАП фирмы TI (разработка Burr-Brown), типовые параметры микросхемы: КНИ+шум - 0,03%, отношение "сигнал/шум" и динамический диапазон - 100 дБ, максимальный размах выходного напряжения (FS) - 3,1 В; частоты дискретизации 5-200 кГц; форматы звуковых данных I2S, Standard, Left Justified. Аналоговые выходные сигналы ЦАП поступают на выходы рекордера через буферные каскады, выполненные на сдвоенном малошумящем ОУ IC3251 типа UPC4570G2 фирмы NEC (входной шум 4,5 нВ/√Гц, скорость нарастания выходного напряжения 7 В/мкс).
На главной плате установлены линейные стабилизаторы напряжения, проверять исправность которых необходимо при проведении диагностики и ремонта. Соответствующий фрагмент принципиальной схемы главной платы приведен в архиве.
- IC4503, IC4504 (NJM2872F05-TLB), линейный стабилизатор с малым падением напряжения (LDO) фирмы NEW JAPAN RADIO, выходное напряжение +5 В±2% (цепи V+5D, V+5AVI, V+5A), основные параметры стабилизатора: UВХ МАКС = 14 В IВЫХ МАКС= 200 мА UПАД НАПР=0,1 В (при IВЫХ=60 мА); подавление пульсаций (Ripple Rejection) - 70 дБ, уровень выходных шумов - 30 мкВ (RMS);
- IC4506 (R1170S33B-TBB), LDO-стабилизатор фирмы RICOH, выходное напряжение 3,3 В (цепь V+3V), основные параметры стабилизатора: UВХ МАКС=7 В, IВЫХ МАКС=2 А UПАДНАПР =0,12 В (при IВЫХ = 300 мА) подавление пульсаций - 50 дБ. Включение микросхемы производится подачей напряжения 3,3 В на выв. 1 (СЕ);
- Q4501 (2SC2411K(QR)-TLB), на этом транзисторе собран буферный каскад для питания напряжением + 12 В (цепь V+12A) сильноточных узлов звукового тракта (обеспечивает снижение пульсаций и шумов), основные параметры транзистора: UКЭмакс=32 В, IK МАКC=0,5 А, РК=0,2Вт, h21Э =120...390, ft ≥250МГц;
- IC4571 (BA25F18WHFP-TRB), сдвоенный LDO-стабилизатор с выходными напряжениями +1,8 В (цепь V+1R8) и 2,5 B (V+2R5) фирмы Sanyo, технические данные на микросхему в открытом доступе отсутствуют, при необходимости ее замены можно ориентироваться на структуру, приведенную на рис. 4. Включение микросхемы производится подачей напряжения 3...3,3 В на выв. 1 (EN1), 7 (EN2);
- IC4507 (S-1170B33UC-OTD-TRB), LDO-стабилизатор напряжения +3,3 В ±1% с высоким подавлением пульсаций фирмы Seiko Instruments Inc, основные параметры микросхемы: UВХ МАКС=10,3 В, IМАКС=0,8А, UПАД НАПР=0,12 В, подавление пульсаций - 65 дБ;
- IC4512 (NJM2861F33-TLB), LDO-стабилизатор напряжения +3,3 В±1% фирмы New Japan Radio (цепь V+3CG), основные параметры микросхемы: UВХ МАКС=14 В IMAKC=130 мА UПАД НАПР=0,1 В, подавление пульсаций - 70 дБ, уровень выходных шумов - 30 мкВ (RMS);
- IC4509 (PQ035ZN01ZPH-TLB), регулируемый импульсный стабилизатор напряжения с низкими выходным (0,8...3,5 В) и входным (1,7...5,5 В) напряжениями фирмы Sharp, основные параметры микросхемы: IМАКС=1 A, подавление пульсации - до 65 дБ.
Фрагмент принципиальной электрической схемы платы видеоблока рекордеров приведен в архиве. В состав платы входят следующие основные микросхемы:
- IC101 (PMC002A8-K), контроллер собственного производства (через разъем CN101), обеспечивает (через разъем CN404) управление индикатором передней панели, таймером, настройку тюнера, коммутаторами видео- и звуковых сигналов и ряд других функций. Работа встроенных часов поддерживается литиевой батареей ВТ101 (Part No VEM1034), соединенной с выв. 21 (BATTDET) микропроцессора, если напряжение батареи падает ниже 3 В, в работе рекордеров могут наблюдаться различные сбои;
- IC102 (BD4846G-TRB), детектор уровня напряжения фирмы ROHM, UВХ ПОРОГ=4,6 В±1%, ИМС контролирует напряжение в цепи V+5V. При достижения напряжения в этой цепи порогового уровня формируется сигнал блокировки (выв. 1), он поступает на выв. 5 микропроцессора IC101 (сигнал ACDET - Detection of AC Power);
- IC103 (BD3823FV-TBB), интерфейс звуковых сигналов для DVD-рекордеров фирмы ROHM.

Рис. 4. Структура ИМС BA25F18WHFP-TRB

Рис. 5. Структура ИМС BD3823FV-TBB
Структура микросхемы приведена на рис. 5, в ее состав входят: коммутатор входных звуковых сигналов структуры 5 х 2, регулируемые усилители левого и правого каналов, выходные буферные усилители, схема управления, стабилизатор напряжения и формирователь половинного напряжения питания. Микросхема управляется по шине I2C. Коэффициенты усиления каналов микросхемы могут принимать значения 0, 2, 4, 6 дБ, регулировка громкости производится в пределах 0...-30,5 дБ с шагом 0,5 дБ, основные параметры микросхемы:
- напряжение питания (выв.17): 7...15 В;
- максимальное выходное напряжение: 3,6 В (RMS);
- КНИ - 0,001% (при UВХ=2 В, уровне громкости -6 дБ, в полосе частот 400 Гц...30 кГц);
- уровень выходного шума: 3,2 мкВ (RMS при уровне громкости -6 дБ);
- IC404 (MM1501XN-TRB), двухканальный видеокоммутатор фирмы Mitsumi, в рекордерах обеспечивает коммутацию сигнала цветности;
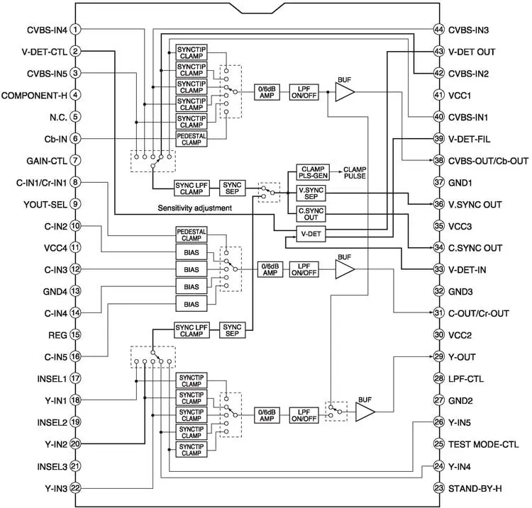
- IC401 (LA73031V-TBB), коммутатор видеосигналов для DVD-рекордеров фирмы Sanyo. Структура микросхемы приведена на рис. 6, в ее состав входят: фиксаторы уровня синхроимпульсов видеосигналов (SYNCTIP CLAMP, PEDESTAL CLAMP), синхронизируемые ФНЧ с фиксаторами уровня (SYNC LPF CLAMP), селекторы синхроимпульсов (SYNC SEP), видеоусилители (0/6 дБ AMP), ФНЧ (LPF), генератор импульсов фиксации уровня (CLAMP PLS-GEN), селектор кадровых синхроимпульсов (V. SYNC SEP), селектор вспышек (C. SYNC OUT), видеодетектор (V-DET), буферные каскады (BUF).
Основные особенности микросхемы:
• коммутатор видеосигналов 6 в 1;
• коммутатор видеосигналов 5 в 2;
• управляемые схемы фиксаторов уровня (Keyed clamp);
• встроенные видеоусилители с КУ=6 дБ;
• встроенные ФНЧ с частотой среза 6 МГц;
• встроенный видеодетектор;
• выход композитных синхроимпульсов (Composite sync output);
• режим ожидания (Standby mode).

Рис. 6. Структура ИМС LA73031V-TBB
В состав платы видеоблока входит также ряд линейных стабилизаторов напряжения, выполненных на дискретных транзисторах, проверять исправность которых необходимо при проведении ремонта:
- неуправляемый и постоянно включенный стабилизатор напряжения +12 В (цепь V+12VOL) реализован на транзисторе Q412 2SC4081 (QR)-TLB (UКЭ МАКС=50В IKМАКС=0,15 A РК=0,2 Вт h21Э 120...560, f≥180 МГц), имеется несколько функциональных аналогов этого транзистора, в частности 2SC2412K, 2SC5658, 2SC4617, 2SC1740S (корпуса и цоколевки транзисторов различаются);
- неуправляемый стабилизатор напряжения +5 В (цепь V+5VO) выполнен на транзисторе Q406 2SC2411K (QR)-TLB (параметры приведены выше);
- управляемый стабилизатор напряжения +31 В (цепь V+31V), выполненный на транзисторной сборке Q413 UMF23N-TLB, сборка содержит p-n-p и n-p-n-тран-зисторы, структура сборки и нумерация выводов приведены на рис. 7. Параметры p-n-p транзистора сборки: UКЭ=-50 В, Iк=-150 мА, РК=150 мВт, h21Э=180-390, fT≥140 МГц. Включение стабилизатора осуществляется по цепи TUON;
- управляемые стабилизаторы напряжения +6 B (V+6BB,V+6TU) выполнены на транзисторных сборках Q411, Q402 UMF21N-TLB, отличающихся от вышерассмотренной сборки только параметрами (UКЭ=-12В, IK=-0,5A, h21Э=270...680, fT>260 МГц).

Рис. 7. Структура транзисторной сборки UMF23N-TLB
Стабилизаторы напряжения, выполненные на рассмотренных сборках, используются для питания ТВ тюнера VXF1060 TV FRONT-END. На выходах тюнера формируются видеосигнал (ПЦТС) и сигналы ПЧ звука (подаются на многостандартный декодер, выполненный на микросхеме MSP3417G, см. структурную схему в архиве).
Принципиальная электрическая схема источника питания рекордеров приведена в архиве. Первичная часть источника питания выполнена на дискретных элементах по схеме обратноходового преобразователя. В качестве выходного силового ключа применен полевой транзистор Q1 2SK2843, напряжение питания узла драйвера преобразователя поступает через транзистор Q71 2SC5122, стабилитрон D73 HZS33 и диод D72 1SS133. Сигналы обратной связи от вторичной части источника питания подаются через оптроны PC1, PC2 (PC123). Для температурной защиты используется терморезистор с отрицательным ТКС NTC1 типа NTPAA3R9. Приведем параметры некоторых микросхем,транзисторов и стабилитронов, подбор аналогов которых может потребоваться при ремонте.
- PQ070VK02, регулируемый стабилизатор напряжения фирмы Sharp, основные параметры микросхемы: UВХ=2,35...10 В; Uвых=1,5...7 В; Iвых=2 A; подавление пульсаций - 60 дБ; нестабильность - 0,2%;
- PQ05RD21, стабилизатор напряжения фирмы Sharp, основные параметры: Uвх≤20 В ; Uвых=5 В; IВЫХ=2 A; подавление пульсаций - 55 дБ, нестабильность - 0,5%;
- 2SK2843, полевой транзистор типа π-MOSV фирмы Toshiba, основные параметры: UСИ=600 В; IС=10 A; РС= 45 Вт; Rds on=0,54 Ом; СВХ=2040 пФ; СВЫХ=590 пФ; tON/tOFF=58/190 нс; tR/tp=22/36 нс; Qзатв=45 нК;
- 2SC5122, p-n-p транзистор с тройной диффузией фирмы Toshiba, основные параметры: UКЭ=400 В; IK=50 мА; РК=0,9Вт; h21Э=100...300; UКЭ НАС=0,4В;
- RSS075P03, полевой транзистор с Р-каналом и встроенными диодами, основные параметры: UСИ=30 В; IС=±7,5 A; РРАСС=2 Вт; RDS ON=15 мОм; СВХ=2900 пФ; СВЫХ=540 пФ; tON/tOFF=20/85 нс; tR/tF=35/90 нс;
- стабилитроны фирмы Renesas: D73 (HZS33 - 31,2.32,6 В/2 мА); D5, D33, D71 (HZS9B2 - 8,5...8,9 В/5 мА); D10 (HZS15 - 14,1...14,7 В/5 мА); D31 (HZS12A2 - 11,9.12,4 В/5 мА) (указан диапазон напряжений стабилизации при соответствующих обратных токах).
Контроль выходных напряжений источника питания удобно проводить на контактах разъема CN4501 главной платы рекордеров (рис. 3). Однако возможна и индивидуальная проверка работоспособности источника питания при отсоединении потребителей от разъемов CN201, CN202. При этом для включения рабочего режима источника питания следует подать на контакт 23 (PO_ON/OFF) разъема CN201 постоянное напряжение 2,5...3 В.
В рассматриваемых рекордерах интегрированы системы ручной и автоматической диагностики неисправностей, ознакомление с их особенностями требует отдельного рассмотрения.
Все необходимые схемы, упомянутые в статье можно найти здесь.
Автор: Юрий Петропавловский (г. Таганрог)
Источник: Ремонт и сервис
