Как правило, телевизоры Samsung 5000-й серии достаточно надёжны и в течение гарантийного периода эксплуатации редко выходят из строя. А вот когда это время заканчивается (впрочем, это происходит и со всей современной бытовой электроникой, ресурс которой рассчитывается фактически только на гарантийный срок), появляются проблемы. Одна типовая неисправность этих ТВ - пропадание задней светодиодной подсветки (LED-Direct) - уже подробно рассматривалась на страницах Р&С [1]. Оказывается, у этих ТВ имеется ещё одна типовая неисправность, которая проявляется, на первый взгляд, точно так же - изображение отсутствует, а звук есть, телевизор управляется с ПДУ (судя по звуку, каналы переключаются).
Для того чтобы убедиться в том, что LED-подсветка работает, достаточно посмотреть на заднюю крышку включённого ТВ - через вентиляционные отверстия видно свечение LED-линеек.
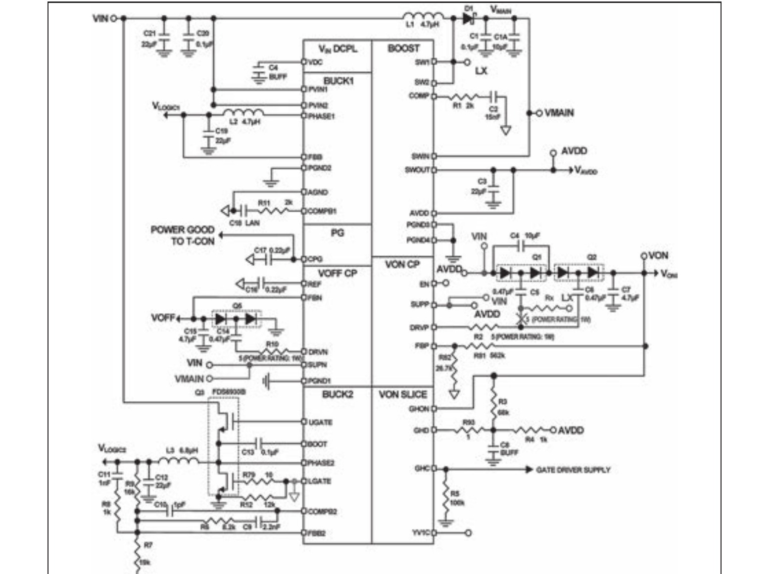
Для функционирования ЖК панели на неё необходимо подать видео- и синхросигналы, а также питающие напряжения для самой ЖК панели, для драйверов строк, столбцов и логических ИМС. Все эти сигналы и напряжения формируются с помощью платы контроллера таймингов T-CON. В 32-дюймовых моделях 5000-серии используется плата типа RUNTK5351TP (см. внешний вид на рис. 1).

В нашем случае, для того чтобы убедиться в том, что неисправна именно эта плата, достаточно мультиметра. С телевизора снимают подставку, заднюю крышку, укладывают его панелью на рабочий стол, подключают к сети, включают сетевой кнопкой и, после того как включится задняя подсветка, контролируют на плате T-CON входное напряжение 12 В и выходные напряжения: –5,9 В, 1,2 В, 2,3 В, 5,6 В, 15,6 В, 35 В и т.д. (см. рис. 1).
Как правило, входное напряжение 12 В на плате присутствует, а все выходные - нет. Если это так, значит, неисправна плата T-CON, а на ней - IC200 типа ISL98602IRAAZ фирмы Intersil (см. рис. 2). Эта специализированная ИМС представляет собой источник питания ЖК панелей, в составе ИМС:
- мощный повышающий DC/DC-конвертор для формирования напряжения AVDD;
- драйверы с накачкой заряда для формирования напряжений VON и VOFF;
- два синхронных понижающих DC/DC-конвертора для формирования напряжений питания логических ИМС;
- узел формирования сигнала готовности Power Good.
Основные особенности и электрические характеристики этой ИМС:
- Входное напряжение (В): 9,5…15.
- Выходное напряжение VBOOST (В): 10,83…19.
- Максимальный ток в цепи VBOOST (А): 5,5.
- Выходное напряжение VON (В): до 36.
- Выходное напряжение VOFF (В): от –10.
- Выходное напряжение VLOGIC1 (В): 2,5…3,3.
- Максимальный ток в цепи VLOGIC1 (А): 2,5.
- Выходное напряжение VLOGIC2 (В): 0,9…2,0.
- Выходное напряжение VCOM: (зависит от типа панели).
- Выходное напряжение Gamma: (зависит от типа панели).
- Функция авторестарта: Есть.
- Все типы защиты: UVLO, UVP, OVP, OCP и OTP.
- Корпус: QFN40.
Типовая схема включения ИМС ISL98602IRAAZ приведена на рис. 2.

Рис. 2. Типовая схема включения ИМС ISL98602IRAAZ
Все источники работают на ключевой частоте 1,3 МГц. Силовые ключи всех источников, за исключением канала VLOGIC2, встроены в ИМС. Драйверы канала VLOGIC2 рассчитаны на работу с внешними транзисторами MOSFET (на рис. 1 - FET201 типа FDS8984, IRF7907 и т.д.), включёнными по полумостовой схеме. Иногда они тоже выходят из строя.
Для восстановления работоспособности платы T-CON требуется замена ИМС ISL98602IRAAZ. Оригинальную ИМС приобрести достаточно сложно, а вот ИМС китайского производства можно заказать в интернет-магазине, например здесь [2]. Но полученные таким образом микросхемы зачастую отказываются нормально работать. Выяснилось, что некоторые экземпляры отличаются от оригинальных ИМС внутренними цепями источника опорного напряжения, из-за чего при штатном включении выходное напряжение VLOGIC2 увеличивается более чем вдвое - вместо 1,2 В более 2 В. При этом контроллер IC100 типа KL5T3067, который питается этим напряжением, работать нормально не будет, перегревается и выходит из строя. Поэтому после замены ИМС ISL98602IRAAZ, перед первым включением ТВ, следует выпаять резистор, включённый между выв. 16 ИМС и общим проводом (R7 на рис. 1, 2). Если после включения питания напряжение VLOGIC2 будет равно 1,2 В, схему оставляют изменённой. Если же оно окажется заниженным - резистор устанавливают обратно. Никаких других проблем с микросхемой ISL98602IRAAZ больше быть не должно.
Также в практике ремонта были случаи неисправности самой ЖК панели - короткое замыкание в одном из горизонтальных (строчных) драйверов. Поэтому после ремонта платы T-CON следует вначале прозвонить цепь VGH на ЖК панели на отсутствие короткого замыкания (сопротивление этой цепи относительно "земли" должно составлять десятки кОм), а затем уже подключать шлейфы от панели на плату T-CON и проверять работоспособность платы и ТВ в целом.
При отсутствии специального паяльного оборудования и навыков замены подобных ИМС в корпусах QFN можно заказать плату T-CON там же, на [2], она обойдётся примерно в 20…25 долл., срок доставки примерно 2-3 недели. Как правило, приходят абсолютно новые и работоспособные платы (автор в этом убедился лично), только при заказе нужно точно указать обозначение (Part. №) платы (на рис. 1 на верхней части платы в середине).
Литература и интернет-источники
- Николай Елагин. Схемотехника и ремонт блока питания BN44 00605A ЖК LED-телевизоров SAMSUNG 5000-й серии на шасси U85A. Ремонт & Сервис, № 10-11, 2019.
- Интернет-гипермаркет Алиэкспресс: https://aliexpress.ru
Автор:Сергей Угаров (г. Мытищи)
Источник: Ремонт и сервис
