Подавляющая часть этих неисправностей, как правило, связана с включением телевизора и переводом его в рабочий режим. В этом материале автор делится опытом ремонта телевизоров указанных марок.
Rolsen C1420
ТВ не включается, светодиод на передней панели не светится
При диагностике выяснилось - выходные напряжения блока питания (БП) равны нулю. Схема БП приведена в [1]. Дополнительная проверка выявила, что оказался "пробит" транзистор V802 (2SA1015). После замены неисправного транзистора(аналог - 2SA733) ТВ переключался в дежурный режим, светодиод на передней панели светился красным цветом, но в рабочий режим не переключался. Напряжения на вторичных выпрямителях были ниже нормы. Кроме того, отсутствовало напряжение питания видеопроцессора N201 (TB1238) - на выв. 28 вместо 9 В было 0,59 В. Это напряжение формируется стабилизатором V832, V831, D835 (см. рис. 1 - эта часть схемы отсутствует на схеме базового шасси). Для запуска стабилизатора на базу транзистора V831 поступает сигнал POWER высокого уровня с выв. 7 телевизионного микроконтроллера N001 (TMP87CM38N). Сам транзистор оказался исправен. Было принято решение о замене микроконтроллера. После его замены телевизор начал нормально функционировать.

Рис. 1
При включении ТВ кнопкой "Сеть" он сразу переходит в рабочий режим (светодиод светится зеленым цветом), но вместо изображения появляется "серый растр" с периодически повторяющимися темными линиями по вертикали
Напряжение на шине 130 В было равно 80 В(принципиальная схема приведена в [1]).
Импульсы запуска на базе транзистора строчной развертки V501 были искажены. Также было искажено и пилообразное напряжение на выв. 24 N201. Элементы блока питания были проверены и оказались исправны. Микроконтроллер N001 и микросхема памяти N002 также были исправны, кварцевый генератор (выв. 31 и 32 МК) работал, но обмен между памятью и микроконтроллером по шине I2C при нажатии на кнопки управления отсутствовал. Напряжение на шине питания микроконтроллера (выв. 42) было занижено (вместо 5 В - 3,7 В). Высокий потенциал (сигнал RESET) на выв. 33 МК отсутствовал. После того как был выпаян стабилитрон D004 (RD3.6E), напряжение на шине питания МК повысилось до 4,9 В.
Был проверен транзистор преобразователя V801 (2SC2688), на эмиттере которого формируется напряжение питания МК +5В-А.
Он оказался неисправным (утечка в переходе "коллектор-эмиттер"). После установки нового транзистора напряжение на шине повысилось до 5,03 В, но включаться и нормально функционировать телевизор стал только после установки исправного стабилитрона D004 (в цепи RESET).
Телевизор отключается через несколько секунд после начала работы
Этот аппарат изготовлен на шасси ТВ "Rubin 55MS10-1" и его схема частично соответствует опубликованной в [3].
В этой модели вместо микроконтроллера TDA9353 используется CH05T0102 (аналог TDA9381).
При более детальном рассмотрении, после включения ТВ в рабочий режим, на 1-2 секунды появлялся растр с линиями обратного хода, затем высокое напряжение пропадало и аппарат переключался в дежурный режим.

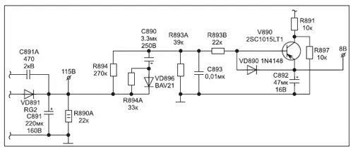
Рис. 2
Микроконтроллер D101 питается напряжениями 3,3 В (выв. 54, 56, 61) и 8 В (выв. 14, 39). Но на шине 8 В напряжение было занижено и составляло 7,8 В (фрагмент узла стабилизатора показан на рис. 2). Оказался в обрыве резистор R894 (230 кОм). После замены резистора телевизор нормально включился. Возможно после ремонта потребуется коррекция размера по вертикали и не будет звука. Для устранения этих проблем входят в сервисный режим:громкость звука устанавливают в нулевое значение, после этого одновременно нажимают на ПДУ кнопки MUTE и МENU. Такой вход в сервисный режим используется только для прошивки CH05T0102. При проблемах со звуком проверяют установки параметров MODE (должно быть 24) и OPT (должно быть F3).
Rubin 5510 MT (шасси ШЦТ-730)
ТВ не включается, светодиод на передней панели не светится
При диагностике выяснилось, что "пробит" транзистор строчной развертки VT701 (BU2508DF) (принципиальная схема приведена в [2]). После замены транзистора (он имеет встроенный диод) переход ТВ в рабочий режим сопровождался высоковольтными разрядами, которые бывают при отсутствии заземления аквадага кинескопа или внутренних пробоях кинескопа. В данной модели аквадаг кинескопа подключен не к корпусу ТВ (см. схему), а к разрядникам, установленным в разъеме X301.
Для выяснения причины дефекта аквадаг кинескопа с помощью перемычки J202 был подключен к корпусу ТВ, а для исключения влияния схемы ограничения тока лучей кинескопа был отпаян резистор R714, подключенный к выв. 8 строчного трансформатора. После этого ТВ включился в рабочий режим, но сгорел резистор R608, подключенный к выв. 9 микросхемы кадровой развертки (он стоит в цепи формирования напряжения вольтодобавки). Причина - неисправная микросхема кадровой развертки D600 (самовозбуждение). После замены микросхемы ТВ включался в рабочий режим, но высокое напряжение отсутствовало, не было импульсов запуска строчной развертки с выв. 48 D101 (STV2249C). Причина подобного дефекта - неисправен конденсатор С133 (47мкФ 25 В), подключенный к выв. 46 МК. После замены конденсатора ТВ стал нормально функционировать.
Rolsen C2116
ТВ не переключается в рабочий режим, светодиод на передней панели светится красным цветом
В отличие от базовой схемы БП (принципиальная схема приведена [1]) в этой модели есть некоторые отличия. Схема вторичных цепей этого БП показана на рис. 3. Строчная развертка питается напряжением 115 В.

Рис. 3
При измерении вторичных напряжений оказалось, что напряжение на шине 115 В равно 25 В, на шине 9 В - 3,3 В, то есть, по всем признакам, ТВ находится в дежурном режиме. Были проверены потребители вторичных напряжений
- транзистор и трансформатор строчной развертки V502, T100, генератор строчной развертки N201 (ТВ1238АN, микросхема кадровой развертки N401 (TA8403) и УМЗЧ N601 (TDA2611) на наличие короткого замыкания по шинам питания
- все элементы оказались исправными. Напряжение на выв. 7 микроконтроллера N001 (сигнал POWER) составляло 4,5 В, что соответствовало рабочему режиму. При проверке транзистора V805 была обнаружена утечка между его эмиттером и базой. После замены исправного транзистора напряжение на шине 115 В увеличилось до 60 В, что также являлось недостаточным для работы строчной развертки (причем, переменным резистором RV801 это напряжение не регулировалось). Был проверен транзистор V806, утечку в котором между базой и эмиттером удалось определить только после выпайки его из платы. После замены неисправного транзистора телевизор начал нормально функционировать. Вместо транзистора 2SC1815 (V806) можно использовать аналог - 2SC945.
Rolsen C2150
Телевизор не включается
При диагностике выяснилось, что ТВ не переходит в рабочий режим, светодиод на передней панели светится красным светом. Аппарат на нажатие кнопок передней панели не реагирует. В отличие от базового шасси (см. [3]) в последних модификациях устанавливается микроконтроллер TDA9381 (вместо TDA9353, показанного на схеме). Назначение выводов этих процессоров совпадает, но имеются принципиальные отличия:
- TDA9381 предназначен для кинескопов с углом отклонения лучей 90°, а TDA9353 - 110°;
- TDA93181 не имеет декодера телетекста.
Рабочий режим на шасси включается после подачи напряжения 8 В на выв. 39 микроконтроллера DA101 (TDA9381PS/N2/2I1229), которое формируется стабилизатором DA801 (выв. 3). Стабилизатор управляется сигналом с выв. 1 МК через ключ на транзисторе V105. При высоком уровне напряжения на этом выводе включается рабочий режим, а при низком - дежурный. Было предположено, что неисправен микроконтроллер. В качестве дополнительного признака его неисправности служило то, что отсутствовал обмен по шине I2C между памятью DD401 (выв. 6, 5) и МК (выв. 62, 63) при нажатии кнопок передней панели. При замене микроконтроллера вместе с ним рекомендуется установить "чистую" (не прошитую) микросхему энергонезависимой памяти DD401 (24С08). Это объясняется тем, что при выходе из строя микроконтроллера в память могут быть записаны некорректные значения некоторых параметров сервисного режима (особенно это касается параметра "Опции"). В результате ТВ может не включаться - но уже по другой причине. При установке же новых микросхем микроконтроллера и памяти в последнюю записываются заводские значения регулировочных параметров. В данном случае, после замены перечисленных выше микросхем ТВ стал функционировать. После этого необходима регулировка параметров изображения в сервисном режиме (в основном требуется регулировка размеров по вертикали и горизонтали).
Rubin 37MO9-2
ТВ не включается, светодиод на передней панели не светится
Напряжение питания строчной развертки занижено: вместо 115 В было 90 В. Напряжение питания МК было равно 4,9 В, на выводе RESET (выв. 2 МК) - был высокий уровень (4,9 В). Принципиальная схема ТВ приведена в [3].
Хотя напряжение питания микроконтроллера на 10% ниже нормы, ТВ должен включаться, но может работать нестабильно.
На входе кварцевого генератора (выв. 51 МК) импульсы были, а на выходе (выв. 50) - нет. При касании вывода кварцевого резонатора ZD401 светодиод начинал светиться красным цветом, но ТВ в рабочий режим не переключался. Было предположено, что неисправен резонатор ZD401 или МК. Были отпаяны согласующие конденсаторы С412 и С413 (47 пФ) от выводов резонатора. После этого ТВ включился и нормально заработал в рабочем режиме. Если конденсаторы С412, С413 не устанавливать, ТВ будет работать неустойчиво.
Rolsen C2170T
При включении в сеть телевизор находится в дежурном режиме, светодиод светится красным цветом, но в рабочий режим ТВ не переключается
При измерении напряжения на выходе БП присутствует напряжение 11 В (принципиальная схема ТВ приведена в [2]), которое используется для питания стабилизатора
3,3 В на транзисторе V806, от которого питается микроконтроллер.
На шине 115 В имеется 16 В, что соответствует дежурному режиму.
Генератор в составе микроконтроллера TDA9351 с прошивкой Rolsen FPT 2.1 (выв. 58 и 59) не работает. Напряжение питания микросхемы вместо 3,3 В составляет
2.4 В. При отключении шины питания от микросхемы TDA9351 (достаточно отпаять перемычку от дросселя L403) напряжение на эмиттере транзистора V806 повысилось до
3.4 В. Было сделано предположение что неисправен микроконтроллер. После его замены ТВ включился, но перегорел резистор R608 (22 Ом, установлен по шине питания микросхемы кадровой развертки 45 В от строчной развертки). Оказалось, что вместо микросхемы TDA8351 установлена TDA8357. Хотя это аналоги, но одна из микросхем питается напряжением (выв.
6) 18 В (TDA8357), а другая (TDA8351) - 45 В. После установки исправной микросхемы TDA8351 ТВ начал функционировать нормально.
Очень часто в ТВ ROLSEN неисправность кадровой развертки может стать причиной отключения телевизора в рабочем режиме (это происходит сразу или через несколько секунд). В этом случае ТВ переходит в дежурный режим по сигналу с выв. 1 микроконтроллера D101. Этот сигнал формируется не только при переводе аппарата в дежурный режим принудительно (с пульта ДУ), но и при больших токах кинескопа и при отсутствии кадровых импульсов VGUARD, которые формируются на выв. 8 микросхемы TDA8351 и через буфер VT102 поступают на выв. 50 D101. Телевизор не включается, светодиод на передней панели не светится
При проверке БП оказалось, что перегорел предохранитель FU802 (1 А), диод вторичного выпрямителя VD817 и силовой транзистор блока питания VT801 (P4NK60Z). Эти элементы были заменены, после этого ТВ включился на несколько секунд, но вышли из строя те же самые элементы, а также резистор R805 (4,7 Ом/5 Вт). Причиной этого оказался транзистор выходного каскада строчной развертки VD701 (HD1651C), исправность которого проверить тестером довольно сложно, он имеет встроенный диод между эмиттером и коллектором, и резистор между базой и эммите-ром номиналом 50 Ом. После установки исправного транзистора ТВ работает нормально. Для повышения чувствительности защиты БП от перегрузки можно путем установки резистора R845 большего номинала (примерно, 4...5 кОм).
Rubin 55M10-8
Телевизор не включается
Заниженным оказалось напряжение дежурного режима - на выходе выпрямителя VD821 (см. [2]) вместо 7 В было 2 В (в рабочем режиме это напряжение должно повышаться до 11 В). Оказался неисправным тиристор VS802 (MSR22). После замены тиристора (аналоги - MSR 100, BD139) появились напряжения, соответствующие дежурному режиму ТВ. Но аппарат не переходил в рабочий режим, а при нажатии кнопки меню напряжения на шине I2C уменьшалось до 2 В (выв. 5 и 6 микросхемы D404) и, соответственно, ТВ на нажатие на кнопки панели управления не реагирует. Одним из предположений было, что аппарат не переходит в рабочий режим по причине превышения тока лучей кинескопа (выв. 49 процессора D101, измерение напряжения на котором показало, что оно занижено и составляет в момент включения доли вольт). Причина этого состояния была выяснена после снятия платы кинескопа, при этом появилось высокое напряжение, которое сопровождалось высоковольтными разрядами в колбе кинескопа. Оказался неисправен кинескоп, после замены которого нормальная работа ТВ восстановилась.
Rubin 55M10
Телевизор не включается
К сожалению, некоторые виды неисправностей в этих моделях ТВ связаны с ошибками монтажа во время сборки шасси, что и было обнаружено в этом случае (принципиальная схема приведена в [2]).
При более тщательной проверке выяснилось, что ТВ включается, но происходит это с задержкой примерно в 15 секунд, при этом светодиод на передней панели аппарата после нажатия кнопки "POWER" не светился. По окончании задержки светодиод загорается красным светом и в дальнейшем ТВ нормально функционирует В блоке питания установлен контроллер типа TDA16846. Напряжение запуска на выв. 14 этой микросхемы поступает через усилитель на транзисторе VT802, током которого заряжается конденсатор C818. Вместо положенного по схеме номинала этого конденсатора 47 мкФ, был установлен конденсатор номиналом 220 мкФ, поэтому включение блока питания задерживалось. После установки конденсатора С818 емкостью 47 мкФ ТВ стал нормально включаться.
Иногда имеет место задержка включения телевизора в рабочий режим (от 5 до 15 секунд), которая также связана с недостаточным напряжением на шине питания микроконтроллера и памяти. Особенно четко это проявляется при утечке одного из фильтрующих конденсаторов (С849, С411). Если между нажатием кнопки (например, включения канала) на пульте или на панели проходит несколько десятков секунд, прежде чем телевизор перейдет в рабочий режим, даже тестером можно заметить заметное повышение напряжения по шине 3,3 В. После замены соответствующих конденсаторов нормальная работа ТВ восстанавливается.
Литература
1. "Ремонт & Сервис" №11, 2003, с. 7-15.
2. "Ремонт & Сервис", № 6, 2004, с. 13-18.
3. "Ремонт & Сервис", № 6, 2005, с. 15-21, № 7, 2006, с. 5-8.
Автор: Владимир Петров (г. Москва)
Источник: Ремонт и сервис
