Механизм типа "Н" применяется в большом числе видеомагнитофонов, моноблоков и комбинированных устройств фирмы SONY Из известных автору к таким аппаратам относятся следующие модели: видеомагнитофон SLV-E160/E170 (БВГ с двумя головками), SLV-E470/E510/E570 (БВГ с четырьмя головками), ряд моделей видеомагнитофонов серии Х (SLV-X15/X315/X325/ X335/X42/X515), моноблоки KV-14V4, KV-V2110K/P, а также комбинированные устройства SLV-7000K/CH, SLV-7700KME и SLV-7700KML. Приведенный перечень моделей не является исчерпывающим. Чтобы определить наличие механизма "Н" в той или иной модели видеомагнитофона или комбинированного устройства, можно ориентироваться на рис. 1, 2, на которых приведены внешний вид этого механизма сверху и снизу. На рисунках обозначены следующие узлы и детали механизма "Н": EF901 - головка общего стирания; 318 - верхний цилиндр БВГ с шестью головками; 264 - блок головок управления и звука; М902 - двигатель ведущего вала (как правило, для его управления используется микросхема LB 1887 фирмы SANYO); 267 - узел прижимного ролика;
301 - приемный подкатушечник; 256 - кассетоприемник в сборе;
302 - подающий подкатушечник; 319 - нижний цилиндр БВГ с двигателем электропривода(как правило, для его управления используется микросхема ВА6415 фирмы ROHM); М903 - узел двигателя загрузки; S901 - программный переключатель; 365 - пас-сик привода подкатушечников; 201 - оптический блок проигрывателя дисков. Цифровые и буквенно-цифровые обозначения соответствуют Ref No соответствующих сборочных чертежей и перечней механических деталей.
Рис. 1

Рис. 2
Под оригинальными наименованиями перечисленных узлов и деталей приведены их каталожные номера (Part No).
Комбинированные устройства ("комби") "SONY SLV-7000K/CH/PS, SLV-7700KME/KML" являются сложными многофункциональными и дорогостоящими устройствами высокого класса и представляют собой комплексы из проигрывателей дисков (CD, VCD) и стереофонических видеомагнитофонов VHS Hi-Fi. В проигрывателе дисков применен оптический блок с лазерным диодом, работающим в диапазоне 780.790 нм. Диапазон воспроизводимых частот устройства составляет 2.20000 Гц ±0,5 дБ, отношение сигнал/шум - 105 дБ, коэффициент нелинейных искажений - не более 0,0022%. Возможно воспроизведение дисков VCD, записанных в системах PAL и NTSC. Модели SLV-7700KME/KML имеют тюнеры, перекрывающие практически все эфирные и кабельные каналы различных стандартов телевидения - CATV S01-S05/S1-S41, C13-C57, A-8/A-1, A/W, W+1/W+84 (B/G, D/K, I, M). Видеомагнитофон "комби" записывает и воспроизводит в системах PAL, MESECAM, NTSC, NTSC 4,43. Модели SLV-7000K CH/PS тюнерами не оборудованы.

Рис. 3

Рис. 4

Рис. 5
Сборочный чертеж механизма "Н", состоящий из четырех частей (VHS MECHANICAL DECK ASSEMBLY 1-4), приведен на рис. 3-6. Узлы и детали механизма, необходимость заказа которых может возникнуть при ремонте (кроме показанных на рис. 1, 2), приведена в табл. 1.
Таблица 1. Узлы механизма "Н"
Позиционный номер (Ref No) | Каталожный номер (Part No) | Описание | |
Часть 1 (рис. 3) | |||
254 | Х-3944-797-1 | TG8 ASSY - рычаг обводной стойки TG8 | |
258 | 3-960-215-01 | PLATE, RND SENSOR LIGHT GUIDE - призма левого концевого фототранзистора | |
265 | 3-942-867-01 | NUT, AC HEIGHT ADJUSTMENT - регулятор высоты блока неподвижных головок | |
269 | 3-958-151-01 | GEAR, ELEVATOR - подъемник прижимного ролика | |
271 | 3-958-152-01 | GEAR, TG8 - шестерня привода рычага обводной стойки TG8 | |
272 | 3-958-501-01 | SCREW, ACE ADJUSTMENT - регулятор положения блока неподвижных головок | |
273 | 3-958-153-01 | GEAR, PRESS - шестерня привода узла прижимного ролика | |
Часть 2 (рис. 4) | |||
305 | 3-958-450-01 | BRAKE (S), SOFT - рычаг тормоза обратной подмотки | |
308 | Х-3945-444-1 | BRAKE (T) ASSY, MAIN - рычаг тормоза приемного подкатушечника | |
309 | Х-3945-443-1 | BRAKE (S) ASSY, MAIN - рычаг тормоза подающего подкатушечника | |
312 | Х-3944-363-4 | ROLLER ASSY HC - очиститель видеоголовок | |
Часть 3 (рис. 5) | |||
352 | 3-958-161-07 | GEAR, CAM - программная шестерня | |
353 | 3-958-163-04 | SLIDER, MAIN - программная планка | |
355 | 3-958-157-02 | WHEEL, WORM - промежуточная шестерня | |
356 | 3-958-155-01 | BEARING, CAM MOTOR - упор узла загрузки | |
357 | 3-958-160-01 | PROPELLOR - насадка узла загрузки | |
359 | 3-958-159-01 | WORM - "червяк" узла загрузки | |
369 | 3-958-156-03 | GEAR, FL DRIVING - шестерня загрузки кассетоприемника | |
Часть 4 (рис. 6) | |||
402 | Х-3943-886-1 | TG1 ASSY - узел ленточного тормоза обратного натяжения | |
407 | 3-962-959-01 | GEAR (S-K), IDLER - шестерня | |
подмотки подающего подкатушечника | |||
408 | 3-962-960-01 | GEAR (T-K), IDLER - шестерня подмотки приемного подкатушечника | |
411 | А-6739-102-А | RKB BLOCK ASSY - узел подмотки/перемотки | |
415 | А-6750-325-А | SHUTTLE (T) BLOCK ASSY - узел приемной наклонной стойки | |
416 | 3-958-485-02 | GEAR (T), LOADING - приемная шестерня узла заправки ленты | |
419 | 3-958-476-01 | GEAR (S), LOADING - подающая шестерня узла заправки ленты | |
424 | А-6750-324-А | SHUTTLE (S) BLOCK ASSY - узел подающей наклонной стойки | |
426 | Х-3944-378-1 | ROLLER ASSY, GUIDE - направляющая стойка | |
Следует отметить, что позиционные номера на приведенных рисунках соответствуют перечням механических деталей рассматриваемых комбинированных устройств. В перечнях деталей других моделей аппаратуры могут быть использованы и другие позиционные номера для одних и тех же деталей и узлов (Part Nо и наименования большинства узлов и деталей при этом не изменяются). Например, совершенно другие Ref No используются в моноблоках "SONYKV-V2110K/P, KV-14V4". В частности, в них применен БВГ с верхним приводом на позиции Ref No 770, Part No 1-759-034-11 DRUM ASSY (DZH-72A-R). Верхний цилиндр этого БВГ с двумя головками не имеет позиционного номера и отдельно не поставляется.

Рис. 6

Рис. 7
Порядок разборки/сборки механизма "Н" не приводится в сервисных руководствах отдельных моделей аппаратуры, он подробно описан в отдельном руководстве по сервису механизма "ADJUST-MENT IV (H MECHA) for MECHANICAL ADJUSTMETS (9-973-62311)". Руководство имеет достаточно большой объем, поэтому здесь остановимся только на некоторых характерных моментах процедур разборки, последующей сборки и регулировке механизма.
В ремонтной практике достаточно часто приходится сталкиваться с "заклинившими" кассету аппаратами. Такие ситуации обычно сопровождаются невозможностью включения телевизионной части моноблоков или проигрывателей дисков комбинированных устройств. На рис. 7 показано, каким образом можно удалить "заклинившую" кассету из механизма "Н". Эту процедуру можно осуществить двумя способами - с подключением к двигателю загрузки М903 внешнего источника с выходным напряжением 7...10 В и током 500 мА или вручную, вращением отверткой "червяка" 359. Выгрузка кассеты происходит при подаче на двигатель напряжения с полярностью, показанной на рис. 7, при этом "червяк" 359 вращается в направлении стрелки В (при загрузке - в направлении стрелки А). В процессе выгрузки кассеты в момент достижения направляющими стойками 426 (рис. 6) начального положения (под открытой крышкой кассеты) выгрузку приостанавливают для заправки петли ленты внутрь кассеты. Для этого вращают маховик ведущего двигателя М902(рис. 2)против часовой стрелки до полного выбора петли ленты, после чего продолжают выгрузку кассеты.

Рис. 8
Снятие и установку узла прижимного ролика 267 (рис. 1) следует производить, ориентируясь на рис. 8, в следующем порядке:
• удаляют стопорную шайбу 1 и снимают узел прижимного ролика 2 с оси 6;
• нажимают защелку А в направлении стрелки В, снимают фиксатор 3 (служит также для открывания крышки загружаемой кассеты - Lid opener);
• снимают с оси 6 подъемник прижимного ролика 4.
Установку узла прижимного ролика проводят в обратном порядке в положении подъемника 4 и шестерни привода узла прижимного ролика 5, показанном на рис. 8 стрелкой С. Перед сборкой наносят небольшое количество густой смазки на ось 6 и направляющую 7. Рекомендуемая фирмой смазка типа FLOIL SG-056, однако вполне можно использовать силиконовую или очищенный вазелин.

Рис. 9
В практике ремонта нередки случаи попадания в мастерские аппаратов, подвергшихся неквалифицированному вмешательству, в частности, с неправильно установленным блоком головок управления и звука. Предварительную установку этого блока в нужное положение производят, ориентируясь на рис. 9 с помощью гайки 265 и регулятора положения блока неподвижных головок 272 (позиции по рис. 3). Точную установку блока производят по общепринятым методикам с применением тестовых кассет. После проведения регулировки фиксируют гайки контровочной краской в местах, отмеченных "звездочкой".

Рис. 10
Демонтаж программного переключателя для чистки или замены производят, ориентируясь на рис. 10. Удалив стопорную шайбу 1, снимают промежуточную шестерню 355; удалив вторую стопорную шайбу 2, снимают промежуточную шестерню 355; удалив вторую стопорную шайбу 2, снимают программную шестерню 352, шестерню загрузки кассетоприемника 369 и программный переключатель S901 (см. рис. 5). Перед сборкой, проводимой в обратном порядке, наносят густую смазку в места, отмеченные звездочками на рис. 10. Установку программного переключателя и шестерен 352, 369 производят в положении, в котором идентификационные отверстия А, В, С на них совпадают с соответствующими отверстиями на шасси узла загрузочного двигателя 362.

Рис. 11
После замены или чистки фетра узла ленточного тормоза 402 (рис. 6) необходима регулировка величины обратного натяжения ленты. Ее проводят, ориентируясь на рис. 11. Загружают кассетоприемник без кассеты в нижнее положение и переводят механизм в режим рабочего хода (воспроизведение, запись), при этом в начальной стадии загрузки необходимо нажать одновременно на четыре защелки, находящиеся на верхней крышке кассетоприемника (иначе загрузка будет невозможной). Загрузку и выгрузку удобнее производить, подавая на двигатель загрузки внешнее напряжение питания, но можно и вручную, как это было описано выше. Достижение режима рабочего хода характеризуется следующими признаками: узлы наклонных стоек 415, 425 (рис. 6) надежно зафиксированы в конечных положениях (за БВГ), прижимной ролик опущен и плотно прижат к ведущему валу (при вращении маховика ведущего двигателя ролик должен вращаться).
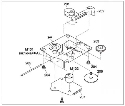
Таблица 2. Узлы механизма проигрывателя дисков
Позиционный номер (Ref No) | Каталожный номер (Part No) | Описание | |
154 | 4-933-112-01 | TABLE, DICK - втулка привода лотка механизма | |
155 | 4-927-649-01 | BELT - пассик привода лотка механизма | |
156 | 4-933-107-01 | GEAR (PL) - промежуточная | |
шестерня узла загрузки лотка механизма | |||
М151 | А-4699-134А | MOTOR (L) ASSY (LOADING) - | |
двигатель загрузки лотка в сборе с насадкой | |||
201 | 8-848-367-11 | OPICAL PICK-UP BLOCK KSS-213/K-N - оптический блок | |
202 | 1-769-069-11 | WIRE (FLAT TYPE) (16 CORE) - | |
соединительный шлейф оптического блока | |||
203 | 4-917-567-01 | GEAR (M) - ведущая шестерня узла позиционирования оптического блока | |
204 | 4-951-940-01 | INSULATOR - амортизатор | |
206 | 4-917-564-01 | GEAR (P), FLATNESS - | |
промежуточная шестерня узла позиционирования | |||
М101 | Х-4917-523-4 | MOTOR ASSY (SPINDLE) - двигатель привода диска (шпинделя) | |
М102 | Х-4917-504-1 | MOTOR ASSY (SLED) - двигатель позиционирования оптического блока |
Предварительно величину обратного натяжения устанавливают вращением регулятора натяжения 1 подходящей отверткой 2 (рис. 11) до совпадения кромки рычага натяжения 4 с первой риской на шасси 3. Точную установку производят с помощью тестовой кассеты или измерителя натяжения лент (например, "тентелометра" фирмы TENTEL). Величина обратного натяжения должна быть в пределах 36...44 г-см.

Рис. 12

Рис. 13
Сборочные чертежи механизма проигрывателя дисков рассматриваемых комбинированных устройств приведены на рис. 12, 13, а в табл. 2 приведены каталожные номера и наименования некоторых деталей и узлов, необходимость замены которых может возникнуть при ремонте.
Фирма SONY рекомендует заменять оптические блоки проигрывателя диска только на указанные в перечне элементов типы (это относится к элементам с примечанием critical safety - критично для безопасности и надежности). Оптические блоки (лазерные головки) KSS-213B/K-N весьма дефицитны, однако в прайс-листах многих отечественных дистрибьюторов электронных компонентов имеются лазерные головки KSS-213A-F по ценам 100.300 рублей. И если перед ремонтником стоит задача только восстановления работоспособности проигрывателя дисков, можно использовать головки KSS-213B, желательно производства SONY (в продаже имеются такие же, дешевле, но неизвестных производителей). При такой замене не исключено ухудшение качественных параметров звука при воспроизведении дисков CD-AUDIO.
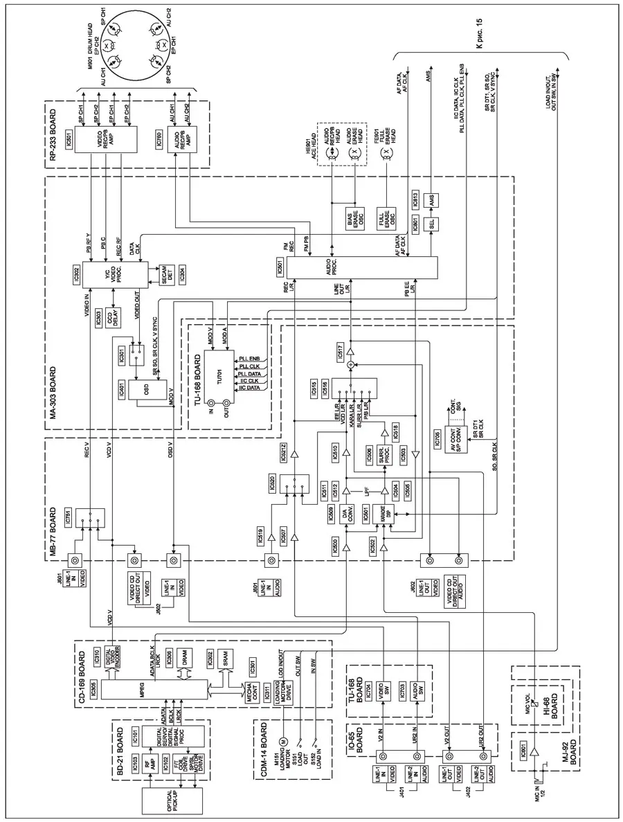
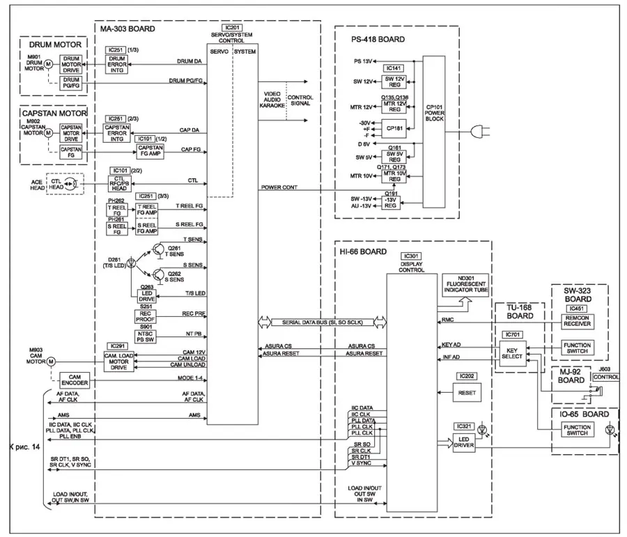
Обобщенная структурная схема комбинированных устройств SLV-7700KME/KML приведена на рис. 14, 15. Основная электронная "начинка" аппаратов размещена на главной плате МА-303, платах проигрывателя дисков BD-21, CD-169, MB-77, плате ТВ тюнера TU-168. Оставшиеся элементы размещены на нескольких небольших платах, а источник питания выполнен на плате PS-418. На главной плате МА-303 расположены следующие основные узлы и микросхемы:
- система управления комбинированного устройства и система авторегулирования видеомагнитофона на основе микроконтроллера IC201 (CXP87360-048Q) собственного производства;
- канал изображения видеомагнитофона на базе IC302 (LA7432M-MPB фирмы SANYO);
- канал монофонического и Hi-Fi звука на базе IC501 (BH7779K-VP фирмы ROHM);
- IC401 (LC74761-9647-TLM фирмы SANYO) выполняет функции формирователя экранных символов;
- IC301 (BA7653AF-E2 фирмы ROHM) обеспечивает коммутацию видеосигналов с проигрывателя дисков и видеомагнитофона;
- IC303 (CXL1510M-N6) собственного производства является ПЗС линией задержки для канала изображения видеомагнитофона;
- IC304 (LA7356M-TLM фирмы SANYO) обеспечивает автоматическое распознавание ТВ сигналов системы SECAM;
- IC801 (BU4053BCF-T2) и IC813 (BA3707) служат для коммутации каналов звука (моно, левый, правый, стерео);
- IC251 (UPC5023GR-089-E2 фирмы NEC) выполняет функции интеграторов для систем авторегулирования БВГ, ведущего двигателя и усилителя сигналов датчиков вращения подкатушечников видеомагнитофона;
- IC101 (TA8823N фирмы TOSHIBA) используется в качестве усилителей сигналов с датчиков скорости двигателя ведущего вала и канала головки управления видеомагнитофона;
- IC291 (BA6209-V2 фирмы ROHM) - микросхема управления загрузочным двигателем.
На плате МВ-77 размещены следующие основные микросхемы:
- IC509 (PCM1710U-A) - сдвоенный 20-разрядный ЦАП (типа CMOS Delta-Sigma) со встроенным цифровым фильтром фирмы BURR-BROWN для тракта CD-AUDIO. Микросхема обеспечивает низкий уровень помех, шумов и нелинейных искажений (по данным фирмы BURR-BROWN суммарный уровень нелинейных искажений и шумов (THD+N) у этой микросхемы не превышает 0,0025%, динамический диапазон - 98 дБ, отношение сигнал/шум - 110 дБ);
- IC751 (BA7653AF-E2) - 3-канальный коммутатор видеосигналов фирмы ROHM;
- IC520 (MC14052BF) - 3-канальный коммутатор звуковых сигналов фирмы MOTOROLA;
- IC501 (CXD2720Q) - процессор "караоке" собственного производства;
- IC506 (CXA1842S) - процессор "окружающего" звука собственного производства;
- IC515, IC516 (MC14051 BF) - 5-канальный коммутатор фирмы MOTOROLA;
- IC705 (M50253PK) - микросхема управления фирмы MITSUBISHI.
Контроллер проигрывателя дисков выполнен на двух платах - BD-21 BOARD и CD-169 BOARD.
На плате BD-21 BOARD установлены следующие микросхемы:
- IC103 (СХА1821М) - микросхема собственного производства, усилитель ВЧ сигнала, считываемого с дисков;
- IC102 (BA6392P) - микросхема фирмы ROHM, обеспечивает управление катушками фокуса и тре-кинга оптического блока, двигателями диска (шпинделя) и позиционирования механизма проигрывателя дисков;
- IC101 (CXD254Q) - микросхема собственного производства, выполняет функции системы авторегулирования и цифрового сигнального процессора проигрывателя дисков.
На плате CD-169 BOARD установлены следующие микросхемы:
- IC305 (CXD1852AQ) - БИС собственного производства, обеспечивает декодирование сигналов MPEG-1, а также предварительную обработку цифровых сигналов с дисков CD-AUDIO (цепи ADATA, BCLK, LRCK);

Рис. 14
Рис. 15
- IC310 (CXD1913Q) - ЦАП видеотракта собственного производства;
- IC306 (MSM614260C-60TS-K) - динамическое запоминающее устройство типа DRAM (ЗУПВ);
- IC302 (LC3564SM-10) - статическое энергонезависимое оперативное запоминающее устройство фирмы SANYO типа SRAM (static RAM);
- IC301 (HD6433032SK07F) - микросхема системы управления проигрывателя дисков фирмы HITACHI;
- IC311 (M54641FP-TP) - микросхема управления двигателем загрузки лотка фирмы MITSUBISHI.
На плате TU-168 BOARD установлен всеволновый интегральный ТВ тюнер TU701 (Part No 1-693-414-11 TUNER, MOD/IF SOLID TYPE, AERIAL), а также следующие микросхемы:
- IC704 (BA7653AF) - коммутатор видеосигналов (внешний вход/тюнер) фирмы ROHM;
- IC703 (BU4053BCF-T2) - двухканальный коммутатор звуковых сигналов;
- IC701 (TC4052BFHB) - коммутатор логических сигналов управления с кнопок на передней панели и разъема J603 последовательного интерфейса LANC CONTROL.
Предварительные усилители сигналов изображения и Hi-Fi звука, размещенные на плате RP-233, выполнены на микросхемах IC501 типа HA118195NT фирмы HITACHI (канал изображения) и IC760 типа AN3327K фирмы MATSUSHITA (канал звука).
На плате HI-66 выполнена система управления режимами работы и индикации комбинированных устройств, базирующаяся на микропроцессоре IC301 CXP82960-070Q собственного производства.
На плате PS-418 BOARD сосредоточена основная часть элементов системы питания комбинированного устройства - импульсный преобразователь напряжения и вторичные стабилизаторы различных постоянных напряжений.
Автор: Юрий Петропавловский (г. Таганрог)
Источник: Ремонт и сервис
