Как уже отмечалось, что если необходимо что-либо охладить, следует отвести тепло.
Для этих целей в конструкции автомобиля предусмотрена холодильная компрессорная установка.
Хладагент, циркулируя в закрытом контуре климатической системы под определенным давлением, постоянно переходит из жидкого состояния в газообразное и наоборот.
При этом хладагент подвергается сжатию до газообразного состояния, конденсированию путем отвода тепла и испарению при уменьшении давления вовремя подвода тепла.
Рассмотрим два вида реализации системы охлаждения в современных автомобилях
Контур хладагента с расширительным клапаном
Процесс охлаждения в автомобильной климатической системе происходит следующим образом (рис. 1.):
Закаченный компрессором хладагент сжимается, в результате чего происходит нагрев, после этого под определенным давлением поступает в контур высокого давления. Состояние хладагента газообразное, температура примерно 65°C, давление 1,4 МПа (14 бар).

Рис. 1. Процесс охлаждения в автомобильной климатической системе
Далее хладагент в данном состоянии поступает в конденсатор.
Конденсатор является теплообменником, теплообмен обеспечивается мощным воздушным потоком при движении автомобиля и при работе вентилятора. По достижению точки росы, зависящей от давления, хладагент в газообразном состоянии конденсируется и переходит в жидкое состояние. Состояние хладагента жидкое, температура примерно 55°C, давление 1,4 МПа (14 бар)
Далее после конденсатора охлажденный хладагент поступает в ресивер-осушитель, предназначенный для демпфирования колебаний потока хладагента. Данное устройство также осушает влагу, которая попадает в контур конструкции кондиционера.
В данном состоянии жидкий хладагент под высоким давлением и высокой температуре порядка 70°С, подводится к так называемому узкому месту в контуре климатической системы - это может быть расширительный клапан или дроссель.
После чего происходит распыление хладагента в испаритель, при этом давление падает.
Состояние хладагента парообразное, температура примерно от 55°С до -7ºС, давление примерно 0,12 МПа (1,2 бар)
Поступивший в испаритель хладагент расширяется, сильно охлаждается и переходит в газообразное состояние. Температура в испарителе лежит ниже точки замерзания воды. Состояние хладагента газообразное, температура примерно -7°C, давление примерно 0,12 МПа (1,2 бар).
Необходимую теплоту для испарения хладагент забирает из окружающей среды, после чего охлажденный воздух поступает в салон автомобиля.
И вновь хладагент поступает в компрессор для возобновления холодильного цикла.
На рис. 2. показана общая схема системы кондиционирования легкового автомобиля.

Рис. 2. Общая схема системы кондиционирования легкового автомобиля
Компрессор
Компрессор представляет собой нагнетатель хладагента.
Конструктивно компрессоры бывают нескольких типов: поршневые, роторно-лопастные, спиральные и аксиально-поршневые.
Сам компрессор закреплен непосредственно на двигателе, вращение его шкива обеспечивает ремень газораспределительного механизма (ГРМ), на некоторых марках автомобилей вращение шкива обеспечивается отдельным ремнем.
Вращение приводного вала преобразуется в возвратно-поступательное движение поршневой группы в цилиндрах или спирального вала, в зависимости от конструкции компрессора.
Наиболее распространенные устанавливаемые компрессоры в конструкцию системы кондиционирования являются поршневые и роторно-лопастные.
Диапазон частот вращения приводного вала компрессора составляет от 0 до 6000 об/мин, при этом производительность работы климатической системы в целом определяется частотой оборотов двигателя.
Согласование работы компрессора с частотой оборотов двигателя, температурой наружного воздуха и задаваемой водителем температуры воздуха в салоне обеспечиваются автоматически за счет конструктивных решений устройства.
Смазка трущихся частей компрессора осуществляется за счет холодильного масла, которое растворено в хладагенте.
Поршневые компрессоры подразделяются на несколько типов, в зависимости от количества поршней, от 3 до 10, которые работают параллельно приводному валу. Каждому поршню соответствует впускной клапан.
Клапана открываются и закрываются автоматически в соответствии с тактом работы компрессора.
Причем поршни могут быть объединены в ряд, соосно по отношению друг к другу, либо когда поршни направлены в разные стороны (оппозитно), также могут встречаться компрессоры с V- образным направлением поршней.
На рис. 3. показано устройство поршневого компрессора.

Рис. 3. Устройство поршневого компрессора
Роторно-лопастные компрессоры имеют корпус прецизионной формы и ротор с несколькими лопастями.
Конструкция роторно-лопастного компрессора без возвратно-поступательного движения хладагента, как в случае многопоршневого компрессора, присуще высокоэффективное вытеснение газа, тем самым обеспечивается низкий уровень вибрации и бесшумная работа.
При запуске компрессора приводятся в движение лопасти, которые создают полости с переменным объемом, в которые поочередно, через впускное отверстие подается хладагент.
Полость, в которой находится хладагент, под воздействием крутящего момента ротора уменьшается в объеме, при этом выпускное отверстие располагается напротив лопасти, а хладагент достигает максимального давления.
Газообразный хладагент высокого давления открывает пластинчатые клапаны и выходит через выпускное отверстие.
На рис. 4. показано устройство роторнолопастного компрессора.

Рис. 4. Устройство роторнолопастного компрессора
Некоторые конструкции компрессоров изменяют рабочий объем при работе поршневой группы, в других конструкциях данная работа выполняется с помощью включения и выключения электромагнитной муфты.
Электромагнитная муфта осуществляет механическую связь между компрессором и работающим двигателем автомобиля. Она состоит (см. рис. 5) из ременного шкива с подшипником, подпружиненного диска со ступицей и электромагнитной катушки.

Рис. 5. Электромагнитная муфта
Подпружиненный диск со ступицей жестко монтируется на приводном валу компрессора, при этом ременный шкив вращается на подшипнике, закрепленном на корпусе компрессора.
В отключенном состоянии компрессора между ременным шкивом и подпружиненным диском имеется зазор (F на рис. 5.), при этом шкив компрессора свободно вращается.
Во время включения электромагнитной катушки подпружиненный диск сдвигается к вращающемуся ременному шкиву (зазор F устранен). При этом возникает механическая связь, и вал компрессора начинает принудительно вращаться.
После отключения электромагнитной катушки под воздействием пружин диск отходит от ременного шкива и компрессор выключается.
Включение/выключение электромагнитной муфты и в целом компрессора выполняется по сигналу с контроллера электронного блока управления (ЭБУ) автомобиля.
Конденсатор
Конструктивно конденсатор выполнен из изогнутых трубок, изготовленных из алюминиевых сплавов, которые соединены перегородками. Внешне конденсатор напоминает радиатор охлаждения двигателя автомобиля. Он размещается в двигательном отсеке (см. рис. 6.) совместно с радиатором охлаждения ДВС и вентилятором системы охлаждения двигателя.

Рис. 6. Конденсатор
Конденсатор является теплообменником, теплообмен обеспечивается мощным воздушным потоком при движении автомобиля и при работе вентилятора. В некоторых марках автомобилей для этих целей применяется дополнительный вентилятор, что улучшает теплообмен конденсатора.
Под определенным давлением с компрессора в верхнюю часть конденсатора подается горячий газообразный хладагент, температура которого достигает 70°С.
Проходя по трубкам и ламелям конденсатора, горячий хладагент моментально остывает от проходящего потока воздуха.
При определенной температуре и давлении охлажденный хладагент конденсируется и переходит в жидкое состояние. Далее из нижней части конденсатора охлажденный хладагент поступает в ресивер-осушитель.
Ресивер-осушитель
Ресивер-осушитель предназначен для демпфирования колебаний потока хладагента. Также данное устройство осушает влагу, которая попадает в контур конструкции кондиционера.
Конструкция ресивера-осушителя показана на рис. 7.

Рис. 7. Конструкция ресивера-осушителя
Количество воды, с которым благополучно справляется осушитель, может быть от 6 до 14 г. При низких температурах количество влаги увеличивается, также во время работы в осушителе осаживаются частицы грязи и инородных примесей.
Ресивер-осушитель устанавливается непосредственно на конденсаторе и соединен трубопроводом с испарителем (см. рис. 6.).
В состав ресивера-осушителя входит входной и выходной штуцеры, корпус выполненный, как правило, из тонкостенного алюминиевого сплава, внутри корпуса установлены фильтр и осушитель. Осушитель является адсорбентом имеющий пористую кристаллическую структуру, с мельчайшими порами, которые соединены каналами.
В качестве адсорбента используется активная окись алюминия и цеолита.
В современных автомобильных кондиционерах с хладагентом R134a в качестве адсорбента используется цеолит ХН-9.
Системы кондиционирования, заправленные хладагентом R12, на ресиверах-осушителях имеется смотровое окошко, через которое можно контролировать работу системы при включенном компрессоре (см. рис. 8.).

Рис. 8. Системы кондиционирования
A - Прозрачное смотровое окошко: система заправлена или нет;
B - В смотровом окошке наблюдаются пузырьки: недостаток хладагента;
C - В смотровом окошке струи масла: по системе циркулирует холодильное масло;
D - Наблюдается неоднородная жидкость полосами: по системе циркулирует загрязненный хладагент с взвесями, требуется заменить ресивер-осушитель.
Расширительный клапан
Расширительный клапан (см. рис. 9.) представляет собой устройство, которое посредством клапана производит регулирование потока хладагента к испарителю в зависимости от температуры паров хладагента на выходе из испарителя.

Рис. 9. Расширительный клапан
Принцип действия расширительного клапана следующий:
На вход клапана (1) поступает хладагент в жидком состоянии и под высоким давлением.
На выходе хладагент имеет низкое давление, то есть в точке (2) создается низкая температура, при этом реализуется принцип образования холода при расширении газообразного хладагента.
Состояние хладагента газообразное, температура примерно -7°C, давление примерно 0,12 МПа (1,2 бар).
Редуктор контролирует давление хладагента, поступающего в испаритель, с помощью шарового клапана (3).
Таким образом, в испарителе поддерживается постоянное давление, называемое низким давлением контура.
В свою очередь расширительный клапан постоянно реагирует на любое изменение давления, контролируя поток и испарение хладагента в испарителе.
Расширительный клапан находится непосредственно рядом с испарителем (см. рис. 10.).

Рис. 10. Расположение испарителя
Обычно он размещается с передней части ниши воздухозабора.
Испаритель
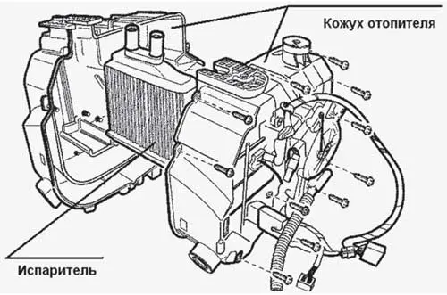
Испаритель конструктивно размещен в корпусе отопителя.
На рис. 11 показан один из примеров расположения испарителя в корпусе отопителя.

Рис. 11. Пример расположения испарителя в корпусе отопителя
Поступивший из расширительного клапана в испаритель хладагент расширяется, сильно охлаждается и переходит в газообразное состояние. Температура в испарителе лежит ниже точки замерзания воды.
Необходимую теплоту для испарения хладагент забирает из окружающей среды, после чего охлажденный воздух поступает в салон автомобиля.
При охлаждении проходящего через испаритель воздуха содержащие в нем водяные пары конденсируются. Конденсат через дренажную трубку сливается под днище автомобиля.
Также следует отметить, что испаритель одновременно выполняет функцию осушителя воздуха за счет конденсации влаги на его внешних стенках.
Контур хладагента с дросселем
В этом варианте реализации системы охлаждения есть небольшие отличия от контура хладагента с расширительным клапаном (рис. 12).

Рис. 12. Вариант реализации системы охлаждения
Во-первых, в ней нет ресивера-осушителя, находящегося в предыдущей системе непосредственно после конденсатора, и вместо расширительного клапана используется расширительная дроссельная трубка. Кроме этого перед компрессором в зоне низкого давления находится ресивер-коллектор. Из особенностей стоит обратить внимание на немного большую чем в системе с расширительным клапаном температуру хладагента при выходе после компрессора (примерно 70°C и более высокое давление - 20 Бар. В зоне низкого давления показатели также немного выше - примерно 1,5 Бар В любой из названных схем присутствуют манометрические отключатели по высокому и низкому давлению.
Разделенные предохранительные выключатели в контуре хладагента с дросселем
В контуре с дросселем низкое и высокое давление зачастую контролируется посредством двух раздельных предохранительных выключателей (рис. 12а).

Рис. 12а. Раздельные предохранительные выключатели
Низкое давление
Выключатель по низкому давлению для климатической установки отключает компрессор, например, при падении давления в контуре по сравнению с номинальным давлением приблизительно на 0,17 МПа (1,7 бар). (Такое падение давления может возникать вследствие недостаточного заполнения контура хладагентом. Компрессор защищен.)
Высокое давление
Выключатель по высокому давлению для климатической установки F118 отключает компрессор, например, при превышении номинального давления в контуре приблизительно на 3,0 МПа (30 бар). Абсолютные величины следует смотреть относительно конкретной климатической установки. Компрессор представляет для двигателя дополнительную нагрузку. Чтобы при очень большой нагрузке на двигатель, например, при движении в горах, не перегреть охлаждающую жидкость, дополнительная нагрузка от компрессора отключается.
Контрольный выключатель по температуре охлаждающей жидкости
Посредством контрольного выключателя по температуре охлаждающей жидкости дополнительно контролируется температура охлаждающей жидкости (рис. 13). (Первым прибором в иерархии приборов контроля является датчик температуры охлаждающей жидкости с контрольной лампой в приборном щитке.)

Рис. 13. Контрольный выключатель по температуре охлаждающей жидкости
Отключение компрессора происходит при температуре приблизительно 119°C, обратное включение - приблизительно при 112°C.
Расширительная (дроссельная) трубка
Дроссельная трубка предназначена для дозирования количества проходящего хладагента, которое достигается наличием калиброванных отверстий.
Так, перед дросселем теплый хладагент находится под высоким давлением, проходя через конструкцию дросселя, происходит резкое падение давления, остывание хладагента с его частичным испарением.
Дроссель представляет собой двухсоставную пластмассовую трубку, в которой имеются сетка-фильтр, сетка-разбрызгиватель и трубка с калиброванным отверстием. Как правило, расширительная дроссельная трубка устанавливается в непосредственной близости от конденсатора.
На рис. 14. показана конструкция расширительной (дроссельной) трубки.

Рис. 14. Конструкция расширительной (дроссельной) трубки
Ресивер - коллектор
Ресивер-коллектор устанавливается в зоне низкого давления, в теплом месте моторного отсека и служит в качестве демпфирующей емкости и сборника для хладагента, холодильного масла, а также защиты компрессора от избыточной влаги и гидроудара.
Выходящий из испарителя газообразный хладагент входит в ресивер-коллектор.
При нахождении в хладагенте следов влаги, вода впитывается в осушитель, встроенном в ресивер-коллектор.
Образование хладагента в газообразном состоянии происходит под пластиковой крышкой и через U-образную трубку исходит в компрессор в виде газа.
Таким образом, в системе постоянное поддерживается газообразное состояние хладагента и отсутствие влаги перед компрессором, что предотвращает повреждение компрессора.
Холодильное масло собирается на дне ресивера-коллектора и входящий в компрессор газ смешивается через U-образную трубку с холодильным маслом.
Сетка-фильтр предотвращает засорение системы кондиционирования загрязненным маслом.
На рис. 15. показано устройство ресивера-коллектора.

Рис. 15. Устройство ресивера-коллектора
Система трубопроводов и соединений
Система трубопроводов холодильного контура включает шланги (гибкие трубопроводы из армированного каучука) и трубки (жесткие трубопроводы из алюминия).
Трубопроводы обеспечивают циркуляцию хладагента в различных агрегатных состояниях по холодильному контуру.
На рис. 16. показан пример расположения системы трубопроводов в моторном отсеке легкового автомобиля, а на рис. 17. показана схема соединения трубопроводов.

Рис. 16. Пример расположения системы трубопроводов в моторном отсеке легкового автомобиля

Рис. 17. Схема соединения трубопроводов
Система трубопровода в своем составе имеет заправочные клапаны (штуцеры).
В большинстве систем имеется два клапана, высокого давления и низкого давления, но на автомобилях, оснащенных редукторами с трубчатым регулирующим вентилем, имеется только один зарядный клапан.
В системах с двумя зарядными клапанами клапаны имеют разный диаметр, чтобы исключить путаницу.
На рис. 18. показано устройство штуцерного подключения к системе кондиционирования.

Рис. 18. Устройство штуцерного подключения к системе кондиционирования
Авторы: Митин М. А., Пчелинцев Н. И.
Источник: Ремонт и сервис
