Проверка компонентов ЭСУД Hyundai ECFI
Начинать диагностику следует после следующих подготовительных операций и измерений:
- двигатель прогревают до рабочей температуры (около 80°С);
- система зажигания должна быть исправна;
- устанавливают новый воздушный фильтр;
- рукоятку АТ переводят в позицию "Р" или "N";
- все дополнительное оборудование (включая кондиционер) отключают;
- во время диагностики вентилятор радиатора системы охлаждения работать не должен;
- в моделях с гидроусилителем руля рулевое колесо устанавливают в положение прямолинейного движения.
Обороты ХХ должны быть в пределах 800±100 об/мин, их величина автоматически поддерживается ЭСУД.
Состав отработанных газов должен соответствовать следующим значениям:
• СО на ХХ - не более 0,5% (на
2500-3500 об/мин - не более
0,3%);
• CH - не более 100 ppm;
• О2 - около 0,1...0,5%.
Если параметры ХХ и состав выхлопных газов не соответствуют штатным значениям, проверяют герметичность впускной и выпускной систем, а также проводят тесты электронных компонентов системы впрыска.
При выполнении диагностических процедур следует соблюдать следующие правила:
- все коммутации разъемов и измерительных приборов выполняют только при отключенном зажигании;
- для защиты катализатора и λ-зонда перед "прокруткой" двигателя стартером отключают разъемы форсунок на время проверки.
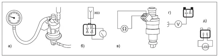
Проверка топливной системы
Проверка давления топлива
Выполняют проверку в следующей последовательности:
- подключают во входной топливопровод манометр (см. рис.8а);
- запускают двигатель и на ХХ проверяют давление топлива;
- с отключенной вакуумной трубкой регулятора давления топлива (регулятор не работает) показание маномера должно быть около 3,0 кг/см2;
- с подключенной вакуумной трубкой регулятора давления топлива (регулятор работает) его величина должна составлять около 2,5 кг/см2.
Возможной причиной неправильного давления топлива могут быть негерметичность топливопровода, неисправность топливного насоса или регулятора давления.
Проверка топливного насоса
Подают напряжение 12 В на контакт Х63 сервисного разъема (см. рис. 8б), топливный насос должен включиться. Если же он не работает - проверяют монтажные соединения в зоне топливоприемника (разъем насоса в лючке под задним сиденьем).
Проверка форсунок впрыска
Проверку выполняют в следующей последовательности:

Рис. 8. Топливная система
- отключают форсунки от жгута и измеряют сопротивление обмоток, его величина должна быть около 13...16 Ом. Если есть отклонения, форсунки заменяют (см. рис. 8в);
- включают зажигание и измеряют напряжение (должно быть около 12 В) на разъемах жгута форсунок "1 - земля" (см.
рис. 8г). Если напряжение равно нулю, проверяют предохранители F, F5, реле K46 и соответствующие соединения;
- подключают между контактами "1 и 2" разъема форсунки LED-ин-дикатор (операцию проводить для каждой форсунки) см. рис. 8д. Затем коротко прокручивают двигатель стартером - индикатор должен вспыхивать. Если этого не происходит, проверяют предохранители F, F5, реле K46, соответствующие соединения и, при необходимости, - ЕСМ;
- подключают форсунки к жгуту, запускают двигатель и на ХХ осциллографом проверяют управляющий сигнал (см. осц. 7 на рис.6).
Впускная система
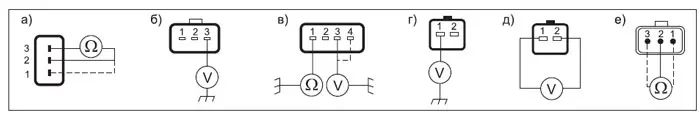
Датчик положения дроссельной заслонки ТР
Выполняют проверку датчика ТР в следующей последовательности:
- отключают разъем датчика ТР и проверяют сопротивление между соответствующими контактами датчика в различных положениях дроссельной заслонки (см. табл. 3 и рис. 9а). При перемещении дроссельной заслонки сопротивление должно изменяться плавно без провалов, если этого не происходит - заменяют датчик ТР;
Таблица 3. Проверка датчика ТР
Контакты датчика ТР | Условия проверки | Результат измерения |
2 и 3 | - | 700.3000 Ом |
1 и 3 | Дроссель открывается | Сопротивление растет |
- включают зажигание и проверяют наличие напряжения 5 В на контакте 3 разъема жгута датчика (см. рис. 9б), если питания нет - проверяют предохранители F, F5, реле K46, соответствующие соединения и, при необходимости, - ЕСМ;
- проверяют выходной сигнал датчика ТР при полном открытии дросселя.
Датчик массового расхода воздуха МАF
Датчик MAF позволяет измерить объем поступающего на впуск воздуха. Его проверяют в следующей последовательности:
- отсоединяют разъем датчика MAF и при включенном зажигании проверяют наличие "земли" на контакте 1 и 12 В - на контакте 3 разъема жгута (см. рис. 9в). Если питания нет, проверяют предохранители F, F5, реле K46, соответствующие соединения и, при необходимости, - ЕСМ;
- подключают разъем к датчику MAF и запускают двигатель, на ХХ на контакте 4 должно быть около 0,7.1,1 В, а при увеличении оборотов до максимальных - напряжение должно возрасти до 4,8 В (см. рис. 9в).
- проверяют выходной сигнал датчика MAF на работающем двигателе при полном открытии дросселя (см. осц. 10 на рис. 6).
Датчик температуры входного воздуха IAT
Датчик IAT позволяет точно измерить температуру поступающего на впуск воздуха. Датчик проверяют в следующей последовательности:
- отсоединяют разъем датчика IAT и при включенном зажигании проверяют наличие напряжения
5 В на контакте 1 разъема жгута (см. рис. 9г). Если напряжение равно нулю, проверяют предохранители F, F5, реле K46, соответствующие соединения и ЕСМ;
- подключают разъем к датчику IAT, запускают двигатель и проверяют изменение напряжения на контактах по мере нагрева двигателя (см. табл. 4 и рис. 9д). При несоответствии данных, приведенных в таблице, датчик заменяют.
Регулятор холостого хода IAC
Таблица 4. Проверка датчика IAT
Контакты датчика IAT | Температура датчика, °С | Результат измерения, В |
1 и 2 | 0 | 3,3.3,7 |
20 | 2,4.2,8 | |
40 | 1,6.2 | |
80 | 0,5.0,9 |
Клапан IAC управляется частотно-модулированным сигналом ЕСМ. Порядок проверки клапана следующий:
- отключают разъем от датчика IAC и измеряют сопротивление обмоток клапана (см. рис. 9д, контакты разъема IAC 1-2, 2-3), его величина должна быть в пределах 10,5.14 Ом;
- включают зажигание и проверяют наличие напряжения 12 В на контакте 2 разъема жгута датчика, если питания нет, проверяют предохранители F, F5, реле K46, соответствующие соединения и ЕСМ;
- проверяют выходной сигнал клапана IAC на работающем на ХХ двигателе (см. осц. 5 на рис. 6).
Проверка элементов системы зажигания
Конструкция системы зажигания ЭСУД "Hyundai ECFI" имеет два варианта исполнения.
- для двигателей SOHC используется схема с общим модулем зажигания и встроенными в его корпус катушками, усилителем;
- для двигателей DOHC используется схема с отдельными на каждый цилиндр модулями зажигания.
Свечи зажигания
В табл. 5 приведены типы свечей зажигания, рекомендованные для двигателя G4K.
Таблица 5. Типы свечей зажигания для двигателя G4K
Типы свечей зажигания | |
Beru | 14FR-7DUX зазор 1,1 мм |
Bosch | FR7DCX зазор 1,1 мм |
Champion | RC10YCC4 зазор 1,1 мм |
NGK | BKR5E-11 зазор 1,1 мм |
Свечи зажигания можно проверить следующим способом:
- для защиты катализатора и λ-зонда отключают разъемы форсунок на время проверки;
- извлекают свечу из двигателя и подключают к одному из высоковольтных проводов распределителя зажигания, обеспечив необходимый для защиты модуля зажигания (около 6 мм) зазор между корпусом свечи и бортовой "землей" (см. рис. 10а);
- коротко прокручивают двигатель стартером и визуально убеждаются в высоком качестве сформированной искры (голубая и "толстая");

Рис. 9. Впускная система

Рис. 10. Система зажигания
- повторяют операцию со всеми свечами зажигания.
Практика эксплуатации HYUNDAI, показывает, что ресурс свечей составляет около 10.15 тысяч километров пробега и зависит от качества используемого топлива. Признаком отказа свечей являются пропуски зажигания и, как следствие, - провалы, потеря мощности в режиме полной нагрузки
Момент и порядок зажигания
ЕСМ рассчитывает угол оптимального опережения зажигания в зависимости от показаний датчиков двигателя и автоматически регулирует его при возникновении детонации. В аварийном режиме система устанавливает постоянный угол опережения около 10 градусов до ВМТ.
Порядок зажигания - стандартный для 4-цилиндрового двигателя: 1-3-4-2. Маркировка цилиндров показана на рис. 10в.
Величина нормального (контролируемого ЭСУД) значения угла опережения зажигания (УОЗ) составляет 9±5°/800 rpm, проверяется с помощью стробоскопа и "в ручную" не регулируется (см. рис. 10а).
Катушка зажигания
Для двигателей SOHC порядок проверки катушки следующий:
- отключают 3-контактный разъем жгута от модуля зажигания;
- включают зажигание и проверяют наличие напряжения 12 В на контакте 3 разъема жгута (см. рис. 10г). Если питания нет - проверяют замок зажигания и монтажные соединения;
- выключают зажигание и измеряют сопротивление первичных обмоток катушек зажигания между контактами 1-3 и 2-3 разъема модуля зажигания(см. рис. 10д) - оно должно составлять 0,5±0,05 Ом;
- измеряют сопротивление вторичных обмоток катушек между контактами 1-4 и 2-3 высоковольтных выходов модуля зажигания (см. рис. 10е) - оно должно быть в пределах 10300.13900 Ом.
Для двигателей DOHC порядок проверки следующий:
- отключают 2-контактные разъемы жгута от каждого из 4-х модулей зажигания;
- включают зажигание и проверяют наличие напряжения 12 В на контактах 1 разъемов жгута (см. рис. 10ж). Если питания нет - проверяют замок зажигания и монтажные соединения;
- выключают зажигание и измеряют сопротивление первичных обмоток катушек модулей зажигания на контактах 1-2 разъема модуля разъем жгута от модуля зажигания;
- включают зажигание и проверяют наличие напряжения 12 В на контакте 3 разъема жгута (см. рис. 10г). Если питания нет - проверяют замок зажигания и монтажные соединения;
- выключают зажигание и измеряют сопротивление первичных обмоток катушек зажигания между контактами 1-3 и 2-3 разъема модуля зажигания(см. рис. 10д) - оно должно составлять 0,5±0,05 Ом;
- измеряют сопротивление вторичных обмоток катушек между контактами 1-4 и 2-3 высоковольтных выходов модуля зажигания (см. рис. 10е) - оно должно быть в пределах 10300.13900 Ом.
Для двигателей DOHC порядок проверки следующий:
- отключают 2-контактные разъемы жгута от каждого из 4-х модулей зажигания;
- включают зажигание и проверяют наличие напряжения 12 В на контактах 1 разъемов жгута (см. рис. 10ж). Если питания нет - проверяют замок зажигания и монтажные соединения;
- выключают зажигание и измеряют сопротивление первичных обмоток катушек модулей зажигания на контактах 1-2 разъема модуля
зажигания (см. рис. 10з) - оно должно быть равно 0,5±0,05 Ом;
- измеряют сопротивление вторичных обмоток катушек между контактами 1 и НТ* модулей зажигания (см. рис. 10и) - оно должно быть в пределах 10300.13900 Ом;
- повторяют операции для каждого модуля зажигания;
- проверяют управляющий сигнал системы зажигания на работающем на ХХ двигателе (осц. 6 на рис. 6).
Проверка датчиков
Датчик температуры охлаждающей жидкости ECT
- извлекают датчик ECT из системы охлаждения двигателя;
- изменяют температуру датчика (например, нагревая его в горячей воде) и проверяют его сопротивление (см. рис. 11а и табл. 6).

Рис. 11. Проверка датчиков двигателя
Датчик положения коленвала СКР
Датчик СКР - электромагнитного типа, он проверяется в следующем порядке:
- отключают 3-контактный разъем от распределителя и проверяют наличие "земли" на контакте 1 разъема жгута (см. рис. 11б);
- измеряют сопротивление обмотки датчика - его величина должна быть в пределах 486.594 Ом;
- подключают разъем распределителя на место. В режиме ХХ с помощью осциллографа проверяют выходной сигнал датчика СКР на контакте 3, его амплитуда должна быть не менее 5.6 В (см. осц. 2 на рис. 6).
* НТ - (high tension) - высоковольтный вывод катушки зажигания.
Таблица 6. Проверка датчика ECT
Температура датчика ЕСТ, °С | Сопротивление датчика ЕСТ, Ом |
0 | 5180.6600 |
20 | 2270.2730 |
40 | 1059.1281 |
60 | 538.650 |
80 | 298.322 |
90 | 219.243 |
Датчик положения распредвала CMP
Датчик CMP синхронизирует момент впрыска топлива с положением распредвала. Собственно, это датчик Холла. Его проверяют в следующем порядке:
- отсоединяют разъем датчика CMP и, при включенном зажигании, проверяют наличие "земли" - на контакте 1 и 12 В - на контакте 3 разъема жгута (см. рис. 11в). Если питания нет, проверяют предохранители F, F5, реле K46, соответствующие соединения и ЕСМ;
- подключают разъем к датчику CMP, запускают двигатель, сигнал на контакте 2 (рис. 11г), должен соответствовать осц. 1 (рис. 6).
Датчик детонации KS
Датчик KS - пьезоэлектрического типа, он генерирует при вибрации переменное напряжение. Амплитуда и частота сигнала зависят от уровня детонации в двигателе, что позволяет ЕСМ соответствующим образом корректировать угол опережения зажигания для гашения возникшей детонации. Работоспособность датчика KS можно проверить следующим образом:
- отсоединяют разъем датчика KS и проверяют наличие "земли" на контакте 1 разъема жгута, измеряют внутреннее сопротивление датчика - его величина должна быть бесконечно большой (см. рис. 11д);
- подключают датчик KS к разъему жгута и на работающем двигателе вызывают детонацию резким открытием дроссельной заслонки;
- правильно работающий датчик KS формирует сигнал синусоидальной формы длительностью 4.6 мс и амплитудой 2,5.3 В. Сигнал с датчика можно проконтролировать на контакте 2 разъема (см. осц. 8 на рис. 6).
Датчик скорости VSS
Конструктивно - это датчик Холла, его проверяют следующим образом:
- обеспечивают доступ к контактам разъема ЕСМ;
- освобождают ведущие колеса трансмиссии, запускают двигатель и включают любую передачу;
- с помощью осциллографа или LED-индикатора проверяют выходной сигнал датчика скорости на контакте 11 разъема ЕСМ (рис. 11е). Напряжение на контакте должно меняться от 0 до 12 В (см. осц. 9 на рис. 6).
Система контроля выпуска
λ-зонд с подогревом
λ зонд - это циркониевый датчик кислорода с подогревом. Напряжение на выходе датчика изменяется скачком (при X>1 его величина менее 0,1 В, а при X<1 - около 0,95 В). Выбранный в системе "Hyundai ECFI" диапазон регулировки 0,97<X<1,03 позволяет оптимально регулировать качество топливной смеси во всех режимах работы двигателя.
Проверка датчика проводится в следующем порядке:
- двигатель прогревают до рабочей температуры (температура масла около 80°С);
- отключают разъем λ-зонда и при включенном зажигании проверяют наличие 12 В (на контакте 3) и "земли" - на контактах 2 и 4 разъема жгута (см. рис. 12а). Если питания нет, проверяют предохранители F, F5, реле К20, K46, соответствующие соединения и ЕСМ;
- измеряют сопротивление обмотки нагревателя между контактами 3 и 4 разъема λ-зонда, его величина должна быть в пределах 7.40 Ом;
- запускают двигатель и удерживают его на повышенных (около 2500 prm) оборотах 2 минуты, делают 2-3 перегазовки и оставляют работать на ХХ;
- напряжение на контактах 1 и 2 разъема λ-зонда должно меняться в пределах 0.0,8 В (осц. 4 на рис. 6), критическим считается длительность переключения уровня сигнала более 300 мс, если время переключения больше - датчик надо заменить.
Клапан вентиляции топливного бака EVAP
Клапан EVAP обеспечивает доступ паров бензина во впускной коллектор. Управление клапаном связано с процессом лямбда-регулирования (клапан включается только при необходимости обогащения топливной смеси), поэтому отказ λ-зонда может привести к исключению клапана EVAP из алгоритма работы ЭСУД. Этот момент необходимо учитывать при диагностике клапана EVAP
Порядок проверки клапана следующий:
- отключают разъем клапана EVAP и при включенном зажигании проверяют наличие 12 В на контакте 2 разъема жгута клапана (см. рис. 12б). Если питания нет - проверяют предохранители F, F5, реле K46 и соответствующие соединения;

Рис. 12. Система контроля выпуска
- отключают разъем клапана EVAP и проверяют сопротивление его обмотки (см. рис. 12в), его величина должна быть около 26 Ом;
- используя внешний источник постоянного тока (12 В), проверяют срабатывание клапана EVAP. При подключении питания - клапан открывается, а при отключении - закрывается (для контроля состояния клапана его можно продувать);
- восстанавливают соединение клапана EVAP, а затем на работающем на ХХ двигателе проверяют управляющий сигнал (осц. 3 на рис. 6).
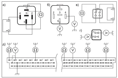
Проверка функции обеспечения ЭСУД
Перед проверкой необходимо осмотреть разъемы и соединения ECM, реле и монтажных блоков на предмет обрывов, отслоений токо-ведущих дорожек, вспученных или треснувших электронных компонентов, окислов белого, сине-зеленого или коричневого цвета. При необходимости устраняют перечисленные проблемы. Проверку функций обеспечения проводят в следующей последовательности:
- извлекают главное реле питания ЭСУД (К46) из разъема, собирают диагностическую схему (см. рис. 13а) и проверяют его срабатывание (контакты 1 и 5 должны замкнуться при подключении питания к контактам 2 и 4);
- проверяют наличие напряжения 12 В (должно быть при подключенной АКБ) на контактах 4 и 5 колодки главного реле питания ЭСУД (см. рис. 13б). Если питания нет, проверяют предохранитель F, замок зажигания и соответствующие соединения;

Рис. 13. Система обеспечения ЭСУД
- извлекают реле К20 топливного насоса из разъема, собирают диагностическую схему (см. рис. 13в) и проверяют его срабатывание (контакты 2 и 4 должны замкнуться при подаче питания на контакты 1 и 3);
- проверяют напряжение на контактах 1 и 4 колодки реле насоса, на контакте 4 всегда должно быть 12 В, а на контакте 1 - 12 В при включении зажигания (см. рис. 13г). Если питания нет, проверяют предохранители F, F5, реле K46 и соответствующие соединения.
В заключение, обеспечивают доступ к контактам разъема ЕСМ (реле К20 и К46 должны стоять на месте) и проверяют подачу питания:
- наличие постоянной "земли" на контактах разъема ЕСМ 1, 6, 10, 18, 33 (см. рис. 13д);
- проверяют питание на контактах разъема ЕСМ 2 (всегда 12 В), 20, 30 (12 В при включенном зажигании). Если питания нет, проверяют предохранители, реле К46, замок зажигания и соответствующие соединения (см. рис. 13д).
Литература
1. Электронный справочник "Autodata" 2004 г.
2. Ютт В.Е. Электрооборудование автомобилей 2000 г.
Автор: Александр Белов (г. Москва)
Источник: Ремонт и сервис
