Электрическая схема и компонентный состав системы
На части автомобилей Волжского автомобильного завода с задне- и полноприводной схемой (ВАЗ-21044/21214) применяется комплексная система управления бензиновым двигателем ЭСАУ-ВАЗ1 с центральным впрыском концерна "GM" (США). В этой системе топливо впрыскивается одной форсункой в агрегат центрального впрыска, установленного вместо карбюратора. В состав системы входят электронный блок управления (ЭБУ), модуль зажигания (МЗ), ряд датчиков и исполнительных устройств.
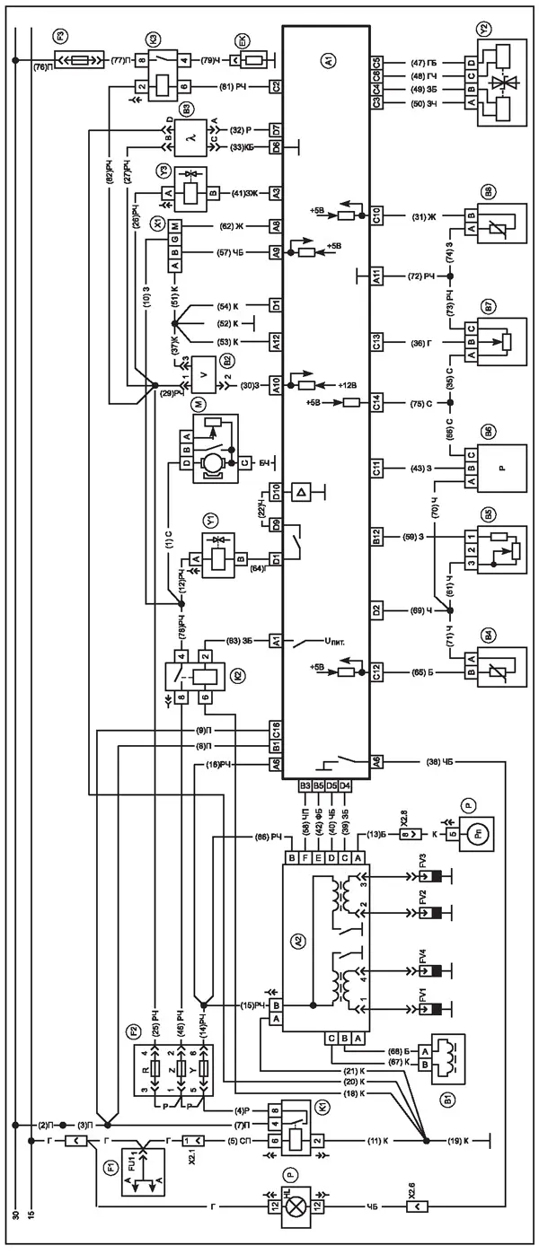
На рис. 1 представлена электрическая схема системы управления двигателем автомобиля ВАЗ-21214 с ЭБУ (контроллером) EFI-4. В отличие от схемы соединений приборов электрооборудования, приводимой в инструкции по эксплуатации автомобиля [2], электрическая схема дает полное представление о взаимодействии всех ее элементов.
Обозначение на рис. 1.: А1 - ЭБУ; А2 - модуль зажигания; В1 - датчик положения коленчатого вала; В2 -датчик скорости автомобиля; В3 - датчик концентрации кислорода (Х-зонд); В4 - датчик температуры воздуха; В5 - октан-потенциометр; В6 - датчик абсолютного давления; В7 - датчик положения дроссельной заслонки; В8 - датчик температуры охлаждающей жидкости; ЕК - электроподогреватель впускной трубы; F1 -основной блок предохранителей автомобиля; F2 -блок предохранителей системы управления двигателем; F3 - предохранитель электроподогревателя впускной трубы; FU1 - предохранитель № 1 (16А); FV1...FV4 -свечи зажигания; HL - контрольная лампа диагностики Chenk Engine; К1 - реле зажигания; К2 - реле включения электробензонасоса; КЗ - реле электроподогревателя впускной трубы; М - электробензонасос с датчиком уровня топлива; Р - комбинация приборов; Pn -тахометр; Х1 - колодка диагностики; Х2 - разъем жгута проводов панели приборов; Y1 - форсунка; Y2 - регулятор холостого хода; Y3 - электромагнитный клапан продувки адсорбера. Обозначения цвета проводов: Б -белый; Г - голубой; Ж - желтый; З - зеленый; К - коричневый; О - оранжевый; П - пурпурный (красный); Р - розовый; С - серый; Ч - черный; Ф - фиолетовый; ГБ - голубой с белой полоской; ГП - голубой с красной полоской; ГЧ - голубой с черной полоской; ЗБ - зеленый с белой полоской; ЗЖ - зеленый с желтой полоской; ЗЧ - зеленый с черной полоской; РЧ - розовый с черной полоской; СП - серый с красной полоской; ЧБ - черный с белой полоской; ЧП - черный с красной полоской; ФБ - фиолетовый с белой полоской.
Комплексная система управления ЭСАУ-ВАЗ имеет в своем составе пять подсистем: входную периферию, состав системы
выходную периферию, электронный блок управления, подсистему улавливания паров бензина и подсистему (модуль) электроискрового зажигания.

Рис. 1. Электрическая схема ЭСАУ-ВАЗ с контроллером EFI-4
Входная периферия
Во входную периферию входят следующие датчики.
Датчик положения коленчатого вала (ДПКВ) В1
индукционного типа предназначен для определения частоты его вращения и синхронизации работы ЭБУ с верхней мертвой точки поршней 1-го и 4-го цилиндров и угловым положением вала. ДПКВ установлен в передней части двигателя напротив специального диска. На диске имеется семь пазов, шесть из которых равноудалены по окружности (через 60°), а седьмой расположен в 10° от одного из них и служит для формирования импульса синхронизации. При вращении коленчатого вала двигателя ДПКВ вырабатывает импульсы переменного напряжения, которые поступают в модуль зажигания (МЗ2). МЗ посылает в ЭБУ сигнал синхронизации по цепи: вывод "Е" МЗ - провод (42) ФБ - вывод "В5" ЭБУ в виде опорного импульса (один сигнал на 180° поворота коленчатого вала). ЭБУ использует эти опорные импульсы для расчета положения коленчатого вала, частоты его вращения и длительности импульса впрыска топлива.
Датчик скорости автомобиля (ДСА) В2, принцип действия которого основан на эффекте Холла, устанавливается на раздаточной коробке. ДСА выдает на ЭБУ прямоугольные импульсы, частота которых пропорциональна скорости движения автомобиля. По этим сигналам ЭБУ устанавливает режим холостого хода двигателя, а также отключает вентилятор системы охлаждения при высокой скорости автомобиля.
Датчик концентрации кислорода (ДКК) В3 устанавливается в выпускном коллекторе. Кислород, содержащийся в отработавших газах, взаимодействует с чувствительным элементом датчика и на его выходе создается напряжение относительно опорного с вывода "D7" ЭБУ от 0,1 В, что соответствует высокой концентрации кислорода (обедненная смесь), до 0,9 В, что соответствует низкой концентрации кислорода (обогащенная смесь). На основе информации от ДКК ЭБУ управляет впрыском топлива по разомкнутому или замкнутому циклу. При пуске, прогреве двигателя, разгоне и полной нагрузке ЭБУ обеспечивает необходимое обогащение топливовоздушной смеси, т.е. имеет место разомкнутый цикл управления топливоподачей. При этом игнорируется сигнал с ДКК и длительность импульса на форсунку рассчитывается на основе информации о частоте вращения коленчатого вала, нагрузке и температуре охлаждающей жидкости. На режимах замкнутого цикла (частичная нагрузка, холостой ход прогретого двигателя) ЭБУ учитывает сигналы со всех датчиков, в том числе и с ДКК, и корректирует длительность топливоподачи таким образом, чтобы соотношение воздух/топливо в горючей смеси поддерживалось на уровне 14,6.14,7:1 (стехиометрическое соотношение). При этом обеспечивается эффективная работа трехкомпонентного каталитического нейтрализатора отработавших газов. Для нормальной работы ДКК должен иметь температуру не ниже 360°С. Поэтому для быстрого прогрева после пуска холодного двигателя в него встроен нагревательный элемент, сопротивление которого лежит в пределах 3,5.13,2 Ом.
Датчик температуры воздуха (ДТВ) В4 и температуры охлаждающей жидкости (ДТОЖ) В8 представляют собой термисторы с отрицательным температурным коэффициентом сопротивления, (т.е. при повышении температуры их сопротивление уменьшается). ДТВ установлен в нижней части корпуса воздушного фильтра, а ДТОЖ - в выпускном патрубке охлаждающей жидкости на головке цилиндров. Температуры воздуха и охлаждающей жидкости ЭБУ рассчитывают по падению напряжения на соответствующей датчике. Причем, чем выше температура, тем меньше падение напряжения на датчике.
Октан-потенциометр (ОП) В5 установлен в моторном отсеке и представляет собой переменный резистор. Он используется для уменьшения угла опережения зажигания в случае применения топлива с более низким октановым числом. Эта регулировка возможна только с применением специального диагностического оборудования, с помощью которого вносятся необходимые изменения в запоминающее устройство ЭБУ.
Датчик абсолютного давления (ДАД) В6 устанавливается на щитке передка моторного отсека и соединяется трубкой с впускным трубопроводом (патрубком корпуса дроссельной заслонки). Давление воздуха во впускной трубе является функцией нагрузки двигателя и частоты вращения коленчатого вала. Основными элементами датчика являются микросхема и пьезоэле-мент. Давление из впускного трубопровода воздействует на мембрану датчика, которая сжимает пьезоэле-мент и на его обкладках появляется сигнал в виде переменного напряжения. Микросхема, встроенная в датчик, преобразует этот сигнал в постоянное напряжение. ЭБУ подает на ДАД через вывод С14 опорное напряжение 5 В. При изменении давления во впускной трубе выходной сигнал датчика изменяется от 0 до 5 В прямо пропорционально изменению давления и поступает в ЭБУ через вывод "С11". При включенном зажигании и неработающем двигателе ЭБУ получает с датчика сигнал (более 4,4 В), соответствующий давлению окружающей среды и использует его как начальное значение, определяющее степень обогащения топливовоздушной смеси с учетом высоты над уровнем моря. При закрытой дроссельной заслонке (холостой ход) давление во впускном трубопроводе минимальное (0,2.0,3 кГс/см2) и напряжение на выходе датчика составляет 1,1.1,5 В. ЭБУ, получив этот сигнал, уменьшает дозу впрыскиваемого топлива. Если дроссельная заслонка полностью открыта (полная нагрузка), то давление во впускной трубе повышается до атмосферного и на выходе ДАД напряжение приближается к 4,4.4,8 В. Сигнал повышенного напряжения, поступившего с ДАД на ЭБУ, приводит к увеличению дозы впрыскиваемого топлива. Информация от ДАД также используется для управления углом опережения зажигания.
Датчик положения дроссельной заслонки (ДПДЗ) В7 - потенциометрического типа. Он установлен сбоку на корпусе дроссельной заслонки и связан с ее осью.
Выходным сигналом ДПДЗ является падение напряжения на переменном резисторе датчика, которое изменяется в зависимости от угла поворота дроссельной заслонки. Выходом датчика является вывод С, который проводом (36) Г соединен с выводом С13 ЭБУ. Полностью закрытому положению дроссельной заслонки соответствует выходное напряжение датчика до 1 В, а полностью открытому - 4.5 В.
Выходная периферия
В выходную периферию входят следующие исполнительные устройства.
Электробензонасос М - роликового типа с приводом от электродвигателя постоянного тока. Он предназначен для подачи бензина к форсунке под давлением 190.210 кПа. Бензонасос устанавливается в топливном баке и питается напряжением 12 В через электромагнитное реле К2, управляемое ЭБУ. Если в течение 2 с после включения зажигания прокручивание коленчатого вала двигателя не начинается, ЭБУ отключает реле электробензонасоса. Дальнейшее включение бензонасоса произойдет при пуске двигателя стартером. Электрическая цепь электробензонасоса защищена плавким предохранителем Z на 15 А (красного цвета), установленным в блоке F2.
Форсунка Y1 представляет собой электромагнитное устройство и служит для впрыска под давлением топлива в смесительную камеру агрегата центрального впрыска. При включении форсунки ЭБУ подает на ее обмотку полное напряжение питания, пока ток не достигнет опорного значения 4 А. Это обеспечивает быстрое втягивание электромагнитного клапана форсунки. Затем ЭБУ обеспечивает снижение тока до 1 А, что предотвращает перегрев обмотки форсунки во время ее работы.
Регулятор холостого хода (РХХ) Y2 регулирует частоту вращения коленчатого вала двигателя в режиме холостого хода путем подачи воздуха в обход закрытой дроссельной заслонки. Он установлен в агрегате центрального впрыска и состоит из шагового электродвигателя с двумя обмотками и конусного клапана. Реагируя на управляющие сигналы ЭБУ, клапан регулятора выдвигается или убирается и тем самым изменяет сечение обходного канала подачи воздуха. При полностью выдвинутом положении (что соответствует 0 шагов шагового двигателя) клапан полностью перекрывает подачу воздуха в обход дроссельной заслонки. Когда клапан втягивается, то обеспечивается расход воздуха, пропорциональный количеству шагов шагового двигателя регулятора. Полностью открытое положение соответствует 255 шагам. Частоты вращения вала двигателя на холостом ходу (при закрытой дроссельной заслонки) запрограммированы в ЭБУ и могут изменяться в зависимости от нагрузки двигателя (включение электровентилятора, компрессора кондиционера и т.д.). Кроме того, РХХ обеспечивает снижение токсичности отработанных газов при быстром закрытии дроссельной заслонки (торможение двигателем) путем увеличения количества воздуха, подаваемого по обходному каналу.
Электроподогреватель впускной трубы (ЭПВТ) ЕК служит для ускоренного прогрева системы впуска холодного двигателя, что обеспечивает быстрое испарение топлива и его равномерное распределение по цилиндрам. В результате улучшаются ездовые качества с холодным двигателем и уменьшается токсичность отработавших газов. ЭПВТ запитывается от системы электроснабжения автомобиля через электромагнитное реле К3, управляемое ЭБУ, при выполнении всех следующих условий:
• температура охлаждающей жидкости ниже 65°С;
• температура воздуха на впуске ниже 80°С;
• напряжение питания более 8 В.
Указанные условия соответствуют непрогретому работающему двигателю с минимальной электрической нагрузкой от вспомогательных агрегатов.
ЭБУ выключает ЭПВТ при выполнении одного из следующих условий:
• температура охлаждающей жидкости не ниже 65°С;
• температура воздуха на впуске выше 80°С;
• напряжение питания менее 6 В.
Указанные условия имеют место на прогретом двигателе и/или при высокой электрической нагрузке от вспомогательных агрегатов.
При включении ЭПВТ потребляется ток до 60 А в течение нескольких секунд, а затем по мере прогрева ток стабилизируется на уровне 20 А.
Таблица 1. Назначение выводов разъемов ЭБУ
Обозначение выводов | Назначение выводов в разъемах ЭБУ | Цвет и цифровая маркировка провода |
А1 | Управление реле электробензонасоса. Соединен со штекером "2" реле. При включении зажигания ЭБУ подает напряжение батареи (12 В) на обмотку реле. При отсутствии вращения коленчатого вала (отсутствии импульсов синхронизации на выводе В5) ЭБУ отключает реле | Зелено- белый (63) |
А3 | Управление продувкой адсорбера. Соединен со штекером "В" электромагнитного клапана продувки адсорбера. При работе двигателя уровень напряжения (0.12 В) зависит от скважности управляющего сигнала, посылаемого на обмотку клапана | Зелено-желтый (41) |
А5 | Управление контрольной лампой "Check Engine". Соединен со штекером 10 комбинации приборов. ЭБУ обеспечивает "массу" для включения лампы. При включенной лампе напряжение на выводе близко к нулю, а при выключенной - равно напряжению батареи | Черно-белый (38) |
А6 | Входной сигнал напряжения с выключателя зажигания. Соединен через зеленый предохранитель Y со штекером "8" реле зажигания. Сигнал не является "питанием" для ЭБУ, а сигнализирует ему только о включении зажигания (при этом напряжение на выводе равно напряжению батареи) | Розово-черный (16) |
А8 | Канал последовательных данных. С этого вывода ЭБУ передает входную и выходную информацию на вывод "М" колодки диагностики в виде серии быстроменяющегося напряжения от высокого (5 В) до низкого (ОВ) уровня. Используя этот сигнал диагностический прибор, подключенный к колодке диагностики, отображает необходимые данные. При подключении к выводу А8 цифрового вольтметра его показания быстро меняются между 1 и 5 В | Желтый (62) |
А9 | Входной сигнал диагностики. Соединен с выводом В колодки диагностики. Когда вывод В колодки не соединен с "массой", напряжение на выводе А9 равно 5 В. Когда вывод В колодки соединен с "массой", возникающее в результате на ЭБУ нулевое напряжение вызывает его работу в режиме отображения кодов неисправностей при неработающем двигателе | Черно-белый (57) |
А10 | Входной сигнал скорости автомобиля. Соединен со штекером 2 датчика скорости автомобиля. ЭБУ подает напряжение 12 В на датчик, который импульсно замыкает его на "массу". Частота импульсов зависит от скорости автомобиля | Зеленый (10) |
А11 | "Масса" датчика температуры охлаждающей жидкости. Соединен через электрические цепи ЭБУ с "массой" двигателя. Напряжение на выводе должно быть близким к нулю | Розово-черный (72) |
А12 | "Масса" ЭБУ. Соединен с "массой" двигателя на кронштейне модуля зажигания. Напряжение на выводе близко к нулю | Коричневый (53) |
В1 | "+" аккумуляторной батареи (питание). Постоянное питание ЭБУ (12 В) от системы электроснабжения автомобиля, в т.ч. и при выключенном зажигании. Этот вывод является также выводом "Память", как и вывод С16 | Красный (8) |
В3 | Низкий опорный сигнал. Соединен через модуль зажигания (вывод F) с "массой" двигателя. Напряжение на выводе близко к нулю | Черно-красный (58) |
В5 | Сигнал синхронизации. Соединен с выводом Е модуля зажигания. Через него в ЭБУ поступают данные о частоте вращения и положении коленчатого вала. При включенном зажигании и неработающем двигателе напряжение меньше 1 В. При работе двигателя напряжение на выводе увеличивается в ростом частоты вращения | Фиолетово-белый (42) |
В8 | Входной сигнал запроса на включение кондиционера. Когда выключатель кондиционера на приборной панели выключен, напряжение на выводе близко к нулю. При включении кондиционера на ЭБУ подается напряжение 12 В | - |
В12 | Входной сигнал октан-коррекции. Соединен со штекером 1 октан-потенциометра. Напряжение на выводе зависит от настройки октан-потенциометра и изменяется в пределах от 1 до 5 В. В зависимости от этого ЭБУ вносит корректировку в угол опережения зажигания для обеспечения возможности использования низкооктанового бензина | Зеленый (59) |
С2 | Управление реле электроподогревателя впускной трубы. Соединен со штекером 6 реле. Напряжение на выводе равно напряжению батареи до тех пор, пока ЭБУ запитывает реле. Затем напряжение близко к нулю. ЭБУ запитывает реле, получив сигнал на свой вывод С10 от датчика температуры охлаждающей жидкости. ЭБУ также запитывает реле в диагностическом режиме (зажигание включено, двигатель не работает), когда замкнуты между собой выводы А и В диагностической колодки | Розово-черный (81) |
С3, СЧ, С5, С6 | Управление регулятором холостого хода. Соединены с регулятором холостого хода. Напряжения на выводах при диагностике не измеряются, так как их трудно предсказать | Зелено-черный (50), зелено-белый (49), голубо-черный (48). голубо-белый(47) |
С10 | Входной сигнал температуры охлаждающей жидкости. Соединен со штекером В датчика температуры охлаждающей жидкости. ЭБУ подает на датчик сигнал 5 В. Напряжение на выводе уменьшается при возрастании температуры охлаждающей жидкости. При рабочей температуре 85.100°С напряжение меньше 2 В | Желтый (31) |
С11 | Входной сигнал абсолютного давления. Соединен со штекером В датчика абсолютного давления. Напряжение на выводе зависит от давления во впускной трубе. При включенном зажигании и неработающем двигателе (высокое давление во впускной трубе) напряжение выше 4,4 В. При работе двигателя в режиме холостого хода из-за разряжения давление во впускной трубе довольно низкое и напряжение на выводе составляет 1,1.1,5 В | Зеленый (43) |
С12 | Входной сигнал температуры воздуха. Соединен со штекером В датчика температуры воздуха. ЭБУ подает на датчик сигнал 5 В. Напряжение на выводе уменьшается при возрастании температуры. При температуре воздуха на впуске 0°С напряжение больше 4 В. При температуре 85.100°С напряжение меньше 2 В | Белый (65) |
С13 | Входной сигнал положения дроссельной заслонки. Соединен со штекером С датчика положения дроссельной заслонки. Напряжение на выводе зависит от угла поворота дроссельной заслонки и изменяется в пределах от 0 до 5 В. В режиме холостого хода двигателя напряжение меньше 1 В, а при полностью открытой дроссельной заслонке равно 4.5 В | Голубой (36) |
Обозначение выводов | Назначение выводов в разъемах ЭБУ | Цвет и цифровая маркировка провода |
С14 | Опорный сигнал 5 В. Соединен со штекером С датчика абсолютного давления и штекером "А" датчика положения дроссельной заслонки. При включенном зажигании напряжение на выводе составляет всегда почти 5 В | Серый (75) |
С16 | "+" аккумуляторной батареи (см. вывод В1) | Красный (9) |
D1 | "Масса" ЭБУ. Соединен с "массой" двигателя на кронштейне модуля зажигания. Напряжение на выводе близко к нулю | Коричневый (54) |
D2 | "Масса" октан-потенциометра, датчика температуры воздуха и датчика абсолютного давления. Соединен через электрические цепи ЭБУ с "массой" двигателя. Напряжение на выводе должно быть близким к нулю | Черный (69) |
D4 | Выход сигнала момента зажигания. Соединен со штекером С 6-контактного разъема модуля зажигания. При включенном зажигании и неработающем двигателе напряжение на выводе очень низкое. В режиме холостого хода двигателя напряжение несколько выше 1 В. С ростом частоты вращения коленчатого вала напряжение на выводе увеличивается | Зелено-белый (39) |
D5 | Управление резервным режимом модуля зажигания. Соединен со штекером D модуля зажигания. При включенном зажигании и неработающем двигателе напряжение на выводе очень низкое. При частоте вращения коленчатого вала выше 500 мин-1 напряжение на выводе составляет 5 В | Черно-белый (40) |
D6 | "Масса" датчика кислорода. Напряжение на выводе равно нулю | Коричнево-белый (33) |
D7 | Входной сигнал датчика концентрации кислорода. Соединен со штекером А датчика. При включенном зажигании и неработающем двигателе напряжение на выводе должно падать с начального уровня 0,45 В до значения меньше 0,20 В. При неработающем двигателе и прогретом датчике напряжение меньше 0,20 В. В случае неисправности подогревателя датчика напряжение на выводе составляет 0,40...0,45 В. При работе двигателя после прогрева датчика напряжение должно изменяться в пределах от 0,01 до 1,0 В | Розовый (32) |
D9, D10 | Ограничитель тока цепи форсунки. Данные выводы соединены между собой перемычкой для создания замкнутой цепи управления форсункой на "массу" через внутренний ограничитель тока. Если данная перемычка отсутствует, двигатель не запускается. Если цепь замкнута на "массу", двигатель работает, но с ухудшением рабочих и ездовых качеств. Длительная работы с такой неисправностью приводит к выходу из строя форсунки | Черный (22) |
D16 | Управление форсункой. Соединен со штекером В форсунки. При включенном зажигании и неработающем двигателе напряжение на выводе равно напряжению батареи. При работе двигателя на холостом ходу генераторная установка автомобиля несколько повышает это напряжение. При повышении частоты вращения Голубой (64) коленчатого вала или нагрузки двигателя происходит некоторое снижение напряжения на выводе по сравнению со значением на холостом ходу | |
Электронный блок управления
Электронный блок управления (ЭБУ) А1 является центральным звеном всей системы. Он получает информацию от датчиков, обрабатывает ее и реализует управление исполнительными устройствами по программе, заложенной в его запоминающем устройстве. В ЭБУ имеется однократно программируемое постоянное запоминающее устройство (ППЗУ) и оперативное запоминающее устройство (ОЗУ). В ППЗУ находится общая программа, которая содержит алгоритмы управления и базовую калибровочную информацию по параметрам впрыска топлива, зажигания и др. Эта память не нуждается в электропитании для сохранения в ней информации, т.е. ее содержимое не стирается при отключении аккумуляторной батареи от бортовой сети автомобиля. ОЗУ - энергозависимая память, которая используется микропроцессором ЭБУ для временного хранения измеряемых параметров и промежуточной информации. При прекращении подачи питания на ЭБУ содержимое ОЗУ стирается. Связь ЭБУ с электрической схемой системы осуществляется посредством 24-клеммового разъема выводов "А-В" и 32-клеммо-вого разъема выводов "С-D". Назначение выводов штекерных разъемов ЭБУ дано в табл. 1.
Электромагнитный клапан продувки Y3
В состав комплексной системы управления входит подсистема улавливания паров бензина, состоящая из угольного адсорбера (емкости с активированным углем) и электромагнитного клапана продувки (ЭМКП) Y3. На неработающем двигателе пары бензина из бензобака подаются в адсорбер, где они поглощаются активированным углем. При работающем двигателе адсорбер продувается воздухом и пары бензина поступают во впускную трубу для сжигания в ходе рабочего процесса. ЭБУ управляет продувной с помощью ЭМКП, расположенного на крышке адсорбера. Управление клапаном осуществляется методом широтно-импульсной модуляции с частотой 16 Гц. Регулировка продувки производится изменением длительности импульса включения клапана: чем больше длительность импульсов, тем выше расход воздуха.
ЭБУ включает ЭМКП при выполнении всех следующих условий:
• температура охлаждающей жидкости выше 80°С;
• система управления топливоподачей работает в режиме замкнутого цикла (при наличии сигнала ДКК);
• скорость автомобиля превышает 21 км/ч (клапан отключится только при снижении скорости до 9 км/ч);
• открытие дроссельной заслонки превышает 2% (клапан отключится только при полном открытии дроссельной заслонки).
Модуль зажигания (МЗ) А2
В подсистеме зажигания распределение высоковольтных импульсов по свечам в цилиндрах двигателя осуществляется статическим (электронным) способом путем коммутации низковольтных цепей катушек зажигания. Для этих целей применяется модуль зажигания (МЗ) А2, состоящий из электронной схемы управления и 2-вывод-ных катушек.
Управление зажиганием включает четыре цепи между М3 и ЭБУ:
• цепь сигнала синхронизации (провод (42) ФБ). М3 получает частотный сигнал с ДПКВ В1, преобразует его в напряжение, пропорциональное частоте вращения коленчатого вала и передает этот сигнал в ЭБУ (вывод "В5");
• цепь опорного сигнала (провод (58) ЧП). Эта цепь соединена с "массой" через М3, поэтому напряжение на ней около нуля;
• цепь резервного режима (провод (40) ЧБ). При частоте вращения коленчатого вала до 500 мин-1 (при пуске двигателя) работой подсистемы зажигания управляет М3 путем включения каждой катушки с заданным интервалом, используя только информацию ДПКВ В1. Как только частота вала двигателя превысит 500 мин-1, ЭБУ переключает управление на себя, подавая на указанную цепь постоянное напряжение 5 В;
• цепь сигнала момента зажигания (провод (39) 3Б). Когда ЭБУ управляет работой подсистемы зажигания, по этой цепи в нужные моменты времени передаются командные импульсы определенной длительности на первичные обмотки катушек зажигания. При этом учитывается информация о положении и частоте вращения коленчатого вала, нагрузке двигателя (абсолютном давлении воздуха), атмосферном (барометрическом) давлении воздуха, температуре охлаждающей жидкости и воздуха на впуске.
Режимы работы системы управления
Количество топлива, впрыскиваемого форсункой, зависит от длительности электрического импульса, подаваемого от ЭБУ на обмотку электромагнитного клапана форсунки. Для увеличения количества подаваемого топлива длительность импульса увеличивается, а для уменьшения подачи топлива - сокращается.
Подача топлива осуществляется либо синхронно, т.е. в определенном положении коленчатого вала, либо асинхронно, т.е. без синхронизации с вращением вала двигателя. Синхронный впрыск топлива является преимущественно применяемым методом. Асинхронная подача топлива применяется, когда необходимо дополнительное количество топлива при резком открытии дроссельной заслонки, о чем ЭБУ получает информацию от ДПДЗ В7.
Независимо от метода впрыска подача топлива определяется режимом работы двигателя.
Режим пуска
При включении зажигания ЭБУ с помощью реле К2 включает на 2 с электробензонасос М, который создает давление в магистрали подачи топлива к агрегату центрального впрыска. В зависимости от температуры охлаждающей жидкости и угла открытия дроссельной заслонки, ЭБУ рассчитывает длительность импульсов впрыска, необходимую для пуска двигателя. Длительность каждого импульса на форсунку на пусковых режимах составляет 4.6 мс. При прокручивании коленчатого вала стартером ЭБУ будет работать в режиме пуска, пока частота вращения вала не превысит 420 мин-1 или до наступления режима "продувки" двигателя.
Режим "продувки" двигателя
Если свечи зажигания в цилиндрах двигателя покрыты топливом (двигатель "залит"), то его пуск может быть осуществлен путем полного открытия дроссельной заслонки при одновременном прокручивании коленчатого вала стартером. В этом режиме ЭБУ выдает на форсунку электрические импульсы длительностью каждый около 2 мс, соответствующие соотношению воздух/топливо 26:1, что "очищает" залитый двигатель. Система управления работает в данном режиме пока частота вращения вала двигателя ниже 420 мин-1 и дроссельная заслонка открыта более чем на 85%.
Режим управления топливоподачей по разомкнутому циклу (без обратной связи)
После успешного пуска двигателя, когда частота вращения вала более 420 мин-1, система управления работает по разомкнутому циклу. В этом режиме ЭБУ рассчитывает длительность импульса на форсунку без учета сигнала датчика концентрации кислорода, поэтому соотношение воздух/топливо в горючей смеси может отличаться от стехиометрического значения 14,6.14,7.1.
Система остается в данном режиме, пока не будут выполнены все следующие условия: • датчик концентрации кислорода прогрет до температуры не ниже 360°С;
температура охлаждающей жидкости выше 32°С;
двигатель проработал определенный период времени после пуска. В зависимости от температуры охлаждающей жидкости в момент пуска двигателя это время составляет от 6 с (при температуре выше 75°С) до 5 мин (при температуре ниже 18°С).
Режим управления топливоподачей по замкнутому циклу (с обратной связью)
В этом режиме ЭБУ производит базовый расчет длительности импульса на форсунку по данным тех же датчиков, что и для режима разомкнутого цикла. Для корректировки и более точной регулировки расчетного импульса ЭБУ дополнительно использует сигнал ДКК (обратную связь) с целью обеспечения максимальной эффективности работы каталитического нейтрализатора.
Режим обогащения при ускорении
ЭБУ, получив информацию от ДПДЗ В7 и ДАД В6, определяет режим быстрого открытия дроссельной заслонки и увеличивает длительность импульса на форсунку, что обеспечивает подачу дополнительного топлива. Если из-за резкого открытия дроссельной заслонки потребность в дополнительном топливе слишком большая, то ЭБУ организует дополнительные асинхронные импульсы впрыска в промежутках между синхронными импульсами, которые при нормальной работе следуют один раз на каждый опорный импульс от ДПКВ В1.
Режим мощностного обогащения
Для развития максимальной мощности двигателя требуется обогащенная горючая смесь, что осуществляется путем увеличения длительности импульса на форсунку. При этом соотношение воздух/топливо составляет приблизительно 12:1. На этом режиме ЭБУ учитывает информацию ДПДЗ В7 и ДПКВ В1 и игнорирует сигнал ДКК В3, так как он будет указывать на обогащенный состав топливной смеси.
Режим обеднения при торможении
При торможении автомобиля с закрытой дроссельной заслонкой топливо, остающееся во впускной трубе, может вызвать повышенные выбросы токсичных компонентов. Чтобы не допустить этого, ЭБУ, получив информацию об уменьшении угла открытия дроссельной заслонки и давлении во впускной трубе, своевременно уменьшает длительность импульса на форсунку и количество подаваемого топлива уменьшается.
Режим отключения подачи топлива при торможении двигателем
При торможении автомобиля двигателем с полностью закрытой дроссельной заслонкой при включенных передаче и сцеплении ЭБУ на короткие периоды времени полностью отключает импульсы впрыска топлива, так как в этом режиме двигатель не выполняет полезную работу.
Отключение топлива наступает при выполнении всех следующих условий:
• температура охлаждающей жидкости выше 44°С;
• частота вращения коленчатого вала выше 3150 мин-1;
• скорость автомобиля выше 42 км/ч;
• дроссельная заслонка закрыта;
• сигнал датчика абсолютного давления показывает отсутствие нагрузки (давление меньше 24 кПа). Возобновление подачи топлива произойдет при выполнении любого из следующих условий:
• частота вращения коленчатого вала ниже 2100 мин-1;
• скорость автомобиля меньше 42 км/ч;
• дроссельная заслонка открыта не менее, чем на 2%;
• сигнал датчика абсолютного давления показывает наличие нагрузки (давление больше 25 кПа);
• сцепление выключено (определяется по быстрому падению частоты вращения коленчатого вала).
Режим отключения подачи топлива
ЭБУ дает команду на прекращение подачи топлива в следующих случаях:
• выключено зажигание;
• отсутствует сигнал с ДПКВ В1;
• частота вращения коленчатого вала выше 6500 мин-1.
Режим компенсации падения напряжения аккумуляторной батареи
Если питание подсистем впрыска топлива и зажигания будет происходить при низком напряжении, то время срабатывания электромагнитного клапана может увеличиться, а искровой разряд между электродами свечи зажигания может оказаться слишком слабым для надежного воспламенения горючей смеси в цилиндрах двигателя. При напряжении питания ниже 12 В ЭБУ увеличивает время накопления энергии в катушках зажигания. Если напряжение питания упадет ниже 8 В, то ЭБУ формирует команду на увеличение частоты вращения коленчатого вала в режиме холостого хода и длительности импульса впрыска.
Автор: Дмитрий Соснин, Александр Фещенко
Источник: Ремонт и сервис
