Для работы современного ЖК монитора требуется сразу несколько питающих напряжений - 1,5, 1,8, 2,5, 3,3, 5, 12 В и др. При всем этом, основным блоком питания вырабатывается одно (как правило, 12 В) или два напряжения (как правило, 12 и 5 В). Для получения остальных номиналов в составе монитора имеется специальный узел - источник постоянных напряжений. Как правило, его элементы размещаются на главной плате (иначе, плате графического контроллера - скалера). Значение этого узла схемы монитора трудно переоценить, так как от его исправности напрямую зависит работоспособность монитора. Поэтому практически при всех неисправностях ЖК мониторов начинать диагностику необходимо именно с этого узла.
Напряжения 1,5, 1,8, 2,5 и 3,3 В используются для питания микросхем скалера, трансмиттера, ресиверов интерфейсов DVI, TMDS и LVDS, микросхем оперативной памяти. Применение низковольтных напряжений для питания этих каскадов и микросхем обусловлено тем, что они функционируют на высоких тактовых частотах. Поэтому снижением величины питающего напряжения высокочастотных микросхем разработчики пытаются уменьшить рассеиваемую на них мощность, повысить их надежность и решить проблему отвода тепла. В некоторых мониторах, особенно в моделях 2006-2009 гг, напряжение 3,3 В используется и для питания управляющего микроконтроллера несмотря на то, что его тактовая частота является относительно низкой. Сейчас еще достаточно часто можно видеть, что в качестве микроконтроллера в ЖК мониторах производители используют "устаревшие" или "медленные", но более дешевые микроконтроллеры с напряжением питания 5 В.
Кроме питания управляющего микроконтроллера, напряжение 5 В часто используется для питания элементов в составе ЖК панели. Если быть более точным, то в составе панели имеется свой регулятор напряжения, который формирует из 5 В постоянные напряжения разной полярности и номинала, необходимые для работы драйверов строк, столбцов и других узлов. Кроме того, напряжение 5 В традиционно используется для питания светодиодного индикатора на лицевой панели управления монитора.
Напряжение 12 В требуется, в первую очередь, для работы энергоемкого инвертора питания ламп задней подсветки, поэтому напряжение 12 В формируется основным блоком питания монитора.
Для того чтобы получить несколько различных номиналов напряжений из одного или двух постоянных напряжений, используется преобразование постоянного тока в постоянный ток, так называемое DC/DC-преобразование. Оно реализуется с помощью линейных или импульсных стабилизаторов (преобразователей). Линейные преобразователи применяются в слаботочных цепях, а импульсные - в сильноточных, где значение тока может достигать нескольких ампер. Как уже отмечалось, все эти преобразователи логически объединены в узел DC/DC-преобразователя, конструктивно размещенный на плате скалера. Именно поэтому неисправности цепей питания часто приводят к необходимости замены всей этой платы, что, конечно же, экономически необоснованно, т.к. провести диагностику и ремонт DC/DC-преобразователя способен специалист даже с небольшим практическим опытом.
Представить место DC/DC-преобразователей в схемотехнике ЖК монитора помогут блок-схемы на рис. 1 и 2. На рис. 1 предполагается, что основным блоком питания формируется два выходных напряжения: 5 и 12 В. В этом случае низковольтные напряжения получают путем линейного преобразования напряжения 5 В.

Рис. 1. Блок-схема DC/DC-преобразователей на основе линейных стабилизаторов
На рис. 2 предполагается, что основным блоком питания формируется только напряжение 12 В. В этом случае сначала из напряжения 12 В методом импульсного DC/DC-преобразования формируется напряжение 5 В, а из него линейными регуляторами формируются низковольтные напряжения.

Рис. 2. Блок-схема DC/DC-преобразователей на основе импульсного стабилизатора
Естественно, на рис. 1 и 2 представлены только два базовых варианта схемотехники DC/DC-преобразователей, но на практике могут попадаться различные комбинации этих вариантов.
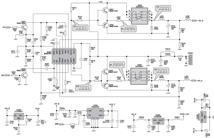
В качестве примера, в котором реализованы оба типа преобразования напряжений, рассмотрим схему DC/DC-преобразователя монитора "Sony SDM-X72". Схемотехнику преобразователя этого монитора можно отнести к варианту, представленному на рис. 2, а его принципиальная электрическая схема приводится на рис. 3.
Рис. 3. Принципиальная электрическая схема DC/DC-преобразователя монитора Sony SDM-X72

Рис. 4. Блок-схема DC/DC-преобразователя монитора Sony SDM-X72
Блок-схема, помогающая разобраться в назначении элементов принципиальной схемы, представлена на рис. 4. DC/DC-преобразователь формирует следующие выходные напряжения:
- напряжение 2,5 В (обозначение на рис. 3 и 4 - +2.5V) для питания цифровой части скалера;
- напряжение 3,3 В (D3.3V) для питания интерфейсной части скалера;
- напряжение 3,3 В (+3.3V_F) для питания микросхем буферной памяти и трансмиттеров LVDS;
- напряжение 3,3 В (AVDD_3.3V) для питания аналоговой части скалера;
- напряжение 5 В(+5V_A) для питания микроконтроллера и схемы управления монитором;
- напряжение 5 В(+5V_B) для питания ЖК панели, аналогового видеопроцессора, интерфейса DVI. Из этого же напряжения формируются и все низковольтные напряжения (2,5 и 3,3 В).
Оба канала 5 В имеют энергоемкую нагрузку, и для формирования этих напряжений используются импульсные регуляторы.
DC/DC-преобразователь управляется двумя дискретными сигналами OFF и PD (имеют два возможных уровня - высокий и низкий), которые формируются микроконтроллером монитора. Этими сигналами разрешается или запрещается формирование выходных напряжений.
Высокий (активный) уровень сигнала OFF блокирует работу микросхемы IC201, запрещая тем самым формирование напряжений +5V_A и +5V_B, а значит, не формируются напряжения 2,5 и 3,3 В. Другими словами, активизация сигнала OFF приводит к полному отключению монитора и его перезапуску. Микроконтроллер активизирует сигнал OFF при возникновении аварийных режимов работы.
Сигнал PD разрешает или запрещает формирование напряжения +5V_B, отключая тем самым практически все элементы монитора, за исключением микроконтроллера, который питается напряжением +5V_A. Фактически сигнал PD является сигналом "горячего" подключения разъема DVI, т.е. при подключении к этому разъему устройства монитор переводится в активное состояние.
Оба импульсных преобразователя напряжений +5V_A и +5V_B построены по схеме понижающего импульсного преобразователя. Ключевыми элементами этих преобразователей являются МОП транзисторы Q205 и Q206, которые переключаются с высокой частотой импульсами, формируемыми двухканальным ШИМ контроллером IC201 (BA9741F). Сглаживание импульсов, полученных на истоках МОП транзисторов, осуществляется за счет дросселей L201 и L202 и конденсаторов C210 и C214. В фазе "накачки", когда транзисторы Q205 и Q206 открыты управляющими импульсами, происходит накопление энергии в дросселях и фильтрующих конденсаторах. В фазе "разряда", когда транзисторы заперты, накопленная энергия через разрядные диоды D201 и D202 поступает в нагрузку (выпрямительные диоды с барьером Шоттки: I = 3 А, UПР = 750 В, UОБР = 60 В). В результате формируются постоянные напряжения +5V_A и +5V_B.
Транзисторы Q205 и Q206 управляются микросхемой IC201 через предварительные усилители на транзисторах Q201-Q204, которые образуют собой двухтактные эмиттерные повторители. Этими каскадами создаются двухполярные импульсы на затворах МОП транзисторов, что значительно улучшает их управляемость и снижает динамические потери.
Функциональная схема двухканального ШИМ контроллера BA9741F представлена на рис. 5, а назначение выводов приведено в таблице.

Рис. 5. Архитектура двухканального ШИМ контроллера BA9741F
Таблица. Назначение выводов ШИМ контроллера BA9741F
№ вывода | Обозначение | Описание |
1 | CT | Вывод для подключения внешнего частотозадающего конденсатора. Емкость конденсатора определяет частоту внутреннего задающего генератора |
2 | RT | Вывод для подключения внешнего частотозадающего резистора. Сопротивление резистора определяет частоту внутреннего задающего генератора |
3 | MON1 | Неинвертирующий вход внутреннего усилителя ошибки 1 |
4 | INV1 | Инвертирующий вход внутреннего усилителя ошибки 1 |
5 | FB1 | Выход усилителя ошибки 1 |
6 | DT1 | Вывод, потенциал на котором определяет длительность "мертвого" времени для импульсов на выходе OUT1. Этот же контакт используется для обеспечения "мягкого" старта канала 1 |
7 | OUT1 | Выход ШИМ импульсов канала 1 |
8 | GND | Общий |
9 | VCC | Напряжение питания микросхемы (до 36 В) |
10 | OUT2 | Выход ШИМ импульсов канала 2 |
11 | DT2 | Вывод, потенциал на котором определяет длительность "мертвого" времени для импульсов на выходе OUT2. Этот же контакт используется для обеспечения "мягкого" старта канала 2 |
12 | FB2 | Выход усилителя ошибки 2 |
13 | INV2 | Инвертирующий вход внутреннего усилителя ошибки 2 |
14 | MON2 | Неинвертирующий вход внутреннего усилителя ошибки 2 |
15 | SCP | Вывод для подключения конденсатора, определяющего временную задержку схемы UVLO |
16 | VREF | Выход опорного напряжения 2,5 В |
Микросхема состоит из двух независимых ШИМ контроллеров, работающих синхронно. Общими для этих ШИМ контроллеров являются только задающий генератор, источник опорного напряжения и схема отключения при понижении напряжения питания (UVLO). Длительность импульсов на выходах микросхемы (выв. 7 и 10), а значит, и выходное напряжение преобразователей, определяется соотношением входных сигналов усилителей ошибки (MON1, MON2, INV1, INV2). На инвертирующие входы усилителей ошибки (INV1, INV2) подается опорное напряжение VREF (2,5 В) с выв.16 через резисторные делители R207 R208 и R206 R223. В результате на входах INV1, INV2 формируется напряжение величиной 1,25 В, с которым сравниваются сигналы обратной связи выходных каналов. Сигнал обратной связи канала +5V_A формируется резистивным делителем R219 R220 и прикладывается ко входу MON1 (выв. 3). Сигнал обратной связи канала +5V_В формируется резистивным делителем R217 R218 и прикладывается ко входу MON2 (выв. 14). Увеличение какого-либо сигнала обратной связи приводит к уменьшению длительности импульсов на соответствующем выходе микросхемы, что приводит к пропорциональному снижению выходного напряжения канала 5 В. При снижении напряжения обратной связи выходное напряжение, наоборот, начинает возрастать за счет увеличения времени открытого состояния МОП транзистора. В результате происходит стабилизация напряжения 5 В. Конденсаторы C203 и С202, подключенные к выв. 6 (DT1) и 11 (DT2), обеспечивают "мягкий старт" преобразователей, плавно увеличивая длительность выходных импульсов микросхемы в момент запуска.
Напряжения AVDD_3.3V, +2.5V и D3.3V формируются линейными интегральными стабилизаторами типа XC6203E (IC203, IC205, IC208).
Напряжение +3.3V_F формируется управляемым интегральным регулятором напряжения SI3033 (IC204). Работа этого стабилизатора может быть запрещена сигналом OFF (активный - низкий уровень), подаваемым на выв. 1 (VC). Это приведет к отключению LVDS-трансмиттеров и ЖК панели.
Необходимо обратить внимание на то, что DC/DC-преобразователь защищен входным предохранителем F201 (7 А), установленным в канале +12 В.
Типовые неисправности схемы и методы ее тестирования
Большинство проблем DC/DC преобразователя связано с неисправностью и отказом сильноточных элементов схемы и элементов защиты, а именно:
- предохранителя F201;
- транзисторов Q205 и Q206;
- диодов D201 и D202;
- конденсаторов С210, С214.
Наиболее вероятной проблемой является пробой МОП транзистора, что приводит к появлению на его истоке напряжения 12 В и срабатыванию предохранителя. Поэтому, в случае отказа F201, необходимо проверить всех названные силовые элементыв и элементы защиты омметром на пробой и обрыв. При утечке фильтрующих конденсаторов на выходах каналов появятся пульсации. Это может проявиться в виде шумовых помех на изображении. Конденсаторы проверяют измерителем ESR, а если его нет - методом замены.
Отказ линейных стабилизаторов является крайне редким явлением, исключать который совсем не стоит. Но проверка линейных стабилизаторов очень проста - достаточно вольтметром измерить входное и выходное напряжение каждого.
Немного о проверке ШИМ контроллера BA9741F. Проверка микросхемы также не составит особого труда. Чтобы убедиться в ее исправности, достаточно подать напряжение + 12 В (можно от внешнего источника питания) на выв. 9. После этого контролируют:
- напряжение +2,5 В на выв.16;
- прямоугольные импульсы на выв. 7 и 10.
Отсутствие напряжения или импульсов будет говорить о необходимости замены микросхемы.
В конце обзора хочется еще раз отметить очень важную роль источников постоянного тока в правильной работе ЖК монитора. Практически при любых неисправностях ЖК мониторов диагностику следует начинать с проверки стабилизаторов напряжений 12, 5, 2,5 и 3,3 В. Несмотря на то что рассмотрена схемотехника DC/DC-преобразователя всего лишь одной модели монитора, модели других производителей имеют аналогичные схемные решения этого узла. Поэтому их диагностику выполняют в таком же порядке.
При общем, значительно меньшем количестве отказов ЖК мониторов из-за неисправности DC/DC преобразователей, они занимают почетное третье место среди всех неисправностей ЖК мониторов, и следуют по этому показателю сразу после неисправностей инверторов и основных блоков питания.
Автор: Виктор Ткаченко (г. Пенза)
Источник: Ремонт и сервис

