Главным элементом любого современного инвертора задней подсветки, безусловно, является микросхема контроллера, управляющая силовыми транзисторными ключами. Функциональный набор этого контроллера во многом определяет схемотехнику инвертора, наличие тех или иных защит, топологию силового каскада. Логика работы контроллера является определяющей в понимании всего алгоритма функционирования инвертора. Сегодня мы обсуждаем микросхему BIT3713.
Микросхема BIT3713 является полнофункциональным контроллером, предназначенным для управления инвертором задней подсветки. Она представляет собой двухтактный ШИМ контроллер, что позволяет применять ИМС в схемах с полумостовой, двухтактной или резонансной топологией силового каскада инвертора. Однако основной областью применения BIT3713 является, все-таки, резонансный преобразователь - именно под эту схемотехнику оптимизирована архитектура контроллера.
Яркость ламп регулируется методом широтно-импульсной модуляции (ШИМ), при этом частота генерации является фиксированной и задается внешними элементами.
BIT3713 содержит два внутренних ШИМ контроллера. Первый ШИМ контроллер работает на частоте 50...400 кГц. Именно с этой частотой формируются импульсы переключения силовых транзисторов инвертора и переменным током этой частоты питаются люминесцентные лампы CCFL.

Рис. 1. Расположение и обозначение выводов контроллера BIT3713 в корпусе SOIC-16

Рис. 2. Блок-схема контроллера BIT3713
Второй ШИМ контроллер является низкочастотным, он модулирует высокочастотные импульсы ключевой частоты, в результате чего получается прерывистая модуляция тока ламп (Burst Dimming). Частота этого генератора находится в диапазоне 10 Гц.100 кГц. Микросхема BIT3713 выпускается в 16-выводном корпусе типа SOIC (рис. 1). Упрощенная блок-схема контроллера представлена на рис. 2. Назначение контактов BIT3713 приводится в таблице. Подробное описание принципа работы микросхемы приводиться не будет, т.к. объем информации, представленной в таблице, достаточен для общего понимания принципов ее функционирования. Ознакомиться с деталями и подробностями функционирования микросхемы можно, изучив Data Sheet на микросхему [1].
Рассмотрим вопрос диагностики контроллера BIT3713. Хотя отказ микросхемы и нельзя считать распространенной проблемой инверторов, иногда, все-таки, возникает необходимость убедиться в ее исправности. Предлагаемая ниже методика является очень простой, и не требует выпаивания микросхемы.
Таблица. Назначение выводов контроллера BIT3713
№ вывода | Обозначение | Назначение |
1 | INN | Вход внутреннего усилителя ошибки, традиционно используется в качестве входа сигнала обратной связи. На этот вывод подается напряжение с резистора обратной связи, которое пропорционально величине тока CCFL. Изменение напряжения на этом входе приводит к обратно-пропорциональному изменению длительности выходных импульсов микросхемы и, соответственно, к обратно-пропорциональному изменению яркости ламп |
2 | CMP | Выход внутреннего усилителя ошибки. На этом выводе формируется напряжение, пропорциональное входному сигналу обратной связи на входе INN. Вывод чаще всего используется для задания частотной характеристики обратной связи (между контактами CMP и INN включается компенсационный конденсатор). Теоретически вывод может быть использован и для других целей - блокировки, дополнительных регулировок яркости и т.п. |
3 | LOAD | К этому выводу подключается резистор нагрузки (Rload) номиналом от 10 до 100 кОм. Номинал этого резистора изменяет частоту ВЧ генератора (частоту ПН на контакте CTOSC) в моменты, когда срабатывает токовая защита. Если напряжение на выв. 15 (ISEN) становится менее 1,3 В, то микросхема блокируется, определяя аварийную ситуацию. В этот момент времени частота основного генератора увеличивается на величину, заданную резистором Rload. Как известно, резонансная частота нагрузки может изменяться при изменении величины нагрузки. Для получения наибольшей эффективности преобразователя рабочая частота ШИМ контроллера должна подстраиваться под резонансную частоту нагрузки. Именно эта функция и обеспечивается с помощью резистора Rload |
4 | CTOSC | Вывод для подключения частотозадающего конденсатора основного ВЧ генератора. На данном контакте формируется ПН частотой несколько десятков кГц |
5 | TIMER | Внутренний источник тока и внешний конденсатор, подключенные к этому выводу, задают длительность периода сброса и начальной инициализации. Контроллер BIT3713 находится в состоянии сброса (Reset), если напряжение на этом выводе менее 0,3 В. При этом внутренний источник тока формирует ток величиной 20 мкА, и этим током начинает заряжаться внешний конденсатор. Когда конденсатор зарядится до уровня 0,3 В, зарядный ток уменьшается до величины 1 мкА. Состояние Reset характеризуется следующими режимами контроллера: - основной генератор нормально функционирует (на выв. 4 (CTOSC) генерируется ПН); - второй НЧ генератор также нормально функционирует (на выв.12 (CTPWM) генерируется ПН); - на выв. 8 (OUT1) устанавливается низкий уровень (уровень GND); - на выв. 9 (OUT2) устанавливается высокий уровень (уровень VDD). Период начальной инициализации контроллера BIT3713 длится до тех пор, пока напряжение на контакте TIMER не достигнет значения 2,5 В. В это время функционирование всех защит блокируется (это необходимо для "поджига" ламп) |
6 | ON/OFF | Вход включения/выключения микросхемы. Контроллер запускается, когда напряжение на этом выводе становится менее 1 В. Между этим выводом и "землей" имеется внутренний резистор номиналом 80 кОм |
7 | GND | Общий ("земля") |
8 | OUT1 | Выходы, на которых формируются ВЧ импульсы, управляющие внешними полевыми транзисторами. Сигналы на этих |
9 | OUT2 | выходах активны высоким уровнем. Импульсы на выходах смещены по фазе друг относительно друга на 180° |
10 | VDD | Вход питающего напряжения от 4,5 до 8 В |
11 | PWMOUT | Выход НЧ ШИМ генератора. На этом выводе формируются импульсы с коэффициентом заполнения до 92%, или же здесь устанавливается фиксированный уровень 2,5 В |
12 | CTPWM | Вывод для подключения частотозадающего конденсатора НЧ ШИМ генератора. Емкость конденсатора определяет длительность периода импульсной регулировки яркости, т.е. задает период следования пачек ВЧ импульсов на выходах микросхемы. На выводе CTPWM формируется ПН низкой частоты (от 150 Гц до 1,5 кГц). ПН находится между уровнями 1 и 2,5 В |
13 | PWMDC | Вход управления НЧ ШИМ генератором. На этот вывод подается постоянное напряжение, величина которого определяет длительность импульсов на выходе PWMOUT |
14 | OUTADJ | Сигнал регулировки выходного напряжения. Если напряжение на этом контакте становится больше 2 В, внутренний источник тока (60 мкА) создает ток на входе INN, что приводит к изменению выходного напряжения усилителя ошибки, т.е. к изменению напряжения на выходе CMP. Это, в итоге, изменяет ширину ВЧ выходных импульсов микросхемы и, соответственно, ток ламп. Вывод OUTADJ может быть использован для определения нормального функционирования ШИМ контроллера. Если напряжение на нем становится более 2 В на время более 32 циклов основного ВЧ генератора CTOSC (при условии, что на контакте TIMER напряжение более 2,5 В), контроллер BIT3713 переходит в состоянии защиты. Это сопровождается блокировкой выходных импульсов OUT1 и OUT2 |
15 | ISEN | Вход контроля тока в нагрузке. Традиционно этот вывод используется для организации защиты от обрыва в цепи ламп. Аварийная ситуация определяется, если на этом контакте напряжение становится ниже 1,3 В в течение времени, соответствующем 32 циклам НЧ генератора CTPWM (при условии, что на выводе TIMER напряжение более 2,5 В). Контроллер BIT3713 запрещает защиту ISEN в том случае, если напряжение на выводе TIMER менее 2,5 В |
16 | MODSEL | Установка полярности импульсов на выходе PWMOUT. Если на входе MODSEL установлен уровень нуля, то коэффициент заполнения на выходе PWMOUT стремится к 0% при подаче на управляющий вход PWMDC напряжения менее 1 В. Если же на вход MODSEL подается высокий уровень (напряжение питания), то коэффициент заполнения на PWMOUT будет стремиться к 0% при подаче на управляющий контакт PWMDC напряжения более 2,5 В (см. рис. 5) |
Диагностика BIT3713
Для диагностики микросхемы понадобятся вольтметр и осциллограф. Основная идея диагностики заключается в том, чтобы проверить функционирование контроллера в момент запуска инвертора.
Подобную диагностику очень удобно проводить, т.к. для этого не требуется выпаивания микросхемы из платы инвертора - проверка осуществляется непосредственно в схеме. При этом все необходимые внешние элементы (конденсаторы и резисторы) присутствуют. Вероятность того, что микросхема не будет работать из-за неисправности внешних элементов существует, но статистика отказов говорит о том, что данная вероятность достаточно низка и ею можно пренебречь.
Этап 1
При включении монитора контролируют напряжение +7 В на выв. 10 (VDD) контроллера. Это же напряжение обычно прикладывается и к выв. 6 (ON/OFF), в результате микросхема должна запуститься. Следует изучить реальную схему инвертора, т.к. на практике производители очень часто "закорачивают" конт.10 и конт. 6, обеспечивая запуск контроллера одновременно с подачей питающего напряжения. Если же выв. 10 и выв. 6 не соединены, то проверяют появление сигнала высокого уровня на выв. 6 ИМС. Отсутствие напряжения на выв. 10 будет означать неисправность цепи питания или цепи запуска. А отсутствие высокого уровня на выв. 6 говорит либо о неисправности цепи запуска, либо о неисправности управляющего микроконтроллера монитора.
При подаче питания на микросхему можно оценить величину потребляемого ею тока - около 4 мА. Увеличенное значение потребляемого тока однозначно указывает на ее неисправность, и это, естественно, будет сопровождаться значительным разогревом корпуса ИМС.
Этап 2
Если микросхема получает питающее напряжение и активизируется сигнал ее запуска, то проверяют ее исправность по следующим признакам:
1.На выв. 5 (TIMER) в момент запуска должно плавно нарастать напряжение от нуля до 4...5 В в течение 5...6 секунд. Если на выв. 5 напряжение остается на нулевом уровне, то это указывает на неисправность микросхемы.
2.На выв. 4 (CTOSC) должно появляться ВЧ пилообразное напряжение (ПН) (контролируют осциллографом).
3.На выв. 12 (CTPWM) должно появляться НЧ пилообразное напряжение.
4.На выв. 8 (OUT2) и выв. 9 (OUT1) должны появиться прямоугольные импульсы, частота которых в два раза ниже частоты ПН на выв. 4. Если импульсы на этих выходных контактах не появляются даже на короткое время, то можно говорить о неисправности контроллера BIT3713. Если же импульсы появляются, но затем пропадают, то это, скорее всего, говорит о неисправности CCFL и других элементов инвертора.
Если инвертор исправен, то в установившемся режиме на выво дах микросхемы обычно устанавливаются следующие уровни и формы сигналов:
-На выв. 1 (INN): постоянное напряжение более 1,25 В, около 1,5 В.
-На выв. 2 (CMP): постоянное напряжение около 2 В.
-На выв. 5 (TIMER): постоянное напряжение около 4,5 В.
-На выв. 15 (ISEN): постоянное напряжение более 13 В.
-На выв. 4 (CTOSC): стабильное пилообразное напряжение.
-На выв. 12 (CTPWM): стабильное пилообразное напряжение.
-На выв. 11 (PWMOUT): импульсное напряжение, длительность импульсов должна изменяться при регулировке яркости вплоть до преобразования импульсного напряжения в постоянное величиной около 2,5...3 В.
-На выв. 8 и выв. 9: пачки ВЧ импульсов, длительность пачек должна изменяться при регулировке яркости.
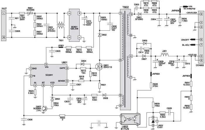
Рис. 3. Принципиальная электрическая схема блока питания ЖК монитора ViewSonic V903b. Основной источник питания (по клику крупно)
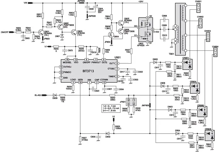
Рис. 4. Принципиальная электрическая схема блока питания ЖК монитора ViewSonic V903b. Инвертор питания CCFL (по клику крупно)

Рис. 5. Осциллограммы сигналов на выводах PWMOUT, MODSEL, PWMDC
В качестве примера практического применения BIT3713 на рис. 3 и 4 приводится схема платы инвертора задней подсветки монитора "ViewSonic V903b". Этот пример должен быть вдвойне интересен, т.к. в DataSheet на микросхему BIT3713 не приводится вариант ее типового включения, а автор предоставляет схему реального инвертора очень популярной модели монитора.
Литература
1. Beyond Innovation Technology Co., Ltd. BIT3713 High Performance PWM Controller. Preliminary Version: 0.00.
Автор: Алексей Конягин (г. Пенза)
Источник: Ремонт и сервис


