Узел задней подсветки жидкокристаллических (ЖК) мониторов Samsung, в которых в качестве источника света используются светодиоды (LED), отличается от аналогичных узлов, выпускаемых другими производителями. Принципиально другая концепция управления светодиодами касается значительной части мониторов Samsung и поэтому знакомство с ней будет интересно и полезно практически каждому специалисту.
Принципы работы LED-подсветки в мониторах Samsung
Приведем основные принципы управления LED-подсветкой, которые используются в настоящее время в ЖК мониторах:
- ток светодиодов управляется (регулируется и стабилизируется) методом широтно-импульсной модуляции (ШИМ) на частоте 100...400 Гц;
- светодиоды управляются с помощью специализированной микросхемы - LED-драйвера, к функциям которого относятся формирование напряжения питания для массива светодиодов и регулировка тока светодиодов, т.е. яркости подсветки (англ., Dimming);
- конструктивно LED-драйвер физически размещается на плате TCON ЖК панели;
- управление LED-драйвером осуществляется, как минимум, двумя сигналами (включения/выключения и регулировки яркости), которые на ЖК панель подаются через дополнительные контакты интерфейсного разъема ЖК панели;
- для питания LED-драйвера и всей LED-подсветки на плату TCON подается еще одно дополнительное питающее напряжение, как правило, номиналом + 12 В, которое не имеет никакого отношения к самой ЖК панели;
- линейка светодиодов подключается к плате TCON, т.е. к плате ЖК панели (рис. 1).

Рис. 1. Внешний вид платы TCON
Эти основные принципы могут быть выражены графически, в виде блок-схемы, описывающей архитектуру LED-подсветки (рис. 2).

Рис. 2. Блок-схема архитектуры LED-подсветки
Однако в мониторах Samsung имеется совершенно другой подход к управлению LED-подсветкой. Во-первых, во многих панелях Samsung LED-линейка имеет специфический соединительный разъем (рис. 3), выведенный на тыльную сторону ЖК панели. Во-вторых, узел LED-подсветки подключается не к управляющей плате ЖК панели, а к основной плате монитора, часто называемой платой скалера (рис. 4).

Рис. 3. Соединительный разъем LED-линейки на панели Samsung

Рис. 4. Плата скалера ЖК монитора Samsung
третьих, светодиоды управляются микросхемой скалера, точнее комбинированной микросхемой процессор-скалер. Другими словами, во многих мониторах Samsung не применяются специализированные LED-драйверы. Разработчики этой концепции решили не увеличивать количество микросхем, и, соответственно, стоимость изделия, так как наличие в составе процессора-скалера цифровых программируемых портов вполне позволяет организовать полноценное управление LED-подсветкой и без дополнительных контроллеров (ИМС). Общая архитектура монитора Samsung с LED-подсветкой представлена на рис. 5.

Рис. 5. Общая архитектура монитора Samsung с LED-подсветкой
Здесь необходимо сделать важное дополнение - в рамках данного обзора речь идет лишь о мониторах с внешними блоками питания (сетевыми адаптерами). Возможно, что мониторы со встроенными блоками питания имеют такую же концепцию построения, однако автору это доподлинно неизвестно.
Итак, в LED-мониторах Samsung присутствует всего одна печатная плата, на которой размещены несколько функциональных модулей:
- понижающие DC/DC-преобразователи, необходимые для формирования питающих напряжений для всех электронных элементов монитора;
- микросхема процессора-скалера, которая обрабатывает входные аналоговые или цифровые видеосигналы (в том числе и масштабирует их к физическому разрешению ЖК панели), а также обеспечивает оперативное управление монитором;
- микросхема EEPROM, предназначенная для хранения программного обеспечения монитора (Firmware EEPROM);
- микросхема EEPROM, предназначенная для хранения идентификационной информации (EDID);
- повышающий DC/DC-преобразователь, формирующий напряжение для питания светодиодов.
В качестве источника света в рассматриваемых мониторах используется LED-подсветка, состоящая из четырех параллельно соединенных сегментов (линеек). Таким образом, каждый сегмент LED-лампы состоит из 8-10 последовательно включенных светодиодов, а общее количество светодиодов может составлять от 32 до 40 штук. Напряжение питания линеек светодиодов равно 32...40 В - около 4 В на каждый светодиод. Питающее напряжение LED-лампы на схеме обозначается как VLED. Разъем для подключения LED-лампы является 6-контактным, и на рассматриваемых схемах чаще всего обозначается как CN801. Общая конфигурация LED-лампы мониторов Samsung и традиционная цоколевка разъема CN801 приводятся на рис. 6.

Рис. 6. Общая конфигурация LED-лампы мониторов Samsung и традиционная цоколевка разъема CN801
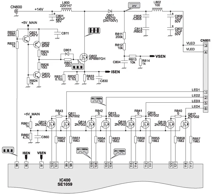
Принципиальная схема модуля, управляющего LED-подсветкой (LED-драйвера) в мониторах Samsung, представлена на рис. 7.

Рис. 7. Принципиальная схема драйвера LED-подсветки
Обзор схемы LED-драйвера
Схему управления светодиодами можно разделить на два крупных узла (рис. 8):
- повышающий DC/DC-преобразователь, формирующий напряжение VLED;
- силовые транзисторные ключи, управляющие током светодиодов.

Рис. 8. Схема управления светодиодами
Обе схемы контролируются микросхемой скалера, которая, кроме функций обработки цветовых сигналов, выполняет еще и другие вспомогательные функции с помощью программируемых портов ввода-вывода.
Повышающий DC/DC-преобразователь
Напряжение VLED составляет около 31 В и формируется из напряжения 14 В, подаваемого на вход монитора от внешнего сетевого адаптера на разъем CN600.
Повышение напряжения осуществляется схемой типа Boost, основными элементами которой являются:
- дроссель L800;
- ключ на силовом транзисторе Q802;
- диод D801;
- контроллер ШИМ, в качестве которого используется один из портов ввода-вывода скалера IC400.
Так как силовой ключ управляется не специализированной микросхемой, а процессором через универсальный выходной порт, работающий в режиме ШИМ, то потребовалось введение буфера для корректного переключения транзистора Q802. Входной каскад схемы на транзисторе Q821 представляет собой эмиттерный повторитель, а выходной выполнен по двухтактной схеме на транзисторах Q822, Q823.
Силовой транзистор управляется импульсами, которые формируются выходным цифровым портом скалера (выв. 96). Управление выходным напряжением VLED осуществляется по принципу ШИМ методом Burst Mode (режим прерывающейся модуляции). Это означает, что на выв. 96 скалера генерируются пачки высокочастотных импульсов с частотой заполнения примерно 330 кГц и частотой пачек около 160 Гц. При этом ширина пачек изменяется при регулировке яркости, т.е. зависит от величины нагрузки DC/DC-преобразователя. При максимальной яркости высокочастотные импульсы следуют практически не прерываясь (100% коэффициент заполнения D (Duty Cycle)), и ширина пачек становится максимальной. Форма управляющих импульсов и форма напряжения на стоке Q802 представлены на рис. 9.

Рис. 9. Форма управляющих импульсов и напряжения на стоке транзистора Q802
Здесь следует отметить, что изменение ширины пачек управляющих импульсов DC/DC-преобразователя при регулировке яркости является лишь следствием увеличения тока через светодиоды LED-линейки, а не способом регулировки яркости. Характерно, что величина VLED практически не изменяется при регулировке яркости, и напряжение всегда остается стабильным на уровне около 31 В. Увеличение тока светодиодов, фактически, является увеличением мощности нагрузки DC/DC-преобразователя. Поэтому для поддержания стабильности выходного напряжения преобразователь должен увеличить свою мощность, и делается это именно увеличением ширины управляющих пачек.
Важным элементом преобразователя является токовый датчик R831 R832 R833, измеряющий величину тока силового ключа Q802. Напряжение, формируемое на этих резисторах (сигнал ISEN), прямо пропорционально величине тока, протекающего через Q802. Это напряжение подается на вход скалера (выв. 92), который является входным аналоговым портом. Когда напряжение на этом выводе превышает запрограммированный уровень, транзистор Q802 закрывается, в результате чего предотвращается его пробой.
Для контроля и стабилизации выходного напряжения преобразователя имеется цепь обратной связи из элементов R811-R814, C804. Напряжение, пропорциональное VLED (сигнал VSEN), прикладывается к аналоговому входному порту скалера (выв. 97). Это аналоговое напряжение оцифровывается внутренним АЦП, и полученное значение используется для управления шириной импульсов на выходном цифровом порте (выв. 96).
Транзиторные ключи
Коммутация тока каждой из четырех LED-линеек осуществляется независимо. В рассматриваемой схеме каждая линейка коммутируется парой параллельно-включенных MOSFET-транзисторов, например Q811 и Q812. Параллельное включение, по-видимому, здесь необходимо лишь для снижения мощности, рассеиваемой на каждом из транзисторов. Таким образом, для управления четырьмя LED-линейками применяется восемь MOSFET-транзисторов Q811-Q818. Все они управляются абсолютно синхронно импульсами, следующими с частотой около 160 Гц. Таким образом, светодиоды задней подсветки питаются импульсным током, включаясь и выключаясь с частотой 160 Гц, незаметной для человеческого зрения. Изменение ширины импульсов, т.е. времени свечения светодиодов, приводит к изменению яркости задней подсветки.
Все восемь транзисторов имеют достаточно необычное включение по схеме с общим затвором, на затворы транзисторов подается постоянное напряжение смещения 4 В. При этом ток LED-линеек коммутируется ключами внутренних портов скалера. Такое включение внутренних и внешних транзисторов можно считать каскодной схемой (рис.10).

Рис. 10. Каскодное включение MOSFET-транзисторов
Контроль функционирования силовых транзисторов и их защита осуществляется подачей на входные порты скалера сигналов, пропорциональных импульсам на стоках силовых ключей (сигналы LED1...LED4). Сигналы обратной связи подаются через резисторы R851-R858 номиналом 1 МОм.
Возможные неисправности LED-драйвера
Неисправности схемы LED-драйвера - явление достаточно редкое, но, тем не менее, вполне вероятное, и случается в практике ремонта. Существующая в настоящее время статистика отказов ЖК мониторов указывает на три характерные проблемы.
Монитор не включается. Внешний блок питания монитора периодически "цыкает", что говорит о срабатывании защиты от короткого замыкания. При этом, когда внешний блок питания включается без нагрузки, на его выходе появляется напряжение +14 В (+14V)
Такое поведение монитора может говорить о неисправности (пробое)силового транзистора Q802 (AP9997GH). Следует отметить, что такое поведение монитора может быть вызвано и неисправностью другого элемента - микросхемы IC600 (BD9329), которая является импульсным DC/DC-преобразователем, формирующим напряжение +5 В (+5V_MAIN).
Монитор не включается. Задняя подсветка не светится
Блок питания нормально вырабатывает напряжение + 14V. Напряжение +5V_MAIN формируется и соответствует номиналу. Все остальные постоянные напряжения 3,3 и 1,8 В (+3.3V и +1.8V) также формируются. Напряжение VLED равно +14V. Такое поведение монитора говорит, скорее всего, о неработоспособности скалера, что может быть вызвано самыми разными причинами.
Монитор включается. Но экран не светится, т.к. не работает задняя подсветка. При этом изображение на экран выводится, о чем можно узнать, если приглядеться к экрану
Напряжение VLED равно +14V. Такая неисправность однозначно указывает на неработающую заднюю подсветку. В данном случае следует обратить внимание на скалер, транзисторы Q802, Q821-Q823.
Автор: Алексей Конягин (г. Пенза)
Источник: Ремонт и сервис
