Копировальный аппарат "Sharp SF-2216" имеет встроенную систему самодиагностики, с помощью которой проверяется работоспособность механизмов и состояние датчиков в заданные моменты времени. Если в копировальном аппарате возникает неисправность, она диагностируется этой системой и на индикаторе количества копий отображается код неисправности (ошибки) для информирования сервисных специалистов.
Копировальный аппарат "Sharp SF-2216" формирует следующие коды ошибок: L1, L3, L4, L8, H2, H3, H4, U2, U5, F1, F2, EE, СН, РС. После устранения неисправности для сброса кода ошибки выключают и включают аппарат сетевым выключателем (за исключением кодов H2, H3, H4, U2.
Для отмены кодов ошибок H2, H3 и H4 необходимо выполнить имитационный режим № 14 (подробнее на этих режимах мы остановимся во второй части статьи).
Для отмены кода ошибок U2 используют имитационный режим № 16.
Коды неисправностей и причины их проявления приведены в таблице.
При возникновении кодов состояния L1 и L3 необходимо проверить состояние троса держателя зеркал, а также свободное перемещение блоков зеркал № 2/3 и № 4/5. При выявлении повреждений троса держателя зеркал его заменяют, выполнив следующие операции:
1. Снимают верхнюю и левую панели корпуса.
2. Удаляют пружины троса блока зеркал из канавки с левой и правой частей пластины держателя оптической системы.
3. Удаляют трос держателя зеркал со шкива, открутив фиксирующие винты троса.
При выявлении неисправности в блоке зеркал № 2/3 снимают держатель и блок зеркал № 2/3 из аппарата, выполнив следующее:
1. Перемещают держатель зеркал в центральное положение между местом регулировки и левой поверхностью пластины держателя оптической системы.
Коды неисправностей копировального аппарата Sharp SF-2216
Код не исправности | Вспомогательный код | Причина неисправности | Описание неисправности |
L1 | 00 | Неисправность, связанная с перемещением блока зеркал | При активации датчик MHPS (исходного положения зеркал) не отключается в течение 1,5 секунды с момента начала перемещения блока зеркал. При копировании датчик MHPS не отключается в течение 0,5 секунды с момента начала перемещения блока зеркал. В момент, когда при копировании началось перемещение блока зеркал, последний не находился в исходном положении (MHPS отключен) |
L3 | 00 | Неисправность, связанная с возвратом блока зеркал (обратный ход блока зеркал) | При активации датчик MHPS не отключается в течение 2,5 секунды с момента начала возврата блока зеркал. При копировании датчик MHPS не отключается в течение 2 секунд с момента начала перемещения блока зеркал |
L4 | 01 | Неисправность главного двигателя | Во время вращения главного двигателя сигналы MMRE (кодирующего устройства) не обнаруживаются более 0,05 секунды |
L5 | 02 | Неисправность объектива | Перемещение объектива не заканчивается в течение 10 секунд с начала операции. При перемещении объектива в исходную позицию датчик LHPS (исходного положения объектива) не срабатывает даже при перемещении объектива с установленным шагом |
L8 | 01 | Неисправность в схеме формирования импульса перехода через ноль (FM) | Длина импульса перехода через ноль увеличена более чем на 10% |
03 | Неисправность датчика АЕ | При измерении характеристик датчика АЕ (имитационный режим № 47) входной сигнал на датчике не изменяется | |
H2 | 00 | Разрыв цепи термореле | Величина входного сигнала на термореле (ТН) превышает 4,07 В |
Н3 | 00 | Очень высокая температура термозакрепления | Температура термозакрепления по показаниям датчика превышает 240°С (сигнал с термистора равен 0,38 В или ниже) |
Н4 | 00 | Слишком низкая температура термозакрепления | При разогреве копировального аппарата требуемая температура не достигается в течение 90 секунд. При контроле температуры после разогрева копировального аппарата температура на 40°С (или более) ниже нормы |
U2 | 01 | Неисправность резервной памяти | Сумма на счетчике и контрольная сумма отличаются друг от друга |
04 | Ошибка доступа к резервной памяти (EEP- ROM) | Считывание/запись данных с помощью резервной памяти не могут быть осуществлены | |
U5 | 00 | Ошибка во взаимодействии с ADF | Наблюдаются ошибки во взаимодействии ADF и копировального аппарата |
01 | Неисправность при настройке датчиков блока валика синхронизации | При настройке датчиков синхронизации и ширины (имитационный режим № 53-4) регулировочное значение выходит за установочный диапазон | |
02 | Неисправность при настройке датчика выхода бумаги | При настройке датчика выхода бумаги (имитационный режим № 53-5) регулировочное значение выходит за установочный диапазон | |
05 | Неисправность при регулировке датчика синхронизации | При осуществлении регулировки датчика синхронизации (имитационный режим № 53-6) регулировочное значение выходит за установочный диапазон | |
11 | Неисправность двигателя подачи бумаги | При вращении двигателя подачи бумаги сигнал вращения не определяется в течение 0,1 секунды или более | |
16 | Двигатель вентилятора ADF | Сигнал блокировки двигателя вентилятора ADF определяется непрерывно в течение 2 секунд | |
F1 | 00 | Ошибка во взаимодействии с сортировщиком | Наблюдаются ошибки во взаимодействии сортировщика и копировального аппарата |
02 | Неисправность двигателя транспортировки | При вращении двигателя транспортировки сигнал вращения не определяется в течение 0,5 секунды (или более) | |
04 | Неисправность датчиков верхнего и нижнего При перемещении ячеек сортировщика наблюдается ошибка в пределов перемещения ячеек сортировщика определении верхнего/нижнего предела их перемещения | ||
05 | Неисправность датчиков исходного положения ячеек сортировщика | При инициализации ячеек датчик их исходного положения не срабатывает в течение 1 секунды | |
06 | Неисправность двигателя ячеек | При вращении двигателя перемещения ячеек сигнал вращения не определяется в течение 0,5 секунды или более | |
14 | Неисправность датчика выемки копий | Величина выходного сигнала АЦП от датчика составляет 3 В или более | |
16 | Неисправность двигателя захватывающего валика | При вращении двигателя захватывающего валика ячеек сигнал вращения не определяется в течение 0,5 секунды или более | |
F2 | 31 | Неисправность датчика плотности изображения | Когда количество света от датчика плотности изображения увеличивается до максимального уровня, а величина сигнала на его выходе не достигает 3,75 В. Когда количество света от датчика плотности изображения снижается до минимального уровня, а на его выходе значение сигнала не падает ниже 4,5 В. При проведении коррекции сеточного напряжения уровень сигнала на датчике не более 3 В |
32 | Неисправность датчика маркера барабана | На протяжении 4,25 оборота барабана не происходит обнаружения соответствующей маркере барабана. Уровень входного сигнала датчика маркера барабана не находится в определенном интервале | |
33 | Неисправность при коррекции сеточного напряжения (вне интервала) | При проведении коррекции сеточного напряжения потенциал формирования пятна не находится в интервале от 200 до 650 В | |
35 | Неисправность при коррекции сеточного напряжения | При проведении коррекции сеточного напряжения потенциал формирования пятна не находится в интервале от 200 до 650 В. Коррекция сеточного напряжения не может дать требуемых результатов, значение корректируемой величины получить не удается | |
37 | Неисправность при регулировке усиления датчика маркера барабана | Хотя уровень излучаемого количества света от датчика маркера барабана повышается до 1,45 В, уровень на его выходе не становится низким | |
EE | EU | Недостаток тонера при автоматической настройке проявления | При завершении автоматической регулировки проявления (имитационный режим № 25-2) напряжение на входе датчика плотности тонера выше определенного уровня (недостаточно тонера) |
EL | Избыток тонера при автоматической настройке проявления | При завершении автоматической регулировки проявления (имитационный режим № 25-2) напряжение на входе датчика плотности тонера ниже определенного уровня(избыток тонера) | |
2. Поднимают переднюю часть держателя зеркал и отделяют ее от направляющей перемещения. Важно - только переднюю часть.
3. Отсоединяют разъем от узла копировальной лампы в задней части рамки и от блока зеркал № 2/3.
4. Поворачивают блок зеркал № 2/3 против часовой стрелки и извлекают его.
Сборку блока зеркал № 2/3 и держателя зеркал проводят в обратном порядке.

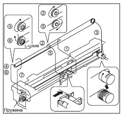
Рис. 1
Порядок установки и натяжения троса держателя зеркал показан на рис. 1. Перед этим проверяют, находятся ли на одной оси выемки для троса переднего и заднего шкивов. Если расхождение между ними слишком велико, ослабляют два крепежных винта на одном из шкивов, визуально выравнивают положение выемок и вновь закрепляют шкив на оси (см. рис. 2).

Рис. 2
Последовательность установки и натяжения троса следующая:
1. Закрепляют зажим троса держателя зеркал на фиксаторе пластины держателя оптической системы.
2. Пропускают трос вдоль внешней канавки двойного шкива.
3. Устанавливают блок зеркал № 2/3 на регулировочной пластине держателя зеркал. Удерживают его так, чтобы выемка шкива находилась сверху, и наматывают трос.
4. Пропускают трос под перемещающимся суппортом шкива и оборачивают вокруг фиксированного шкива.
5. Проводят трос вдоль канавки с внутренней стороны двойного шкива.
6. Проводят трос через шкив "L".
7. Закрепляют пружину троса базы зеркал на выемке слева от пластины держателя оптической системы.
Подобный набор операций выполняют как для передней, так и для задней сторон аппарата.
Для фиксации троса держателя зеркал выполняют следующие операции:
1. Вручную поворачивают шкив привода держателя зеркал до тех пор, чтобы держатель зеркал вошел в контакт с регулировочной пластиной держателя зеркал (см. рис. 3).

Рис. 3
2. На девятом витке конец троса держателя зеркал сдвигают от секции отверстия винта шкива.
3. Фиксируют трос держателя зеркал к шкиву крепежным винтом.
4. Возвращают девятый виток троса (отодвинутый раньше) на место.
Подобный набор операций выполняют для обеих сторон(передней и задней)аппарата.
При выявлении неисправности в блоке зеркал № 4/5 извлекают держатель и блок зеркал № 4/5 из аппарата, выполнив следующие операции:
1. Удаляют направляющие расположения оригинала и снимают стекло держателя оригинала.
2. Поднимают вверх крышку светонепроницаемой камеры.
3. Отсоединяют правую панель корпуса.
4. Запоминают расположение пластины закрепления, оси привода блока зеркал № 4/5, в направлениях А и В проводят линию (см. рис. 4).

Рис. 4
5. Удаляют пружину оси привода блока зеркал № 4/5.
6. Извлекают масштабирующую рейку из узла держателя вала.
7. Снимают пластину крепления, оси привода блока зеркал № 4/5.
8. Удаляют приводной вал оси привода блока зеркал № 4/5.
9. Извлекают блок зеркал № 4/5.
При извлечении блока зеркал № 4/5 необходимо запомнить положение (по шкалам) значков стрелок на держателе привода зеркал № 4/5.
Сборку блока зеркал № 4/5 выполняют в обратной последовательности. Положение стрелок на держателе привода зеркал № 4/5 должно быть совмещено с ранее установленным. Если этого не удается достичь, выполняют следующее:
1. Ослабляют крепежные винты масштабирующей рейки и регулируют ее положение, смещая в сторону.
2. Ослабляют два винта, фиксирующих положение держателя привода зеркал № 4/5.
3. Проводят регулировку положения держателя привода зеркал № 4/5.
4. После завершения регулировки, затягивают оба винта, фиксирующих положение держателя привода зеркал № 4/5.
При появлении кода ошибки L5 проверяют состояние троса привода объектива. Если трос неисправен, его заменяют.
Трос привода объектива снимают в следующей последовательности:
1. Удаляют направляющие расположения оригинала и снимают стекло держателя оригинала.
2. Поднимают вверх крышку светонепроницаемой камеры.
3. Извлекают наружу двигатель привода объектива (открутив два винта).
4. Снимают Е-образную шайбу, фиксирующую ось привода держателя вала и извлекают узел держателя вала.
5. Снимают закрепленный винтами масштабирующий кулачок и шестеренку привода масштабирующего кулачка.
6. Снимают пружину троса привода и фиксатор троса с выступа на держателе объектива (см. рис. 5).

Рис. 5
7. Удаляют трос привода объектива с холостого и ведущего шкивов.
8. Снимают трос привода объектива. Для этого:
- удаляют трос привода объектива, как было описано выше;
- извлекают при помощи острогубцев ось привода объектива;
- после извлечения оси привода объектива из выемки пластины открывается доступ к извлечению узла объектива.
Установку узла объектива выполняют в обратной последовательности.
Натяжение троса привода объектива выполняют следующим образом:
1. Вручную перемещают узел каретки объектива так, чтобы отверстие каретки объектива совпало с отверстием рамки оптического узла (это технологическое углубление для сборки). Вставляют в отверстия стержень, фиксируют положение узла объектива и натягивают трос.
2. Совмещают отверстие шестерни привода масштабирующего кулачка с отверстием "А" держателя блока зеркал № 4/5 (введя в них какой-либо стержень) и вставляют шестерню привода кулачка в ось (см. рис. 6).

Рис. 6
3. Удаляют стержень, фиксирующий положение узла объектива и масштабирующего кулачка.
4. Вручную вращают шестерню привода масштабирующего кулачка для того, чтобы отверстие шестерни совпало с отверстием В держателя зеркал № 4/5 (см. рис. 6).
5. Устанавливают ось привода блока зеркал № 4/5 и рейку. При этом необходимо убедиться в том, что выступ блока зеркал № 4/5 совпадает с отверстием оси привода блока зеркал № 4/5.
6. Ослабляют винты масштабирующего кулачка и совмещают метку на шестерне привода кулачка с меткой на оси привода держателя зеркал № 4/5 (в это время не двигают шестерню масштабирующего кулачка).
7. Затягивают винты масштабирующего кулачка.
После проведения данной процедуры необходимо отрегулировать оптическую систему.
Неисправности с кодами состояния H2, H3 или H4 вызваны неисправностью узла термозакрепления. Для устранения неисправности извлекают узел термозакрепления, выполнив следующие операции:
1. Открывают переднюю панель копировального аппарата.
2. Нажимают движением вниз и вправо на рычаг фиксатора открывания/закрывания корпуса и медленно открывают верхнюю часть корпуса копировального аппарата.
3. Откручивают фиксирующие винты крышки разъема узла термозакрепления и снимают крышку.
4. Снимают привод узла термозакрепления из рамки аппарата и отсоединяют два разъема от узла.
5. Снимают стопорную шайбу и извлекают узел, потянув его на себя.
Примечание. При извлечении узла термозакрепления из копировального аппарата соблюдают осторожность, чтобы не поцарапать поверхность нагревательного барабана, покрытого тефлоновым слоем. Не допускают поломки исполнительного механизма датчика вывода листа (POD).
Извлечение лампы нагревателя выполняют в следующей последовательности:
1. Удаляют фиксирующий винт крышки узла термозакрепления и снимают крышку, сдвигая ее к переднему краю.
2. Нажимают на выступ фиксатора, соединенного с термостатом, отсоединяют провода, идущие к термостату.
3. Снимают крепежный винт держателя лампы, расположенный сверху в задней части рамки, и затем удаляют держатель.
4. Снимают лампу нагревателя из передней части рамки.
Сборку узла выполняют в обратной последовательности.
Для извлечения термистора и термостата выполняют следующие операции:
1. Снимают узел термозакрепления.
2. Снимают крышку узла термозакрепления и извлекают термистор, открутив один фиксирующий винт.
3. Откручивают два винта и извлекают термостат (см. рис. 7).

Рис. 7
Сборку выполняют в обратной последовательности, предварительно проверив, нет ли загрязнений на термисторе и термостате. Для удаления загрязнений с поверхности термистора и термостата протирают их спиртом. Также проверяют, чтобы центр термостата соприкасался с нагревательным валиком.
Автор: Владимир Алексеев (г. Глазов)
