В статье рассмотрены вопросы, связанные с обновлением и восстановлением программного обеспечения (ПО) телефонов NOKIA при помощи сервисной программы Phoenix, являющейся универсальным инструментом для работы с Flash-памятью телефонов данного производителя. Также будут рассмотрены утилита Nokia Software Updater, предназначенная для самостоятельного обновления ПО пользователями, и Nokia PC Suite в части функционала, связанного с созданием резервных копий и восстановлением пользовательской информации.
При восстановлении работоспособности мобильных телефонов одной из наиболее часто выполняемых операций является перепрограммирование Flash-памяти устройства, в процессе которого производится восстановление или обновление его ПО. Причем, согласно сервисной документации эту операцию рекомендуется выполнять при всех неисправностях телефона, связанных с нестабильной работой или отсутствием запуска аппарата при нажатии на клавишу включения.
Перед тем как программировать Flash-память, рекомендуется убедиться в отсутствии явных аппаратных неисправностей, в частности, следов воздействия влаги на печатной плате и элементах телефона, а также измерить потребляемый ток. Для большинства телефонов NOKIA в выключенном состоянии его значение в среднем не превышает 1 мА, а при работе телефона - 100...250 мА. Потребление свыше 500 мА однозначно свидетельствует о наличии проблем с аппаратной частью устройства, поэтому перед тем как переходить к программированию Flash-памяти аппарата, следует выяснить причины завышенного потребления. Чаще всего причина кроется в неисправных элементах или вследствие окисления печатных проводников. Также замер потребляемого телефоном тока позволяет убедиться в наличии реакции на нажатие кнопки включения: при нажатой кнопке потребление обычно составляет 70...250 мА, в зависимости от модели ремонтируемого телефона. Если рост потребляемого тока при нажатии на кнопку включения отсутствует, то вначале следует устранить соответствующую неисправность.
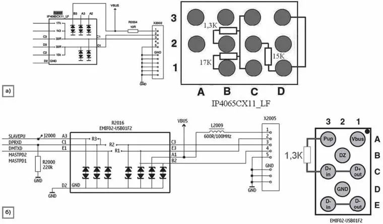
В случае если при подключении телефона к компьютеру через USB-интерфейс появляется сообщение "USB-устройство не опознано" (подразумевается, что на компьютере установлены все необходимые драйверы, а USB-интерфейс ПК и кабель исправны), проверяют состояние интерфейсного разъема и исправность элементов этого интерфейса. В силу разнообразия схемотехнической реализации универсальный совет, подходящий для всех моделей телефонов этого производителя, дать невозможно, но во многих случаях причина неработоспособности интерфейса кроется в интерфейсном разъеме и в фильтрах электромагнитных импульсов (ЭМИ или EMIF).
Узнать модель ЭМИ фильтра, применяемого в конкретной модели, можно по принципиальной схеме. Чаще всего в аппаратах NOKIA в качестве ЭМИ фильтров USB-интерфейса применяются ИМС типа IP4065CX11_LF (типовое позиционное обозначение R2007) и EMIF02-USB1F2 (R2016, R3301). Причем, в отличие от ЭМИ фильтров дисплея или клавиатуры, большинство фильтров, применяемых в USB-интерфейсах телефонов NOKIA, нельзя заменить перемычками (см. рис. 1), а понадобится устанавливать дополнительные элементы. При этом схема не будет полностью эквивалентна оригиналу. Таким образом, при восстановлении работоспособности USB-интерфейса настоятельно рекомендуется устанавливать в телефон исправные ИМС, а не заменять их перемычками.

Рис. 1. Схемы включения ЭМИ фильтров и варианты их замены: а - IP4065CX11_LF, б - EMIF02-USB1F2
Сохранение резервной копии пользовательской информации
Одним из способов создания резервной копии пользовательской информации в телефонах NOKIA является использование программы Nokia Content Copier, входящей в состав Nokia PC Suite. Эта операция выполняется в следующем порядке:
1. Подключают включенный телефон к компьютеру, при этом в выведенном на дисплей телефона меню выбирают режим "PC Suite".
2. В диалоговом окне Nokia Content Copier щелкают по кнопке, находящейся справа от надписи "Выполните резервное копирование нужного телефона в файл резервной копии на компьютере".
3. Отмечают нужные позиции и нажимают кнопку "Далее" (см. рис. 2а). Как правило, для пользователя основную ценность представляет список контактов.
4. В выведенном на дисплей диалоговом окне указывают имя файла, в который будет сохранена резервная копия содержимого телефона (файл формата *.nbu).
5. Ожидают окончания операции, после чего отключают телефон от компьютера.

Рис. 2. Сохранение копии пользовательской информации: а - диалоговое окно Nokia Content Copier "Выбор сохраняемых объектов", б - диалоговое окно NBU Parcer "Контакты"
Восстановление пользовательской информации из резервной копии в телефон осуществляется аналогично за исключением того, что при выборе действия (п. 1) нажимают на кнопку, расположенную возле надписи "Восстановление содержимого нужного телефона из файла резервной копии в телефон", после чего выбирают файл с нужной резервной копией. Также в Nokia Content Copier предусмотрена возможность поиска NBU-файлов по всем папкам компьютера. При восстановлении информации рекомендуется ограничиться только списком контактов.
Обратите внимание: вся информация сохраняется в один файл формата NBU, представляющий собой специализированный формат, разработанный NOKIA для хранения резервных копий пользовательских данных. Для извлечения определенной информации из NBU-файла (например, списка контактов) можно воспользоваться бесплатной программой NBU Parcer (см. [1]). После запуска приложения NBU Parcer нажимают кнопку "Открыть" и выбирают NBU-файл с нужной резервной копией, при этом его содержимое будет отображено в соответствующих вкладках диалогового окна программы. Далее нажимают кнопку, соответствующую необходимому действию, например, для экспорта списка контактов в текстовый файл на вкладке "Контакты" нажимают кнопку "Запись *.txt".
Структура программного обеспечения телефонов Nokia
В общем случае ПО телефонов NOKIA состоит из следующих частей:
- MCU (Micro Control Unit), управляющая программа телефона, обеспечивающая базовый функционал и работу с аппаратной частью телефона;
- PPM (Post Programming Memory), часть ПО, содержащая в том числе языковой пакет устройства;
- CNT (Content Pack), набор предустановленного контента (картинки, игры, мелодии и т.д.);
- PM (Permanent Memory), область памяти, содержащая калибровочные данные (радиотракт, аккумуляторная батарея и т.д.), индивидуальные настройки телефона (в том числе защитные коды и параметры привязки к сети оператора);
- ADSP (Advance Digital Signal Processor), ПО цифрового сигнального процессора;
- APE (Application Processor Engine), ПО процессора приложений;
- APE User Disk, хранилище пользовательского контента.
Предупреждение:все операции, связанные с программированием телефонов, следует осуществлять при полностью заряженном аккумуляторе.
Обновление и восстановление ПО с помощью Nokia Software Updater
Для обновления ПО с помощью Nokia Software Updater (NSU) понадобится компьютер, подключенный к Интернету по скоростному каналу, при этом объем загружаемой из сети информации может достигать 300 Мб. Обновление ПО телефона с помощью этого приложения осуществляется следующим образом:
1. Подключают включенный телефон с установленной SIM-картой к компьютеру.
2. В выведенном на дисплей телефона меню выбирают режим "PC Suite".
3. Запускают программу NSU, при этом она автоматически определит модель подключенного телефона и текущую версию ПО. Если в аппарате установлена последняя версия ПО, но устройство работает нестабильно, будет предложено ее переустановить.
4. Для запуска процесса обновления/восстановления ПО нажимают соответствующую кнопку "Обновить"/"Переустановить" (рис. 3).
5. Подтверждают запуск процесса обновления, после чего необходимая версия ПО телефона будет загружена из Интернета и начат процесс программирования Flash-памяти.
6. Выключение телефона и перевод его в режим программирования Flash-памяти будут выполнены автоматически, а по окончании процесса телефон будет автоматически перезагружен, вначале в Test Mode, а потом в рабочий режим.
7. Отключают телефон от кабеля и закрывают программу NSU.

Рис. 3. Основное диалоговое окно программы Nokia Software Updater
Настройка компьютера для программирования Flash-памяти телефонов NOKIA посредством Phoenix
Для выполнения инженерного программирования мобильных телефонов NOKIA с помощью программы Phoenix необходимо, чтобы на компьютере не было установлено какое-либо ПО от NOKIA, в том числе, Nokia PC Suite и Nokia Ovi Suite - их придется удалить. В общем случае, для обеспечения стабильной работы Phoenix целесообразно использовать отдельную копию ОС Windows (рекомендуется Windows XP), в которой отсутствует какое-либо дополнительное ПО. Для инженерного программирования телефонов на компьютере должны быть установлены сервисные драйверы Nokia Flashing cable driver (NFCD), программа Phoenix и ПО для ремонтируемой модели телефона.
Программу Phoenix необходимо устанавливать и запускать с учетной записи пользователя с правами администратора. Установка драйверов осуществляется следующим образом:
1. Запускают *.exe файл с установщиком программы NFCD.
2. Перезагружают компьютер.
3. Подключают к компьютеру выключенный телефон и коротко (на 1...3 с) нажимают на клавишу включения, при этом операционная система обнаружит новые устройства и установит на них драйверы. Эту операцию понадобится повторить несколько раз до тех пор, пока при нажатии на клавишу включения компьютер не перестанет обнаруживать новые устройства и предлагать установить на них драйверы.
4. Подключают к компьютеру включенный телефон в режиме "PC Suite", при этом система установит драйверы оставшихся устройств.
После того как все необходимые драйверы установлены, при нажатии на клавишу включения у подключенного к компьютеру выключенного телефона в "Диспетчере устройств" операционной системы будут отображаться два устройства - "Nokia USB Flashing Generic" и "Nokia USB Flashing Parent" (рис. 4а), к которым и обращается сервисное ПО. Обратите внимание: при нажатии клавиши включения на подключенном к компьютеру выключенном телефоне он запускается в режиме ожидания программирования Flash-памяти, однако, если к нему в течение нескольких секунд не подключится соответствующее ПО, телефон автоматически выключается. Именно по этой причине "Nokia USB Flashing Generic" и "Nokia USB Flashing Parent" пропадают из диспетчера устройств" через несколько секунд после появления.

Рис. 4. Списки устройств, появляющихся при подключении телефона к компьютеру: а - телефон выключен, б - телефон включен
При подключении к компьютеру включенного телефона в режиме "PC Suite" вместо "Nokia USB Flashing Generic" и "Nokia USB Flashing Parent" в пункте "Wireless Communications Devices" будут отображаться устройства, приведенные на рис. 4б. Причем данные устройства доступны через "Диспетчер задач" до момента отключения телефона, независимо от того, используется он или нет.
Еще одним важный момент - для загрузки в телефон необходимой версии ПО его вначале устанавливают на компьютер, как обычное Windows-приложение, и только после этого появится возможность выбрать его в меню Phoenix. При поиске необходимого ПО следует ориентироваться на тип телефона (Type RM-***) и 7-значный код продукта (CODE: xxxxxxx), указанные на наклейке под аккумулятором (рис. 5).

Рис. 5. Определение типа телефона и кода продукта
В случае если программируется телефон, изначально не поддерживающий русский язык, следует выбрать код продукта соответствующей версии телефона с поддержкой русского языка. В названии версии ПО обычно присутствует Cyrillic/Rus.
Для удобства поиска ПО для телефонов NOKIA может быть использована программа NaviFirm (рис. 6), в которой доступ к загрузке нужного ПО осуществляется одним нажатием, достаточно лишь указать тип телефона (обратите внимание - одинаковые модели могут иметь разные типы RM-***), версию ПО (Releases) и код продукта (Variants). Для начала загрузки отмеченных частей ПО нажимают кнопку "Download from FiRe" и в качестве места сохранения файлов указывают папку X:ProductsRM-*** (RM-*** - тип ремонтируемого телефона), где X - путь, куда установлена программа Phoenix, например C:Program FilesNokiaPhoenix. Если папка RM-*** отсутствует, то ее создают самостоятельно, нажав соответствующую кнопку стандартного диалога сохранения файлов. Если во время работы с NaviFirm была запущена программа Phoenix, то, для обновления списка доступного ПО ее понадобится перезапустить.

Рис. 6. Основное диалоговое окно программы "NaviFirm"
Стандартное обновление ПО с использованием Phoenix
Под "стандартным обновлением ПО" подразумевается программирование Flash-памяти включающегося и загружающегося телефона. В случае если телефон не включается, программирование Flash-памяти следует проводить в режиме DeadUSB (см. ниже). В общем случае обновление ПО с использованием Phoenix выполняют следующим образом:
1. Включают телефон и подключают его к компьютеру в режиме "PC Suite".
2. Запускают Phoenix.
3. В выпадающем списке "Connections" выбирают USB. Если указанный тип подключения отсутствует, то его необходимо создать, для этого нажимают кнопку "Settings" (рис. 7а, поз. 1). В выведенном на дисплей диалоговом окне "Manage RD Connections" нажимают кнопку "Add" (рис. 7а, поз. 1), при этом на дисплее компьютера отображается сообщение "Add new connection". В выпадающем списке "Driver" диалогового окна "Add new connection" выбирают USB и нажимают кнопку "ОК" (рис 7а, поз. 3). Параметры USB-подключения оставляют по умолчанию.
4. В пункте "File" главного меню Phoenix выбирают пункт "Scan product", при этом информация о модели подключенного телефона и версии его ПО будет отображена в нижней части диалогового окна Phoenix (рис. 7б).
5. При необходимости выполняют резервное копирование сертификатов и настроек телефона, для чего в пункте "Product" основного меню Phoenix выбирают подпункт "User Settings /All Settings", при этом на дисплей будет выведено одноименное диалоговое окно (рис. 7в). Для создания резервной копии переключатель "Operations" устанавливают в значение "Backup/Restore", отмечают флажками нужные объекты, после чего нажимают кнопку "Backup" и указывают имя файла, куда следует сохранить резервную копию. Для восстановления заводских настроек переключатель "Backup/Restore" переводят в значение "Refurbish".
6. В пункте "Flashing" основного меню приложения выбирают пункт "Firmware update", при этом на дисплей будет выведено диалоговое окно "Firmware Update". При необходимости изменить код продукта нажимают на кнопку, расположенную справа от одноименного поля ввода, в выведенном на дисплей диалоговом окне снимают флажок "Detect Product Automatically" (рис. 7г) и вручную выбирают нужный код продукта. Версиям с поддержкой русского языка соответствуют коды продуктов, обозначенные как RU, Cyrillic, Russian.
7. Нажимают кнопку "Refurbish" и ожидают окончания процесса программирования Flash-памяти. При этом телефон автоматически включится, а на дисплее появится соответствующее сообщение.
8. Закрывают программу Phoenix и отключают телефон от компьютера.
Рис. 7. Использование программы Phoenix при работе в стандартном режиме: а - а) создание нового подключения, б - телефон подключен, в - создание резервной копии, г - выбор кода продукта, д - программирование Flash-памяти телефона
Восстановление ПО в режиме DeadUSB
При восстановлении ПО телефонов NOKIA инженерное программирование в режиме DeadUSB является одной из наиболее часто используемых операций. В общем случае ее выполняют в следующем порядке:
1. Запускают Phoenix.
2. В выпадающем списке "Connections" выбирают "NO CONNECTION".
3. В пункте "File" основного меню программы выбирают пункт "Open Product", после чего в выведенном диалогом окне выбирают нужный тип телефона (RM-***) (рис. 8а).
4. В пункте "Flashing" основного меню приложения выбирают подпункт "Firmware Update", при этом на дисплей будет выведено одноименное диалоговое окно (рис. 8б).
5. Выбирают код продукта, для чего нажимают кнопку "...", расположенную справа от поля ввода "Product Code", и из выведенного на дисплей списка выбирают нужный код (рис. 8б).
6. Устанавливают флажок "Dead phone USB Flashing".
7. В диалоговом окне "Firmware Update" нажимают кнопку "Refurbish" (становится активной при установке флажка "Dead phone USB Flashing").
8. На несколько секунд отключают от телефона аккумулятор, после чего подключают выключенный телефон к компьютеру, коротко нажимают кнопку включения, а затем кнопку "Ок" диалогового окна предупреждения (рис. 8в).
9. Ожидают окончания процесса программирования Flash-памяти (при этом телефон автоматически включится, а на дисплее появится соответствующее сообщение), после чего закрывают Phoenix и отключают телефон от компьютера.

Рис. 8. Использование программы Phoenix при работе в режиме DeadUSB: а - выбор типа телефона, б - выбор кода продукта, в - запуск процесса программирования Flash-памяти
Резюме
Рассмотренные в статье методики обновления и восстановления ПО телефонов NOKIA позволяют выполнить программирование Flash-памяти большинства телефонов семейства BB5 без использования специального оборудования. Однако программирование Flash-памяти в режиме DeadUSB доступно не для всех телефонов семейства BB5, в частности, подобным образом не удастся восстановить модели "Nokia N70/N71/N72/N73/N80/N82/N90/N91/N93/N95".
Литература и интернет-источники
1. Бесплатная программа NBU Parcer // Интернет-портал ALLNOKIA.RU - http://forum.allnokia.ru/view-topic.php?t=37319.
2. Прошивка телефонов Nokia с помощью программы Phoenix // Интернет-портал ALLNOKIA.RU - http://allnokia.ru/kcenter/view-72.htm.
3. USB-прошивка "мертвых" телефонов Nokia через программу Phoenix // Интернет-портал ALLNOKIA.RU - http://allnokia.ru/kcenter/ view-122.htm.
Автор: Антон Печеровый (г. Орел)
Источник: Ремонт и сервис

