Модель "KP500" можно рассматривать как сильно упрощенную версию нынешнего флагмана корейской компании LG, телефона "KC910 Renoir". Производитель убрал из младшей модели мощную камеру, модули Wi-Fi и GPS. Кроме этого, были упрощены еще некоторые функции.
Разборка телефона
1. Снимают заднюю крышку, аккумулятор, SIM-карту, карту памяти и стилус. Затем выкручивают четыре шурупа, обведенных кружками (рис.1а).
2. Снимают заднюю панель телефона. Для этого вставляют инструмент для разбора корпусов (можно заменить пластиковой карточкой, медиатором) в щель между задней панелью и корпусом и проводят им по периметру панели, чтобы разъединить защелки, (рис. 1б).
3. Отсоединяют пять разъемов от главной платы (рис. 1в).
4. Аккуратно приподнимают главную плату и отсоединяют еще один разъем (рис. 1г).
5. Снимают плату телефона. Затем выкручивают два шурупа, держащих антенный модуль (рис. 1д).
6. Аккуратно снимают камеру (она приклеена на двусторонний скотч) и антенный модуль. Они снимаются с небольшим усилием, поэтому не переусердствуйте и не сломайте их (рис. 1е).
7. Вставляют инструмент для разбора корпусов в щель между частями корпуса и проводят его по периметру корпуса, чтобы разъединить защелки, которые держат части корпуса вместе (рис.1ж).
8. Аккуратно снимают переднюю часть корпуса телефона (рис. 1з).
9. Поддевают пластиковой карточкой ЖК-панель и снимают ее (рис. 1и).

Рис. 1. Разборка телефона
Сборка телефона осуществляется в обратном порядке.
Таблица 1. Основные технические характеристики телефона LG KP500
Параметр | Значение |
Вес | 87 г |
Размер | 106,5x55,4x11,9 мм |
Диагональ дисплея | 3 дюйма |
Разрешение дисплея | 240x400 точек |
Платформа | Lilac |
Память | 48 Мб встроенной памяти, внешняя карта microSD до 8 Гб |
Стандарты и диапазоны | EGSM/GSM 900/1800/1900 |
Основные функции | GPRS класс 12 и EDGE класс 10, камера 3 Мп, Bluetooth 2.1 с поддержкой EDR, USB 2.0, Java MIDP 2.0, Java 3D, FM-радио, MP3-проигрыватель, виртуальная qwerty-клавиатура, просмотр документов с расширениями txt, pdf, doc, ppt, xls (через программу Picsel Viewer), интернет-браузер, SMTP-клиент |
Тип и емкость аккумулятора | Li-ion, 900 мА·ч |
Обновление и восстановление программного обеспечения
Для обновления программного обеспечения (ПО) можно использовать как ОпЧ^ прошивку от компании производителя, так и ПО сторонних производителей.
Рассмотрим метод прошивки с помощью сторонней программы GSMulti.
Первоначально скачивают программное обеспечение, например здесь [2]. В комплект должны входить: сама прошивка, флешер, дополнительный файл dll (после того как скачали прошивку, не забудьте поставить у нее расширение .bin).
Далее действуют в следующей последовательности:
1. Запускают файл "Setup.exe" для установки драйвера Infineon usb driver (рис. 2а).
2. Нажимают кнопку Install (рис. 2б).
3. После завершения установки нажимают кнопку Exit (рис. 2в).
4. Из папки со скачанным ПО (GSMULTIUsbDriversTI_NEPTUNE) запускают файл LGE_GSM_Device_Driver_OMAPV10 30_1.0.exe для установки Infineon usb driver (рис. 2г-2е).
5. Подсоединяют телефон без аккумулятора (АКБ) к компьютеру, используя DATA-кабель. Отобразится окно поиска нового оборудования. Выбирают "Автоматическая установка" и устанавливают драйверы для устройства. После этого в диспетчере устройств появятся устройства (рис. 2ж) "Flash Loader utility" - для чипсета Infineon и "LGE GSM Device OMAPV1030" - для чипсета Neptune. Далее отключают DATA-кабель от компьютера.
6. Из папки Gsmulti выбирают файл usb_map.exe и запускают его. После этого выбирают пункт Infineon, нажимают на кнопку Mapping start и, далее, на кнопку сохранения Save & Exit (рис. 2з).
7. Вставляют обратно АКБ и подключают телефон к компьютеру. Включают и удерживают среднюю кнопку на передней панели телефона. Далее открывают программу MultiGSM_V30 и в настройках (Setting) выбирают конфигурацию (рис 2и). В первом поле указывают путь к ранее скачанному файлу dll, а во втором путь к файлу прошивки. Далее нажимают кнопки OK и START.
При правильном выполнении операций появится окно, сообщающее, что обнаружен телефон (рис. 2к). Если этого не произошло, необходимо повторить все операции.

Рис. 2. Обновление и восстановление программного обеспечения
Типовые неисправности
Типовые неисправности рассмотрим в пошаговом режиме, при котором переход к следующему шагу осуществляется только при выполнении предыдущего.
После разборки телефона для ремонта его предварительно осматривают. При обнаружении оборванных печатных проводников, механических повреждений, отсутствии или повреждении элементов схемы, наличии окислов устраняют все найденные дефекты, заменяют электронные компоненты, очищают платы от окислов.
Для более четкого понимания структуры и взаимодействия узлов телефона можно использовать его структурную схему (рис. 3), а для поиска позиций компонентов на плате - электромонтажную схему (рис. 4).

Рис. 3. Структурная схема телефона
Телефон не включается
1. Проверяют напряжение аккумуляторной батареи, оно должно быть не ниже 3,35 В.
2. Нажимают на кнопку включения телефона и проверяют наличие сигнала PWRON (переход с высокого уровня на низкий) на выв. 3 U203 (рис. 5). При его отсутствии заменяют U203.
3. Проверяют наличие сигнала RESET на выв. 5 U204 (рис. 6).
При его отсутствии заменяют U204.
4. Проверяют наличие и номинальные значения выходных напряжений контроллера питания U300 (см. рис. 7 и таблицу 2) и при несоответствии номиналов указанным в таблице заменяют U300.
5. Проверяют наличие тактового сигнала частотой 26 МГц на контакте 1 разъема X600. При его отсутствии нужно проверить конденсатор C638 (рис. 8). Если он исправен, то требуется замена главной платы.

Рис. 5. Нажимают на кнопку включения телефона и проверяют наличие сигнала PWRON

Рис. 6. Проверяют наличие сигнала RESET на выв. 5 U204

Рис. 8. Конденсатор C638
Таблица 2. Номинальные значения выходных напряжений контроллера питания U300
Вывод | Выходное напряжение, В | Выходной ток, мА |
SD1 | 1,35 | 600 |
SD2 | 1,8 | 300 |
VAUX | 2,9 | 100 |
VIO | 2,62 | 100 |
VSIM | 2,9 | 70 |
VMME | 2,9 | 150 |
VUMTS | 2,85 | 110 |
VUSB | 3,1 | 40 |
VLED | 2,9 | 10 |
VAUDlOa | 2,5 | 200 |
VAUDlOb | 2,5 | 50 |
VRF1 | 2,85 | 150 |
VRF2 | 1,53 | 0 |
VRF3 | 2,7 | 150 |
VPLL | 1,35 | 30 |
VRTC | 2,11 | 4 |
VAFC | 2,65 | 5 |
VVIB | 2,8 | 140 |
Не заряжается аккумулятор
При этом предполагается, что для зарядки телефона используется заведомо исправное зарядное устройство.
1. Проверяют целостность и исправность 18-контактного интерфейсного разъема CN401.
2. Проверяют наличие напряжения 5,1 В на выв. 1 контроллера U401 (рис. 9), при его отсутствии заменяют U401.
3. Проверяют наличие напряжения 4,2 В на выв. 11 U401 и при его отсутствии заменяют U401.
4. Проверяют напряжение АКБ. Если оно ниже 3,4 В, проверяют сопротивление термистора в составе аккумуляторной батареи - оно должно быть равно 68 кОм. Если после замены термистора напряжение на батарее также ниже 3,4 В, заменяют батарею.

Рис. 9. Контроллер U401
Не работает дисплей
1. Проверяют целостность разъема CN502 и надежность подсоединения шлейфа.
2. Проверяют, проходит ли сигнал через фильтры FL503-FL505, и при необходимости заменяют неисправный фильтр (рис. 10).
Не работает камера
1. Заменяют модуль камеры заведомо исправным.
2. Проверяют целостность разъема CN500, а также предохранителя FB500, при необходимости заменяют исправными (рис. 11).
3. Проверяют наличие напряжения 1,8 В (V_CAM_CORE_1V8) на выв. 4 U501. Если напряжение ниже нормы или равно нулю, заменяют U501.
Не работает разговорный динамик
1. Проверяют состояние контактов разъема динамика на плате телефона и соблюдение полярности его подключения.
2. В режиме разговора проверяют наличие звукового сигнала на конденсаторах C206 (TP1), C207 (TP2), при отсутствии сигналов заменяют главную плату (рис. 12).
3. Проверяют наличие выходных сигналов усилителя U200 на конденсаторах C212 и C213 (точки TP3 и TP4 соответственно) и при их отсутствии заменяют ИМС.
4. Проверяют наличие звуковых сигналов на дросселях L400 и L403 и при их отсутствии заменяют эти элементы.
Не работает микрофон
1. Убеждаются в том, что отверстия для микрофона в нижней части трубки телефона не загрязнены.
2. Измеряют напряжение смещения (2,5 В) при звонке на элементе C517 (точка TP3 на рис. 13). Если смещение равно нулю, проверяют линию, по которой это напряжение подается (VMICP).
3. Проверяют целостность и исправность 4-контактного разъема CN501 и при необходимости заменяют его.
4. Проверяют наличие напряжения 2,5 В в точках TP1 и TP2 (рис. 13). При его отсутствии заменяют микрофон.
Не работает виброзвонок
1. Проверяют качество и надежность контактов виброзвонка.
2. Проверяют наличие высокого уровня на выв. 3 U301 (точка TP1 на рис. 14) и при его отсутствии заменяют ИМС U100.
3. Проверяют наличие напряжения 3 В на выв. 1 U301 (точка TP2 на рис. 14) и при его отсутствии заменяют U301, а при наличии заменяют виброзвонок.

Рис. 14. Выв. 1 U301
Не работает подсветка клавиатуры
1. Проверяют качество пайки светодиодов LD101-LD103.
2. Проверяют наличие напряжения 2,62 В на резисторе R325 (точка TP1). Если оно отсутствует, заменяют транзистор Q300 (рис. 15).

Рис. 15. KEY Backlight LED
Телефоном не определяется SIM-карта
Интерфейсом телефона поддерживаются только SIM-карты с рабочим напряжением 3 В.
1. Проверяют качество пайки держателя SIM-карты на главной плате.
2. Устанавливают в телефон SIM-карту и проверяют наличие напряжения питания 2,9 В и сигналов обмена SIM_CLK и SIM_IO в контрольных точках телефона (рис. 16):
- контакт C3 (на конденсаторе C228);
- контакт C6 (на конденсаторе C226);
- контакт C7 (на конденсаторе C227).
При отсутствии указанных сигналов и напряжения заменяют главную плату.

Рис. 16. Сигналы обмена SIM_CLK и SIM_IO в контрольных точках телефона
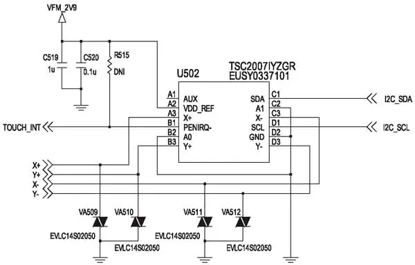
Не работает сенсор дисплея
1. Проверяют целостность сенсорного экрана и надежность подключения его шлейфа к разъему При необходимости заменяют сенсорный экран.
2. Проверяют наличие высокого уровня (2,9 В) на выводе A2 контроллера U502 (рис. 17). При его отсутствии заменяют контроллер U300.
3. Проверяют наличие высокого уровня (2,9 В) на выводе A3 контроллера U300. При его отсутствии заменяют U502.

Рис. 17. Контроллер U502
Не работает датчик ускорения (в играх нет реакции на перемещение телефона)
1. Проверяют качество и надежность пайки микросхемы U302.
2. Проверяют наличие напряжения 2,6 В (TP1) на выв. 2 U302. При его отсутствии заменяют контроллер U300 (рис. 18).
3. Проверяют напряжение 2,6 В (TP2) на выв. U302. При его отсутствии заменяют резистор R300 (рис. 18).
4. Если 2,6 В есть, а датчик не работает, его заменяют (U302).

Рис. 18. Микросхема U302
Остальные рисунки, используемые в статье можно скачать здесь.
Литература и интернет-источники
1. LG KP500 Service manual.
2. Мануал по прошивке LG KP500. // www.gsmforum.ru - http://www.gsmforum.ru/threads/57394-%CC%E0%ED%F3%E0%EB-0/oEF0/oEE-%EF%F0%EE%F8%E8%E2%EA%E5-LG-KP500?p=280808#post280808
3. Инструкция по использованию программы GSMulti в режиме USB //www.gsmforum.ru - http://www.gsmforum.ru/threads/ 36347.
Автор: Сергей Шиповский (г. Клин)
Источник: Ремонт и сервис
