Общие сведения
Можно считать, что смартфон "Nokia 6600", (год начала производства - 2003), является прямым наследником модели "Nokia 7650". Цветной дисплей с отображением 65 тысяч цветов, трехдиапазонный GSM/EGSM-трансивер (900/1800/1900 МГц), VGA-камера с 2-кратным цифровым масштабированием размера изображения и возможностью видеозаписи. При габаритах 109x58x24 мм он имеет массу 122 г, что позволяет считать его вполне компактным. Несмотря на кажущуюся на первый взгляд "пузатость", какие-либо раздвижные конструкции в нем отсутствуют, да и удачное цветовое оформление корпуса сглаживает это впечатление. По понятиям Nokia - это классическая модель, что подтверждается отнесением данного аппарата к 6000 серии. Основные технические характеристики смартфона приведены в табл. 1.
Таблица 1. Основные технические характеристики смартфона Nokia 6600
Характеристика | Спецификация | |
Диапазон рабочих частот, МГц | GSM900 | 880...915 (Tx*), 925...960 (Rx*) |
GSM1800 | 1710...1785 (Tx), 1805...1880 (Rx) | |
GSM1900 | 1850...1910 (Tx), 1930...1990 (Rx) | |
Выходная мощность радиопередающего тракта, дБм | GSM900 | 33 |
GSM1800 | 30 | |
GSM1900 | 30 | |
Число частотных каналов | GSM900 | 125 |
GSM1800 | 375 | |
GSM1900 | 300 | |
Защитный интервал, кГц | 200 | |
Вид модуляции | GMSK* | |
Рабочий диапазон температур, °С | -15...+55 | |
Емкость аккумуляторной батареи, мА·ч | 850 (Li-Ion) | |
Время заряда аккумуляторной батареи, ч | 1,5 | |
Время работы аппарата, ч | Режим разговора | 2-4 |
Дежурный режим | 150-240 | |
ЖК-дисплей | Цветной, TFT, 176x208 пикселов, 65536 цветов, отображает до восьми строк текста и одну служебную строку | |
Память, Мбайт | Встроенная | 6 |
Flash MMC-карта | 32 | |
Цифровая фотокамера | Встроенная, VGA, JPEG 640x480 | |
Цифровая видеокамера | Встроенная, VGA, QCIF 176x144 или subQCIF 128x96 пикселов | |
Поддерживаемые форматы графических файлов | BMP, GIF 87a, GIF 89a, JPEG, MBM, PNG, WBMP, TIFF-F | |
Операционная система | Symbian OS 7.0 | |
Поддерживаемые протоколы | SMTP, POP3, IMAP4 | |
Связь с ПК | Bluetooth, IrDA | |
Internet | WAP 2.0, Java (MIDP v2.0), GPRS (40,2 Кбайт/с), HSCSD (43,2 Кбайт/с) | |
Сообщения | MMS, SMS | |
Дополнительно | Стерео FM-приемник | |
Размер, мм | 109x58x24 | |
Вес, гр | 122 (вместе с батареей) | |
* - Tx (Transmit) - передача, Rx (Receive) - прием, GMSK (Gaussian Minimum Shift Keying) - гауссовская манипуляция с минимальным частотным сдвигом.
Краткое описание устройства и работы телефона
Основными структурными блоками "Nokia 6600" (рис. 1), как и многих других телефонов, являются радиотракт (RF - radio frequency) и тракт домодуляционной обработки (BB - baseband), включающий в себя пользовательский интерфейс (UI - user interface) с клавиатурой и интерфейсы сопряжения с периферийными устройствами через Bluetooth, ИК-порт или последовательный интерфейс для отладки и тестирования, а также интерфейс карты памяти, аудиотракта, SIM-карты и VGA-камеры.

Рис. 1. Обобщенная структурная схема Nokia 6600
Основной частью тракта домодуляционной обработки, (см. структурную схему в архиве, является центральный процессор (CPU) D100 на базе спецпроцессора UPP_WD2-V2.4 F741973F, использующийся в карманных ПК (КПК) и объединяющий в себе функции микроконтроллера (МК), цифрового процессора обработки сигналов (ЦПОС) и схемы логики управления. Таким образом, данный спецпроцессор выполняет все функции связанные с задачами цифровой обработки сигналов и контроля функционирования телефона, а также всеми задачами, выполняемыми КПК. Принципиальная схема тракта домодуляционной обработки с обвязкой основными интерфейсами показана в архиве.
Для управления питанием и контроля энергопотребления применятся спецпроцессор D190 на базе UEMK 4.4 W-DOG ENA TO21, генерирующий наряду со стабилизаторами опорные напряжения для питания основных функциональных блоков телефона, а также специальное устройство ZOCUS, предназначенное для измерения текущего уровня энергопотребления. В дополнение к функциям управления питанием, данный модуль реализует интерфейс с радио- и аудиотрактом. Входящий в состав спецпроцессора 11-канальный 10-разрядный АЦП/ЦАП применяется для аналого-цифрового и цифро-аналогового преобразования синфазной и квадратурной составляющих радиосигнала, а также для аналогичных преобразований аудиосигналов. Остальные каналы АЦП/ЦАП задействованы для измерения следующих параметров: напряжения и температуры батареи питания, напряжения и тока зарядного устройства, температуры светодиодного индикатора. На основе полученных измерений формируются управляющие сигналы прерываний для МК центрального процессора (ЦП). Обмен данными между трактом домо-дуляционной обработки и радиотрактом осуществляется через три последовательные шины: CBJS, DBUS и RFBUS. В состав D190 также входят часы реального времени (RTC - real time clock), тактируемые от встроенного генератора (32 кГц). Для обеспечения функционирования RTC при отключении основной батареи питания используется перезаряжаемая резервная батарея, способная поддерживать работу RTC в течение 20 часов. Принципиальная схема модуля управления энергопотреблением размещена в архиве.
Как и в большинстве современных телефонов, в "Nokia 6600" используется два типа микросхем памяти: синхронное динамическое ОЗУ (SDRAM - synchronous dynamic random-access memory) емкостью 128 Мб, играющее роль рабочей памяти телефона и Flash-память емкостью 4x64 Мб, в которую "зашита" операционная система (ОС), рабочее программное обеспечение (ПО) телефона и пользовательские данные. При этом каждая память имеет свою собственную шину обмена данными с ЦП. Для ОЗУ это 16- и 14-разрядная шина адреса/данных с тактовой частотой 104 МГ ц, а для Flash-памяти - мультиплексированная шина, работающая на тактовой частоте 104/3 МГц.
"Nokia 6600" может работать в одном из следующих режимов:
- NO_SUPPLY - режим полного отсутствия напряжения питания. Основная батарея питания отсутствует или разряжена, при этом резервная батарея также имеет недостаточное напряжение;
- BACKJJP - режим резервного питания. Тоже, что и NO_SJPPLY только резервная батарея полностью заряжена;
- PWRjOFF - аппарат выключен. Основная батарея присутствует и напряжение на ней превышает порог VMSTR = 2,1 В, но при этом все стабилизаторы неактивны;
- RESET - сброс. После инициализации всех тактовых генераторов и стабилизаторов подается сигнал системного сброса и далее запускается режим PWR_ON;
- PWRjON - аппарат включен. В данном режиме загружена ОС, и аппарат полностью находится под управлением ПО;
- SLEEP - режим ожидания. Аппарат переходит в этот режим из режима PWRjON, если система неактивна в течение определенного времени (управляется с помощью ПО);
- FLASHING - режим "прошивки" нового ПО.
Схема тактирования основных функциональных блоков "Nokia 6600" показана на рис. 2. В качестве системного тактового генератора используется 26 МГц термостабилизированный генератор, управляемый напряжением (VCTCXO - voltage-controlled temperature-compensated crystal oscillator). В режиме ожидания, когда системный тактовый генератор отключен, JEMK генерирует низкую частоту (32,768 кГ ц), которая тактирует ЦП и Bluetooth. Для синхронизации работы МК, ЦПОС и периферийных интерфейсов используются три схемы цифровой ФАПЧ, каждая их которых управляется независимо. Тактовая частота для МК составляет 104 МГц, для ЦПОС - 117 МГц. На остальные функциональные узлы эти частоты поступают либо в явном виде (например, на ОЗУ), либо через делители частоты (например, на интерфейс Flash-карты).

Рис. 2. Структурная схема тактирования основных функциональных блоков Nokia 6600
Пользовательский интерфейс "Nokia 6600" включает в себя клавиатуру и ЖК дисплей, которые подключаются к основной плате через 24- и 20-штырьковые разъемы соответственно. Подсветка ЖК дисплея и клавиатуры осуществляется с помощью четырех белых светодиодов. ИК порт, реализованный на основе TDFJ5102, поддерживает протокол IrDA 1.1, который способен передавать данные со скоростями 9,6115,2 кбит/с. Интерфейс SIM-карты работает под совместным управлением ЦП и спецпроцессора D190, что обеспечивает программную поддержку SIM-карт с напряжением 1,8 и 3 В. Интерфейс MMC-памяти (работает по трем линиям: данные, команды управления и синхронизация (8,66 МГц)) также реализован на ЦП. При этом на вход интерфейса дополнительно установлен чип защиты от статического разряда (ESD - Electrostatic Discharge) EMIF04 и микросхема контроля уровня LP3928TLX, стабилизирующая напряжение питания MMC-карты, равное 2,85 В.
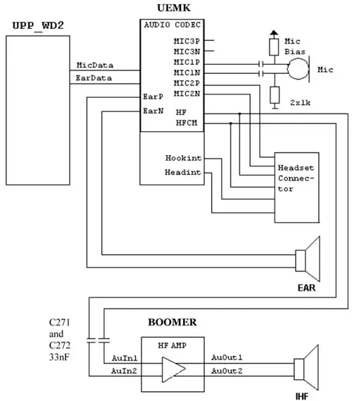
Аудиоинтерфейс "Nokia 6600" включает в себя цепи головного телефона, микрофон, разъем гарнитуры и встроенную "громкую связь". Все функции контроля и цифровой обработки звука выполняют ЦП и спецпроцессор D190. Дополнительно, в качестве усилителя для режима "громкой связи", используется микросхема LM4890. Передача аудиоданных между ЦП и спецпроцессором D190 осуществляется по линиям MICDATA и EARDATA. В качестве головного телефона используется 8-мм миниатюрный динамик фирмы Philipls сопротивлением 32 Ом и мощностью 8 мВт. Управляющими сигналами для головного телефона являются EARP/EARN. В качестве микрофона применяется капсюльный микрофон WMjEZZ CY327 чувствительностью -42 дБ. Для соединения микрофона и спецпроцессора D190 используется одна из двух линий: MIC1 - в обычном режиме, MIC2 - при подключенной гарнитуре. В обоих случаях напряжение смещения MICB1/MICB2 не должно превышать порога 2 В при максимальном токе 600 мкА. Линия MIC3 не используется, поэтому "заземлена" через конденсаторы. В режиме "громкой связи" аудиоданные по линии HF/HFCM поступают через усилитель на громкоговоритель, который представляет собой 16-мм динамическую головку сопротивлением 8 Ом и мощностью 0,2 Вт. Регулировка громкости в данном режиме осуществляется с шагом 2 дБ в пределах -40.+6 дБ. Для борьбы с помехами с обвязке усилителя предусмотрены корректирующие RLC-цепи.

Рис. 3. Структурная схема аудиоинтерфейса Nokia 6600
В качестве фото/видеокамеры используется VGA-камера с видоискателем и цифровым масштабированием размера изображения. Данные с камеры на телефон поступают через последовательный, однонаправленный интерфейс CCP, который обеспечивает максимальную скорость передачи до 104 Мбит/с, то есть VGA-изображение (640x480 пикселов) может передаваться с частотой 15 кадров/с. Контроль функционирования камеры осуществляется ЦП по интерфейсу I2C.
Радиотракт "Nokia 6600" представляет собой типичный трехдиапазонный (900/1800/1900 МГц) GSM-трансивер. Все функции модуляции/демодуляции GSM-сигнала реализованы на спецпроцессоре N601 на базе MJOLNER PMB3346 F3 G3. В качестве усилителя ВЧ сигнала используется микросхема N801 PF-08125B-02.
Порядок разборки телефона
Порядок разборки телефона показан на рис. 4.


Рис. 4. Порядок разборки телефона
1. Для того чтобы не повредить прозрачный экран смартфона во время разборки его желательно заклеить защитной пленкой (рис. 4.1).
2. Нажимают на кнопку на задней крышке телефона и снимают ее, сдвинув вниз (рис. 4.2).
3. Снимают декор с камеры, используя специальную пластмассовую отвертку SRT-6 (рис. 4.3, 4.4). При необходимости это можно сделать с помощью двух отверток.
4. Помещают аппарат в демонтажную колодку. При этом надо убедиться, чтобы направляющие строго попали в соответствующие прорези (рис. 4.5).
5. Используя отвертку SRT-6, отделяют верхнюю крышку аппарата (рис. 4.6, 4.7, 4.8). Для этого, начиная с зеленой отметки, с небольшим усилием проводят отверткой по контуру (как бритвой) и, остановившись у следующей отметки, приподнимают крышку немного вверх. Повторяют эту процедуру по всему контуру крышки.
6. После этого аккуратно приподнимают верхнюю крышку, помогая отверткой со всех сторон.
7. Снимают верхнюю крышку и заклеивают защитной пленкой внутреннюю сторону прозрачного экрана и сам ЖК экран во избежание царапин (рис. 4.9).
8. Снимают панель клавиатуры и наконечник джойстика (рис. 4.10, 4.11).
9. Откручивают в порядке очередности четыре 6-мм винта, используя специальную отвертку Torx Plus® (рис. 4.12).
10. Вынимают аппарат из демонтажной колодки (рис. 4.13).
11. Несущая рамка с печатными платами крепится с помощью четырех зажимов (рис. 4.14).
12. С помощью отвертки SRT-6 по очереди высвобождают несущую рамку от зажимов. При этом следует избегать прокручивания отвертки, так как это может сломать зажимы (рис. 4.15, 4.16).
13. Извлекают несущую рамку с печатными платами из корпуса (рис. 4.17).
14. Помещают отвертку SRT-6 между главной печатной платой и несущей рамкой и, осторожно поворачивая, как показано на рисунке, отделяют и снимают печатную плату (рис. 4.18, 4.19).
15. С помощью обычной шлицевой отвертки освобождают зажим верхней металлической защиты ЖК дисплея (рис. 4.20).
16. Следующую защелку высвобождают, используя отвертку SRT-6 (рис. 4.21).
17. Теперь можно извлечь металлическую защиту ЖК дисплея (рис. 4.22).
18. Извлекают ЖК дисплей, предварительно заклеив его защитной пленкой (рис. 4.23).
19. С помощью SRT-6 отсоединяют заземляющий зажим (рис. 4.24).
20. Освобождают защитную прокладку от трех зажимов при помощи шлицевой отвертки (рис. 4.25).
21. Запоминают расположение направляющего вывода головного телефона, так как это важно при последующей сборке (рис. 4.26).
22. Извлекают головной телефон с помощью отвертки Torx® (рис. 4.27).
23. Во избежание повреждений при извлечении VGA-камеры следует использовать демонтажную колодку (рис. 4.28).
24. Для демонтажа VGA-камеры понадобится специальное приспособление SRT-9. Его необходимо надеть на VGA-камеру сверху и зажимают ручки, как показано на рис. 4.29.
25. Поднимая SRT-9 вверх, извлекают VGA-камеру. При этом следует запомнить расположение направляющих зажимов VGA-камеры для последующей корректной сборки (рис. 4.30).
26. С помощью отвертки SRT-6 извлекают антенну (рис. 4.31).
27. Извлекают кнопку включения питания (рис. 4.32).
28. С помощью пинцета извлекают вибромотор (рис. 4.33).
29. Извлекают окошко ИК порта (рис. 4.34).
30. С помощью пинцета снимают системный разъем, подняв его вверх (рис. 4.35).
31. Высвобождают микрофон с помощью отвертки Torx® (рис. 4.36).
32. Чтобы снять фиксатор SIM-карты его необходимо установить в положение, показанное на рисунке, а затем с небольшим усилием надавить с обратной стороны (рис. 4.37).
Теперь все основные рабочие компоненты телефона доступны для ремонта и диагностики. Сборка телефона производится в обратном порядке.
На рис. 5 показаны все конструктивные составляющие аппарата в разобранном виде. Ниже, в табл. 2 приводится их перечень, а также шифры из партии поставки в различных вариантах исполнения.

Рис. 5. Основные конструктивные составляющие Nokia 6600
Таблица 2. Перечень конструктивных элементов телефона Nokia 6600
Обозначение | Наименование | Шифр (Part.№) | Количествово, шт. |
I001 | Передняя крышка (A-Cover) | 945990* 945991** | 1 |
I002 | Клавиатура (Keymat) | 9791021*9791088** | 1 |
I003 | Винты (Screws) | 6290109 | 6 |
I004 | Металлическая защита ЖК-дисплея (LCD Top Shield) | 9511102 | 1 |
I005 | ЖК-дисплей (LCD) | 485M024 | 1 |
I006 | Наконечник джойстика (Joystick Hat) | 9452804 | 1 |
I007 | Джойстик (Joystick) | - | 1 |
I008 | Шаблон клавиатуры (Dome Sheet) | - | 1 |
I009 | Несущая рамка (UI Support Frame) | - | 1 |
I010 | Заземляющий зажим (Grounding clip) | 9517293 | 1 |
I011 | Защитная прокладка (BB Shielding Gasket) | 9511104 | 1 |
I012 | “оловной телефон (Earpiece) | 5140251 | 1 |
I013 | Уплотнитель (Foam Tape) | 9470283 | 1 |
I014 | “лавная печатная плата (Engine Module) | - | 1 |
I015 | VGA-камера (VGA Camera) | 4858009 | 1 |
I016 | Антенна (Antenna) | 0660296 | 1 |
I017 | Встроенная "громкая связь" (IHF - ntegrated hands free) | - | 1 |
I018 | Кнопка вкл/выкл питания (Power Button) | 9790812 | 1 |
I019 | Вибромоторчик (Vibra Motor) | 6800063 | 1 |
I020 | Микрофон (Mirophone) | - | 1 |
I021 | Системный разъем (System Connector) | 5460113 | 1 |
I022 | Средняя крышка (B-Cover) | 9467132 | 1 |
I023 | Окошко VGA-камеры (Camera Window) | - | 1 |
I024 | Разъем карты ММС-памяти (Card Housing) | - | 1 |
I025 | Окошко ИК-порта (IR Window) | 9452798 | 1 |
I026 | Фиксатор SIM-карты (Locking Lever) | 9460517 | 1 |
I027 | Декор VGA-камеры (Camera Ornament) | 9459107*9459108** | 1 |
I028 | Фирменная наклейка (Label) | 9381367 | 1 |
I029 | Задняя крышка (C-Cover) | 9459260* 9459261** | 1 |
I030 | Кнопка-защелка (Release Button) | - | 1 |
I031 | Подушка аккумулятора (Battery Cushion) | 9470618 | 1 |
* - светло-серый цвет исполнения; ** - розовый цвет.
Типовые неисправности телефона и способы их устранения
Расположение основных элементов на главной печатной плате телефона смотрите в архиве. На рисунке архива изображены эпюры сигналов в контрольных точках (КТ) платы. Для удобства поиска места расположения того или иного компонента на плате все компоненты привязаны к координатной сетке и дана поясняющая таблица.
Вначале проверяют исправность кнопки включения питания S130 и производят ее замену в случае негодности. Затем проверяют исправность разъема ЖК дисплея, и разъема, соединяющего его с платой. Если с разъемами все в порядке, то проверяют наличие напряжения на контактах X380 батареи питания и отсутствие разрыва в цепи VBAT. Если ток в цепи питания превышает 1А, то вероятнее всего имеется короткое замыкание в цепи VBAT. Следующим шагом необходимо подключить телефон к ПК с установленным сервисным ПО Phoenix и соединиться в режиме "Local". Если не удается установить подключение, то необходимо проверить цепь R220, C226, X380 и заменить неисправные элементы. Если эти элементы исправны, необходимо перейти к пункту "Неполадки питания". Если соединение с Phoenix проходит нормально, необходимо провести внутреннюю диагностику (selftest) платы домо-дуляционной обработки и ЖК дисплея и, при обнаружении неполадок, перейти к их устранению. Если диагностика проходит без ошибок, то проверяют, работает ли интерфейс "прошивки" телефона. При его неисправности переходят к устранению этой проблемы, в противном случае(если телефон все равно не включается) переходят к пункту "Общая проверка цепей питания".
Неполадки, связанные с прошивкой телефона
Если при прошивке телефона с использованием сервисного ПО на экране ПК появляются сообщения "Boot timeout" или "Boot start txd fail", необходимо проверить разъем FBUS подключения к программатору, а также напряжение питания ЦП D100 и работу тактовых генераторов.
Если возникает ошибка "Boot Serial line fail", нужно измерить напряжение на линии BSI и проверить разъем батареи питания X380.
Если на экране появляется сообщение "Secondary receive fail", необходимо убедиться в наличие сигнала на J123 и, в случае его отсутствия, заменить ЦП D100. Если на J123 присутствует сигнал, то проверяют исправность элементов B190, C196, C197, а также спецпроцессора D190.
Если появляется ошибка "Algorithm send" или "Phone message chksum", то наверняка вышел из строя ЦП D100.
При возникновении ошибки "Prommer message about sdram failure" нужно проверить элементы в цепи питания ОЗУ: С318-С321, С323. Если цепь питания ОЗУ исправна, то необходимо заменить микросхему ОЗУ D312.
Если возникает ошибка "Wrong manufacturer ID and device ID", скорее всего, вышла из строя микросхема Flash-памяти и ее необходимо заменить.
Если возникает ошибка "Data block handling timeout", необходимо проверить цепи питания Bluetooth (VBAT, VFLASH1 и VIO), а также сигналы, идущие с ЦП D100 и, если это необходимо, заменить неисправные компоненты.
При возникновении сообщения об ошибках "Phone fail response" или "Data block NAK" нужно проверить работоспособность микросхемы D315 и конденсаторов С311, С312, С326. Кроме того, нужно проверить, подается ли напряжение Vpp от программатора на ЦП D100.
Общая проверка цепей питания
Для общей диагностики цепей питания потребуется специальная колодка MJ-2, предназначенная для тестирования работоспособности пользовательского интерфейса, платы домодуляционной обработки и трансивера.
Вначале измеряют напряжения VIO, VLASH1, VANA и VR3. Их значения должны соответствовать значениям, приведенным в архиве. Если это не так, то проверяют цепи VBATBB1-5, VBATVR1-7 на них должно быть напряжение VBAT = 3,6 В. Если это не так, то, скорее всего, имеется обрыв в цепи VBAT-D190 и его необходимо устранить. Если цепи VBATBB1-5, VBATVR1-7 исправны, то необходимо проверить цепи BSI /BTEMP, и в случае, если они работают нормально - заменить спецпроцессор D190.
Если значения напряжений VIO, VLASH1, VANA и VR3 в порядке, измеряют напряжения VCOREA, VMEMA и контролируют сигнал тактовой частоты SLEEPCLK на контрольной точке КТ1. Если сигнал на КТ1 отсутствует, то SLEEPCLK измеряют непосредственно на кварцевом резонаторе B190 и, при необходимости, производят его замену и/или элементов его "обвязки" C196, C197.
Если предыдущие тесты прошли успешно - измеряют тактовую частоту RFCLK в КТ2. Если сигнал в КТ2 отсутствует, то RFCLK измеряют непосредственно на кварце B601 и при необходимости производят его замену. В противном случае необходимо заменить микросхему трансивера N601.
Следующим шагом является измерение напряжения PURX на C235, оно должно быть равным 1,8 В. Если это не так - следует заменить микросхему D190 (UEMK). Если PURX = 1,8 В и телефон выключается через 30 секунд, необходимо измерить сигналы на точках J114, J112. В случае их отсутствия, заменяют UPP_WD2.
Если телефон не выключается, то необходимо измерить тактовую частоту на J112, она должна составлять 1 МГц. Если это не так - следует заменить ЦП D100. Если значение тактовой частоты на J112 равно 1 МГц, но при этом нельзя осуществить чтение с телефона, необходимо убедиться в наличие сигнала FBUSRX на J209. Если сигнал FBUSRX отсутствует, необходимо заменить ЦП D100, а в случае если и вместе с ним отсутствует сигнал FBUSTX на J208 - то и спецпроцессор D190. В противном случае необходимо заменить полностью обе печатные платы.
Отсутствует изображение на ЖК дисплее
Вначале проверяют разъем X142 и, если нужно, его заменяют. Если разъем в порядке, измеряют напряжение Vdd, которое должно быть равно 2,8 В. Если это не так, то проверяют все компоненты, относящиеся к линии VFLASH1 и, при необходимости, производят замену неисправных. Если Vdd = 2,8 В, следующим шагом измеряют напряжение Vddi, которое должно быть равно 1,8 В. Если это не так, то проверяют все компоненты, относящиеся к линии VIO и, при необходимости производят их замену. Если Vddi = 1,8 В, проверяют исправность компонентов между разъемом ЖК дисплея X142 и ЦП D100, а именно: R143, R167, V140, Z141. При необходимости производят замену неисправных элементов. Если линия X142-D100 не нарушена, то проверяют уровень сигнала RSTX на резисторе R167 - он должен быть равен 1,8 В. Если это не так, то вышел из строя ЦП D100. Если RSTX = 1,8 В, и при нажатии клавиши не включается подсветка клавиатуры, то необходимо обратиться к пункту "Не работает подсветка клавиатуры".
Не работает клавиатура
Первым шагом проверяют надежность пайки разъема X140 (стр. XIII вкладки) и, при необходимости, восстанавливают соединение, либо заменяют разъем. Если разъем обеспечивает надежный контакт, измеряют уровень сигналов ROW0-ROW5, ROCKER1-ROCKER5 на разъеме. Он должен составлять 1,8 В. Если это не так, то проверяют контактные дорожки ROW0-ROW5 ROCKER1-ROCKER5, восстанавливая соединение, где это необходимо. Если дорожки в порядке - производят замену фильтров Z140, Z142. В случае если эта процедура не дает результатов требуется замена ЦП D100.
Не работает подсветка
Сначала заменяют ЖК дисплей на рабочий и проверяют, работает ли подсветка. Если подсветка работает, то неисправен ЖК дисплей (см. выше).
Если подсветка ЖК дисплея не работает, проверяют надежность пайки разъема X140 и, при необходимости, производят его замену. Если разъем в порядке, то следующим шагом измеряют напряжения LED+ и LED-. Их значения должны составлять при комнатной температуре 13,4 и 0,5 В соответственно, при этом ключ V164 должен быть открыт. Если этого не происходит, то необходимо проверить исправность следующих компонентов: D140, L140, L141, C146, C161, C164, C169, R165, R168, V141, V161.
Если после замены модуля пользовательского интерфейса подсветка начала работать, то проблема в неисправном модуле UI. Если подсветка клавиатуры не заработала, то первым шагом следует проверить разъем X140. Если разъем исправен, измеряют напряжение VKEYB, которое должно составлять 4,0...4,1 В, при условии, что ключ V164 открыт Если уровень VKEYB не соответствует приведенным значениям, следует проверить следующие компоненты: N140, C166, C167, C168, C144, C165, R142, R146, R148. После этого нужно повторить тест снова.
Не определяется SIM-карта
При этой неполадке на экране телефона отображается сообщение "Insert SIM Card", хотя SIM-карта вставлена в разъем Х470.
В первую очередь необходимо провести внутреннюю диагностику платы домодуляционной обработки и SIM-карты (SIM BB selftest), используя для этого средства ПО "Phoenix". Если диагностика прошла с ошибкой - следует заменить микросхему UEMK и провести повторную диагностику. Если и при этом снова возникает ошибка - заменить ЦП D100.
Как вариант, причина неполадки - плохой контакт телефона с батареей. При необходимости нужно почистить центральный контакт разъема батареи и убедиться в стабильности напряжения питания.
Если внутренняя диагностика проходит успешно, то далее следует провести диагностику SIM-карты. Если диагностика выдает ошибку, скорее всего, проблема с разъемом SIM-карты Х470 - его нужно почистить, проверить надежность пайки либо заменить. Если держатель в порядке, то нужно измерить напряжение VSIM, оно должно составлять 1,8/3 В при включении питания. Если это не так, то измеряют сопротивление между линией VSIM и GND и если оно высокое, то заменяют UEMK. Если сопротивление низкое - проверяют исправность конденсатора C471 и при необходимости его заменяют. Если же С471 в порядке, то производят замену фильтра SIM-карты R496. Если VSIM = 1,8/3 В, проверяют последовательность сигналов, подаваемых на SIM-карту процессором D190. Если сигналы генерируются, то проверяют наличие сигналов DATA, RESET и CLOCK на самом держателе. Если эти сигналы отсутствуют, определяют, есть ли они между D190 и R496. Если их нет, то заменяют спецпроцессор D190, иначе - R496.
Не работает ИК порт
Вначале нужно запустить внутренний тест ИК порта, используя ПО "Phoenix". Если тест проходит нужно проверить линию IRED_A, а именно - резисторы R370-373 и конденсатор C370. Если элементы исправны, то нужно заменить контроллер ИК порта V370 и повторить тест снова. В противном случае - проблема в главной печатной плате.
Если первый тест ИК порта не проходит, а напряжение VCC равно 2,8 В, то проверяют присутствие сигналов RxD, TxD и SD, и, если они в порядке, то требуется замена V370. В противном случае - неисправны спецпроцессор D190, ЦП D100 либо транзистор V371.
Если напряжение VCC не равно 2,8 В, то следует проверить исправность конденсаторов C372, C373. Если же конденсаторы исправны, то проблема заключается в главной плате.
Не работает входная цепь аудиотракта (Вас не слышит абонент)
Вначале необходимо проверить непосредственно микрофон и надежность его контакта с печатной платой. В случае использования гарнитуры необходимо проверить разъем X381. При необходимости следует почистить контактные площадки либо заменить неисправный микрофон или гарнитуру. Если микрофон или гарнитура работает, и контакт с печатной платой (либо телефоном) не нарушен, необходимо подключить к микрофонному выходу любое исправное устройство звуковоспроизведения (например, наушники), при этом убедившись, что сигнал MICB1 активен (стр. IV и XIV вкладки). Далее проверяют, присутствие напряжения MICB1 = 2,1 В на R330 (R343 для гарнитуры) или на микрофоне. Если напряжение меньше или равно нулю, то проверяют исправность резисторов R330, R332 (R343, R347 - для гарнитуры) и остальных пассивных элементов в цепи напряжения смещения микрофона MICB. Если нашлись неисправные элементы, то производят их замену и снова проверяют наличие напряжения MICB1 = 2,1 В на R330 (R343 для гарнитуры) или на микрофоне. Если его нет, заменяют спецпроцессор D190. Иначе необходимо проверить цепь прохождения аудиосигнала от микрофона до микросхемы D190.Если сигнала на входе D190 нет, то проверяют элементы C330, C331 (C345, C346, R331 - для гарнитуры) и при необходимости - остальные пассивные элементы аудиотракта. Если все элементы в порядке, но сигнал не доходит до спецпроцессора D190, нужно заменить эту микросхему. Если сигнал проходит, но звука нет, скорее всего, вышел из строя ЦП D100 и необходима его замена.
Не работает выходная цепь (Вы не слышите собеседника)
Как и в случае с входной цепью аудиотракта, вначале необходимо проверить контакты и исправность громкоговорителя B341 либо гарнитуры, подключенной к системному разъему X381. Если громкоговоритель в порядке, то нужно продолжить диагностику, подключив к EARP/N любую работающую входную цепь адиотраткта (MIC1, MIC2, XMC). Далее нужно убедиться в наличии постоянного напряжения смещения EAR DC (HF DC для гарнитуры) в цепи EARP/N (HF и HFCM для гарнитуры). Если напряжение отсутствует, то проверяют все выходные цепи аудиотракта: EARP/N - EARPIECE; HF/CM - IHF (R336 - R341, C334, C336 - C341). Вполне возможно наличие короткого замыкания либо выхода из строя одного из пассивных элементов выходной цепи аудиотракта: R354-R358, C354-C356 либо R336-R341, C334, C336-C341 (а также N330 для гарнитуры). При обнаружении неисправности ее необходимо устранить и повторно проверить наличие напряжения EAR DC (HF DC - для гарнитуры) в цепи EARP/N (HF и HFCM для гарнитуры). Если напряжения нет - необходимо произвести замену спецпроцессора D190. После этого, если все пассивные элементы на выходе аудиотракта исправны, но все равно нет сигнала - нужно заменить ЦП D100.
Все недостающие схемы и рисунки можно скачать здесь
Автор: Евгений Кузнецов (г. Рязань)
Источник: Ремонт и сервис
