Сотовый телефон Samsung SGH-D880 DUOS - компактный, эргономичный и изящный слайдер, являющийся топовой моделью бизнес-класса. Он появился на рынке в октябре 2007 года. Данный аппарат обеспечивает одновременную работу двух SIM-карт, автоматически выбирая одну из них в зависимости от потребностей обладателя и доступности сетей. Наличие двух SIM-карт позволяет принимать до 4-х звонков одновременно, а возможность просмотра офисных документов и ТВ выход еще раз подчеркивают целевую аудиторию будущих владельцев - деловых людей. Функциональность с точки зрения наличия двух SIM-карт заключается в возможности присвоения имени SIM-карте, выбора SIM-карты без смены слота, просмотр журнала звонков по отдельности для каждой SIM-карты и в общем списке. Новая модель выделяется цветным ЖК (технология TFT-LCD) дисплеем с диагональю 5,8 см и разрешением 240 х 320 пикселов, качественной камерой 3,2 Мп на CMOS-сенсоре со вспышкой, автофокусом и поддержкой интерфейса прямой печати PictBridge, наличием слота для карт памяти microSD (TransFlash). Телефон примечателен и мультимедийной составляющей. Так, возможно воспроизведение аудиофайлов форматов МРЗ, ААС+, WMA и видеофайлов форматов MPEG4, Н.263 и Motion JPEG. FM-радио обладает функциями автоматической и ручной настройки. В телефоне используется аккумулятор повышенной емкости 1200 мА-ч, что компенсирует увеличение потребления энергии при одновременном длительном поиске сигнала двух сетей и позволяет обеспечить время разговора около 200 минут и время ожидания 200 часов.
Основные технические характеристики сотового телефона "Samsung SGH-D880 DUOS" приведены в табл.1.
| Характеристика | Спецификация |
| Стандарты сети | GSM 900/1800/1900 |
| Сообщения | SMS, EMS, MMS, E-mail, Видеосообщения |
| Коммуникации | |
| WAP | 2,0 |
| GPRS | Kласс10(2TX,4RX) |
| EDGE | Класс 10 |
| Поддержка JAVA | MIDP2.0 |
| Интерфейсы | Bluetooth 2.0, USB 2.0 |
| Модем | Есть |
| Синхронизация с ПК | Easy Studio 3.0 |
| Звук и голос | |
| Полифония | 64-инструментальная |
| Качество речи | FR+EFR+AMR, регулировка четкости голоса, подавление помех |
| Телефоннвя книга и органайзер | |
| Телефонная книга | 1000 номеров |
| Органайзер | Диктофон, часы, мировое время, 3 будильника, таймер, секундомер, календарь, список дел (месяц/неделя/день), расписание, годовщина, задачи, напоминания, калькулятор, конвертер |
| Стандарты совместимости обмена | vCard, vCalendar |
| Общие характеристики | |
| SIM-карта | Тип Plug-in (3 В) |
| Габаритные размеры (ВхШхГ) | 104x51x18,9 мм |
| Вес | 113г |
| Динамическая память | 40 Мб |
| Определитель номера | Видеоопределитель |
Спецификация GSM-части сотового телефона подробно представлена в табл. 2.
| GSM900 | EGSM 900 | DCS1800 | PCS1900 | |
| Полоса рабочих частот, МГц | 890...915 935... 960 | 880...915 925... 960 | 1710...1785 1805... 1880 | 1850...1910 1930...1990 |
| Разнос частот приема-передачи, МГц | 45 | 45 | 95 | 80 |
| Период тайм слота/ фрейма, мкс/мс | 576,9/4,615 | |||
| Модуляция | 0.3GMSK | |||
| Мощность мобильной станции, дБм | 33-5 | 30-0 | ||
| Чувствительность, дБм | -102 | -100 | ||
| Мультиплексирование TDMA | 8 | 8 | 8 | 8 |
| Радиус соты, км | 35 | 35 | 2 | Нет данных |
Функциональная схема аппарата представлена на рис. 1.

Рис. 1. Функциональная схема телефона
Условно схему телефона можно разделить на два структурных блока - радиотракт (RF) и тракт до-модуляционной обработки (ВВ). Первый блок радиотракта Master RF является основой ведущей части аппарата, он работает в трех диапазонах частот: GSM и EGSM 900, DCS1800, PCS1900. Поддержка технологии EDGE (Enhanced Data for Global Evolution) также реализована только для Master-блока. Второй блок радиотракта Slave RF и блок домодуляционной обработки Slave В/В являются основой зависимой младшей части телефона (Slave) и лишены диапазонов PCS1900 и EDGE. Такие элементы пользовательского интерфейса, как клавиатура, карта памяти, вибромотор и элементы мультимедиа (дисплей, FM-модуль и камера), также работают под управлением Master-блока.
Рассмотрим подобное двухпроцессорное решение подробнее. С точки зрения функциональной принадлежности все элементы телефона относятся к одной из трех нижеследующих групп:
- элементы Master-блока,
- элементы Slave-блока,
- общие элементы.
Прием сигналов сотовой связи в Master-блоке осуществляется встроенной трехдиапазонной антенной. С антенны сигналы поступают в радиотракт Master RF, который также рассчитан на работу с частотами трех диапазонов. Далее происходит обработка сигналов в тракте домодуляционной обработки Master В/В, выполненном на основном сигнальном процессоре телефона Master В/В (PNX5230). При работе с данными Master В/В использует память Master Memory типа NOR/NAND/UtRAM. Управление и формирование питания Master-части осуществляется контроллером питания Master PMU (PCF50611). Данная микросхема активирует сигнальный процессор Master В/В при подключении зарядного устройства или при поступлении сигнала от клавиатуры. SIM-карта Master-блока, клавиатура Keypad, карта памяти T-Flash, микросхема мультимедиа Multimedia IС (CL6000) и вибромотор Motor подключены непосредственно к процессору Master В/В. В микросхеме Multimedia 1С происходит первичная обработка данных с ведомых устройств - камеры Camera 3M AF и тюнера FM Module. Сигналы радио декодируются аудиокодеком Audio Codec WM 1808, который является общим элементом для блоков Master и Slave. Дисплей телефона LCD 2.3' QVGA отображает данные, формируемые микросхемой Multimedia IС. Соединение с микросхемой Touch IС (TSC2007) осуществляется для транзита команд по шине связи к сигнальному процессору Master В/В.
В схеме Slave-блока также присутствует встроенная двухдиапа-зонная антенна. На работу в двух диапазонах рассчитан и радиотракт Slave RF. Тракт домодуляционной обработки Slave В/В выполнен на сигнальном процессоре Slave В/В ОМ3657. Данный сигнальный процессор при обработке данных использует свою память Slave Memory типа NOR/UtRAM. Процессор Slave В/В питается от своего контроллера питания Slave PMU PCF50600. Активация данной микросхемы происходит при поступлении команды от сигнального процессора Master В/В. SIM-карта Slave-блока подключена к контроллеру питания Slave PMU.
Процессоры Slave В/В и Master В/В между собой соединены линиями сигналов внешнего прерывания EXTINT, которые позволяют устанавливать приоритет того или иного сигнального процессора и соответствующих состояний в зависимости от настроек аппарата или поступлении сигнала вызова.
Двухпортовая память DPRAM объемом 64Мб с параллельным интерфейсом доступа, выполненная на микросхеме IDT70P247L, подключена к обоим процессорам. Общим периферийным элементом для двух процессоров является интерфейсный соединитель I/F Connector. Он подключен к процессорам через ключ SWITCH. Микрофоны, встроенный в гарнитуру (Mic и HP-Mic) и динамики (Speaker и HP-Speaker) являются общими коммутируемыми узлами. Соединение с этими элементами осуществляется через ключи выбора режима работы (обычная связь или гарнитура), коммутаторы переключения на Slave В/В или Master В/В.

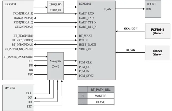
Рис. 2. Обобщенная структурная схема Bluetooth-модуля телефона
Модуль Bluetooth (BCM2048) (см. схему подключения Bluetooth модуля на рис. 2) активируется при поступлении сигналов с процессора Master В/В. Соединение с данной микросхемой осуществляется через последовательный интерфейс UART. Модуль питается напряжением 1,8 В (VDDBT), которое дополнительно стабилизируется регулятором LDO (1.8V). Модуль использует генератор на 32 кГц из состава микросхемы питания Master PMU PCF50611 и тактируется от микросхемы SI4220. Аналоговый коммутатор Analog SW соединяет модуль Bluetooth с одним из сигнальных процессоров Slave В/В или Master В/В для организации направления передачи по шине ИКМ (PCM: Clk, Out, In, Sync).
Порядок разборки телефонного аппарата
Для диагностики неисправностей и проведения ремонта сотовый телефон необходимо разобрать и извлечь печатную плату. Разборку аппарата рекомендуется выполнять в последовательности, представленной на рис. 3.

Рис. 3. Порядок разборки телефонного аппарата

Рис. 3. Порядок разборки телефонного аппарата
1. Извлекают батарею и обе SIM-карты (рис. 3-1).
2. Выкручивают 4 винта крепления задней панели (рис. 3-2).
3. Отделяют заднюю панель от передней, придерживая и сдвигая нижнюю часть задней панели и не прикладывая усилий к ее верхней части (рис. 3-3).
4. Отсоединяют центральный и два боковых зажима, расположенных в нижней части задней панели телефона, продолжая ее придерживать (рис. 3-4).
5. Снимают с бока передней панели кнопку регулировки громкости и плату на гибком шлейфе с этой кнопкой (рис. 3-5).
6. Отделяют от передней панели основную печатную плату и откручивают пять винтов крепления (рис. 3-6).
7. Отделяют гибкий шлейф платы дисплея от основной печатной платы, снимают экранирующую пленку с печатной платы и клавиши камеры и переключения SIM-карт (рис. 3-7).
8. Снимают два защитных колпачка и четыре винта крепления с задней крышки панели дисплея (рис. 3-8).
9. Отделяют панель дисплея от панели основной печатной платы, нажимая на верхнюю часть панели дисплея (рис. 3-9).
10. Пропускают через панель основной печатной платы гибкий шлейф, идущий от основной платы к плате дисплея (слайдер должен быть в закрытом положении) (рис. 3-10).
11. Снимают зеленую пленку (рис. 3-11).
12. Отсоединяют камеру и динамик, снимают проводящую пленку (рис. 3-12).
13. Открывают зажимной механизм и отделяют гибкий шлейф камеры от коннектора на плате,
а также отпаивают в двух точках, открывают зажимной механизм и отделяют гибкий шлейф дисплея от коннектора на плате (рис. 3-13).
14. Снимают изолирующую ленту с платы дисплея (рис. 3-14).
15. Извлекают плату дисплея из панели дисплея (рис. 3-15).
16. Извлекают дисплей из панели дисплея (рис. 3-16).
17. Извлекают навигационные клавиши из панели дисплея (рис. 3-17).
18. Снимают три проводящих пленки с дисплея и с платы дисплея (рис. 3-18).
19. Отпаивают провод подключения динамика и отсоединяют динамик (рис. 3-19).
Сборка телефонного аппарата осуществляется в обратном порядке.
Типовые неисправности телефона Samsung SCH-D880 DUOS и способы их устранения

Рис. 4. Расположение элементов на основной печатной плате телефона (вид сверху)

Рис. 5. Расположение элементов на основной печатной плате телефона (вид снизу)
Расположение элементов телефона на основной печатной плате приведено на рис. 4, а фрагменты принципиальной электрической схемы и плат телефона - здесь.
Проблемы с включением телефона
Если сотовый телефон не включается, то в первую очередь необходимо проверить исправность аккумуляторной батареи, напряжение на которой должно быть более 3,4 В. Если напряжение не соответствует данному уровню, то неисправна батарея и ее требуется заменить. В противном случае проверяют конденсатор С421.
На выв. 32 UPL400 должно присутствовать напряжение 2,7 В. При другом значении напряжения неисправна микросхема UPL400 (стабилизатор напряжения VINT). Если напряжение 2,7 В на выв. 32 есть, переходят к проверке генератора OSC400 (32 кГц). В случае его исправности проверяют конденсаторы С401, С402 и С426 и контролируют напряжения на выходах UPL400: 1,8 В на выв. 45, 2,9 В на выв. 47 и 1,2 В на выв. 20. Отличие показаний говорит о необходимости проверки связанных с этими выводами цепей.
Переходят к рассмотрению проблем, возникающих при инициализации включения телефона. Эти проблемы связаны с возможной неисправностью процессора UCP200 .
Проверяют питание микросхемы, ее исправность по наличию высоких уровней на выв. Т11 и F1. Если на выв. Т11 низкий уровень, то до замены UCP200 необходимо проверить связанные с этим входом элементы. Проблемы с зарядкой телефона
Если аккумулятор не заряжается, возможно, неисправна микросхема UPL400 , на выв. 38 UPL400 напряжение должно быть выше 4,9 В. Если напряжение отличается от указанного значения, то необходимо проверить исправность связанных с выводом элементов. Если напряжение в норме, то проверяют UPL400. На ее выв. 34 должен быть низкий уровень, иначе проверяют элементы в этой цепи сигнала. Переходят к проверке уровня напряжения на выв. 46 - 1,4 В. Если напряжение меньше или равно нулю - заменяют микросхему. Проблемы в работе SIM-карт
При сбоях в инициализации SIM-карты Master-блока (SIM200) необходимо убедиться в наличии высокого уровня напряжения на контактах 1 и 5 разъема SIM200 .
Если уровень напряжения низкий, то неисправна микросхема UPL400, ее необходимо заменить. Проверяют наличие сигнала синхронизации SIMCLC на контакте 3 SIM200, который должен появляться и удерживаться в течение 5 с при включении питания телефона. Отсутствие данного сигнала говорит о неисправности генератора синхроимпульсов. Далее переходят к проверке высокого уровня напряжения на контакте 2 SIM200 (сигнал SIM_RST 1). Низкий уровень при вставленной SIM-карте также может говорить о необходимости замены самой карты или неисправности в элементах основной платы.
Выявление неисправностей в работе SIM-карты Slave-блока (SIM200) производится аналогично.
Проблемы в работе микрофона
В первую очередь необходимо проверить исправность микрофона MIC500 и цепей его подключения к контактам платы.
После этого проверяют цепь сигнала от процессора UCP200 до микрофона. В данной цепи проверяют элементы С505, С509, R506, С511. Затем проверяют элементы цепи от микрофона к микросхеме UCP800: С506, С510, R507, С512. Проблемы в работе динамика
Вначале проверяют омметром динамик. При исправности динамика проверяют наличие напряжения 2,9 В на выв. 7 U506 .
Если есть различие, то выявляют неисправность в цепи напряжения +VDDJO_HIGH_2.9V, которое формируется контроллером Master PMU. Если питание усилителя LJ506 соответствует норме, то проверяют наличие входных сигналов на выв. 8, 9, 22 и 23 U506. При отсутствии сигналов необходимо проверить элементы L517, L518, С534, С533. Далее проверяют наличие выходных сигналов на выв. 15 и 17 и, при необходимости, заменяют элементы R521 и R520. Проблемы с подсветкой дисплея
Проблема с подсветкой дисплея может быть связана с программным ее отключением или снижением до минимального уровня, что при ярком освещении также может быть расценено как отсутствие подсветки. Если подсветка отсутствует при программном ее выставлении на максимально возможный уровень, то необходимо проверить наличие высокого напряжения на контакте 40 разъема НЕА616 (стр. VI вкладки).
При низком уровне на указанном контакте перестыковывают разъем, если результата нет - неисправна основная плата телефона. Если на контакте 40 - высокий уровень, проверяют наличие сигналов на шине I2C от микросхемы ULP200. Если сигналы отсутствуют, то заменяют ULP200.
Проблемы с работой камеры
При неработающей камере в первую очередь необходимо проверить исправность соединения коннектора камеры, расположенного на плате ЖК модуля. Далее переходят к проверке разъема НЕА616 (стр. VI вкладки), напряжение на контакте 44 должно быть 2,8 В. Если напряжение отличается или равно нулю, заменяют стабилизатор U306. Если микросхема исправна, заменяют сам модуль камеры. Проблемы с работой Bluetooth-модуля
Проверяют уровень сигнала на выходе модуля Bluetooth - выв. 4 фильтра F100 (стр. VII вкладки). В случае если уровень сигнала менее -4дБ, необходимо заменить дроссель L113 и, если нет результата, антенну ANT102.
Если уровень сигнала в норме, проверяют наличие напряжения 1,8 В на положительном выводе конденсатора С118. Если напряжение отличается или равно нулю, неисправен С118 или источник 1,8 В - контроллер питания UPL400. Далее проверяют наличие напряжения 1,5 В на положительном выводе конденсатора С124. Если оно равно нулю, заменяют С124 и, если результата нет - микросхему U101. Затем переходят к проверке контроллера U101. Напряжение на его выводе В4 должно быть равно 1,7 В (при частоте 32 кГц). В контрольных точках ТР109 и ТР112, как и на выводе Н9, у исправной U101 должно быть напряжение не менее 1,8 В. В заключение, если модуль Bluetooth по-прежнему не работает, проверяют процессор LJCP200.
Проблемы с работой модуля FM-радио
При возникновении неполадок, связанных с работой модуля FM-радио, проверяют контроллер LJ101: на выводах В6 и А6 должно быть напряжение 2,9 В (стр. VIII вкладки), на выводах А8, F9 и К8 - напряжение 1,8 В. Проверяют исправность элементов С122, С123, С118, С100, С103, С108, L102. Если неисправность не устранена, то необходимо проверить исправность процессора LJCP200.
Проблемы с работой приемника сигналов сотовой связи
Для проверки исправности приемных трактов необходимо на антенные входы подать тестовый сигнал с такими параметрами: несущая частота 67,7 кГц и уровень мощности -60 дБм.
В первую очередь рассмотрим приемник Master-блока телефона для стандарта GSM.
Проверяют антенный переклклю чатель F101 - на выв. 13 уровень должен быть не менее -65 дБм. В противном случае необходимо заменить элементы RFS100, С113, L154.
Далее проверяют наличие сигнала с уровнем не менее -68 дБм на выв. 1 и 2 F101. Если его уровень соответствует норме, проверяют наличие низкого уровня на выв. 9 и 12. Низкий уровень свидетельствует о неисправности переключателя F101. Если микросхема исправна, то дефект связан с цепями ее управления - необходимо проверить процессор LJCP200.
В случае исправности F101 переходят к проверке процессора U104. На его входе (выв. 24 и 25) должен быть сигнал с уровнем не менее -70 дБм, иначе необходимо проверить и заменить элементы С117, С119 и L110. Далее проверяют напряжение на выв. 4-7 LJ104. Если оно не менее 0,2 В, то переходят к проверке процессора LJCP200. Если данное напряжение менее 0,2 В, то контролируют напряжения на выв. 11, 12, 17, 32 и 33 микросхемы LJ104, и на выв. 10. При напряжениях на них, соответственно, не менее 2,8 В и 1,8 В следует заменить LJ104. Если напряжения равны нулю, проверяют конденсаторы С126, С130, С132 и контроллер питания PMU .
Проверка приемного тракта Master-блока телефона для стандарта DCS
Проверка аналогична предыдущей для стандарта GSM, за исключением номеров выводов микросхем. Так, для F101 проверяют выв. 3 и 4 (вместо выв. 1 и 2), а для U104 - выв. 22 и 23 (вместо выв. 24, 25) и заменяют элементы С110, С114, U08.
Проверка приемного тракта Master-блока телефона для стандарта PCS
Проверяют исправность переключателя F101, согласно описанию для стандарта GSM, за исключением того, что сигнал стандарта PCS принимается на выв. 5 и 6.
Переходят к проверке работоспособности микросхемы LJ911. На выв. 20 и 21 должен быть уровень сигнала не менее -70 дБм, иначе необходимо заменить элементы С101,С104 и L_106.
Проверяют исправность микросхемы LJ104, напряжение на выв. 4, 5, 6, 7 которой должно быть не менее 0,2 В. Если напряжение менее 0,2 В, проверяют наличие напряжения 2,8 В на выв. 11, 12, 17, 32, 33 и 1,8 В - на выв. 10. Если питание в норме, следует заменить U104, в противном случае проверяют элементы С116, С119, С121 и контроллер питания PMU.
Проверка приемного тракта Slave-блока телефона для стан-дарта GSM
Проверяют микросхему передатчика РАМ700 (стр. X на вкладки), через которую сигнал идет в приемный тракт. На выв. 11 РАМ700 уровень сигнала должен быть не менее -65 дБм. В противном случае необходимо заменить элементы RFS700, С725, С700, L700, L702 и L703.
Далее проверяют уровень сигнала не менее -68 дБм на выв. 7. Если значение отличается, заменяют передатчик РАМ700.
Проверяют микросхему U700 (стр. XI вкладки). На выв. 17 и 18 должен быть сигнал с уровнем не менее -70 дБм, иначе необходимо заменить селектор F700.
Проверяют микросхему UCP800. На ее выв. С6 должно быть сигнал высокого уровня, а на D6 и А6 - низкого уровня. В этом случае микросхема исправна и необходимо перейти к проверке процессора UCP200.
Проверка приемного тракта Slave-блока телефона для стандарта DCS
Действия аналогичны описанным выше для стандарта GSM, за исключением того, что проверяют и при необходимости заменяют элементы RFS700, С700,L702 и L703 (стр. X вкладки). У микросхемы РАМ700 проверяют значение уровня сигнала на выв. 6.
Проверяют микросхему U700 (стр. XI вкладки) - сигнал на выв. 15 и 16. Затем проверяют микросхему UCP800. На ее выв. С6 и А6 должен быть сигнал высокого уровня, а на выв. D6 - низкого. В случае если UCP800 исправна, переходят к проверке процессора UCP200.
Проверка передатчика Master-блока телефона для стандарта GSM
Требуемый уровень мощности на выходе радиотракта RF должен составлять 33+2 дБм.
Проверяют сигнал на выходе переключателя F101 (стр. IX вкладки) - выв.13: уровень сигнала должен быть не менее 30 дБм. Если сигнал в норме, а телефон не работает на передачу, проверяют элементы RFS100, С113, И54и антенну ANT100.
Если сигнал на выв. 13 не соответствует норме, проверяют его наличие на выв. 10 (не менее 30 дБм). Если сигнал есть, контролируют управляющие сигналы: высокий уровень (2,6 В) на выв. 12 и низкий - на выв. 9. Если указанные сигналы в норме, заменяют переключатель F101.
Если на выв. 10 F101 уровень сигнала меньше 30 дБм, то переходят к проверке усилителя мощности РАМ 100 (стр. XI вкладки).
Если на выв. 11 РАМ100 уровень сигнала не менее 30 дБм, заменяют дроссель L112. Проверяют уровень на выв. 7. Если он не менее -4 дБм, то контролируют наличие сигнала на выв. 2-5 и 8. Их наличие говорит о необходимости замены микросхемы РАМ 100.
Проверяют напряжение на выв. 4-7 микросхемы U104. Если оно менее 0,2 В, то проверяют процессор UCP200. Если напряжение на этих выводах не менее 0,2 В, то контролируют наличие напряжений 2,8 В на выв. 11, 12, 17, 32, 33, и 1,8 В - на выв. 10. Если питание в норме, заменяют U104, в противном случае проверяют элементы С126, С130, С132 и контроллер питания основного блока PMU.
Проверка элементов передатчика Master-блока телефона для ствндарта DCS
Требуемый уровень мощности на выходе радиотракта RF должен составлять 30±2 дБм.
Проверяют переключатель F101 по той же схеме, как и для стандарта GSM, за исключением того, что требуемый уровень мощности снижен в стандарте до 25 дБм, а на выв. 12 должно быть напряжение низкого уровня, в то время как на выв. 9 - высокого (2,6 В).
Проверяют передатчик РАМ100. Если на выв. 17 уровень сигнала не менее 25 дБм, то заменяют конденсатор С134. Контролируют уровень на выв. 1 РАМ 100 - более -4 дБм. Если сигнала нет, проверяют его наличие на входе микросхемы - выв. 2-5, 8. При наличии сигнала необходимо заменить микросхему РАМ 100.
Далее проверяют напряжение на выв. 4-7 микросхемы U104. Если оно составляет не менее 0,2 В, то переходят к проверке исправности процессора UCP200. Если же напряжение менее 0,2 В, то проверяют питание микросхемы U104: 2,8 В на выв. 11, 12, 17,32, 33 и 1,8 В на выв. 10. Если питание в норме,следует заменить U104, в противном случае проверяют конденсаторы С126, С130, С132 и контроллер питания основного блока PMU.
Проверка передатчика Мaster-блока телефона для стандарта PCS
Требуемый уровень мощности на выходе радиотракта RF должен составлять 30+2 дБм.
Проверка полностью аналогична описанной выше схеме для передатчика Master-блока в стандарте DCS.
Проверка передатчика Slave-блока телефона для стандарта GSM
Требуемый уровень мощности на выходе радиотракта RF должен составлять 33+2 дБм.
Проверяют микросхему РАМ700, на выв. 11 уровень сигнала должен быть не менее 30 дБм. В противном случае необходимо проверить и при необходимости заменить элементы RFS700, С725, С700, L700, L702 и L703.
Далее проверяют наличие сигнала с уровнем не менее 0 дБм на выв. 17 РАМ700. Если значение отличается, заменяют передатчик РАМ700.
Проверяют микросхему U700. На выв. 3-6 должно быть напряжение не менее 0,2 В, в противном случае микросхему заменяют. Если U700 исправна, то проверяют процессор UCP200.
Проверка передвтчика Slave-блока телефона для стандарта DCS
Требуемый уровень мощности на выходе радиотракта RF должен составлять 33+2 дБм.
Порядок проверки аналогичен описанному выше для стандарта GSM за исключением того, что значение уровня проверяют на выв. 19 РАМ 700.
Автор: Андрей Тяпин (г. Москва)
Источник: Ремонт и сервис
