Когда был выпущен первый пылесос, конструкторы и не предпола гали, что в нем можно что-то регулировать, чем-то управлять. Оказывается, можно и нужно. Первые попытки регулирования производительности сводились к управлению воздушным потоком, посредством обычной заслонки на жестком патрубке шланга. Некоторые модели пылесосов, выпускающихся в настоящее время, тоже снабжены подобными регуляторами. Но инженерная мысль не стоит на месте. Модельный ряд современных пылесосов на 70% состоит из аппаратов, в которых применяются электронные регуляторы мощности. Данное устройство позволяет выбирать наиболее оптимальный режим работы. Наибольшее распространение получили схемы фазовых регуляторов мощности. Спектр схемотехнических решений этих устройств достаточно широк - от простых, на дискретных элементах, до сложных цифровых устройств с автоматическим контролем состояния фильтров и пылесборников. Рассматриваемый в настоящей статье пылесос ELECTROLUX ERGOSPACE можно отнести к средней категории сложности.

Рис. 1
Конструкция пылесоса состоит из двойного корпуса, электромотора, катушки с сетевым шнуром, платы регулятора мощности. Внешний вид аппарата приведен на рис. 1.

Рис. 2
Регулятор мощности, расположенный в торцевой части ручки, совмещает в себе две функции: плавное регулирование мощности и функцию выключателя. Ось ручки регулятора совмещена с движком переменного резистора. На плате потенциометра также находится микровыключатель, который в положении "OFF" ручки регулятора разрывает цепь питания модуля. На рис. 2 показано расположение платы потенциометра в корпусе пылесоса.
Данная серия пылесосов комплектуется двумя видами модулей, различных по сложности и схемному исполнению. На рис. 3 и 4 изображен модуль с микроконтроллером.

Рис. 3

Рис. 4
На рис. 5 приведен вариант модуля, содержащий фазоимпуль-сный регулятор и узел плавного запуска. Обе платы имеют оригиналь ное конструктивное решение в спо собе отвода тепла от силового управляющего элемента. Симистор расположен на плате в специальном прямоугольном контейнере и имеет радиатор минимальных размеров. Охлаждение его происходит за счет принудительной циркуляции воздуха через трубчатые выводы контейнера, один из которых соединен с отсеком для сбора пыли.

Рис. 5
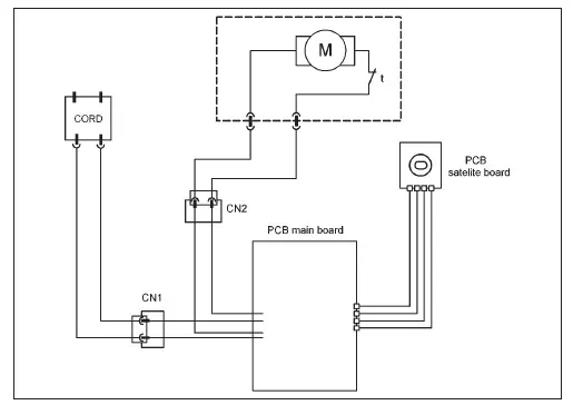
Схема электрических соединений пылесоса показана на рис. 6.

Рис. 6
Пылесос разбирается достаточно легко, при помощи крестообразной отвертки № 2. Длина полотна отвертки для удобства разборки должна быть не менее 250 мм. Места крепления саморезов указаны стрелками (под крышкой отсека пылесборника) на рис. 7.

Рис. 7
После выкручивания саморезов демонтируется верхняя крышка. При этом следует соблюдать особую осторожность, чтобы не повредить шлейф, соединяющий плату потенциометра и основную плату. Разборка до такого уровня достаточна для предварительной диагностики, с целью определения неисправного блока. Для извлечения или осмотра катушки с сетевым шнуром или электромотора требуется дальнейшая разборка аппарата. С этой целью извлекают коробмотора с отсеком для сбора пыли из базовой части корпуса. Эта стадия разборки приведена на рис. 8.

Рис. 8
На рис. 9 приведен внешний вид пылесоса после окончательной разборки. На рисунке хорошо видны места крепления саморезов, соединяющих корпус электродвигателя и отсек для сбора пыли.

Рис. 9
Неисправности и методы их диагностики
Не сматывается или не фиксируется шнур
Этот дефект относится к устройству сматывания шнура. В конструкции катушки применяется механический триггер. Выявление неисправности сводится к извлечению и осмотру катушки и храповика на предмет механической целостности. В том числе осматриваются посадочные места, выясняется, нет ли участков, препятствующих вращению. В случае обнаружения подобных мест пластмасса корпусов аккуратно подрезается.
Пылесос отключается через несколько минут работы
С целью выявления причины перегрева осматривается состояние гофрированного шланга, пылес борника, входного и выходного фильтров. Особо стоит обратить внимание на фильтр тонкой очистки, так называемый Hepa-фильтр. В некоторых случаях такой дефект возникает из-за попадания влаги в электромотор.
Пылесос не включается
После демонтажа верхней части корпуса мультиметром проверяется цельность цепи сетевого шнура и разъема CN1 питания. Если все в норме, проверяют состояние цепи электродвигателя. Для этого извлекают разъем CN2 проводки электродвигателя и мультиметром или омметром измеряют сопротивление цепи. В норме оно должно составлять примерно 5...7 Ом. Величина сопротивления зависит от типа применяемого электродвигателя.
Если неисправности в вышеуказанных узлах исключены, осматривается модуль управления и его компоненты. В модуле с микроконтроллером проверяется напряжение питания на выводах 4-5 микросхемы (для корпуса TSSOP). Если напряжение питания отсутствует, то проверяются компоненты цепи источника питания. При наличии напряжения питания выясняется исправность цепи управления симис-тором. Если неисправный элемент не удается найти, то модуль меняют целиком. При этом некоторые модули требуют дополнительного программирования.
Диагностика модуля на аналоговых компонентах сводится к проверке подозрительных деталей, а также элементов, стоящих в цепях с повышенной нагрузкой: динистора, мощных резисторов и диодов.
Особое предупреждение при проверке платы:схема не имеет гальванической развязки с сетевым напряжением!
Не регулируется мощность
Подобная неисправность может быть вызвана разрушением оси ручки регулятора, пробоем симис-тора либо отказом модуля управления.
После устранения неисправности пылесос собирается и проверяется на стенде - включение при пониженном и повышенном напряжении, значение потребляемого тока, сопротивление изоляции.
Автор: Александр Гло (г. Ставрополь)
Источник: Ремонт и сервис
