Усилители мощности звуковой частоты HXJ8002, HXJ8003 и CSC8002
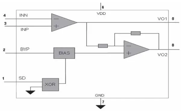
Выходная мощность рассмотренных выше микросхем достаточна для обеспечения работы головных телефонов. Для сопряжения с динамиком необходимо применять усилитель аудиосигнала. Для этой цели часто используются микросхемы типа HXJ8002, HXJ8003, CSC8002. Рассмотрим подробнее характеристики микросхемы HXJ8003. Она применяется в портативных средствах связи и аудиоустройствах в качестве УМЗЧ. Максимальная выходная мощность этой микросхемы составляет 3 Вт на нагрузке 4 Ом при напряжении питания 5 В. Диапазон рабочих частот составляет 1...20 кГц при коэффициенте гармонических искажений менее 0,1% . Для работы микросхемы требуется небольшое количество внешних элементов, при этом выходной развязывающий конденсатор не нужен. Структурная схема HXJ8003 приведена на рис. 4.

Рис. 4. Структурная схема HXJ8003
Микросхема HXJ8003 содержит два усилителя, один из которых инвертирующий с единичным коэффициентом усиления. Это позволяет реализовать мостовой выходной каскад, не требующий выходного развязывающего конденсатора, как правило, имеющего большие габариты и снижающего усиление в области НЧ. Кроме того, мостовая схема позволяет получить выходную мощность в четыре раза больше, чем обычная при одинаковом напряжении питания. Для минимизации потребляемого микросхемой тока в состоянии покоя применяется схема смещения (BIAS). Микросхема позволяет реализовать дежурный режим Shutdown с низким потреблением тока (элемент XOR). Схема включения HXJ8003 показана на рис. 5.

Рис. 5. Принципиальная схема УМЗЧ на ИМС HXJ8003
Из принципиальной схемы видно, что динамик (RL) подключен к выходу непосредственно без развязывающего конденсатора. Резисторы Ri и Rf определяют коэффициент усиления усилителя (Av=2xRf/Ri). Конденсатор C формирует частотную характеристику усилителя, конденсатор Q является развязывающим, а остальные конденсаторы блокируют цепи по переменному току. Кнопка, подключенная к входу SD, позволяет реализовать режим Shutdown. Максимальная выходная мощность усилителя (Output Power) зависит от напряжения питания (Supply Voltage) и сопротивления динамика (RL). Экспериментальные зависимости для различных условий эксплуатации усилителя приведены на рис. 6.

Рис. 6. Зависимость выходной мощности от напряжения питания
при RL=4 Ом (а), RL=8 Ом (б) и RL=16 Ом (в)

Рис. 7. Зависимость THD+N от частоты:
а - при T=25 °C, Vdd=3,3V В, RL=4 Ом и Po=425 мВт; б - при T=25°C, Vdd=2,5 В, RL=4 Ом и Po=150 мВт
Как видно из рисунков, микросхема обеспечивает в широком диапазоне питающего напряжения достаточную выходную мощность для применения в МР3-плеерах.
На рис. 9 и 10 показаны зависимости суммарного коэффициента гармонических искажений плюс шум (THD+N) для различных условий эксплуатации усилителя.
Из рисунков видно, что микросхема обеспечивает высокое качество выходного сигнала в широком диапазоне условий эксплуатации.
В таблице 6 приведены основные эксплуатационные параметры микросхемы при напряжении питания Vdd=5 В.
Таблица 6. Эксплуатационные параметры микросхемы HXJ8003
Параметр | Условия | Мин. | Тип. | Макс. | Единица измерения |
Потребляемый ток покоя IDD | Без нагрузки | - | 2,4 | 5 | мА |
RL=8 Ом | - | 2,6 | 6 | мА | |
Ток утечки (Shutdown) IOFF | - | - | 0,1 | 1,5 | мкА |
Напряжение смещения VOS | - | - | 3,7 | 20 | мВ |
Выходная мощность PO | RL=8 Ом, f=1 кГц | 0,8 | 1,25 | - | Вт |
RL=4 Ом, f=1 кГц | 0,75 | 2 | - | Вт | |
THD+N | PO=0,5 Вт; f=1 кГц | - | 0,1 | 0,2 | % |
Таблица 6 позволит определить пригодность микросхемы для применения в конкретном устройстве. Микросхемы HXJ8002 и CSC8002 являются аналогами рассмотренной как по электрическим параметрам, так и по конструктивному исполнению.
FM стереорадиоприемник KT0830E
Для приема сигнала FM радиостанций в громкоговорящих MP3 устройствах широкое применение находит микросхема КТ0830Е.Эта микросхема представляет собой недорогой однокристальный FM-стереорадиоприемник. Структурная схема ИМС KT0830E приведена на рис. 8.

Рис. 8. Структурная схема ИМС KT0830E
Микросхема KT0830E содержит малошумящий входной усилитель (LNA), преобразователь частоты с АЦП (ADC), малошумящий синтезатор частоты с фазовой автоподстройкой (Clock Generator), цифровой FM-демодулятор (FM Demodulator), цифровой стереопроцессор (DSP), усилители сигналов головного телефона класса AB (Driver). Основные технические характеристики ИМС приведены в таблице 7.
Таблица. 7. Основные технические характеристики KT0830E
Параметр | Условия | Мин. | Тип. | Макс. | Единица измерения |
Диапазон частот FM (Frx) | - | 64 | - | 109 | МГц |
Чувствительность(Sen) | (S+N)/N=26 дБ | - | 2,2 | 3,5 | мкВ/м |
Избирательность по соседнему каналу | ±200 кГц | 40 | - | 51 | дБ |
±400 кГ ц | 50 | - | 70 | дБ | |
Подавление АМ | - | - | 50 | - | дБ |
Частота кварцевого резонатора | - | - | 32,768 | - | кГц |
Напряжение на аудиовыходе | Нагрузка 32 Ом | 68 | 70 | 72 | мВ |
Диапазон частот аудио | ±3 дБ | 30 | - | 15000 | Гц |
Разделение стереоканалов | - | 35 | - | - | дБ |
Коэффициент гармонических искажений | - | - | 0,3 | - | % |
Сопротивление нагрузки аудиовыхода | - | 16 | - | - | Ом |
Напряжение питания (AVDD) | - | 1.8 | 3,3 | 3,6 | В |
Потребляемый ток | Рабочий режим | - | - | 19 | мА |
Режим ожидания | - | - | 20 | мкА |
Микросхема выполнена в корпусе SOP-16. Схема расположения выводов микросхемы приведена на рис. 9.

Рис. 9. Схема расположения выводов KT0830E
Назначение выводов микросхемы приведено в таблице 8.
Таблица 8. Назначение выводов микросхемы KT0830E
Номер вывода | Обозначение | Тип сигнала: D I / O - цифровой вход/выход A I / O - аналоговый вход/выход | Описание |
1 | AVDD | - | Напряжение питания |
2 | CMODE | D I | Высокий уровень - режим TEA5767, низкий - полнофункциональный режим |
3 | GND | - | Общий |
4 | SCLK | D I | Шина I2C вход синхронизации |
5 | SDIO | D I/O | Шина I2C вход/выход данных |
6 | LOUT | A O | Выход левого канала |
7 | ROUT | A O | Выход правого канала |
8 | GND | - | Общий |
9 | AVDD | - | Напряжение питания |
10 | XTALP | A I/O | Подключение кварцевого резонатора |
11 | XTALN | A I/O | Подключение кварцевого резонатора |
12 | POWER_ON | D I | Высокий уровень - включение, низкий - выключение |
13 | N.C. | - | Не используются |
14 | N.C. | - | |
15 | RFINP | A I | Вход ВЧ сигнала |
16 | GND | - | Общий |
Благодаря собственной цифровой архитектуре, содержащей полностью интегрированные малошумящий усилитель, высокопроизводительный АЦП, аналоговые и цифровые фильтры, системы АПЧ и АРУ микросхема KT0830E практически не нуждается во внешних компонентах, а высококачественный аудиоусилитель класса AB в составе ИМС обеспечивает ее сопряжение со стереофоническими головными телефонами.
Программирование цифрового синтезатора частоты микросхемы осуществляется через выводы 4 и 5 (SCLK и SDIO). Подробные рекомендации по программированию можно найти в Интернете [1].
Рассмотренные в статье микросхемы используются в современных МP3 громкоговорящих устройствах, отличающихся высоким качеством воспроизводимого звука, низкой стоимостью, малыми габаритами и весом.
Интернет-источники
Автор: Дмитрий Онышко (г. Новочеркасск Ростовской обл.)
Источник: Ремонт и сервис
