Российская компания ООО Телесистемы представила свою новую разработку-цифровой диктофон Edic-Mini.
Общие сведения
Диктофон предназначен для записи голосовых сообщений в диапазоне частот 300...3400 Гц во флэш-память. Записанные сообщения можно прослушивать с помощью наушника и сохранять в компьютере в виде стандартных звуковых файлов. Диктофон исполнения S обеспечивает возможность записи в режиме «Стерео» по двум каналам одновременно. Диктофон исполнения SM-PCB использует внешнюю флеш-память: карты SmartMedia объёмом до 128 Мбайт, диктофоны остальных исполнений . встроенную.

Рис. 1. Внешний вид диктофона с флэш картой
Диктофон имеет малые габариты и массу, большую длительность записи речи (в зависимости от модели от 2,3 ч до 149 ч, а в режиме со сжатием пауз (VAS) . существенно больше), широкий динамический диапазон и хорошую чувствительность встроенного микрофона. Из-за отсутствия движущихся частей диктофон работоспособен в широком диапазоне температур, в условиях тряски и запылённости.
С помощью входящего в комплект поставки адаптера диктофон подключается к компьютеру. Прилагаемое программное обеспечение, работающее под управлением операционных систем Windows 9x/Me/NT/2000/XP, позволяет сохранять записанные сообщения в виде стандартных звуковых файлов, программировать пользовательский интерфейс диктофона, использовать диктофон для хранения и переноса файлов объёмом от 16 до 2048 Мбайт, в зависимости от модели.
В диктофонах исполнений B1W, B3, B4, S и Solar в качестве источника питания применяются литий-ионные аккумуляторы,в диктофонах исполнений А1, А4, А4М применяются литий- полимерные аккумуляторы, заряжаемые от входящего в комплект поставки зарядного устройства (в диктофоне исполнения Solar дополнительно и от встроенной солнечной батареи). За счёт отсутствия эксплуатационных затрат на приобретение элементов питания эти исполнения более экономичны по сравнению с остальными.
Классификация моделей
Выпускаются следующие модели диктофона одиннадцати исполнений (обозначение исполнения находится в начале обозначении модели до разделительного дефиса):
A-140, A-280, A-560, A-1120,A-2240 (пластмассовый корпус):
- Габаритные размеры 17х57х10 мм
- Масса 8 г
- Время записи до 140/280/560/1120/2240 мин.
- Время работы 4...5 ч в режиме записи и 1 неделя в дежурном режиме
A1-140, A1-280, A1-560, A1-1120,A1-2240 (пластмассовый корпус, литий-полимерный аккумулятор):
- Габаритные размеры 20х35х12 мм
- Масса 10 г
- Время записи до 140/280/560/1120/2240 мин.
- Время работы 30 ч в режиме записи и 1,5 месяца в дежурном режиме
A4-4480, A4-8960 (пластмассовый корпус, литий-полимерный аккумулятор ):
- Габаритные размеры 28х56х11 мм Масса 15 г
- Время записи до 4480/8960 мин.
- Время работы 50 ч в режиме записи и 2,5 месяца в дежурном режиме
- Имеет разъем для подключения USB 2.0 адаптера.
A4М-4480, A4М-8960 (металлический корпус, литий-полимерный аккумулятор):
- Габаритные размеры 28х51х11 мм
- Масса 15 г
- Время записи до 4480/8960 мин.
- Время работы 50 ч в режиме записи и 2,5 месяца в дежурном режиме
B-140, B-280, B-560, B-1120,В-2240 (металлический корпус):
- Габаритные размеры 28х57х9 мм
- Масса 12 г
- Время записи до 140/280/560/1120/2240 мин.
- Время работы 60...70 ч в режиме записи и 3 - 3,5 месяца в дежурном режиме
B1-140, B1-280, B1-560, B1-1120,В1-2240 (металлический корпус):
- Габаритные размеры 30х14 мм
- Масса 15 г
- Время записи до 140/280/560/1120/2240 мин.
- Время работы 60...70 ч в режиме записи и 3 - 3,5 месяца в дежурном режиме
B1W-140, B1W-280, B1W-560, B1W-1120,В1W-2240 (деревянный корпус, литий-ионный аккумулятор):
- Габаритные размеры 32х16 мм
- Масса 12 г
- Время записи до 140/280/560/1120/2240 мин.
- Время работы 15 ч в режиме записи и 3 недели в дежурном режиме
B2-140, B2-280, B2-560, B2-1120 ,B2-2240 (металлический корпус):
- Габаритные размеры 19х76 мм
- Масса 60 г
- Время записи до 140/280/560/1120/2240 мин.
- Время работы 200 ч в режиме записи и 10 месяцев в дежурном режиме
B3-140, B3-280, B3-560, B3-1120,B3-2240 (пластмассовый корпус, литий-ионный аккумулятор):
- Габаритные размеры 35х31х12 мм
- Масса 12 г
- Время записи до 140/280/560/1120/2240 мин.
- Время работы 15 ч в режиме записи и 3 недели в дежурном режиме
B4-140, B4-280, B4-560, B4-1120,B4-2240 (пластмассовый корпус, литий-ионный аккумулятор):
- Габаритные размеры 39х25х7,5 мм
- Масса 8 г
- Время записи до 140/280/560/1120/2240 мин.
- Время работы 8 ч в режиме записи и 1,5 недели в дежурном режиме
C-1120, C-2240, C-4480, C-8960,C-17920 (металлический корпус):
- Габаритные размеры 28х57х12 мм
- Масса 20 г
- Время записи до 1120/2240/4480/8960 мин.
- Время работы 60...70 ч в режиме записи и в дежурном режиме
S-280, S-560, S1120,S-2240 (стерео) (металлический корпус, литий-ионный аккумулятор):
- Габаритные размеры 30х57х8 мм
- Масса 20 г
- Время записи до 280/560/1120/2240 мин. в режиме «Моно»
- Время работы 12 ч в режиме записи и 3 недели в дежурном режиме
SM (пластмассовый корпус, литий-полимерный аккумулятор):
- Габаритные размеры 42х51х11 мм
- Масса 17 г
- Время записи до 2240 мин.
- Время работы 50 ч в режиме записи и 2,5 месяца в дежурном режиме
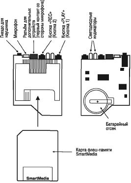
SM-PCB (с использованием карт флеш-памяти SmartMedia, бескорпусной вариант):
- Габаритные размеры 45х55х12 мм
- Масса 30 г
- Время записи 140...1120 мин. при объёме применяемой карты памяти 16...128 Мбайт
- Время работы 60...70 ч в режиме записи и в дежурном режиме
Solar-140, Solar-280, Solar-560, Solar-1120,Solar-2240 (пластмассовый корпус, солнечная батарея и литий-ионный аккумулятор)
- Габаритные размеры 28х66х7,5 мм
- Масса 15 г
- Время записи до 140/280/560/1120/2240 мин.
- Время работы в темноте 8 ч в режиме записи и 1,5 недели в дежурном режиме
МD,MR предназначены для телефонов Siemens Sx5 (пластмассовый цилиндрический корпус, питание от сотового телефона)
- Габаритные размеры 15х35мм
- Масса 6 г
- Время записи - 140/280/560/1120/2240 мин.
- Время работы зависит от емкости аккумулятора сотового телефона.
Диктофон исполнения МR предназначен только для записи разговоров ведущихся по сотовому телефону, с помощью гарнитуры Hands Free, входящей в комплект диктофона. Диктофон исполнения МD предназначен для записи акустической обстановки
Основные технические характеристики
- Максимальное время записи в режиме наибольшего сжатия (качествозаписи — ExtraLongPlay, для диктофонов исполнения S — в режиме «Моно»):
С индексом 140— 140 мин. (2,3 ч)
С индексом 280 — 280 мин. (4,6 ч)
С индексом 560 — 560 мин. (9,3 ч)
С индексом 1120 — 1120 мин. (18,6 ч)
С индексом 2240 — 2240 мин. (37,3 ч)
С индексом 4480 — 4480 мин. (74,6 ч)
С индексом 8960 — 8960 мин. (149,3 ч)
С индексом 17920 - 17920мин. (298,6 ч.) SM, SM-PCB, в зависимости от объёма применяемой карты флеш-памяти:
16 Мбайт— 140 мин. (2,3 ч)
32 Мбайт — 280 мин. (4,6 ч)
64 Мбайт — 560 мин. (9,3 ч)
128 Мбайт—1120 мин. (18,6 ч) - Полоса частот записываемого сигнала ЗОО...3400 Гц
- Динамический диапазон 60 дБ.
- Частота дискретизации 8кГц.
- Чувствительность встроенного микрофона: 7..9 м (кроме исполнения S).
- Чувствительность микрофонных входов: 3 мВ (для исполнения S)
- Время непрерывной работы в режиме записи (со свежим элементом питания или полностью заряженным аккумулятором): Исполнение А (элемент питания Silver Button Cell, тип 357) — 4...5 ч
Исполнение А1 (литий-полимерный аккумулятор) — 30 ч
Исполнение А4 (литий-полимерный аккумулятор) — 50 ч
Исполнение А4М (литий-полимерный аккумулятор) — 50 ч
Исполнение SM (литий-полимерный аккумулятор) — 50 ч
Исполнения В, В1, С и SM-PCB (элемент питания Lithium CR2450) — 60...70 ч
Исполнения B1W, S (литий-ионный аккумулятор LIR2450) — 15; 12 ч (для исполнения S — в режиме «Моно»)
Исполнение В2 (элемент питания Lithium CR123) — 200 ч
Исполнение ВЗ (литий-ионный аккумулятор LIR2450) —15 ч
Исполнение В4 (литий-ионный аккумулятор LIR2032) — 8 ч
Исполнение Solar (солнечная батарея и литий-ионный аккумулятор LIR2430) — 9 ч (в темноте)
Исполнение MD,MR (питание от сотового телефона)- ориентировочно 100 ч. - Время непрерывной работы в дежурном режиме (со свежим элементом питания или полностью заряженным аккумулятором): Исполнение А (элемент питания Silver Button Cell, тип 357) — 1 неделя
Исполнение А1 (литий-полимерный аккумулятор) —1,5 мес
Исполнение А4 (литий-полимерный аккумулятор) — 2,5 мес
Исполнение А4М (литий-полимерный аккумулятор) — 2,5 мес
Исполнение SM (литий-полимерный аккумулятор) — 2,5 мес
Исполнения В, В1, С и SM-PCB (элемент питания Lithium CR2450) —3 - 3,5 месяца
Исполнения B1W, S (литий-ионный аккумулятор LIR2450) — 3 недели
Исполнение В2 (элемент питания Lithium CR123) — 10 мес.
Исполнение ВЗ (литий-ионный аккумулятор LIR2450) — 3 недели
Исполнения В4 (литий-ионный аккумулятор LIR2032) —1,5 недели
Исполнение Solar (литий-ионный аккумулятор LIR2430): при периодическом освещении встроенной солнечной батареи — неограничено; втемноте — 1,5недели
Исполнение MD,MR ограничевается емкостью батареи сотового телефона. - Время зарядки аккумулятора — 5 ч (для исполнений А1,А4, А4М, В1W, ВЗ, В4, S и Solar)
- Время зарядки аккумулятора от солнечной батареи (для исполнения Solar):
при прямом солнечном освещении — 4 ч
при освещении лампой накаливания мощностью 100 Вт с расстояния 8...10 см— 8..10 ч - Ресурс работы аккумулятора — 500 циклов заряд/разряд (для исполнений А1, А4, А4М, B1W, ВЗ, В4, S и Solar)
- Качество, форматы и плотность записи данных:
High — линейный 12 бит (без сжатия), 96 Кбит/с
Normal — линейный 8 бит (сжатие по мю-закону), 64 Кбит/с
Medium — модифицированный 4-битный IMA ADPCM, 32 Кбит/с
Long Play—модифицированный 3-битный IMA ADPCM, 24 Кбит/с
ExtraLongPlay — модифицированный 2-битный IMA ADPCM, 16 Кбит/с - Показатели качества записи: 3,5...4,8 по шкале MOS (в зависимости от плотности записи).
- Ёмкость встроенной флэш-памяти:
С индексом 140— 16 Мбайт
С индексом 280 — 32 Мбайт
С индексом 560 — 64 Мбайт
С индексом 1120 — 128 Мбайт
С индексом 2240 — 256 Мбайт
С индексом 4480 — 512 Мбайт
С индексом 8960 — 1 Гбайт
С индексом 17920-2 Гбайт - Время надёжного хранения данных в флэш-памяти более 10 лет.
Диктофон оснащён системой голосовой активации (VAS), позволяющей эффективно сжимать паузы в сообщениях, увеличивая таким образом реальное время записи. При использовании этой системы в паузах экономится память, но временные интервалы сохраняются. При воспроизведении и в файлах, сохраняемых в компьютере, длительность пауз восстанавливается.
Запись может осуществляться в режимах кольцевого буфера и/или последовательных сообщений (количество и длительность сообщений не ограничены), при этом под кольцевой буфер может быть выделена произвольная часть объёма памяти диктофона. Каждая произведённая запись маркируется временем и датой с помощью встроенных часов реального времени.
Диктофон обеспечивает следующие возможности навигации при прослушивании ранее записанных сообщений: можно быстро переходить к следующему/ предыдущему/ первому/ последнему сообщению, к началу/концу текущего сообщения, осуществлять перемотку вперёд/назад в пределах текущего сообщения с переменной скоростью, а также стирать сообщения из памяти диктофона.
Управление диктофоном осуществляется двумя кнопками (возможно управление с двух входов внешнего управления через разъём для подключения наушника или розетку для подключения дополнительных устройств). Функции управления во всех режимах, а также способы индикации различных режимов и состояний диктофона могут быть полностью перепрограммированы пользователем через компьютерный интерфейс с помощью прилагаемого программного обеспечения.
Возможен оперативный выбор одного из нескольких (до 8) режимов работы диктофона включающих в себя: качество и степень сжатия голосового сигнала при записи, моно/стерео режим (установка стереорежима возможна только для исполнения S), разрешение работы и параметры системы VAS, скорость перемотки и громкость звучания при воспроизведении, запись в кольцевой/линейный буфер. Подключение к компьютеру осуществляется через стандартный параллельный (LPT) порт в двунаправленном режиме посредством адаптера связи с компьютером. Скорость обмена 150...200 Кбит/с (зависит от компьютера).
Программное обеспечение работает в среде операционных систем Windows 9x/Me/NT/2000/XP и позволяет производить обмен данными с диктофоном, записывать их на жёсткий диск компьютера в стандартном формате (для последующего прослушивания и редактирования с помощью встроенных программных средств операционной системы при наличии в компьютере звуковой карты), синхронизировать часы диктофона с часами компьютера, а также осуществлять полную конфигурацию пользовательского интерфейса диктофона. Обмен информацией с компьютером может быть защищен с помощью пароля.
Диктофон может работать в режиме «цифровой дискеты», позволяющем использовать его для хранения и переноса любых данных. Возможно одновременное использование диктофона как для записи сообщений, так и в качестве «цифровой дискеты», причём размер памяти, выделяемый под «цифровую дискету» может задаваться пользователем.

Рис. 2. Внешний вид диктофонов исполнений А, В, В1, В1W и С

Рис. 3. Соответствие сигналов внешнего управления и выхода звукового сигнала контактам штеккера

Рис. 4. Внешний вид диктофонов исполнений В2, ВЗ, В4

Рис. 5. Внешний вид диктофонов исполнения S

Рис. 6. Внешний вид диктофонов исполнения SM-PCB

Рис. 7. Внешний вид диктофонов исполнения Solar

Рис. 8. Внешний вид диктофонов исполнения MD и MR

Рис. 9. Назначение контактов разъема для подключения к телефону Simens Sx5

Рис. 10. Внешний вид диктофонов исполнения А1

Рис. 11. Внешний вид диктофонов исполнения А4

Рис. 12. Внешний вид диктофонов исполнения А4М

Рис. 13. Внешний вид диктофонов исполнения SM
Аксессуары для диктофонов
Дополнительно к диктофону можно приобрести следующие аксессуары:
Адаптер записи телефонных переговоров
Адаптер можно использовать совместно с цифровыми диктофонами EDIC-mini (кроме исполнений A, S), выпущенными не ранее марта 2002 г. Он позволяет автоматически выполнять запись телефонных переговоров. Адаптер подключается к розетке для дополнительных устройств диктофона. В диктофон с помощью прилагаемого программного обеспечения следует загрузить конфигурацию для автоматической записи телефонных переговоров (см. Программирование стандартных конфигураций диктофона), а адаптер подключить к телефонной розетке. После этого диктофон будет автоматически включаться на запись при поднятии трубки телефона, и отключаться при её опускании.
Адаптер-регистратор телефонной связи EDIC-Expert
Адаптер-регистратор телефонной связи EDIC-Expert при работе совместно с цифровым диктофоном EDIC-mini обеспечивает регистрацию входящих и исходящих звонков на телефонной линии (с фиксацией номера и времени/даты звонка), а также запись телефонных разговоров. Адаптер можно использовать совместно с цифровыми диктофонами EDIC-mini (кроме исполнений A, S), выпущенными не ранее марта 2002 г.
Адаптер позволяет определять номера входящих звонков по следующим стандартам:
- российский АОН
- DTMFCallerID
Адаптер позволяет определять номера исходящих звонков, набираемых как в импульсном, так и в тоновом режимах. Для обеспечения оптимальной работы на различных типах телефонных линий в адаптере предусмотрена настройка целого ряда параметров определения входящих и исходящих звонков.
Адаптер позволяет гибко настраивать условия и способы регистрации номеров и записи телефонных разговоров.
Информация о конфигурации адаптера хранится в энергонезависимой памяти диктофона. Конфигурирование адаптера и работа с информацией о зарегистрированных звонках осуществляется с использованием программного обеспечения, прилагаемого к диктофону.
Адаптер питается от диктофона и телефонной линии.
Выносные микрофоны
Выносные микрофоны можно использовать совместно с цифровыми диктофонами EDIC-mini (кроме исполнений A, S), выпущенными не ранее марта 2002 г. После подключения выносного микрофона встроенный микрофон диктофона отключается, и запись производится на выносной микрофон. Микрофоны имеют длину кабеля 0,5 м. Выпускаются два варианта микрофонов: обычный и усиливающий. Усиливающий микрофон имеет относительную чувствительность +10 дБ по отношению к обычному и встроенному микрофонам. При подключении необходимо совместить первые контакты вилки микрофона и розетки диктофона, руководствуясь метками первого контакта и рис. 1,3,5,6.
Пульт дистанционного управления
Пульт дистанционного управления для цифровых диктофонов EDIC-mini предназначен для дистанционного управления цифровыми диктофонами EDIC-mini.
Пульт можно использовать совместно с цифровыми диктофонами EDIC-mini (кроме исполнений A, S), выпущенными не ранее марта 2002 г. Пульт соединяется с диктофоном проводом длиной 1 м.
Владельцы диктофонов, комплектующихся наушником со стерео разъёмом (всех диктофонов кроме исполнений В1, B1W, В4 и Solar), могут также подключать к пульту наушник (для этого случая предусмотрена конфигурация для дистанционного управления при подключенном наушнике, см. Программирование стандартных конфигураций диктофона).
Выводы:
- На мой взгляд устройство произвело неплохое впечатление, первое это на что хотелось бы обратить внимание это размеры.
- Второе, неплохие технические характеристики, использование дополнительных модулей, так же возможность подключения к компьютеру.
- К недостаткам я ,наверное, отнес бы цену на диктофон, на мой взгляд, большинство пользователей не смогут себе позволить даноое устройство.
По всем возникающим вопросам обращайтесь в отдел технической поддержки ООО Телесистемы info@telesys.ru
Материал официально предоставлен компанией ООО Телесистемы www.telesys.ru
Автор: Платанков Николай,
г. Минск, Беларусь
