| Прогресс состоит во все большем и боль- шем преобладании разума над животным законом борьбы. | |
| Л. Н. Толстой (1828 - 1910; русский писатель, философ-моралист) |
Синхронное кодовое разделение:
технология будущего
Общеизвестно, что отличительной особенностью современного общества является его высокая информационность. Благодаря успехам радио и микроэлектроники в настоящее время созданы настолько совершенные системы, о создании которых еще полвека назад можно было в лучшем случае предполагать. В эти системы вложена лучшая научная и инженерная мысль, накопленная за весь прошлый век. К счастью или к сожалению, они во многом определяют качество жизни современного человека, так как доступ к большинству технических новшеств имеет каждый желающий. Одним из лучших примеров среди разнообразных средств связи и доступа к информации являются системы мобильной радиосвязи, базирующиеся на технологии CDMA, основой которой, в свою очередь, являются шумоподобные сигналы (ШПС).
На тему широкополосных систем с кодовым разделением каналов имеется немало публикаций. Однако зачастую их описание подается либо недоступным для обычного читателя сложным техническим языком, либо излишне упрощенно, что вообще крайне вредно. В конечном счете, и в том, и в другом случае говорить о понимании генеалогии, принципов работы, перспектив развития и общей философии системы не приходится. Также вносит путаницу или, в лучшем случае, отпугивает обилие англоязычных аббревиатур в литературе и описание различных "частных" стандартов и протоколов связи. Поэтому целью данной работы является изъяснение указанных вопросов, а также попытка отделить принципиально важное от второстепенного, что должно составить целостную и выверенную картину современного состояния систем радиосвязи на основе ШПС вообще и сотовой связи стандарта CDMA в частности.
Многопользовательский доступ в системах связи.Обзор системы с кодовым разделением каналов
Важнейшим требованием при проектировании систем общего пользования является возможность обеспечения связью всех абонентов без взаимных помех. Физическим носителем информации в системах подвижной связи (СПС) является радиосигнал. Все пользователи создают в точке приема сложный единый электромагнитный процесс. Разработчики СПС должны определить, по какому критерию будет выделяться из суммарного радиосигнала информация от того или иного пользователя. В связи с этим рассматриваются пять "чистых" методов разделения сигналов:
- частотный;
- временной;
- поляризационный;
- пространственный (по направлению прихода сигнала);
- кодовый (по форме, по виду сигнала).
Рассмотрим их подробнее. Понятие частотного разделения каналов тесным образом связано с понятием спектра сигнала, т. е. с частотным представлением его временной реализации. Оказывается, что практически любой радиосигнал представляет собой узкополосный процесс, для которого выполняется неравенство F/f0 << 1. В неравенстве F - эффективная ширина полосы частот, занимаемой сигналом, f0 - средняя (центральная) частота спектра. Расположив на частотной оси сигналы от разных источников таким образом, чтобы они не перекрывались, с помощью устройств частотной фильтрации с идеальными характеристиками можно без взаимных помех разделять информационные сигналы. Этот способ наиболее известен и начал применяться еще на заре развития радиотехники во время первой мировой войны после того, как искровые передатчики были заменены передатчиками с непрерывной генерацией на электронных лампах. Согласно историческим данным, первопроходцами в этом направлении были немцы, что, кстати, привело к легкому переполоху разведок их противников, когда однажды вместо привычной в эфире трескотни электрических разрядов они услышали тишину.
В 80-е г.г. на основе частотного разделения строились аналоговые СПС первого поколения: североевропейская Nordic Mobile Telephone (NMT), американская Advanced Mobile Phone Service (AMPS), английская Total Access Communications System (TACS) и некоторые другие.
Идея временного разделения каналов пришла ненамного позже, чем частотного, однако реальное ее применение началось с развитием импульсной техники в 50-60 г.г. прошлого века. Суть метода также очень проста. Если говорить об аналоговых сигналах, то оказалось, что передачу сообщений можно вести импульсной последовательностью или отсчетами с перерывами в передаче. Амплитуда импульсов должна соответствовать мгновенному значению сигнала в момент взятия отсчета, а в перерывах можно передавать отсчеты от других источников. Минимальная частота дискретизации определяется теоремой В. А. Котельникова и равна удвоенной максимальной частоте спектра сообщения. На длительность импульсов никаких условий не налагается. Применительно к цифровым СПС временное разделение каналов означает передачу каждого бинарного потока в своем временном окне. Наиболее известной СПС с временным разделением каналов является европейская Global System for Mobile Communications (GSM), в которой на одну несущую приходится 8 (16) цифровых каналов.
Поляризационное разделение сигналов основано на избирательности приемных антенн к положению вектора напряженности электрического (магнитного) поля - вертикальное (V), горизонтальное (H) - или направлению его вращения - правое (R), левое (L). Из сказанного делаем вывод, для линейной поляризации на одной частоте и в одно время можно различить максимум четыре канала: V/H поляризации электрической составляющей и V/H поляризации магнитной составляющей поля. Такая же ситуация и в случае использования сигналов с круговой поляризацией. Уплотнение каналов по поляризации осуществлено в основном в спутниковых системах связи и вещания. Например, в спутниковом телевидении спектры сигналов соседних ТВ каналов существенно перекрываются, однако они передаются с различными поляризациями и на приемной стороне уверенно разделяются.
Пространственное разделение реализуется в случае "от многих с разных направлений к одному" или в обратном порядке. Основой такого метода разделения каналов служат направленные свойства приемо-передающих антенн. Так, избирательность антенны по азимуту (углу места) позволяет разделять сигналы с одинаковой средней частотой, поляризацией и в одно время, но приходящие с разных направлений в горизонтальной (вертикальной) плоскости. Это явление используется в подавляющем большинстве радиоэлектронных систем. Применительно к СПС пространственное разделение приходящих сигналов реализовано в виде многосекториальных антенн базовых станций, что позволяет повторять частоты приема (передачи) в различных секторах.
Идея кодового разделения (уплотнения) каналов известна уже около 70 лет и базируется на корреляционных свойствах сигналов. Ее развитие приходится на 60-е г.г. XX ст., когда были разработаны сравнительно быстродействующие электронные логические схемы и аппаратура с кодовым разделением каналов стала приемлемых размеров. Этот новый метод впервые начал использоваться в связных радиостанциях в американской армии. Тип применяемого широкополосного сигнала был сигнал с "прыгающей" по определенному закону радиочастотой. Такая реализация значительно усложняла прослушивание переговоров и, кроме того, имела высокие качественные показатели.
В англоязычной литературе системы с кодовым разделением каналов называются Code Division Multiple Access (CDMA), что дословно в переводе на русский язык означает множественный доступ с кодовым разделением. Правильное понимание уплотнения сигналов по форме (коду) требует введения понятия корреляции сигналов. Взаимокорреляционной функцией (ВКФ) R12(τ) сигналов s1(t) и s2(t), обладающих конечными энергиями, называется функция, определяемая выражением

где t - время; τ- величина сдвига во времени второго сигнала относительно первого.
Фундаментальный физический смысл ВКФ есть степень подобия двух сигналов. Частным случаем ВКФ является автокорреляционная функция (АКФ), когда s1(t) = s2(t). Чем больше похожи сигналы друг на друга, тем большее положительное значение имеет ВКФ. Если значение функции R12(τ) имеет наибольшее абсолютное значение и отрицательный знак, то говорят, что сигналы s1(t) и s2(t) противоположны, т. е. s1(t) = - s2(t). Для кодового разделения каналов, применяемого в стандартах CDMA, важен третий случай, когда R12(τ) = 0 в точке τ = τ0, либо R12(τ) ≈ 0 на всем отрезке определения сдвига τ. Сигналы, удовлетворяющие первому равенству, называются ортогональными "в точке", удовлетворяющие второму приблизительному равенству - квазиортогональными. Сигналов, для которых ВКФ строго равна нулю при всех временных сдвигах, не существует, поэтому в дальнейшем, говоря об ортогональных кодах, будем подразумевать ортогональные "в точке". В связи с указанными случаями рассматривают два типа адресных систем с кодовым уплотнением каналов: синхронные и асинхронные. СПС с кодовым уплотнением каналов, основанные на стандарте IS-95, являются синхронными адресными системами.
Замысел кодового уплотнения каналов на примере линии "вниз", т. е. от базовой станции (БС) к абонентской (АС), сводится к следующему:
- N информационным потокам, предназначенным для N абонентов, присваивается своя кодовая псевдослучайная последовательность (ПСП);
- кодовые последовательности некоррелированы друг с другом;
- бинарные информационные потоки модулируются собственной ПСП;
- канальные широкополосные сигналы складываются в суммирующем устройстве;
- модуляция несущей результирующим сложным широкополосным сигналом и излучение радиосигнала в пространство.
На приемной стороне в абонентской станции:
- известна "своя" кодовая последовательность;
- осуществляется перенос сигнала с радиочастоты в область низких частот;
- низкочастотный импульсный сигнал поступает на вход коррелятора, на второй вход которого синхронно поступает кодирующая ПСП; коррелятор, состоящий из перемножителя и интегратора, вычисляет взаимокорреляционную функцию двух сигналов;
- отклик на выходе коррелятора происходит только тогда, когда в уплотненном сложном сигнале присутствует "своя" ПСП, в противном случае на выходе наблюдается только шум.
Стандарт IS-95 является базовым для существующих стандартов спутниковых сис-тем персональной связи, а также подвижной сотовой связи, в т. ч. cdma2000 и WB-CDMA. Количество каналов N определяется размером ансамбля псевдослучайных последовательностей. В настоящее время известно немало методов формирования ансамблей ортогональных и квазиортогональных последовательностей. Среди ортогональных систем сигналов в стандарте IS-95 применяются сигналы, являющиеся строками матрицы Адамара размером 64?64. Матрица Адамара размером 2n?2n формируется из матрицы размером n?n следующим образом:

Начальной матрицей в этом рекуррентном вычислении выступает матрица размером 1Х1: H1 = [1]. Таким образом, матрица Адамара размером 2Х2.

По аналогии матрица 8Х8 выглядит так:

Можно убедиться, что если попарно перемножить элементы двух различных строк матрицы, а затем сложить результаты, то получится ноль. Это значит, что любая пара строк в матрице Адамара является ортогональной (разумеется, если нет взаимного сдвига). С другой стороны, корреляция строки с самой собой дает число 8, что очевидно. Если же скоррелировать строку и ее инверсное представление, то результат будет равен - 8. Таким образом, информационный "0" первого канала можно передавать первой строкой матрицы Адамара, а информационную "1" - первой строкой, но с инверсией; бинарному потоку второго канала можно присвоить вторую строку и т. д. Так как строки матрицы ортогональны, то и сигналы различных каналов можно разделить на приемной стороне. Строки матрицы Адамара чаще называются функциями Уолша.
Упомянутое суммирующее устройство в принципе может быть устройством алгебраического суммирования, тогда результирующий сложный сигнал будет представлять собой многоуровневую, в нашем случае 2N-уровневую последовательность. Однако прием и обработка таких сигналов в реальных каналах связи сопряжены с существенными труд-ностями, поэтому в CDMA принято мажоритарное суммирование канальных сигналов. Мажоритарный сумматор бинарных последовательностей вычисляет знак алгебраической суммы канальных сигналов. Для вычисления такой функции многих переменных существуют специальные логические схемы мажоритарного суммирования.
Рассмотрим передачу трех информационных потоков по 5 бит каждый (рис. 1). Длительность информационных символов 8 с. В качестве ортогональной системы функций взяты строки матрицы H8. Таким образом, один информационный бит кодируется восемью элементарными символами. Первому информационному потоку присвоена 2-я строка матрицы H8; второму потоку - 3-я строка; третьему потоку - 4-я строка. На последней осциллограмме изображен сигнал на выходе мажоритарного сумматора.

Рис. 1. Уплотнение трех канальных сигналов
На рис. 2 представлен процесс демодуляции результирующего сложного сигнала в смеси с белым шумом. Отношение сигнал/шум в полосе сигнала составляет 7,17 дБ. Последние три осциллограммы есть сигналы на выходе корреляторов АС. Как видно, АС уверенно выделяют информацию даже на фоне помехи, несмотря на то, что передача ведется в общей полосе частот и одновременно. Для эффективной работы системы критически важно отсутствие временных сдвигов между приходящим сложным сигналом и сигналом, выдаваемым генератором Уолш-последовательностей. Это значит, что система является синхронной. В стандарте IS-95 это достигается применением специальной синхронизирующей последовательности, а также системой единого времени, что является принципиально новым в технике приема и обработки сигналов. До создания семейства стандартов IS-95 системы с шумоподобными сигналами строились по асинхронному принципу, т. е. сигнал от каждого абонента приходил в точку приема с разными взаимными задержками. В таком случае для беспомехового разделения суммарного сигнала на канальные важно иметь малое значение ВКФ адресных кодовых последовательностей на всем интервале корреляции. Для лучших последовательностей этот параметр имеет значение порядка (2...3)/√N . Поэтому взаимные помехи сигналов были велики, и в общей полосе частот работало относительно малое количество терминалов, т. е. эффективность использования частотного ресурса была низка. Кроме того, при малых отношениях сигнал/шум стояла проблема поиска ШПС по времени задержки, а после вхождения в синхронизм слежения по задержке, что было непростой задачей. По этим причинам такие системы применялись лишь в случае обеспечения повышен-ной скрытности и помехозащищенности, в остальных случаях предпочтение отдавалось частотным или временным методам уплотнения каналов.

Рис. 2. Декодирование сложного сигнала
Итак, уплотнение сигналов на передающей стороне в стандартах CDMA осуществляется путем мажоритарного суммирования функций Уолша, проманипулированных информационным потоком. Выделение канального сигнала из результирующего потока осуществляется в корреляторе, состоящем из перемножителя и интегратора или сумматора-накопителя. В качестве поясняющего примера можно привести известное и весь-ма удачное сравнение кодового разделения каналов и беседы на различных языках. Если в закрытой комнате находится много людей, одновременно говорящих на разных языках, то вы воспримете информацию от того собеседника, который говорит на вашем родном языке.
Чтобы обеспечить правильное функционирование СПС и придать ей некоторые новые качества в сетях CDMA применяют специальные виды шумоподобных сигналов и дополнительные функциональные преобразования результирующего уплотненного сигнала. Рассмотрим эти вопросы подробнее.
Типы шумоподобных сигналов.Их применение в широкополосных системах связи
Шумоподобные или сложные сигналы чаще всего разделяются на типы по методу формирования, определяющему все их свойства и, как следствие, применимость в той или иной радиоэлектронной системе. Говоря о шумоподобных сигналах, подразумевают их широкополосность. В теории связи широкополосными называют сигналы, для которых выполняется неравенство FT >> 1, где T - длительность сигнала. Равенство либо приблизительное равенство выполняется только для простых сигналов, например, амплитудно-модулированных (АМ) сигналов в системах радиовещания, в случае сигналов, выдаваемых в телефонную линию модемами, сигналов с узкополосной частотной модуляцией (ЧМ) и т. п.
Классификация ШПС и их свойства рассмотрены в [1], однако с развитием техники появились некоторые новые типы сложных сигналов. Все они могут использоваться в качестве переносчиков информации в системах связи. Основные типы ШПС и их применение в широкополосных системах с множественным доступом (SSMA - Spread Spectrum Multiple Access) сведены в таблицу 1.
Таблица 1
| ШПС | Аббре- виатура | Международное название | Аббре- виатура | Широкополосные системы связи (SSMA) |
| частотно-модулированные | ЧМ | Frequency Modulated | FM | локационные, навигационные системы |
| многочастотные | МЧ | Multi-Carrier | MC | MC-CDMA (cdma2000: проект IMT-MC, WB-CDMA) |
| дискретные частотные (частотно-манипулированные, с «прыгающей» частотой, с псевдослучайной перестройкой радиочастоты) | ДЧ (ЧМн, ППРЧ) | Frequency-Shift Keying | FSK | некоторые виды транкинговых средств связи |
| дискретные составные частотные | ДСЧ | Frequency Hopping | FH | FH-CDMA |
| фазоманипулированные | ФМн | Direct Sequence | DS | DS-CDMA (CDMA one-? IS-95) |
| многоуровневые | МУ | Multilevel Direct Sequence | MLDS | ведомственные, кабельные системы связи |
| с псевдослучайной перестройкой во времени | ППВ | Time Hopping | TH | TH-CDMA: TC-CDMA, TD-CDMA |
Кроме указанных ШПС возможны различные их комбинации в целях оптимизации работы систем в определенных условиях или в случае предъявления к ним каких-либо специальных требований. Все приведенные типы ШПС, кроме частотно-модулированных, являются дискретными, поэтому выгоднее применять их для передачи цифровой информации, хотя не исключено их применение и для трансляции аналоговых сигналов.
Шумоподобные сигналы - второй важный момент в системах CDMA. Несмотря на то, что основное расширение спектра происходит по функциям Уолша, некоторые вспомогательные ШПС и их автокорреляционные свойства играют также очень важную роль. Рассмотрим достоинства и недостатки перечисленных ШПС, также оценим степень их применимости в системах СПС с CDMA.
Частотно-модулированные сигналы являются непрерывными сигналами с меняющейся по заранее определенному закону частотой. Диапазон изменения частоты ΔF определяет эффективную ширину полосы частот. База такого сигнала равна ΔFT. Для отдельного экземпляра ЧМ ШПС достаточно просто строится оптимальный приемник в виде согласованного фильтра (СФ). Однако при изменении закона изменения частоты требуется замена СФ, что нерационально. Поэтому такие сигналы применяются в системах, в которых закон изменения частоты остается постоянным на протяжении всего времени эксплуатации, например, локационных и навигационных системах.
Для применения ЧМ ШПС в связных системах вместо континуального применяют счетное множество частот и дискретное время. ЧМ ШПС в этом случае вырождается в дискретный частотный сигнал (ДЧ ШПС). Пусть количество дискрет времени равно N, а длительность одного дискрета равна T0. Для равномерного заполнения частотно-временной области элементами ДЧ ШПС необходимо такое же число частотных дискрет. Следовательно, эффективная полоса частот, занимаемых одним частотным дискретом, будет равна 1/T0. Тогда база сигнала B = N2. Отсюда делаем важный вывод: для получения базы ШПС B необходимо иметь √B элементов с отличающейся частотой и √B элементарных интервалов времени. Сказанное значит, что для получения сверхбольших баз необходимо иметь сравнительно небольшое количество частотных и временных элементов. Основное достоинство ДЧ ШПС является слабая чувствительность к частотно-селективным замираниям, т. к. ширина полосы частот, занимаемой одним элементом мала. Если при этом количество таких элементов достаточно велико, то такие сигналы слабо подвержены явлению многолучевого распространения радиоволн, импульсных помех и шумоподобные системы на и основе отличаются высокой гибкостью при частотном планировании. Основной недостаток таких сигналов - это высокие требования, предъявляемые к синтезаторам множества частот в смысле постоянства начальных фаз. Однако в целом такие сигналы очень перспективны и в системах CDMA они применяются вместе с ФМн ШПС, образуя дискретные составные частотные сигналы.
Многочастотные сигналы - более простой вариант ДЧ ШПС. МЧ ШПС образуется суммированием сигналов с несколькими средними частотами, т. е. временные дискреты отсутствуют. Как и ДЧ ШПС эти сигналы эффективны при многолучевом распространении и частотно-селективных замираниях, однако их формирование значительно проще. Многочастотный ШПС применен в СПС стандарта cdma2000, в которой информация от одного источника разбивается на три потока и каждый из них передается на своей несущей. Такой метод отличается гибкостью в развертывании системы и высокой скоростью передачи.
Фазоманипулированные сигналы, за рубежом называемые Direct Sequence, представляют последовательность радиоимпульсов, фаза которых изменяется на дискретную величину по определенному псевдослучайному закону. Такие сигналы отличаются простотой формирования и относительной простотой обработки. Говоря о ШПС, в большинстве случаев имеют в виду именно этот тип ШПС. К этой группе сигналов принадлежат последовательности максимальной длины или M-последовательности, коды Голда, Кассами и др. [2]. База сигналов равна количеству элементарных символов на один бит информации. Чаще всего ФМн ШПС формируются в регистрах сдвига с обратными связями (РСОС). В системах стандарта IS-95 применяются M-последовательности с разной базой: 215 - 1 и 242 - 1.
Многоуровневые последовательности применяются в основном в "чистых" каналах: кабельных сетях, ВОЛС и т. п. В нестационарных линиях связи, к числу которых относится радиоканал, их прием затруднителен. МУ ШПС обеспечивают наиболее высокую скорость передачи данных за счет увеличенного динамического диапазона значений сигнала.
Сигналы с псевдослучайной перестройкой во времени есть сравнительно сложный вариант шумоподобных сигналов. Как и при временном разделении сигналов, временной интервал заданной длительности разбивается на N временных окон, но в этом случае информационный сигнал закодирован импульсами, находящимися в разных временных точках. Для этих сигналов разработана концепция IMT-TC или Time Division CDMA. Система TD CDMA очень гибка в выборе канальных сигналов, но для оптимального приема и обработки требуются большие вычислительные мощности.
В основном перечисленные типы ШПС применяются в виде комбинаций, т. к. каждый сигнал имеет свои достоинства и недостатки. Путем подбора оптимальных взаимосвязей различных ШПС можно улучшить качественные показатели системы связи для данных конкретных условий. АКФ шумоподобных сигналов имеет высокий уровень вблизи нулевого сдвига во времени и резко спадает при наличии временного сдвига. Это свойство играет важную роль в системах CDMA, например, обеспечивают начальную синхронизацию мобильной станции.
Стандарты CDMA. Принципы функционирования.Достоинства, недостатки, эффективность.
Все существующие стандарты с кодовым разделением каналов базируются на стандарте IS-95 (Interim Standard - временный стандарт), разработанном компанией Qual-comm в 1994 г. Коммерческое название IS-95 - cdmaOne.
Для преобразования аналогового речевого сигнала в цифровой используется вокодер (Voice Coder - кодер голоса) с переменной скоростью кодирования, в основу работы которого положен алгоритм с линейным предсказанием кода - CELP (Code Excited Linear Predictive). Этот алгоритм лучше учитывает особенности человеческой речи, чем другие. Вокодер перекодирует цифровой поток, имеющий скорость 64 кбит/с (8000 отсчетов речевого сигнала в секунду, умноженные на восьмибитный код каждого отсчета), в поток со скоростью 8,55 кбит/с или 13 кбит/с. Передача данных ведется кадрами длительностью 20 мс, в которых неинформативная часть, содержащая паузы интервалы удаляется. Результирующий поток имеет скорость 1…8 кбит/с. Вокодер приемной стороны объединяет кадры в единый поток и делает обратное преобразование. Другой важной особенностью вокодера с переменной скоростью кодирования является использование адаптивного порога для определения требуемой скорости кодирования данных. Уровень порога изменяется в соответствии с фоновым шумом. Результатом этого является подавление фона и улучшение качества речи даже в шумной обстановке. Вокодер позволяет подмешивать в речевой канал вторичный трафик, т. е. служебную информацию. Допускается использование вокодера EVRC со скоростью выдачи данных 8 кбит/с. Качество речи в системе CDMA, использующей вокодер QCELP со скоростью кодирования 13 кбит/с, очень близко к качеству речи в проводном канале.
Современные сети, базирующиеся на стандарте IS-95, передают сигнал с информационной скоростью 9,6 кбит/с и технической - 14,4 кбит/с. Если не применять помехоустойчивое кодирование, то техническая скорость может совпадать с информационной. Скорость передачи достаточно просто можно увеличить путем объединения каналов, как это сделано в IS-95B, IS-95С, cdma2000. В настоящее время разработана концепция IS-95-HDR (High Data Rate), в которой скорость передачи данных повышена до 1 Мбит/с и более, однако анализ развития систем с шумоподобными сигналами и кодовым разделением каналов показывает, что все системы 3-го поколения базируются на концепции IMT-2000. Несмотря на обилие стандартов, базовые принципы функционирования систем связи с ШПС остаются неизменными, поэтому для объективной оценки эффективности систем с кодовым разделением рассмотрим общие законы формирования сложных сигналов в данных системах.
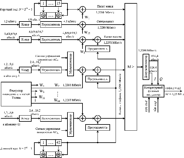
На базовой станции (БС) формируются четыре типа сигналов (рис. 3): пилотный канал, синхроканал, вызывной канал и каналы трафика. Сигнал пилот-канала передается все время и представляет собой M-последовательность длиной N = 215 - 1. На пилотный канал приходится около 20 % излучаемой мощности, однако этого достаточно, чтобы на выходе коррелятора мобильной станции наблюдался отклик. Как было сказано, импульс на выходе коррелятора имеет малую длительность, что позволяет точно оценить частоту и время задержки обрабатываемого сложного сигнала, т. е. осуществить квазикогерентный прием.

Рис. 3. Схема формирования сложного сигнала в базовой станции
Синхроканал содержит технологическую информацию, необходимую для поддержания синхронизации мобильной станции: данные о системном времени, о параметрах длинного и короткого кодов, о скорости передачи в вызывном канале.
Информационный цифровой поток разговорных каналов (трафика) подается на сверточный кодер с половинной скоростью. На его выходе число бит удваивается. Затем данные поступают на перемежитель. Это делается для того, чтобы после обратного перемежения равномерно распределить в потоке данных искаженные во время передачи биты. Известно, что ошибочно принятые символы обычно формируют пакеты. Алгоритмы помехоустойчивого кодирования работают наилучшим образом, когда ошибки распределены равномерно во времени. Декорреляция пакетов ошибок происходит после осуществления на приемной стороне процедуры, обратной перемежению при передаче.
Следующий этап преобразования сообщения - кодирование с помощью кодов Уол-ша, после чего цифровой поток преобразуется с помощью длинного кода и логической операции сложения по модулю два. Длинный код, как и короткий, есть М-последовательность, только регистр сдвига состоит не из пятнадцати ячеек, а из сорока двух. Максимальная длина такой ПСП составляет 4 398 046 511 103 бит и период повторения будет приблизительно равен сорока суткам. В БС таким образом осуществляется скремблирование широкополосного сигнала, в результате чего перехват информации практически исключен. Прореживатель на схеме есть 32-битовая двоичная маска, которая определяется индивидуально для каждого абонента. Так как информационный поток имеет скорость 19,2 Кбит/с, то в прямом канале используется только каждый 64-й символ длинного кода.
На заключительном этапе двоичные потоки мажоритарно суммируются, разделя-ется между синфазным I (Inphase) и квадратурным Q (Quadrature) каналами для последующей передачи с использованием квадратурной фазовой манипуляции (QPSK).
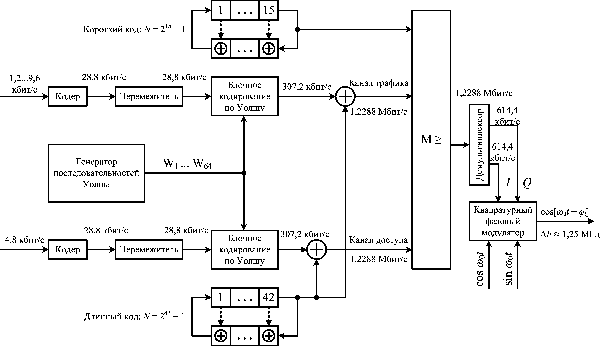
В обратном канале (от абонента к базовой станции) применяется другая схема кодирования (рис. 4). Подвижная станция не может использовать преимуществ трансляции опорного сигнала. В этом случае необходимо было бы передавать два сигнала, что было бы неэкономично и значительно усложнило демодуляцию в приемнике базовой станции. В обратном канале сигнал с вокодера поступает на сверточный кодер со скоростью 1/3, что повышает скорость передачи данных с базовой 9,6 до 28,8 кбит/с. Далее сигнал проходит на перемежитель. После перемежения выходной поток разбивается на слова по шесть битов в каждом. Шестибитовому слову можно поставить в соответствие один из 64 кодов Уолша. Таким образом, каждый абонентский терминал использует весь их набор. После этой операции скорость потока данных повышается до 307,2 кбит/с. Далее поток преобразуется с помощью длинного кода. Все мобильные станции в сети CDMA используют один и тот же длинный код, но с разными циклическими сдвигами. Величина сдвига длинного кода является адресом, по которому в БС разделяет пользователей. Таким образом, абонентская емкость системы определяется обратным каналом и составляет несколько миллиардов. Окончательное формирование потоков данных происходит таким же образом, как и в базовой станции, за исключением дополнительного элемента задержки на 1/2 длительности символа в Q-канале для реализации смещенной QPSK. Канал доступа организуется аналогично.

Рис. 4. Структурная схема формирования сложного сигнала в мобильной станции
В рамках концепция IMT-2000 разработаны три ключевые стандарта: IMT-MC (Multi Carrier) или cdma2000, IMT-DC (Direct Spread) или WB-CDMA и IMT-TC (Time Code). Существенным недостатком всех систем CDMA является чувствительность корреляторов БС к мощности приходящих от разных абонентов сигналов. Если не принять мер, то частотная эффективность оказывается ниже, чем у существующих систем цифровой связи. Для увеличения эффективности систем применяется регулирование мощности в обратном канале. Регулировка мощности АС в cdma2000 производится в динамическом диапазоне 84 дБ с шагом 0,25 дБ. Интервал между соседними измерениями равен 1,25 мс, т. е. скорость потока управления по мощности составляет 800 бит, который подмешивается в канал трафика (рис. 3).
Отдельно следует отметить борьбу с многолучевостью в стандартах CDMA. В приемнике ШПС ведется раздельная обработка нескольких лучей. В этом случае в каждом канале приема на базовой станции используется 4 параллельно работающих коррелятора, а на подвижной - 3 коррелятора, в результате появляется возможность суммировать энер-гии лучей, приходящих с разных направлений. Это позволяет снизить требования к уровню сигнала в точке приема, кроме того, появляется возможность осуществлять мягкий режим эстафетной передачи при переходе из соты в соту. Более того, в стандарте cdma2000 специально применено комбинированное пространственно-частотное разнесение. Многочастотный сигнал передается через разнесенные антенны и в точку приема приходит несколько лучей. Это существенно повышает качество и устойчивость приема без усложнения абонентской станции.
В стандарте cdma2000 воплощены и другие оригинальные технические решения, например, система адаптирована к различным скоростям передачи данных за счет введения специальных ортогональных последовательностей с переменным коэффициентом деления (OVSF - Orthogonal Variable Spreading Factor). Применены особые виды дополнительного кодирования; формирование высокоскоростных каналов передачи данных производится путем объединения нескольких частотных каналов и др. Все это делает стандарт CDMA одним из самых совершенных средств мобильной связи.
Выводы.Системы связи, базирующиеся на кодовом разделении каналов в сравнении с другими системами цифровой связи:
- обладают исключительной сложностью результирующих сигналов, тем самым повышая конфиденциальность передачи;
- имеют малую спектральную плотность результирующего сигнала, что повышает скрытность системы;
- эффективно передают информацию при многолучевом распространении радио-волн;
- устойчивы к воздействию как импульсных, так и сосредоточенных по частоте помех;
- осуществляют близкую к когерентной обработку сигналов, тем самым доводя помехоустойчивость до предельных значений;
- имеют низкий уровень потребляемой мощности абонентской станции, что обес-печивает ее длительную работу без подзарядки;
- облегчают либо полностью исключают необходимость частотного планирования;
- гибки в развертывании, легко адаптируются к требованиям по предоставляемым услугам в конкретной сети пользования.
Заключение
Применение шумоподобных сигналов в связи революционным назвать нельзя - они используются уже длительное время, - но их внедрение в сети общего пользования есть большой шаг в развитии телекоммуникационных систем. Особо следует отметить, что развитие средств связи на основе ШПС оказалось бы просто невозможным, во-первых, без ускоренного темпа развития микроэлектроники и, во-вторых, без разработки оригинальных алгоритмов и методов формирования, передачи и обработки сложных сигналов. Вкупе с помехоустойчивым кодированием эти системы действительно заняли самое почетное первое место в иерархии систем подвижной и персональной спутниковой связи. Высокая эффективность использования частотного ресурса, высокая помехозащищенность, скрытность и конфиденциальность привели к тому, что все системы 3G ориентированы на те или иные варианты CDMA.Прогнозировать дальнейшее развитие систем CDMA весьма затруднительно, однако одна вещь все-таки очевидна: обязателен переход на более высокие скорости передачи данных до 2,4 Мбит/c и выше, тем более что системы данного семейства спроектированы по принципам быстрого перепланирования своей структуры и показателей в зависимости от существующих условий. Скорее всего, в будущем предпочтение будет отдаваться именно высокоскоростным системам, несмотря на их стоимость, т. к. только они позволят работать с большими потоками информации. В результате станет возможным работать с мультимедийной ин-формацией, иметь полноценный доступ к банковским услугам, информационно-справочным службам и в целом система возьмет на себя ответственность за быст-рый и качественный обмен информацией между людьми. Несомненно, в этом смысле концепция CDMA находятся в авангарде.
Источник:
- Варакин Л. Е. Системы связи с шумоподобными сигналами. - М.: Радио и связь, 1985. - 384 с.
- Прокис Дж. Цифровая связь. Пер. с англ./Под ред. Д. Д. Кловского. - М.: Радио и связь, 2000. - 800 с.
Автор: Дубровский Василий,
г. Минск, Беларусь
E-mail: dvv@radioradar.net
