Важнейшей интегральной характеристикой любых электронных устройств усиления и обработки информационных сигналов является динамический диапазон (ДД), который связан, с одной стороны, с чувствительностью устройства, определяемой его собственными шумами, а с другой стороны, с проявлением его нелинейных свойств. На первых этапах развития техники приема и обработки информации требования к ДД были второстепенными, но на современном этапе их значение возрастает с каждым годом. Это объясняется во-первых улучшением качественных показателей электронных устройств, во-вторых, существенным усложнением электромагнитной обстановки (ЭМО). Последнее связано с ростом энергетического уровня всевозможных помех, а также с увеличением их числа и видов. Для многих радиосредств характерна также устойчивая тенденция к усложнению радиопередающей и радиоприемной аппаратуры, размещение их на ограниченных площадях (на судах, самолетах и т. д.) или работающей от общих антенных устройств (приемо-передающие комплексы, например, в системах мобильной радиосвязи).
В результате относительное изменение уровней помех и полезного сигнала на входе устройств обработки сигналов в обычных условиях работы, т. е. ДД входных воздействий, может составлять 90…100 дБ. При работе радиосредств в условиях экстремальной ЭМО он достигает 140…160 дБ и более, при этом помехи на входе радиоприемных устройств измеряют единицами и десятками вольт. В таких условиях прием сигналов с заданным качеством невозможен.
Поэтому актуальнейшей задачей устройств приема и обработки информации является задача повышения линейности передаточных характеристик (ПХ) блоков, составляющих данное устройство и доведение диапазона линейной зависимости выходного отклика от входного воздействия до максимально возможной величины. Это требование соответствует реальным ЭМО в настоящее время. Кроме того, расширение ДД устройств позволит исключить из них сложные настраиваемые фильтры, преселекторы и, тем самым, упростить и удешевить аппаратуру за счет полной интегрализации устройств приема и обработки сообщений.
- К важнейшим задачам, позволяющим решить вопросы расширения ДД следует отнести следующие:
- изучение физических процессов, определяющих ДД “снизу” и “сверху”;
- создание теории, удобных методов проектирования радиоприемных трактов и отдельных звеньев (каскадов, функциональных блоков) с высокой линейностью;
- разработку принципов построения радиоприемных трактов для различных классов систем и их оптимизацию по критерию максимального ДД;
- разработку эффективных схемотехнических решений;
- исследование предельных возможностей трактов с большим ДД и определение новых перспективных путей их совершенствования.
Состояние дел по данному вопросу в настоящее время отражено в виде отдельных публикаций, кроме того, некоторые весьма актуальные вопросы техники приема и обработки сигналов не рассмотрены вообще. Потому целью данной работы является обобщение разрозненных сведений, рассмотрение структурных методов линеаризации и оценка практических сторон вопроса о повышении линейности трактов электронных устройств.
1. Режимы работы усилительных каскадов
Режимы работы усилительных каскадов зависят от способа включения и параметров усилительных элементов, а также от построения питающих цепей и расположении точки покоя на нагрузочной линии. Для стабилизации их режима работы применяют различные способы, основанные на использовании местной и общей ОС, а также компенсационных элементов, например, диодов.
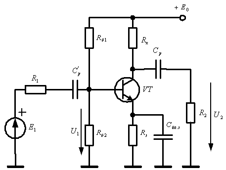
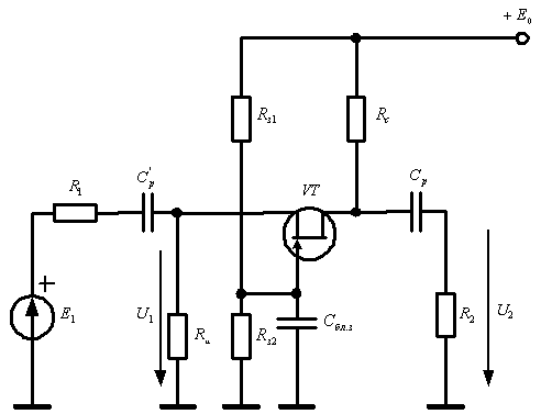
Каскад с общим эмиттером (рис. 1).
Входное сопротивление каскада
(1)
(2)
(3)Значения h21э и rб'э определяют из справочников, y = 25 В-1 для кремниевых транзисторов.

Рис.1. Схема резисторного каскада с ОЭ и эмиттерной стабилизацией
Ток коллектора определяет выбранный режим работы транзистора по постоянному току.
Глубина местной ОС по току у каскада ОЭ (рис. 1), используемой для эмиттерной стабилизации,
(4)
(5)
(6)
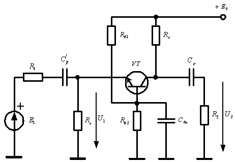
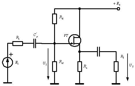
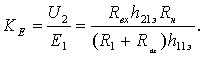
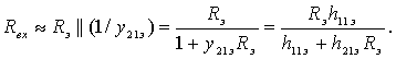
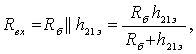
(7)Каскад с общей базой (рис. 2).
Входное сопротивление каскада
(8)
Рис.2. Схема резисторного каскада с ОБ
(9)
(10)Коэффициент усиления для области средних частот определяется по формуле (6), а коэффициент усиления по ЭДС
(11)Каскад с общим коллектором (рис. 3).
Сопротивление нагрузки каскада
(12)
Рис.3. Схема резисторного каскада с ОК
(13)Выходное сопротивление
(14)
(15)
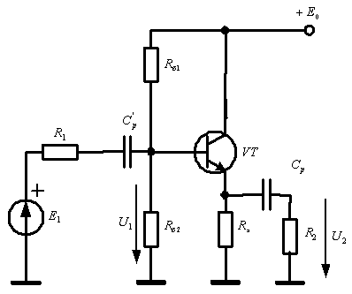
(16)Каскад с общим истоком (рис. 4).
Входное сопротивление каскада
(17)
Рис.4. Схема резисторного каскада с ОИ
(18)
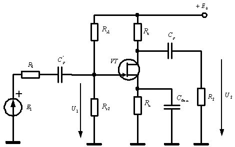
(19)Каскад с общим затвором (рис. 5).
Эквивалентное внутреннее сопротивление источника сигнала
(20)
Рис.5. Схема резисторного каскада с ОЗ
(21)
(22)Коэффициент усиления
(23)Коэффициент усиления по ЭДС
(24)Каскад с общим стоком (рис. 6).
Входное сопротивление рассматриваемого каскада рассчитывается по формуле (17), а сопротивление источника сигнала по формуле (20).

Рис.6. Схема резисторного каскада с ОC
(25)
(26)
(27)Нелинейные искажения.
Нелинейные искажения оцениваются с помощью коэффициента гармоник.
Для каскада с ОЭ (рис. 1) в отсутствие ОС
(28)
(29)
(30)
(31)
- граничная частота коэффициента передачи тока в схеме с ОЭ.Значение fгр может быть найдено через справочные материалы. Коэффициент гармоник для каскада с ОЭ (рис. 1) при наличии местной ОС в схеме (Rэ≠0, F>1)
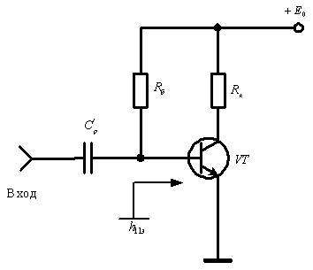
(32)Нестабильность положения точки покоя одиночного каскада с ОЭ.
Для каскада с ОЭ при цепи питания с фиксированным током смещения базы, т. е. при Iб = const (рис. 7) и Rб >> h11э
(33)
(34)
(35)
– изменение температуры окружающей среды.
Рис.7. Цепь смещения с фиксированным током базы
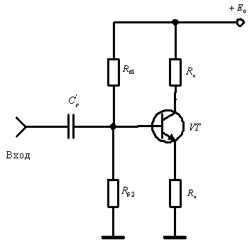
Нестабильность положения точки покоя у каскада с эмиттерной стабилизацией (рис. 8, рис. 1)
(36)
(37)
Рис.8. Цепь смещения с фиксированным напряжением на базе
При отсутствии эмиттерной стабилизации (Rэ = 0) в схеме рис. 8 из формул (4) и (36) следует, что F = 1 и
(38)
(39)2. Искажения сигналов в приемных устройствах
В силу неидеальности активных и пассивных элементов устройств приема и обработки сигналов (в первую очередь их нелинейности) могут возникать следующие типы искажений:
- линейные
- по основному каналу – при приеме помехи на частоте основного канала;
- по соседнему каналу – при приеме помехи с частотой близкой к частоте основного канала;
- по зеркальному каналу – при приеме помехи с частотой зеркального канала;
- по прямому каналу – при приеме помехи с частотой равной промежуточной частоте;
- по дополнительным каналам;
- нелинейные
- блокирование - при сдвиге рабочей точки усилительного (преобразовательного) прибора в область насыщения либо отсечки мощным помеховым сигналом, что делает невозможным прохождение полезного сигнала на выход каскада;
- перекрестная модуляция - при модуляции параметров полезного сигнала под воздействием помехового;
- интермодуляция - при прохождении на выход каскада нелинейных продуктов двух и более помех на частоте основного канала;
- нелинейно-параметрические
- обратное преобразование шумов гетеродина
Все эти виды помех определяются нелинейным характером зависимости выходного воздействия от входного и при воздействии в комплексе в большинстве случаев делают невозможным прием полезного сигнала.
3. Повышение линейности усилительных трактов
Как уже отмечалось, в наиболее тяжелой помеховой обстановке работают устройства приема и обработки сообщений, передаваемых как по радиоканалу (наиболее сложный случай), так и по другим типам каналов. Поэтому, качественные показатели системы в первую очередь зависят от линейности тракта обработки. Особенно важной задачей является линеаризация высокочувствительных маломощных входных каскадов приемных устройств. Существуют несколько путей решения этой проблемы (рис. 9).

Рис.9. Методы повышения линейности усилителей
Повышенная линейность ПХ.
Использование малошумящих усилительных приборов (УП) с большим диапазоном линейности ПХ, например, мощных СВЧ транзисторов, позволило в начале 70-х гг. значительно расширить ДД устройств в широком диапазоне частот. УП в каскадах с большим ДД должен обладать предельно малыми собственными шумами, большей перегрузочной способностью по мощности (напряжению для УП с высокоомным входным импедансом) и работать с предельно малым усилением. Этим требованиям удовлетворяют мощные полевые и биполярные транзисторы с граничными частотами в области дециметровых волн и диапазона СВЧ, например, КТ920, КТ939, КП905, КП907 и т.п.
Оптимизация сопротивлений источника сигнала и нагрузки, схемы включения УП, а также оптимизация режима его работы по постоянному току должны осуществляться в условиях обязательного контроля ряда характеристик усилителя. Это обусловлено фактом, что максимум ДД УП не всегда соответствует минимуму коэффициента шума и определенных видов нелинейных искажений.
Линейная отрицательная обратная связь.
Использование линейной отрицательной обратной связи (ЛООС) в целом повышает линейность усилительного тракта (рис. 10).

Рис.10. Структурная схема усилителя с ЛООС
Однако одновременно с этим цепь ЛООС порождает взаимодействие нелинейных продуктов различных порядков и сигнала, что усложняет расчеты и в некоторых случаях приводит к неожиданным результатам. Например, известно, что с увеличением глубины ЛООС по току в усилителе на полевом транзисторе в некоторых пределах нелинейные искажения 3-го порядка возрастают, хотя искажения 2-го порядка уменьшаются.
Использование традиционных видов ЛООС (параллельной по напряжению и последовательной по току) должно обязательно учитывать влияние глубины ЛООС как на нелинейные искажения, так и на шумы каскада.
Параллельная ЛООС имеет следующие свойства:
- в области практически реализуемых величин параметра ЛООС
, где GOC - проводимость цепи связи, коэффициент шума N практически не ухудшается; - введение ЛООС дает выигрыш в ДД, величина которого возрастает при уменьшении GГ.
Анализ последовательной ЛООС показывает:
- в целом более эффективна, чем параллельная ЛООС;
- ее введение уменьшает чувствительность усилителя;
- эффективность выше при использовании мощных транзисторов.
Использование специальных видов ЛООС.
Так называемая “бесшумная” ЛООС или ЛООС “без потерь” предназначена для расширения ДД без заметного увеличения уровня шумов усилителя, что характерно для традиционных резистивных ЛООС. Однако резистивные цепи приводят к потерям мощности полезного сигнала и вследствие этого – к снижению коэффициента усиления.
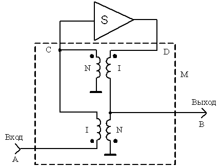
Использование реактивной цепи ЛООС, например, высокочастотного трансформатора исключает появление дополнительных шумов и дает возможность осуществить оптимальное двустороннее согласование с источником сигнала. Одна из схем с “бесшумной” ЛООС приведена на рис. 11.

Рис.11. Схема усилителя с “бесшумной” ЛООС
Схема содержит инвертирующий усилитель S и ответвитель M, благодаря которому достигается при введение ЛООС. Так как ответвитель в рабочей полосе частот практически не вносит потерь, то вся мощность, ответвляющаяся в точке D, предается на выход, т. е. в точку В. Кроме того, вся входная мощность, полученная в точке А, также передается в точке В. В качестве инвертирующего каскада можно использовать усилитель в схеме с ОЭ.
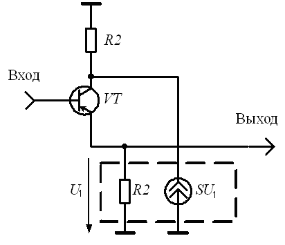
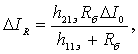
Следящая ЛООС в цепи коллектора транзистора (рис. 12) предназначается для уменьшения входной емкости и расширения частотного диапазона усилителя.

Рис.12. Схема усилителя со следящей ЛООС в цепи коллектора
Входная емкость усилителя для этой схемы определяется выражением
(40)- для получения малых нелинейных искажений следует обеспечивать К ≈ 1;
- при выполнении первого условия нелинейные искажения слабо зависят от коэффициента передачи цепи обратной связи.
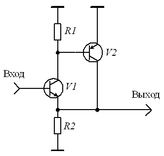
Цепь ОС обычно выполняют в виде эмиттерного повторителя. Расчеты показывают, что при увеличении сопротивления нагрузки переменному току для транзистора VT1 (рис. 12) происходит уменьшение нелинейных искажений. С этой целью вместо R1 следует включить двухполюсную динамическую нагрузку (рис. 13). В данной схеме увеличение коллекторного тока I2 транзистора VT2 приводит к уменьшению KГ3 и ΔKГ3 , но несколько увеличивает KГ2.

Рис.13. Схема усилителя с динамической нагрузкой
Для схемы усилителя со следящей ЛООС в цепи эмиттера (рис. 14) характерно наличие глубокого минимума KГ2 при изменении коллекторного тока транзистора VT2.

Рис.14. Усилитель со “следящей” ЛООС в цепи эмиттера
Усилитель с “плавающим питанием” (рис. 15) эффективно уменьшает нелинейные искажения, но имеет относительно узкий частотный диапазон.

Рис.15. Усилитель с “плавающим питанием”
Структурный метод линеаризации усилительных трактов.
Содержанием структурного метода синтеза цепей по критериям нелинейности являются:
- определение структуры цепей, которые удовлетворяют малым искажениям, обусловленным отдельными нелинейными элементами и их соединениями;
- нахождение связей критериев нелинейности с характеристиками ветвей выбранной структуры;
- установление оптимальных соотношений между элементами структуры.
Окончательно структуру и характеристики ветвей выбирают с учетом других показателей качества (коэффициента усиления, устойчивости, сложности реализации структуры и т. д.).
Поиск структур радиотракта, удовлетворяющих заданным показателям качества в общем случае, как известно, представляет значительные трудности, вследствие чего этот этап проектирования РЭА до настоящего времени не алгоритмизирован, за исключением некоторых частных случаев. Поэтому при разработке усилительных трактов с малыми нелинейными искажениями поиск наиболее выгодных структур практически осуществляется на основании накопленного опыта, например, путем использования структур с ОС, двухтактных схем и т. д. Однако в настоящее время структуры усилительно-преобразовательных устройств, в особенности в интегральном исполнении, существенно усложнились: они могут содержать большое количество активных нелинейных по своей природе компонентов, несколько цепей ОС (местных и общих) и прямого прохождения сигнала со входа на выход и т. д. Это в свою очередь ставит задачу создания общих подходов к поиску структур трактов, удовлетворяющих требованию малых нелинейных искажений.
Учеными предложены достаточно общие методы структурного синтеза высоколинейных трактов на основе теории чувствительности, аппарата функциональных рядов Вольтерра и направленных сигнальных графов.
Теория чувствительности широко используется для исследования линейных свойств усилительных трактов. Можно, однако, предположить, что уменьшение влияния вариации параметров одного или нескольких звеньев усилительного тракта на его линейную передачу будет способствовать также уменьшению вклада нелинейных искажений этих звеньев в выходной эффект.
Современная радиоэлектронная аппаратура имеет тенденцию к значительному усложнению и использует весьма сложные компоненты в виде интегральных микросхем большой степени интеграции и сложных соединений дискретных элементов. Поэтому к технике приема и обработки информационных сообщений предъявляются жесткие требования, в первую очередь - требования к линейности.
Как правило усилительный или преобразовательный тракт какой-либо радиотехнической системы - есть сложная структура, содержащая кроме функциональных компонентов, различные виды обратных связей, параллельные каналы, цепи компенсации и т. д. При этом улучшение электрических характеристик трактов может достигаться двумя путями:
- за счет повышения качества составляющих тракт звеньев (каскадов);
- за счет улучшения структурных свойств собственно тракта, что обеспечивается оптимизацией способов соединения усилительных и пассивных звеньев между собой.
Описанные в работе подходы к линеаризации позволяют реализовать принципы, не нашедшие применения в технике, ранее ориентированной на простые и малоэффективные структурные и схемные решения.
Источники
- Богданович Б. М., Окулич Н. И. Радиоприемные устройства. – Мн.: Вышэйшая школа, 1991. – 428 с.
- Богданович Б. М., Бачило Л. С. Проектирование усилительных устройств. – Мн.: Вышэйшая школа, 1985. – 238 с.
- Богданович Б. М. Радиоприемные устройства с большим динамическим диапазоном. – М.: Радио и связь, 1984. – 176 с.
- Мурадян А. Г., Разумихин В. М. и др. Усилительные устройства. – М.: Связь, 1976. – 280 с.
- Грибов Э. Б. Нелинейные явления в приемо-передающем тракте аппаратуры связи на транзисторах. – М.: Связь, 1971. – 247 с.
- Алексеев А. Г., Войшвилло Г. В., Трискало И. А. Усилительные устройства: Сб. задач и упражнений. – М.: Радио и связь, 1986. – 160 с.
- Шкритек П. Справочное руководство по звуковой схемотехнике. – М.: Мир, 1991. – 446 с.
Автор:dvv
В.В. Дубровский
г. Минск, Беларусь
