Российская фирма Телесистемы разработала и начала выпуск звукового модуля, предназначенного для воспроизведения звуковых фрагментов (сообщений) согласно программе пользователя. Рассмотрим устройство и основные характеристики звукового модуля.
Общая характеристика звукового модуля
Для работы с модулем используются карточки Smart media, с которых производится чтение звуковой информации, а также управляющей программы (скрипта). Управляющая программа (скрипт), поставляемая в комплекте с модулем, позволяет установить условия воспроизведения отдельных звуковых сообщений и настроить порядок, условия, и частоту их проигрывания. Скрипт и звуковые сообщения (до 8 штук) записываются на SM-карточку из компьютера посредством кардридера (стандартного адаптера для записи SM карт).
Модуль пригодится там, где необходимо периодическое оглашение некой звуковой информации: например, в помещении магазина, где необходимо информировать покупателей о новых поступлениях на прилавки или новых акциях, проводимых магазином. Или же на станции маршрутного транспорта, где необходимо периодически сообщать одну и ту же информацию о маршрутах и последние данные метеорологической сводки. Идеально подойдёт модуль также на любой выставке, для воспроизведения информации о фирме и любой другой дополнительной информации для потенциальных клиентов. По большому счёту модуль полезен везде, где нужно периодически информировать о чём-либо людей, покупателей, посетителей, сотрудников.
До сих пор с этой задачей успешно справлялась архаичная техника на магнитных носителях, но её использование требовало постоянного внимания со стороны человека, который её включал/выключал, перематывал и переворачивал кассету, и т.п. Модуль же является порождением цифровой электроники, лишённой вышеозначенных недостатков. Прежде всего, именно интеллектуальность, самостоятельность модуля отличает его от всех аналогичных систем, и наряду с гибкой системой питания (от сети или от элемента питания) делает модуль действительно автономным устройством, не требующим постоянного внимания со стороны человека.
Также стоит отметить, что модуль выпускается в безкорпусном варианте, что резко повышает вероятность успеха в его интеграции (встраивании) в какую-либо электронику, например, в игрушки или в бытовую аудиотехнику, с целью создания на её базе миниатюрной голосовой справочной системы.
Звуковые фрагменты (количество до 8) и скрипт хранятся в Smart Media карточке. Скрипт описывает логику воспроизведения фрагментов, по каким управляющим входам, при каких условиях и в каком порядке фрагменты будут воспроизводиться.
![]() |
| Рис. 1. Карта памяти SmartMedia |
Стандарт SmartMedia разработан и продвигается с 1996 г. альянсом SSFDC Forum (Solid State Floppy Disk Card). Это маленькое и легкое устройство хранения данных (рис. 1). SmartMedia - карточка памяти, выполненная на основе полупроводников. Ее размер: 45.1x37x0.76 мм, вес 2 грамма. Энергопотребление - 3,3 и 5 вольт. Соединение 22 pin.
По сравнению с другими картами памяти, структура SmartMedia достаточно проста - она имеет только носитель информации на основе встроенных чипов Nand типа, и контактную позолоченную панель, и таким образом менее дорогостоящая в производстве.
К недостаткам Smart Media можно отнести низкую скорость чтения/записи, незащищенность от внешних воздействий, небольшой ресурс работы и отсутствие единого формата хранения данных, так что карта, отформатированная на одном устройстве может не читаться на другом.
Запись скрипта производится в стандартном адаптере записи (карт-ридере) специальной программой. Звук воспроизводится встроенным усилителем низкой частоты (0,5Вт или 10Вт в зависимости от исполнения) через внешний подключаемый динамик. Для внешнего усилителя предусмотрен стандартный линейный выход.
Модуль контролирует напряжение питания и в зависимости от соответствующего параметра скрипта переходит в дежурный режим, если питание недостаточно высокое. Эта функция полезна при использовании автономного, батарейного питания.
Управляющие входы защищены резисторами и имеют защиту от перенапряжения. В паузах воспроизведения и дежурном режиме УНЧ отключаются.
Технические характеристики звукового модуля
| ПАРАМЕТР | ЗНАЧЕНИЕ | ЕДИНИЦЫ |
|---|---|---|
| Полоса воспроизводимых часот | 200-7000 | Гц |
| Частота дискретизации | 16000 | |
| Метод сжатия | uLAW | |
Продолжительность записи при емкости карточки
| 136 68 34 17 | Минуты |
| Объем поддерживаемой памяти SM Card | 16-128 | МБ |
Потребляемый ток без УНЧ (с УНЧ зависит от выходной мощности)
| 4,0 450 400 | мА мкА мкА |
Напряжение питания
| 3,6-12 9-12 | Вольт |
| Выходная мощность (см. таблицы мощностей) | 0,5-10 | Ватт |
| Габаритные размеры (без радиатора УНЧ) | 53x56x15 | Мм |
| Максимально допустимое напряжение на упр. входах | 12 | Вольт |
| Количество входов управления | 8 | шт |
Модуль выпускается в бескорпусном варианте (рис. 2) в двух модификациях с выходной мощностью 500 мВт (VM3-SM-0,5) и 10 Вт (VM3-SM-10).

Рис. 2. Внешний вид звукового модуля
Таблица возможных выходных мощностей и напряжений питания VM3-SM-0,5
| Нагрузка, Ом | Напряжение питания, В | Выходная мощность, мВт | Максимальное сопротивление регулятора громкости, кОм |
|---|---|---|---|
| 8 | 4 | 50 | 0,5 |
| 16 | 6 | 150 | 1 |
| 32 | 8 | 330 | 2 |
| 100 | 12 | 500 | 10 |
Таблица возможных выходных мощностей и напряжений питания VM3-SM-10
| Нагрузка,ОМ | Напряжение питания,В | Выходная мощность, Вт |
|---|---|---|
| 4-8 | 9-12 | 5-10 |
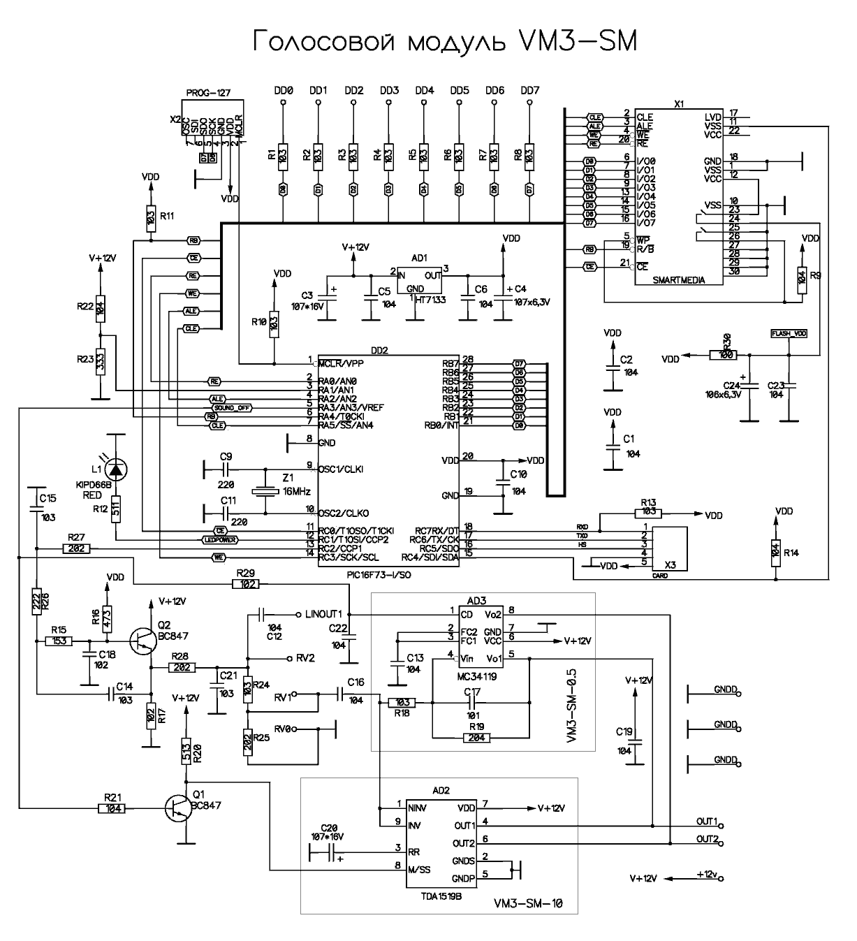
Принципиальная схема. Входы и выходы модуля
На рис. 3 представлено схематическое изображение звукового модуля с обозначением выводов.

Рис.3. Обозначение выводов звукового модуля
| НАЗВАНИЕ | НАЗНАЧЕНИЕ |
|---|---|
| GNDD | Силовая земля. Подключается:
|
| + 12V | Положительный контакт питания |
| 0UT1 | Выход УНЧ, контакт для подключения динамика |
| 0UT2 | Выход УНЧ, контакт для подключения динамика |
| D0-D7 | Управляющие входы. Подача на вход напряжения высокого уровня , равного напряжению питания, включает воспроизведение фрагмента по скрипту. Неза-действованные управляющие входы следует подключить к сигналу GNDD |
| RvO | Нижняя точка подключения переменного резистора регулятора громкости |
| Rv1 | Верхняя и средняя (движок) точка подключения переменного резистора |
| LINOUT | Линейный выход для внешнего УНЧ. Амплитуда фиксирована. |
| RXD | Служебный - не подключать |
| TXD | Служебный - не подключать |
| HS | Служебный - не подключать |
| +3.3v | Служебный - не подключать |
| GND | Служебный - не подключать |
Принципиальная электрическая схема модуля приведена на рис. 4 (для увеличения схемы в отдельном окне, кликните по ней).
Рис. 4. Принципиальная электрическая схема звукового модуля
На SmartMedia карту при помощи программы CW.EXE записываются медиафайлы. Запись идёт в карт-ридере (в специальном устройстве).
Схема питается постоянным напряжением 12 В. Однако, DD2 и SmartMedia питаются от стабилизированного микросхемой AD1 напряжения - 3,3 В. Транзистор Q1 - ключ, который включает или выключает AD2 (усилитель звука). AD2 - включается только когда идёт воспроизведение через внешний динамик. AD3 - тоже УЗЧ, только более маломощный. На транзисторе Q2 - собран НЧ - фильтр.
В зависимости от управляющего сигнала от PICа на SmartMedia, с неё будет выдан тот или иной файл (D0...D7), который поступит на PIC. Там он декодируется и на вход ФНЧ будет подан звуковой файл в виде ШИМ, после прохождения фильтра звук поступит на УЗЧ (на оба сразу) и в зависимости от того, какой из них будет подключен на выход.
Работа со звуковым модулем
Для работы с модулем необходимы программы Wav2Law.exe и CW.exe. Wav2Law.exe преобразует файлы wav формата 16бит, 16кГц, моно в 10 бит, 16кГц, моно uLaw сжатия. CW.exe загружает файлы в карточку посредством стандартного адаптера Smart Media карт. Требования к компьютеру: операционная система Windows XP и подключенный адаптер Smart Media карт.
Новую карточку, с которой еще ни разу не работали, модуль обнаружит и отформатирует (сотрет) ее на низком уровне своими средствами. Cкрипт записывается программой CW.exe.
Операция форматирования новой карточки однократная, требуется единожды за все время работы с карточкой. После нее карточка может быть отформатирована Windows и быть использована в обычном порядке. Операция постформатирования требуется каждый раз, когда записан новый скрипт. Если она прошла хотя бы в одном модуле, то при использовании в другом она не требуется и не будет происходить. Постформатирование - это разметка карточки адресами музыкальных фрагментов в служебной области, операция может длиться до нескольких минут, это зависит не только от размера и объема записанной информации, но и от расположения информации в карточке.
Модуль воспроизводит звуковые фрагменты в соответствие с написанным скриптом. При подаче на модуль напряжения питания модуль проверяет наличие и состояние карточки и переходит в дежурный режим; при появлении управления на заданном входе переходит в активный режим и выполняет скрипт. В зависимости от режима в качестве органов управления можно использовать либо тумблеры, либо кнопки.
Входы RVO, RV1 предназначены для подключения переменного резистора 10 кОм (или иного, указанного в таблице мощностей и напряжений питания), определяющего громкость воспроизведения фрагментов. К RV1 подсоединяется средняя точка (ползунок) и один из крайних выводов резистора. К RV0 подсоединяется другой крайний вывод резистора. Громкость воспроизводимого звукового фрагмента также зависит от уровня громкости записанного звукового файла.
Описание скрипт-файла
Скрипт-файл представляет собой текстовый файл с расширением sc, например test.sc.
Структура файла имеет вид:
<>;
B=100;
M=255;
<7>;
F=test.ulaw;
t=1;
T=120;
P=10;
U=0;
<0>;
F=test1.ulaw;
t=1;
T=120;
P=16;
U=1;
где
<> - номер контакта, пустое поле означает параметры для всего устройства;
В=100 - минимальное напряжение на батарее, при котором прибор переходит в дежурный режим, устанавливается в сотнях милливольт. Т.е. 100 означает 10 вольт, 65-6,5вольт;
М=255 - маска активных входов. Десятичное отображение восьмиразрядного двоичного кода (255=11111111), каждый разряд которого определяет состояние соответствующего входа DD7-DD01, 1 означает, что вход активный, 0 неактивный и управление по нему игнорируется. Приоритет имеет тот вход, управление по которому пришло первым. Т.е. пока не снято управляющее воздействие (или не закончится скрипт в случае триггерного режима управления), следующий управляющий сигнал будет игнорироваться;
<7> - управление по входу DD7;
F=test.ulaw - имя файла, который будет воспроизводиться при высоком уровне на этом входе;
t=1 - пауза перед началом воспроизведения, в секундах;
Т=120 - время воспроизведения, включая паузы между повторами, в секундах;
Р=10 - пауза в повторах воспроизведения, в секундах;
U=0 - если 0, то разрешено триггерное управление. Т.е. даже если управление со входа снято, то воспроизведение продолжается. Если 1, воспроизведение прекращается, как только снимается 1 с управляющего входа. Все символы обязательны. Все цифры десятичные, максимальное число 65535. Все звуковые файлы должны быть в том же каталоге, что и скрипт-файл. Все одинаковые звуковые файлы занимают одно место, т.е. пишутся 1 раз, а не несколько.
Допускается наличие только одного скрипт-файла в карточке. Программа CW.exe сама обрабатывает ошибки и выдает соответствующие сообщения. Если есть ошибка в скрипте, карточка не записывается.
Заключение
Данное устройиство будет интересно оригинальностью идеи, неожиданным применением SmartMedia карт памяти, удобством интеграции с другими устройствами, программированием очередности воспроизведения звуковых сообщений. Однако, сложно судить, смогут эти модули ли когда-либо в нашей стране, где повсеместно используется "архаичная" техника на магнитных носителях, полностью вытеснить эту "архаичную" технику. Возможно проще и менее накладно усовершенствовать данную технику электронными устройствами управления. Ну а в современной технике, конечно неизбежно применение устройств данного типа.
Информация официально представлена фирмой Телесистемы.
Автор: Абражевич Руслан,
г. Минск, Беларусь


