- Условные и сокращенные обозначения
- Основные понятия и их определения
- Классификация каналов телевидения по частоте
- Технические характеристики телевизионных антенн
- Согласование телевизионных антенн с фидером
- Нормированные значения внешних воздействующих нагрузок
Мастера-радиолюбители смогут квалифицированно выбрать, изготовить и установить ту телеантенну, которая точно соответствует географическому месту расположения дома, где действует оптимальный уровень электромагнитного сигнала.
С целью лучшего использования приведенного в справочнике информационного материала рассмотрим последовательно общие для всех телеантенн сведения, требования и нормы.
Условные и сокращенные обозначения
- А — электрический ток (сила электрического тока)
- AL — коэффициент индуктивности
- В — магнитная индукция
- С — индуктивность
- с — скорость распространения волны
- D — коэффициент направленного действия передающей антенны
- е — диэлектрическая проницаемость
- Е — напряженность поля в месте приема
- f — частота
- Н — напряженность магнитного поля
- L — индуктивность
- P — мощность, излучаемая антенной
- Т — период колебания волны
- Unp — напряжение на входе приемного устройства
- в — показатель затухания кабеля
- g — коэффициент усиления антенны по напряжению
- np — коэффициент полезного действия
- W — волновое сопротивление
- К — коэффициент бегущей волны
- Ra — входное сопротивление антенны
- lдл — длина несущей волны
- а — коэффициент затухания
- Ј — коэффициент согласования антенны с фидером
- U — напряжение электрическое
- R — полное сопротивление
Конструктивные размеры
- D —наружный диаметр
- dt —внутренний диаметр трубки
- d —диаметр провода
- Н —высота антенны
- hg — действующая высота антенны
- R — расстояние прямой видимости
- n — число жил в кабеле
- S — расстояние между трубками (вибраторами)
- l — длина вибраторов
- t — расстояние между проводниками
Сокращенные обозначения
- AM — амплитудная модуляция
- РУ — автоматическая регулировка усиления
- АСС — аппаратура средств связи
- ЛТК — антенна телевизионная комнатная
- АЧХ — амплитудно-частотная характеристика
- БП — блок питания
- ВЧ — высокая частота
- ГВЧ — генератор высокой частоты
- 3Ч — звуковая частота
- КБВ — коэффициент бегущей волны
- КЗД — коэффициент защитного действия
- КНД — коэффициент направленного действия
- КПД — коэффициент полезного действия
- ПЧ — промежуточная частота
- РЭА — радиэлектронная аппаратура
- СИП — стабилизированный источник питания
- ТА — телевизионная антенна
- ТАКП — телевизионная антенна коллективного поль зования
- ТЦ — телевизионный центр
- УПЧЗ — усилитель промежуточной частоты звука
- УПЧИ— усилитель, промежуточной частоты изображения
- УСС — симметрирующе-согласующее устройство
- УЭИТ — универсальная электрическая испытательная таблица
- ХИТ — химический источник тока
- ЧМ — частотная модуляция
- ЭДС — электродвижущая сила
- ЭРИ — электрорадиоизделие
- ЭРЭ — электрорадиоэлемент
Основные понятия и их определения
Приведенные ниже термины и определения упрощают понимание всего информационного материала, касающегося телевизионных антенн.
Классификация каналов телевидения по частоте
Важное значение в вопросах организации телевизионной сети в стране на выделенных частотах имеет принятая классификация видов радиоволн и их границ, видов радиочастот и каналов телевещания.
Передача радио- и телепрограмм осуществляется по каналам связи с помощью радиоволн, распространяющихся в пространстве со скоростью света. Радиоволны, на которых ведутся передачи, составляют спектр электромагнитных колебаний. В настоящее время этот спектр условно делится на несколько диапазонов.
В табл. 1 указываются виды радиоволн и их границы по длине. Как следует из таблицы, границы по длине волн условно разделены по десятичному признаку.
В табл. 2 приводятся виды радиочастот и их условные границы.
Таблица 1
| Виды волн | Границы по длине волн |
|---|---|
| Мириаметровые | 10-100 км |
| Километровые | 1-10 км |
| Гектометровые | 100-1000 м |
| Декаметровые | 10-100 м |
| Метровые | 1-10 м |
| Дециметровые | 10-100 см |
| Сантиметровые | 1-10 см |
| Миллиметровые | 1-10 мм |
| Децимиллиметровые | 0,1-1 мм |
Таблица 2
| Виды частот | Границы по частоте волн |
|---|---|
| Очень низкие(ОНЧ) | 3-30 кГц |
| Низкие(НЧ) | 30-300 кГц |
| Средние(СЧ) | 300-3000 кГц |
| Высокие(ВЧ) | 3-30 МГц |
| Очень высокие(ОВЧ) | 30-300 МГц |
| Ультравысокие(УВЧ) | 300-3000 МГц |
| Сверхвысокие(СВЧ) | 3-30 ГГц |
| Крайне высокие(КВЧ) | 30-300 ГГц |
| Гипервысокие(ГВЧ) | 300-3000 ГГц |
В табл. 3 представлены диапазоны радиоволн и частота их колебании, принятые Международным консультативным комитетом радиосвязи.
Для передачи сигналов телеизображения и звукового сопровождения используются определенные полосы частот УКВ-диапазона от 48,5 до 958 МГц, в котором работают все каналы: с 1-го по 64-й.
В табл. 4 приведены частотные каналы телевещания метрового диапазона, на которых передаются первые 12 каналов.
Таблица 3
| Частотный диапазон волн | Длина волны в воздухе | Частота колебаний |
|---|---|---|
| Сверхдлинные(СДВ) | Более 10000 м | Менее 30 кГц |
| Длинные(ДВ) | 1000-10000 м | 30-300кГц |
| Средние(СВ) | 100-1000 м | 300-3000 кГц |
| Короткие(КВ) | 10-100 м | 3-30 МГц |
| Ультракороткие(УКВ): | ||
| Метровые | 1-10 м | 30-300 МГц |
| Дециметровые | 1-10 дм | 300-3000 МГц |
| Сантиметровые | 1-10 см | 3-30 ГГц |
| Миллиметровые | 1-10 мм | 30-300 ГГц |
| Субмиллиметровые | 0,1-1 мм | 300-3000 ГГц |
Таблица 4
| Каналы | Полоса частот, МГц | Несущая частота изображения | Несущая частота звука | ||
|---|---|---|---|---|---|
| f,МГц | l,м | f,МГц | l,м | ||
| 1 | 48,5-56,5 | 49,75 | 6,03 | 56,25 | 5,33 |
| 2 | 58,0-66,0 | 59,25 | 5,06 | 65,75 | 4,56 |
| 3 | 76,0-84,0 | 77,25 | 3,88 | 83,75 | 3,58 |
| 4 | 84,0-92,0 | 85,25 | 3,52 | 91,75 | 3,27 |
| 5 | 92,0-100,0 | 93,25 | 3,22 | 99,75 | 3,01 |
| 6 | 174,4-182,0 | 175,25 | 1,71 | 181,75 | 1,65 |
| 7 | 182,0-190,0 | 183,25 | 1,64 | 189,75 | 1,58 |
| 8 | 190,0-198,0 | 191,25 | 1,57 | 197,75 | 1,52 |
| 9 | 198,0-206,0 | 199,25 | 1,51 | 205,75 | 1,46 |
| 10 | 206,0-214,0 | 207,25 | 1,45 | 213,75 | 1,41 |
| 11 | 214,0-222,0 | 215,25 | 1,40 | 221,75 | 1,36 |
| 12 | 222,0-230,0 | 223,25 | 1,35 | 229,75 | 1,31 |
В табл. 5 даются частотные каналы телевещания дециметрового диапазона, на которых транслируются 19 программ (от 21-го канала до 76-го). Название дециметрового диапазона принято вследствие того, что длина волны любого из этих каналов меньше 1 м. Каждый канал занимает полосу частот, равную 8 МГц. Разнос между несущими частотами сигналов изображения и звукового сопровождения составляет 6,5 МГц.
Таблица 5
| Каналы | Полоса частот, МГц | Несущая частота изображения, МГц | Длина волны изображения, м | Несущая частота звука, МГц | Длина волны звука, м |
|---|---|---|---|---|---|
| 21 | 470-478 | 471,25 | 0,636 | 477,75 | 0,627 |
| 22 | 478-486 | 479,25 | 0,626 | 485,75 | 0,616 |
| 23 | 486-494 | 487,25 | 0,615 | 493,75 | 0,607 |
| 24 | 494-502 | 495,25 | 0,605 | 501,75 | 0,597 |
| 25 | 502-510 | 503,25 | 0,596 | 509,75 | 0,588 |
| 26 | 510-518 | 511,25 | 0,586 | 517,75 | 0,579 |
| 27 | 518-526 | 519,25 | 0,577 | 525,75 | 0,570 |
| 28 | 526-534 | 527,25 | 0,569 | 533,75 | 0,562 |
| 29 | 534-542 | 535,25 | 0,560 | 541,75 | 0,553 |
| 30 | 542-550 | 543,25 | 0,552 | 549,75 | 0,550 |
| 31 | 550-558 | 551,25 | 0,544 | 557,75 | 0,537 |
| 32 | 558-566 | 559,25 | 0,536 | 565,75 | 0,535 |
| 33 | 566-574 | 567,25 | 0,528 | 573,75 | 0,522 |
| 34 | 574-582 | 575,25 | 0,521 | 581,75 | 0,515 |
| 35 | 582-590 | 583,25 | 0,514 | 589,75 | 0,508 |
| 36 | 590-598 | 591,25 | 0,507 | 597,75 | 0,501 |
| 37 | 598-606 | 599,25 | 0,500 | 605,75 | 0,495 |
| 38 | 606-614 | 607,25 | 0,494 | 613,75 | 0,488 |
| 39 | 614-622 | 615,25 | 0,487 | 621,75 | 0,482 |
| 40 | 622-630 | 623,25 | 0,480 | 629,75 | 0,476 |
| 41 | 630-638 | 631,25 | 0,475 | 637,75 | 0,470 |
| 42 | 638-646 | 639,25 | 0,469 | 645,75 | 0,464 |
| 43 | 646-654 | 647,25 | 0,463 | 653,75 | 0,459 |
| 44 | 654-662 | 655,25 | 0,457 | 661,75 | 0,453 |
| 45 | 662-670 | 663,25 | 0,452 | 669,75 | 0,447 |
| 46 | 670-678 | 671,25 | 0,446 | 677,75 | 0,442 |
| 47 | 678-686 | 679,25 | 0,441 | 685,75 | 0,437 |
| 48 | 686-694 | 687,25 | 0,436 | 693,75 | 0,432 |
| 49 | 694-702 | 695,25 | 0,310 | 701,75 | 0,427 |
| 50 | 702-710 | 703,25 | 0,426 | 709,75 | 0,422 |
| 51 | 710-718 | 711,25 | 0,421 | 717,75 | 0,417 |
| 52 | 718-726 | 719,25 | 0,417 | 725,75 | 0,413 |
| 53 | 726-734 | 727,25 | 0,412 | 733,75 | 0,408 |
| 54 | 734-742 | 735,25 | 0,408 | 741,75 | 0,404 |
| 55 | 742-750 | 743,25 | 0,403 | 749,75 | 0,400 |
| 56 | 750-758 | 751,25 | 0,399 | 757,75 | 0,395 |
| 57 | 758-766 | 759,25 | 0,395 | 765,75 | 0,391 |
| 58 | 766-774 | 767,25 | 0,391 | 773,75 | 0,387 |
| 59 | 774-782 | 775,25 | 0,386 | 781,75 | 0,383 |
| 60 | 782-790 | 783,25 | 0,383 | 789,75 | 0,379 |
| 61 | 790-798 | 791,25 | 0,379 | 797,75 | 0,376 |
| 62 | 798-806 | 799,25 | 0,375 | 805,75 | 0,372 |
| 63 | 806-814 | 807,25 | 0,371 | 813,75 | 0,368 |
| 64 | 814-822 | 815,25 | 0,367 | 821,75 | 0,365 |
| 65 | 822-830 | 823,25 | 0,364 | 829,75 | 0,361 |
| 66 | 830-838 | 831,25 | 0,360 | 837,75 | 0,358 |
| 67 | 838-846 | 839,25 | 0,357 | 845,75 | 0,354 |
| 68 | 846-854 | 847,25 | 0,354 | 853,75 | 0,351 |
| 69 | 854-862 | 855,25 | 0,350 | 861,75 | 0,348 |
| 70 | 862-870 | 863,25 | 0,347 | 869,75 | 0,344 |
| 71 | 870-878 | 871,25 | 0,344 | 877,25 | 0,341 |
| 72 | 878-886 | 879,25 | 0,341 | 885,75 | 0,338 |
| 73 | 886-894 | 887,25 | 0,338 | 893,75 | 0,335 |
| 74 | 894-902 | 895,25 | 0,335 | 901,75 | 0,332 |
| 75 | 902-910 | 903,25 | 0,332 | 909,75 | 0,329 |
| 76 | 910-918 | 911,25 | 0,329 | 917,75 | 0,326 |
Технические характеристики телевизионных антенн
Выбор необходимой конструкции ТА для своего загородного дома радиолюбитель может произвести с большой степенью точности на основании анализа или расчета технических характеристик и главных параметров различных типов антенн с учетом влияния внешних климатических и механических нагрузок, действующих в данной местности.
К таким нагрузкам относятся:
- температура окружающей среды,
- относительная влажность воздуха,
- ветровые нагрузки,
- налипание мокрого снега,
- оледенение.
Контрастность и четкость изображения на телеэкране и качество звукового сопровождения целиком зависят от двух взаимосвязанных факторов: от модели телевизора и от приемной ТА.
Поочередно рассмотрим основные параметры и характеристики ТА: диаграмму направленности, входное сопротивление, КБВ, коэффициент усиления, кпд, действующую длину (высоту) антенны и ширину полосы пропускания.
Диаграмма направленности антенны показывает зависимость ЭДС на зажимах антенны от направления прихода сигнала. Наводимая в антенне ЭДС зависит не только от мощности приходящей в точку приема волны, но и от направления ее прихода, т. е. антенна обладает направленными свойствами. Хорошее представление о направленных свойствах антенны дает ее пространственная диаграмма, развернутая на 360 °. Если сигнал от ТЦ приходит перпендикулярно вибратору, то развивается максимальная ЭДС. Если направление телесигнала совпадает с продольной осью вибратора, то ЭДС равна нулю. Во всех других промежуточных положениях, когда сигнал приходит под углом к основному вибратору антенны, ЭДС развивается от нуля до максимума.
Более полную картину направленности ТА можно получить, если построить диаграмму в прямоугольной или полярной системах координат в горизонтальной и вертикальной плоскостях. Однако для практических целей достаточное представление о направленных свойствах ТА даст диаграмма, выполненная в горизонтальной плоскости.
На рис. 1 изображена диаграмма направленности полуволнового линейного разрезного вибратора, приведенного на рис. 2. Для построения диаграммы направленности в полярной системе координат (рис. 1, а) берется точка 0, которая принимается за ось вибратора, из нее радиусом произвольной длины, но принятой за единицу и соответствующей максимальной ЭДС, описывается окружность или ее часть, а также под различными углами проводятся прямые линии, которые образуют сетку. На прямых линиях откладываются отрезки, величина которых соответствует напряженности поля, при повороте антенны на заданные углы в ту или другую сторону от нулевого направления. Максимальная величина сигнала обозначается Еmaх, которая на рисунке принята за единицу масштаба. Отрезки, откладываемые на прямых линиях, соответствуют значению отношения Е/Еmах. Линия, соединяющая концы этих отрезков, и является диаграммой направленности антенны. Как правило, в полярной системе координат диаграммы строятся в двух взаимно перпендикулярных плоскостях — горизонтальной и вертикальной. Для рассматриваемого полуволнового линейного разрезного вибратора в первом случае диаграмма имеет вид растянутой восьмерки, а во втором — форму круга. Правда, диаграмма в виде восьмерки получается только при теоретических расчетах, не учитывающих отражения УКВ от поверхности земли и сооружений. В реальных условиях диаграмма направленности антенны выглядит по-другому: у нее кроме главного лепестка имеются и боковые и задний. Самый большой лепесток, соответствующий нулевому направлению сигнала, при котором наводится максимальная ЭДС, называется главным, а все остальные — боковыми. При построении диаграммы максимальную ЭДС принимают за единицу.

Рис. 1
Диаграмма направленности полуволнового линейного разрезного вибратора:
а)-в горизонтальной плоскости; б)-в вертикальной плоскости.

Рис. 2
Полуволновые линейные вибраторы:
а)-разрезной; б)-неразрезной.
Диаграмма направленности зависит от конструкции антенны. На рис. 3 приведена диаграмма направленности антенны типа «волновой канал» в полярной системе координат. На рис. 4 — диаграмма направленности антенны типа «волновой канал» в прямоугольной системе координат. По параметрам главного и боковых лепестков можно сравнивать эти диаграммы между собой. По ширине основного лепестка можно оценивать антенну по направленным свойствам. Уровень помехозащищенности антенны зависит от параметров боковых и заднего лепестков. Одним из параметров является КЗД.

Рис. 3
Диаграмма направленности антенны типа «волновой канал» в полярной системе координат:
1-основной лепесток; 2-боковой лепесток; 3-задний лепесток.

Рис. 4
Диаграмма направленности антенны типа «волновой канал» в прямоугольной системе координат:
1-основной лепесток; 2-боковой лепесток; 3-задний лепесток
Угол раствора диаграммы (ширина) главного лепестка охватывает часть диаграммы этого лепестка, в пределах которой ЭДС в антенне уменьшается на величину, равную 20,5 по сравнению с максимальной (не ниже уровня 0,707 для нормированной диаграммы направленности антенны). Чем меньше ширина главного лепестка, тем больше направленность ТА. Чем меньше боковые и задний лепестки, тем слабее сказываются помехи при приеме программ. КЗД антенны определяется как отношение ЭДС, наводимой в антенне в направлении на ТЦ, к ЭДС, наводимой в ней при приеме обратной стороной: Кз = Еmах/Еобр. Требования к КЗД при приеме телесигналов на садовых участках, где обычно отсутствуют интенсивные отраженные волны, и качество изображения определяются величиной усиления антенно-фидорного устройства. Поэтому в загородной местности нет смысла применять сложные антенные комплексы, если дача расположена в пределах прямой видимости от ТЦ.
Таким образом, КНД — это величина, численно равная отношению мощностей на выходах направленной и ненаправленной антенн при приеме одного и того же источника излучения. Чем уже диаграмма направленности антенны, тем выше ее коэффициент направленного действия. КНД определяется по следующей достаточно простой эмпирической формуле:
где αе,αн-ширина диаграммы направленности в самом широком месте на уровне
0,707 Еmax в горизонтальной и вертикальной плоскостях соответственно;
Emax-максимальная напряженность электромагнитного поля в точках приема телевизионных программ.
КНД выражают также в логарифмических единицах (в децибеллах) по следующей формуле:

В тех местах, где может быть много отраженных волн, особенно вблизи больших городов и поселков, где индустриальные помехи наиболее интенсивны, выбор антенны определяется не только величиной КНД, но и КЗД. Вблизи ТЦ, где мощность сигнала на входе телевизора достаточно велика, казалось бы, можно применять простые антенны типа «симметричный вибратор», но для полного исключения отраженных волн приходится использовать, сложные направленные антенны, например типа «волновой канал».
Входное сопротивление определяется отношением напряжения к току на зажимах антенны. Величину входного сопротивления антенны необходимо знать, чтобы правильно согласовать антенну с кабелем и телевизором, тогда на вход телевизора поступает наибольшая мощность.
При правильном согласовании входное сопротивление антенны должно равняться входному сопротивлению кабеля снижения, которое, в свою очередь, должно быть равно входному сопротивлению телевизора. Это особенно важно в условиях дальнего приема, когда садовые участки расположены вдали от ТЦ. Измеряется входное сопротивление в точках, к которым подключается фидерная линия.
Входное сопротивление антенны характеризуется активной и реактивной составляющими. ТА, настроенная в резонанс, имеет только активное сопротивление, которое определяется отношением напряжения на клеммах антенны к току на входе кабеля снижения. Оно зависит от типа антенны, конструктивных особенностей, размещения клемм, к которым подсоединяется фидерная линия, от расположения вблизи антенны различных сооружений и других факторов.
Входное сопротивление и характер его изменения в полосе частот телеканала определяют мощность, отдаваемую антенной в цепь нагрузки телевизора, а также неравномерность частотной характеристики антенно-фидерного тракта.
Известно, что ТА является генератором энергии, а сопротивление ТА играет роль внутреннего сопротивления этого генератора. Если ТА настроена в резонанс, согласована с нагрузкой и потерь энергии в ней нет, то передаваемая в нагрузку мощность будет максимальной.
При небольших изменениях частоты (относительно резонансной) активная составляющая входного сопротивления меняется мало, но зато появляется реактивная составляющая. На частотах ниже резонансной реактивная составляющая имеет емкостный характер, а на частотах выше резонансной — индуктивный. Чем меньше меняется входное сопротивление при изменении частоты, тем антенна широкополосное.
КБВ приемной ТА показывает степень согласования антенны с кабелем снижения и определяется отношением напряжения в минимуме к напряжению в максимуме:
К = Umin/Umax.
КБВ равен единице, если напряжения минимума и максимума равны, а это возможно только при чисто бегущей волне. Если же в кабеле снижения существует только стоячая волна, то минимум и максимум напряжения отсутствуют, т. е. равны нулю, и КПП также равен нулю. КБВ в значительной степени влияет на кпд кабеля снижения.
Для полной оценки согласования антенны с линией передачи сигнала дополнительно рассматриваются коэффициенты стоячей волны и отражения. Все эти три коэффициента связаны между собой математическими зависимостями. На практике измеряются наибольшее и наименьшее напряжения, которые действуют вдоль линии передачи и по которым можно судить о согласованности кабеля снижения с антенной.
Коэффициент стоячей волны:
КСВ = 1/KБB = Umax/Umin
Коэффициент отражения представляет собой отношение амплитуд падающей и отраженной волн, измерения которых осуществляются с помощью направленных ответвителей.
Устойчивое изображение на экране телевизионного приемника достигается при КБВ>0,5, так как при меньших значениях увеличивается рассогласованность линии передачи сигнала с антенной и значительно увеличиваются потери, снижается КПД фидера.
Коэффициент усиления антенны характеризует реальный выигрыш по мощности в нагрузке, даваемый данной антенной по сравнению с ненаправленным излучателем, с учетом направленных свойств антенны и потерь в ней.
Коэффициент усиления антенны определяется по формуле:
Кр = Рbх.эт/Pbx.
При отсутствии указания о направлении на ТЦ значение коэффициента усиления антенны соответствует направлению максимального излучения. Коэффициент усиления антенны может выражаться в децибелах и равняться увеличенному в 10 раз десятичному логарифму отношения мощностей.
Коэффициент усиления антенны тем больше, чем меньше ширина диаграммы направленности и величина заднего и боковых лепестков. Направленность антенны определяется КПД.
Между коэффициентом усиления антенны и КНД существует прямая зависимость:
Кр = D •hp
где hp — КПД антенны.По некоторым источникам, коэффициент усиления определяется так:
Кр = D •hp/1,64.
В этой формуле КНД антенны характеризует выигрыш по мощности в нагрузке благодаря направленным свойствам антенны и представляет собой отношение мощности, получаемой без потерь на согласованной нагрузке, к мощности, развиваемой на той же нагрузке согласованным с ней воображаемым ненаправленным излучателем при одной и той же напряженности электромагнитного поля и точке приема. При этом предполагается, что антенна ориентирована на максимум приема.
Коэффициент полезного действия антенны характеризует потери мощности в антенне и представляет собой отношение мощности излучения к сумме мощностей излучения и потерь, т.е. к полной мощности, которая подводится к антенне радиопередающей станции от передатчика:
hp = Ри/(Ри + Рп) = Rи/Rи + Rп.
Чем меньше сопротивление излучения Rи и чем больше сопротивление потерь Rп, тем ниже КПД.
В табл. 6 приведены ориентировочные значения коэффициента усиления и входного сопротивления некоторых антенн.
Таблица 6
| Типы антенны | Коэф. усиления | Входное сопротивление, Ом |
|---|---|---|
| Линейный полуволновой вибратор | 1,0 | 73 |
| Петлевой вибратор с симметрирующей петлей | 1,0 | 292 |
| Трехэлементная (рефлектор на 5 % длиннее, а директор на 4 % короче вибратора; расстояние между вибратором и рефлектором 015 λ , а между вибратором и директором 0,1 λ ), при использовании петлевого вибратора в качестве активного | 6,0 | 40 |
| Пятиэлементная(рефлектор на расстоянии 015 λ ,директор на расстоянии 0,1 λ ), при использовании петлевого вибратора в качестве активного | 9,0 | 32 |
| Семиэлементная(рефлектор на расстоянии 015 λ ,директор на расстоянии 0,1 λ ), при использовании петлевого вибратора в качестве активного | 12,0 | 32 |
| Зигзагообразная одинарная без экрана | 3-6 | 75 |
| Зигзагообразная одинарная с экраном | 6-12 | 75 |
Примечание:
Коэффициент усиления антенны выражен в относительных единицах. Для перехода к децибелам можно использовать расчетную формулу.
Коэффициент полезного действия приемных ТА, исключая ромбические, находится в пределах 0,93—0,96.
Действующая длина (высота) антенны — это отношение ЭДС, наводимой в антенне радиоволной, приходящей с направления главного лепестка диаграммы направленности антенны, к напряженности поля в месте приема
В некоторых источниках действующей длиной приемной антенны называют длину, которая после умножения на напряженность поля в места приема дает величину ЭДС, наводимой в антенне волной, приходящей с направления максимума диаграммы направленности.
Действующая длина антенны — это параметр, используемый для уточнения свойств простейших антенн; например, антенны типа «линейный вибратор», «петлевой вибратор», «полуволновой вибратор», амплитуда тока вдоль которых меняется по синусоидальному закону.
Для полуволнового линейного вибратора действующая длина определяется по следующей формуле:
lд = lдл/3,14,
где lдл — длина волны в м.
Некоторые авторы вводят понятие действующей высоты антенны для определения и проведения расчетов ЭДС.
Умножая действующую высоту на напряженность поля в месте приема, можно получить значение ЭДС на зажимах антенны в случае, когда сигнал приходит с направления максимального приема:
ЭДС = hg •E.
Ширина полосы пропускания — полоса частот, в пределах которой неравномерность частотной характеристики не превышает заданной.
Зависимость напряжения на нагрузке от частоты особенно важна для антенн, у которых неравномерность частотной характеристики в полосе телеканала не должна превышать ±1дБ.
Ширина полосы пропускания тем больше, чем меньше зависят от частоты коэффициент усиления и входное сопротивление антенны.
Основные электрические параметры и характеристики одноканальных антенн типа TВK, (телевизионная комнатная) приведены в табл. 7.
Таблица 7
| Параметры и характеристики | Типоразмер антенны | ||
|---|---|---|---|
| трех- элементная | четырех- элементная | пяти- элементная | |
| Рабочая частота, МГц | 48,5-66 | 76-100 | 174-200 |
| Коэффициент усиления, дБ | 5,3 | 7,2 | 8,5 |
| Неравномерность коэффициента усиления, дБ | 0,4 | 0,8 | 1,0 |
| Согласование антенны с кабелем снижения (КБВ) | 0,65-0,9 | 0,6-0,8 | 0,6-0,7 |
| Помехозащищенность, дБ | -(13...19) | -(14...20) | -(15...26) |
| Угол раствора диаграммы направленности в горизонтальной плоскости, град | 70 | 60 | 50 |
Согласование телевизионных антенн с фидером
При изготовлении антенны мастерам-радиолюбителям следует особое внимание уделять вопросам согласования выходного сопротивления активного вибратора антенны с сопротивлением кабеля снижения, которые, как правило, отличаются друг от друга.
Во всех случаях приемная ТА соединяется с входом телевизора с помощью кабеля снижения, который передает принятые антенной сигналы на телевизор. Фидерное устройство обладает, как правило, высоким кпд, в большой степени зависящим от материалов, из которых изготовлены его составные части, и от схемы согласования фидерной линии антенны и телевизора.
В качестве фидерных линий используются высокочастотные симметричные или несимметричные коаксиальные кабели.
Согласование антенны делается для обеспечения более высокого КБВ в кабеле снижения. Согласующее устройство преобразует входное сопротивление антенны в сопротивление, близкое или равное волновому сопротивлению фидерной линии.
Симметрирование антенны осуществляется с целью увеличения помехозащищенности при приеме телепередач и производится в тех случаях, когда к симметричной антенне подключается несимметричная коаксиальная фидерная линия. Специальное симметрирующее устройство устраняет токи радиочастоты на наружной поверхности экрана коаксиального кабеля и искажения диаграммы направленности антенны.
Оба процесса выполняются одновременно одним симметрирующе-согласующим устройством (УСС). Рассмотрим поочередно следующие УСС:- фазосдвигающее колено;
- волновое U-образное колено;
- четвертьволновой коротко-замкнутый мостик;
- четвертьволновой стакан;
- полуволновое U-образное колено;
- эквивалент кабельной петли;
- воздушный симметрирующе-согласующий трансформатор (ВССТ);
- симметрирующе-согласующий трансформатор на ферритах (ССТФ).
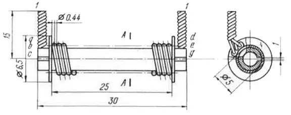
На рис. 5 дано УСС типа«фазосдвигающее колено», которое применяется в полосе частот ±5 % от средней частоты телеканала. Полуволновой линейный неразрезной вибратор с фазосдвигающим коленом относится к простейшим слабонаправленным антеннам и применяется в качестве самостоятельной антенны на расстоянии не более 10 км от ТЦ и ретрансляторов при отсутствии помех и отраженных сигналов.
При этом следует заметить, что подключение коаксиального кабеля к неразрезному вибратору показано условно. При подключении фидера к фазосдвигающему колену необходимо выполнить следующее условие. Оплетка коаксиального кабеля должна быть припаяна в точке а непосредственно к трубке вибратора без переходного проводника.
На рис. 6, а, оплетка кабеля снижения также должна быть припаяна к правому вибратору в точке 1 без промежуточного проводника. Это позволяет обеспечить относительно плавный переход из симметричной двухпроводной линии в антенну.
Улучшения согласования антенного устройства с кабелем снижения можно в некоторых случаях добиться применением неоднородностей в виде различных конструктивных элементов, не приводящих к заметному изменению диаграммы направленности.

Рис. 5
УСС "фазосдвигающее колено"
1-полуволновой линейный неразрезной вибратор;2-фазосдвигающее колено;3-кабель снижения.
Главным условием применения согласующих неоднородностей является их геометрическая симметрия в обоих плоскостях поляризации. Улучшение согласования достигается за счет того, что знак реактивной составляющей входного сопротивления антенны изменяется медленно, так как во всех широкополосных антеннах с таким устройством компенсация реактивного сопротивления происходит непосредственно на входе антенны.
Изготавливается данное УСС из латунной трубки диаметром, равным диаметру полуволнового линейного вибратора, который, в свою очередь, равен одной пятидесятой длины волны (1/50lдл.).
Длина колена
l1 = 1/10lдл.
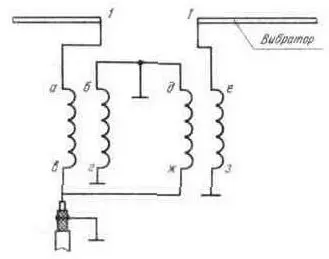
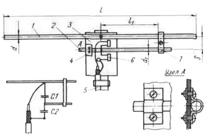
На рис. 6 а, б, приведены конструкция и схема подключения несимметричного коаксиального кабеля к полуволновому линейному вибратору с помощью симметрирующего мостика и УСС типа"волновое U-образное колено".

Рис. 6
Подключение нессиметричного коаксиального кабеля к полуволновому линейному вибратору:
a-с помощью симметрирующего мостика:
1- трубка; 2-перемычка; 3-кабель; 4 и 5-вибраторы.
б-с помощью волнового U - образного колена:
1 и 4-вибраторы; 2-перемычка; 3-кабель; 5-отрезок кабеля.
В метровом диапазоне волн широко используется симметрирующий шлейф, изображенный на рис. 6 а, который изготавливается из трубок диаметром d1 = 10—15 мм, приваренных к вибраторам из трубок диаметром d = 12—25 мм. Перемычка 2 делается из металла и накоротко замыкает оба отрезка трубки 1.
При изготовлении УСС необходимо выполнить следующее: первый отрезок трубки приваривают к тому плечу вибратора, который питается от центральной жилы коаксиального кабеля и вместе со вторым отрезком трубки и с наружной оболочкой кабеля образует двухпроводную симметричную линию. Перемычку 2 присоединяют на расстоянии l1 от входных клемм антенны.
l1 = 1/4lдлср,
где lдлср — средняя длина волны.
При подключении в точках 1 к левой 4 и к правой 5 половинам вибратора короткозамкнутого четвертьволнового отрезка линии симметрии токов в плечах восстанавливаются. Применение симметрирующего шлейфа обеспечивает пропорциональное ответвление токов в левом и правом плечах вибратора, компенсацию разности токов, незначительное ответвление токов по оболочкам кабелей без изменения входного сопротивления вибратора. Конструкция симметрирующего мостика позволяет изменять положение короткозамыкающей перемычки, а это дает возможность использовать его в очень широком диапазоне частот. Дополнительной регулировкой расстояния между трубками симметрирующего мостика в пределах 60— 80 мм можно добиться полного согласования антенны с кабелем снижения при равенстве волнового сопротивления фидера с входным сопротивлением антенны.
Широкое применение в радиолюбительской практике получило УСС типа «волновое U-образное колено» (рис. 6, б).
Подключается оно к активному вибратору большинства ТА типа "волновой канал".
Конструктивные размеры этого УСС, изготовленного из коаксиального кабеля со сплошной полиэтиленовой изоляцией марки РК-75, приведены в табл. 8.
Таблица 8
| Размеры, мм | Каналы | |||||||
|---|---|---|---|---|---|---|---|---|
| 1 | 2 | 3 | 4 | 5 | 6,7 | 8,9 | 10-12 | |
| l1 | 950 | 800 | 620 | 560 | 515 | 280 | 250 | 230 |
| l2 | 1900 | 1600 | 1240 | 1120 | 1030 | 560 | 500 | 400 |
| l | 2760 | 2340 | 1790 | 1620 | 1510 | 780 | 710 | 650 |
| d | 20 | 18 | 16 | 16 | 12 | 12 | 10 | 10 |
Антенны с входным сопротивлением, отличающимся от волнового сопротивления кабеля снижения, согласуются между собой с помощью УСС типа «волновое U-образное колено», у которого в качестве согласующего трансформатора применен четвертьволновой отрезок коаксиального кабеля, а удлинение одной ветви на отрезок, равный полуволне,для изменения фазы тока, питающего вторую половину вибратора антенны.













