Остановимся подробно на светодиодах, выпускаемых фирмой OSRAM. Ее изделия широко представлены на отечественном рынке. Рассмотрим основные серии сверхъярких светодиодов OSRAM.
Серия Diamond Dragon
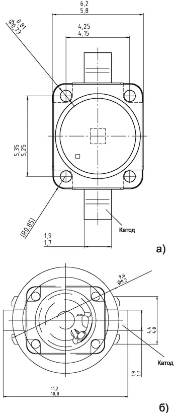
Внешний вид сверхъярких светодиодов этой серии показан на рис. 1а, а на рис. 1б - их устройство. Особенностью данной серии является то, что они оснащены линзой, выполненной из силикона, для формирования диаграммы направленности. Кроме этого, в составе приборов имеются встроенные обратные защитные диоды, предотвращающие выход из строя светоизлучающих кристаллов при смене полярности источника. Типовое значение теплового сопротивления "кристалл-контакт" у светодиодов серии Diamond Dragon составляет всего 2,5°С/Вт, максимальная рабочая температура кристалла - 160°С. Гарантируется надежная работа светодиодов на время более 50000 часов при условии протекании прямого тока не более 1 А и температуре окружающей среды 25°С.

Рис. 1. Внешний вид светодиодов серии Diamond Dragon (а) и их конструкция (б)
Таблица 1. Технические характеристики светодиодов серии Diamond Dragon
Исполнение | Типовой поток, лм | При токе, А | Типовая светоотдача, лм/вт | CRI, о.е.* | Прямое падение напряжения, В |
LCW W5AP | 203,0 | 1,4 | до 41,0 | 80 | 4,3 |
LW W5AP | 255,0 | 1,4 | до 54,0 | - | 4,3 |
LUW W5AP | 311,0 | 1,4 | до 65,0 | 80 | 4,3 |
*CRI (Color Rendering Index) - коэффициент цветопередачи. Этот параметр показывает, насколько близки цвета освещаемых объектов к истинным цветам. Измеряется в относительных единицах (о.е.) и имеет значения от 0 до 100.
Конструктивные размеры светодиодов показаны на рис. 2а, принципиальная электрическая схема - на рис. 2б. Светодиоды этой серии имеют два исполнения корпуса: типовой и с уменьшенными габаритами.

Рис. 2. Конструктивные размеры светодиодов серии Diamond Dragon (а) и принципиальная электрическая схема (б)
Типовая диаграмма интенсивности излучения светодиодов серии Diamond Dragon в ортогональной и полярной системах координат приведена на рис. 3. Основной световой поток, согласно диаграмме, излучается в секторе ±60 градусов.

Рис. 3. Типовая диаграмма интенсивности излучения светодиодов серии Diamond Dragon
Основные технические характеристики светодиодов серии Diamond Dragon приведены в табл. 6.
В табл. 2 приведены типономиналы светодиодов серии Diamond Dragon. По данным этой таблицы можно выбрать необходимый типономинал исходя из значения цветовой температуры и величины светового потока.
Таблица 2. Типономиналы светодиодов серии Diamond Dragon
Типономинал | Цветовая температура, °К | Диапазон светового потока, лм |
LCW W5AP-LXMX-4U9X | 2700 | 112...210 |
LCW W5AP-LXMX-4R9T | 3000 | 112...210 |
LCW W5AP-LYMY-4O9Q | 3500 | 130...240 |
LCW W5AP-LZMZ-4L8N | 4000 | 150...280 |
LCW W5AP-LZMZ-4J8K | 4500 | 180...280 |
LW W5AP-LZMZ-5K8L | 5600 | 150...280 |
LUW W5AP-MYNY-5F8G | 5700 | 210...390 |
LUW W5AP-MYNY-4C8E | 6500 | 210...390 |
Серия Golden Dragon
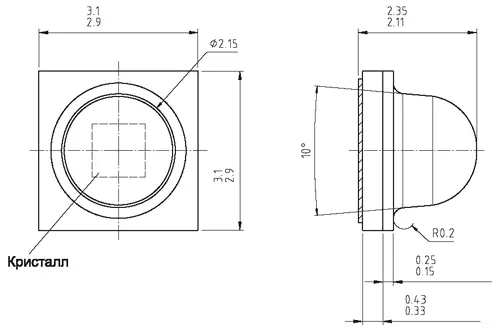
Эта серия миниатюрных поверхностно-монтируе-мых сверхъярких светодиодов обладает высоким (до 128 лм/Вт) значением показателя светоотдачи. Основные характеристики исполнений светодиодов серии Golden Dragon приведены в табл. 3, а на рис. 4 показан их внешний вид.

Рис. 4. Внешний вид светодиодов серии Golden Dragon по исполнениям: а - LCW W5AM, LUW W5AM, LW W5AM; б - LCW W5SM, LUW W5SM, LW W5SM; в - LW W5SG, ZW W5SG; г - LCW W51M, LW W51M; д - LCW W55M, LW W55M; е - LW W5JM
Таблица 3. Основные характеристики исполнений светодиодов серии Golden Dragon
Исполнение | Максимальная рабочая температура кристалла, °С | Максимальный световой поток, лм | При токе,А | Средняя светоотдача, лм/Вт | CRI, о.е. | Угол излучения, градусы | Тепловое сопротивление "кристалл- подложка", °С/Вт | Прямое падение напряжения, В |
LCW W5AM | 125 | 178 | 1,0 | 68 | 80 | ±85 | 6,5 | 3,7 |
LCW W5SM | 125 | 154 | 1,0 | 87 (при токе 100 мА) | 80 | ±60 | 6,5 | 3,7 |
LCW W51M | 125 | 97 | 1,0 | 50 | 80 | ±10 | 6,5 | 3,7 |
LCW W55M | 125 | 97 | 1,0 | 50 | 80 | ±20 | 11,0 | 3,7 |
LUW W5AM | 125 | 267 | 1,0 | 128 (при токе 100 мА) | - | ±85 | 6,5 | 3,7 |
LUW W5SM | 135 | 230 | 1,0 | 110 (при токе 100 мА) | - | ±60 | 6,5 | 3,7 |
LW W5AM | 125 | 227 | 1,0 | 87 | 80 | ±85 | 6,5 | 3,7 |
LW W5JM | 125 | 82 | 0,35 | 55 | 80 | пл.1 - ±60 пл.2 - ±40 | 11,0 | 3,7 |
LW W5SG | 125 | 41 | 0,5 | 21 | 80 | ±60 | 9,0 | 4,1 |
LW W5SM | 135 | 191 | 1,0 | 99 (при токе 100 мА) | 80 | ±60 | 6,5 | 3,7 |
LW W51M | 125 | 82 | 0,35 | 50 | 80 | ±10 | 6,5 | 3,7 |
LW W55M | 125 | 82 | 0,35 | 55 | 80 | ±20 | 11,0 | 3,7 |
ZW W5SG | 125 | 71 | 0,35 | 40 | 80 | ±60 | 15,0 | 3,8 |
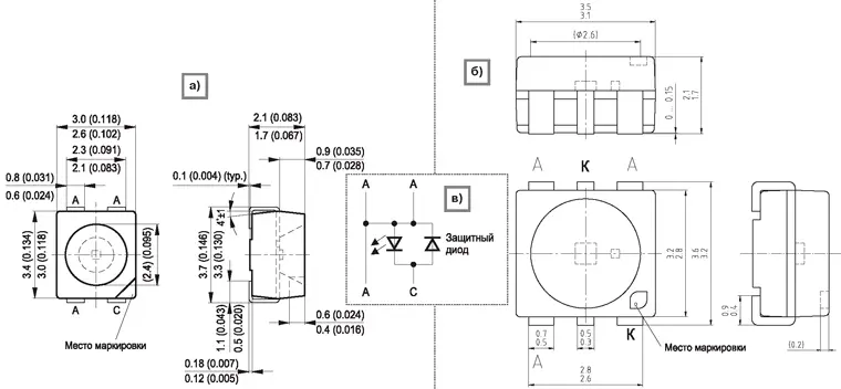
Конструктивные размеры корпусов светодиодов показаны на рис. 5. Корпуса данных светодиодов имеют два исполнения: с линзой, обеспечивающей широкий угол излучения светового потока (а), и с узким корпусом (б).

Рис. 5. Конструктивные размеры светодиодов серии Golden Dragon а - исполнений LCW W5AM, LUW W5AM, LW W5AM, LCW W5SM, LUW W5SM, LW W5SM, LW W5SG, ZW W5SG; б - исполнений LCW W51M, LW W51M, LCW W55M, LW W55M, LW W5JM
Для сравнения характера распределения интенсивности излучения световой энергии в пространство разными исполнениями светодиодов серии Golden Dragon приведен рис. 6.

Рис. 6. Типовые диаграммы интенсивности излучения светодиодов серии Golden Dragon а - ±85°; б - ±60°; в - ±10°; г - ±20°
В табл. 4 указаны типономиналы светодиодов серии Golden Dragon, их цветовая температура и значение светового потока.
Таблица 4. Номенклатура светодиодов серии Golden Dragon
Типономинал | Цветовая температура, °К | Световой поток, лм |
LCW W5AM-JZKY-4U9X | 2700 | 61...97 |
LCW W5AM-JZKY-4R9T | 3000 | 61...97 |
LCW W5AM-KXKY-4R9T | 3000 | 71...97 |
LCW W5AM-JZKZ-4O9Q | 3500 | 61...112 |
LCW W5AM-KXKZ-4L8N | 4000 | 71...112 |
LCW W5AM-KYKZ-4L8N | 4000 | 82...112 |
LCW W5AM-KXKZ-4J8K | 4500 | 71...112 |
LCW W5SM-JXKX-4U9X | 2700 | 45...82 |
LCW W5SM-JYKY-4R9T | 3000 | 52...97 |
LCW W5SM-JXKY-4O9Q | 3500 | 45...97 |
LCW W5SM-JYKY-4L8N | 4000 | 52...97 |
LCW W5SM-JYKZ-4J8K | 4500 | 52...112 |
LCW W51M-HZJZ-4U9X | 2700 | 39...71 |
LCW W51M-HZJZ-4R9T | 3000 | 39...71 |
LCW W51M-JXKX-4O9Q | 3500 | 45...82 |
LCW W51M-JYKY-4L8N | 4000 | 52...97 |
LCW W51M-JYKY-4J8K | 4500 | 52...97 |
LCW W55M-HZJZ-4U9X | 2700 | 39...71 |
LCW W55M-HZJZ-4R9T | 3000 | 39...71 |
LCW W55M-JXKX-4O9Q | 3500 | 45...82 |
LCW W55M-JYKY-4L8N | 4000 | 52...97 |
Типономинал | Цветовая температура, °К | Световой поток, лм |
LCW W55M-JYKY-4J8K | 4500 | 52...97 |
UW W5AM-KYLX-6P7Q | 5600 | 82...130 |
LUW W5AM-KZLY-6P7R | 97...150 | |
LUW W5AM-LXLY-6P7R | 112...150 | |
LUW W5AM-KYLX-4C8E | 6500 | 82...130 |
LUW W5AM-KYLX-4E8G | 5700 | 82...130 |
LUW W5SM-JZKY-5P7R | 5600 | 61...97 |
LUW W5SM-JZKX-6P7Q | 61...82 | |
LUW W5SM-KXKY-6P7Q | 71...97 | |
LUW W5SM-JZKY-4C8E | 6500 | 61...97 |
LUW W5SM-JZKY-5F8G | 5700 | 61...97 |
LW W5AM-KYLX-5K8L | 5600 | 82...130 |
LW W5AM-KYLX-6K7L | 82...130 | |
LW W5AM-KZLX-6K7L | 97...130 | |
LW W5JM-HZKX-5K8L | 39...82 | |
LW W5SG-GYHY-5K8L | 21...39 | |
LW W5SG-GZHZ-5K8L | 24...45 | |
LW W5SG-HXJX-5K8L | 28...52 | |
LW W5SM-JYKY-JKQL | 52...97 | |
LW W51M-HZKX-5K8L | 39...82 | |
LW W55M-HZKX-5K8L | 39...82 | |
ZW W5SG-HYJZ-5K8L | 33...71 |
Серия Platinum Dragon
Внешний вид светодиодов этой серии приведен на рис. 4б, а конструкция корпуса - на рис. 5а. Основные технические характеристики серии: максимальный рабочий ток 1 А, средняя светоотдача - до 97 лм/Вт, тепловое сопротивление "кристалл-подложка" - 6,5°С/Вт (при рабочем токе 100 мА), максимальная рабочая температура кристалла - 135°С, CRI - 80, прямое падение напряжения при максимальном токе - не более 4,0 В, угол излучения - ±60 градусов.
В табл. 5 приведена номенклатура светодиодов се рии Platinum Dragon.
Таблица 5. Номенклатура светодиодов серии Platinum Dragon
Типономинал | Цветовая температура, °К | Световой поток, лм |
LCW W5SN-KXLX-4U9X | 2700 | 71...130 |
LCW W5SN-KYLY-4R9T | 3000 | 82...150 |
LCW W5SN-KXLX-4O9Q | 3500 | 71...130 |
LCW W5SN-KYLY-4L8N | 4000 | 82...150 |
LCW W5SN-KYLY-4J8K | 4500 | 82...150 |
LW W5SN-KYLY-JKQL | 5600 | 82...150 |
Серия Oslon
Эта серия сверхъярких светодиодов обладает миниатюрными размерами при очень высокой светоотдаче, а включенные в состав корпуса линзы выравнивают характеристику излучения, что позволяет на основе светодиодов серии Oslon создавать интегральные малогабаритные источники света с высокими равномерностью излучения и интенсивностью.
На рис. 7 показан внешний вид исполнений светодиодов серии Oslon, на рис. 8 - типовые конструктивные размеры, а в табл. 6 приведены основные технические характеристики.

Рис. 7. Внешний вид светодиодов серии Oslon по исполнениям: а - LCW CP7P, LUW CN7N; б - LMW CNAP, LUW CNAP, LUW CP7P; в - LUW CN5M, LUW CN7M

Рис. 8. Конструктивные размеры светодиодов серии Oslon

Рис. 9. Внешний вид светодиодов серии Oslux
Таблица 6. Основные характеристики светодиодов серии Oslon
Исполнение | Максимальная рабочая температура кристалла, °С | Максимальный световой поток, лм | При токе, А | Средняя светоотдача, лм/Вт | CRI, о.е. | Угол излучения, градусы | Тепловое сопротивление "кристалл- подложка", °С/Вт | Прямое падение напряжения, В |
LCW CP7P | 125 | 83 | 0,35 | 72 | 80 | ±40 | 7 | 3,75 |
LMW CNAP | 150 | 100 | 0,35 | 65 | - | ±63 | 14 | 3,70 |
LUW CN5M | 36 | 0,14 | 73 | - | ±30 | 27 | 3,80 | |
LUW CN7M | 61 | 0,20 | 61 | - | ±45 | 27 | 4,10 | |
LUW CN7N | 112 | 0,35 | 70 | - | ±40 | 18 | 3,80 | |
LUW CNAP | 140 | 0,35 | 92 | - | ±63 | 14 | 3,70 | |
LUW CP7P | 125 | 110 | 0,35 | 100 | - | ±40 | 7 | 3,75 |
Диаграммы пространственного излучения светодиодов исполнений LUW CN7M приведены на рис. 10а, а LUW CNAP - на рис. 10б. Хорошо видно, что излучение этих исполнений светодиодов в области угла основного излучения практически равномерно.

Рис. 10. Диаграммы интенсивности излучения светодиодов серии Oslon: а - LUW CN7M, б - LUW CNAP
В табл. 7 приведена номенклатура светодиодов серии Oslon.
Таблица 7. Номенклатура светодиодов серии Oslon
Типономинал | Цветовая температура, °К | Световой поток, лм |
LCW CP7P-KPKR-5R8T-35 | 3000 | 71,0...89,2 |
LCW CP7P-KQKS-5R8T-35 | 3000 | 76,3...97,0 |
LCW CP7P-KRKT-5R8T-35 | 3000 | 82,0...104,2 |
LCW CP7P-KQKS-5L7N-35 | 4000 | 76,3...97,0 |
LCW CP7P-KRKT-5L7N-35 | 4000 | 82,0...104,2 |
LMW CNAP-6J7K-37-DF-LH | 5600 | 50,0...100,0 |
LUW CN5M-GAHA-5P7R-1 | 6500 | 18,0...35,0 |
LUW CN7M-HYJY-EMKM-1 | 5600 | 33,0...61,0 |
LUW CN7N-JZKZ-EMKM-1 | 5600 | 61,0...112,0 |
LUW CNAP-8J6L-BI-P4P6-LH | 6500 | 50,0...140,0 |
LUW CP7P-KSKU-5E8G-35 | 6000 | 89,2...112,0 |
LUW CP7P-KTLP-5E8G-35 | 6000 | 97,0...121,0 |
LUW CP7P-KSKU-5C8E-35 | 6500 | 89,2...112,0 |
LUW CP7P-KTLP-5C8E-35 | 6500 | 97,0...121,0 |
Серия Oslux
Эта небольшая серия сверхъярких светодиодов обладает ярко выраженной неидентичностью диаграмм пространственного излучения в двух ортогональных плоскостях. Внешний вид светодиодов показан на рис. 9, конструктивные размеры - на рис. 11. Основные технические характеристики: максимальная рабочая температура кристалла - 175°С, максимальный рабочий ток - 0,5 А, прямое падение напряжения - не более 4,3 В, тепловое сопротивление - 13°С/Вт

Рис. 11. Конструктивные размеры светодиодов серии Oslux
В табл. 8 приведена номенклатура светодиодов серии Oslux.
Таблица 8. Номенклатура светодиодов серии Oslux
Типономинал | Цветовая температура, °К | Световой поток, лм |
LUW F65N-KYMX-5P7R | 6500 | 82...210 |
LW F65G-HZKX-58 | 5600 | 39...82 |
В данной серии необходимо акцентировать внимание на особенностях диаграмм излучения светодиодов. На рис. 12 показана пространственная диаграмма излучения светодиодов исполнения LW F65G, причем на рис. 12а приведена диаграмма, отражающая излучение в двух плоскостях - вертикальной и горизонтальной, а на рисунке 12б - диаграмма "светового пятна", то есть распределение интенсивности излучения по освещаемой плоскости. Хорошо видно, что область "светового пятна" представляет собой почти правильный прямоугольник с соотношением сторон 7:5.


Рис. 12. Диаграмма интенсивности излучения светодиодов исполнения LW F65G: а - в плоскостях излучения, б - "световое пятно"
Серия Topled
Применение сверхъярких светодиодов данной серии ограничивается малогабаритными осветительными приборами, среди которых можно назвать устройства местной (настольной) подсветки рабочих зон оборудования (например, зоны обработки металлоре-жущих станков, швейные машины, переносные фонарики и т.д.), а также подсветкой жидкокристаллических индикаторов. Внешний вид светодиодов серии Topled показан на рис. 13, а конструктивные размеры и электрическая схема - на рис. 14. Основные характеристики светодиодов серии Topled приведены в табл. 9, номенклатура - в табл. 10.

Рис. 13. Внешний вид светодиодов серии Topled по исполнениям: а - LCW E6SG, LCW G6SP, LUW E6SG, LW E6SC, LW E6SG, LW E67C, б - LW G6CP, LW G6SP

Рис. 14. Конструктивные размеры светодиодов серии Topled: а - LCW E6SG, LCW G6SP, LUW E6SG, LW E6SC, LW E6SG, LW E67C, б - LW G6CP, LW G6SP и электрическая принципиальная схема (в)
Таблица 9. Основные характеристики светодиодов серии Topled
Исполнение | Максимальная рабочая температура кристалла, °С | Максимальный световой поток, лм | При токе, А | Средняя светоотдача, лм/Вт | CRI, о.е. | Угол излучения, градусы | Тепловое сопротивление "кристалл- подложка", °С/Вт | Прямое падение напряжения, В |
LCW E6SG | 125 | 2,24 | 0,03 | 38 | 80 | ±60 | 180 | 3,8 |
LCW G6SP | 125 | 11,20 | 0,14 | 40 | 80 | ±60 | 40 | 4,1 |
LUW E6SG | 125 | 3,55 | 0,03 | 70 | - | ±60 | 180 | 3,8 |
LW E6SC | 125 | 1,40 | 0,03 | 20 | 80 | ±60 | 180 | 4,35 |
LW E6SG | 125 | 2,20 | 0,03 | 50 | 80 | ±60 | 180 | 3,8 |
LW E67C | 110 | 1,12 | 0,03 | 20 | 80 | ±60 | 180 | 4,35 |
LW G6CP | 150 | 14,00 | 0,14 | 46 | 80 | ±60 | 40 | 4,1 |
LW G6SP | 125 | 14,00 | 0,14 | 44 | 80 | ±60 | 40 | 4,1 |
Таблица 10. Номенклатура светодиодов серии Topled
Типономинал | Цветовая температура, °К | Световой поток, лм |
LCW E6SG-V1AB-4U9X | 2700 | 0,71...1,80 |
LCW E6SG-V1AB-4R9T | 3000 | 0,71...1,80 |
LCW E6SG-V2BA-4O9Q | 3500 | 0,90...2,24 |
LCW E6SG-V2BA-4L8N | 4000 | 0,90...2,24 |
LCW E6SG-V2BA-4J8K | 4500 | 0,90...2,24 |
LCW G6SP-CAEA-4U9X | 2700 | 2,8...9,0 |
LCW G6SP-CAEA-4R9T | 3000 | 2,8...9,0 |
LCW G6SP-CBEB-4O9Q | 3500 | 3,6...11,2 |
LCW G6SP-CBEB-4L8N | 4000 | 3,6...11,2 |
LCW G6SP-CBEB-4J8K | 4500 | 3,6...11,2 |
LUW E6SG-ABBB-4N7Q-1 | 6500 | 1,4...2,8 |
LUW E6SG-BACA-4N7Q-1 | 6500 | 1,8...3,6 |
LW E6SC-T2V1-5K8L-1 | 5600 | 0,36...0,90 |
LW E6SC-U2AA-5K8L-1 | 0,56...1,40 | |
LW E6SG-AABA-JKPL-1 | 1,12...2,24 | |
LW E67C-T2V1-5K8L-1 | 0,36...0,90 | |
LW E67C-U2V2-5K8L-1 | 0,56...1,12 | |
LW E67C-T1V2-5K8L-1 | 0,28...1,12 | |
LW G6CP-EAFA-JKQL-1 | 7,1...14,0 | |
LW G6SP-EAFA-JKQL-1 | 7,1...14,0 |
Серия Ostar
Светодиоды, выпускаемые в серии Ostar, обладают очень высоким значением светового потока, однако достигаются такие высокие показатели не высокой светоотдачей одиночных кристаллов (которая, впрочем, не ниже среднего уровня), а последовательным включением одиночных ячеек. Соответственно, возрастает значение прямого падения напряжения на приборах, но это - очевидная плата за высокое значение излучаемого светового потока.
Внешний вид светодиодов серии показан на рис.15, а в табл. 11 приведены основные характеристики исполнений светодиодов серии Ostar. Ввиду сложной конфигурации корпуса в этой статьи не приводятся подробные конструктивные размеры, а для оценки мы упомянем лишь габаритные размеры, которые составляют 23x20x3 мм (для исполнений корпуса в виде шестигранника) и 5x6x1,2 мм (для прямоугольного исполнения корпуса).

Рис. 15. Внешний вид светодиодов серии Ostar по исполнениям: а - LE CW E2A, LE W E2A, б - LE CW E2B, LE W E2B, в - LE UW S2W, г - LE CW E3A, LE W E3A, д - LE CW E3W, LE W E3B
Таблица 11. Основные характеристики исполнений светодиодов серии Ostar
Исполнение | Максимальная рабочая температура кристалла, °С | Максимальный световой поток, лм | При токе, А | Средняя светоотдача, лм/Вт | CRI, о.е. | Угол излучения, градусы | Тепловое сопротивление "кристалл- подложка", °С/Вт | Прямое падение напряжения, В |
LE CW E2A | 150 | 450 | 0,7 | 33 | 80 | ±60 | 4,2 | 16,4 |
LE CW E2B | 150 | 610 | 0,7 | 44 | 80 | ±65 | 4,2 | 16,4 |
LE CW E3A | 150 | 610 | 0,7 | 33 | 80 | ±60 | 3,0 | 24,5 |
LE CW E3B | 150 | 820 | 0,7 | 44 | 80 | ±65 | 3,0 | 24,5 |
LE UW S2W | 125 | 710 | 0,7 | 65 | - | ±60 | 3,1 | 4,2 (1 элемент) |
LE W E2A | 150 | 450 | 0,7 | 36 | 80 | ±60 | 4,2 | 16,4 |
LE W E2B | 150 | 710 | 0,7 | 50 | 80 | ±65 | 4,2 | 16,4 |
LE W E3A | 150 | 820 | 0,7 | 36 | 80 | ±60 | 3,0 | 24,5 |
LE W E3B | 150 | 970 | 0,7 | 50 | 80 | ±65 | 3,0 | 24,5 |
Электрические схемы светодиодов серии Ostar показаны на рис. 16. Очевидно, что значение прямого падения напряжения на светодиодах напрямую зависит от числа включенных последовательно ячеек. Исключение составляет исполнение LE UW S2W, где все четыре ячейки имеют независимые выводы, что позволяет построить источник освещения со ступенчато-регулируемым световым потоком. Каждая ячейка здесь зашунтирована защитным антипараллельным диодом.

Рис. 16. Электрические схемы светодиодов серии Ostar: а - LE CW E2A, LE CW E2B, LE W E2A, LE W E2B б - LE CW E3A, LE CW E3B, LE W E3A, LE W E3B в - LE UW S2W
В табл. 12 приведена номенклатура светодиодов серии Ostar
Таблица 12. Номенклатура светодиодов серии Ostar
Типономинал | Цветовая температура, °К | Световой поток, лм |
LE CW E2A-LYNX-URVU | 2700 | 130...330 |
LE CW E2A-LZNY-SRTU | 3000 | 150...390 |
LE CW E2A-MXNY-QRRU | 3500 | 180...390 |
LE CW E2A-MXNZ-ORPU | 4000 | 180...450 |
LE CW E2A-MXNZ-MRNU | 4500 | 180...450 |
LE CW E2B-MXNZ-URVU | 2700 | 180...450 |
LE CW E2B-MYNZ-SRTU | 3000 | 210...450 |
LE CW E2B-MYPX-QRRU | 3500 | 210...520 |
LE CW E2B-MZPY-ORPU | 4000 | 240...610 |
LE CW E2B-MZPY-MRNU | 4500 | 240...610 |
LE CW E3A-MXPX-URVU | 2700 | 180...520 |
LE CW E3A-MYPY-SRTU | 3000 | 210...610 |
LE CW E3A-MZPY-QRRU | 3500 | 240...610 |
LE CW E3A-MZPY-ORPU | 4000 | 240...610 |
LE CW E3A-MZPY-MRNU | 4500 | 240...610 |
LE CW E3B-NXPY-URVU | 2700 | 280...610 |
LE CW E3B-NYPZ-SRTU | 3000 | 330...710 |
LE CW E3B-NYPZ-QRRU | 3500 | 330...710 |
LE CW E3B-NZQX-ORPU | 4000 | 390...820 |
LE CW E3B-NZQX-MRNU | 4500 | 390...820 |
LE UW S2W-NZPZ-FRKV | 5700, 6500 | 390...710 |
LE W E2A-MZNZ-6K8L | 5600 | 240...450 |
LE W E2B-MZPZ-6K8L | 5600 | 240...710 |
LE W E3A-NXQX-6K8L | 5600 | 280...820 |
LE W E3B-NZQY-6K8L | 5600 | 390...970 |
Автор: Борис Семенов (г. Санкт-Петербург)
Источник: Ремонт и сервис
